TIÊU CHUẨN QUỐC GIA
TCVN 11069-2:2015
ISO 14256-2:2005
CHẤT LƯỢNG ĐẤT - XÁC ĐỊNH NITRAT, NITRIT VÀ AMONI TRONG ĐẤT ẨM HIỆN TRƯỜNG BẰNG CÁCH CHIẾT VỚI DUNG DỊCH KALI CLORUA - PHẦN 2: PHƯƠNG PHÁP TỰ ĐỘNG VỚI PHÂN TÍCH DÒNG CHẢY PHÂN ĐOẠN
Soil quality - Determination of nitrate, nitrite and ammonium in field-moist soils by extraction with potassium chloride solution - Part 2: Automated method with segmented flow analysis
Lời nói đầu
TCVN 11069-2:2015 hoàn toàn tương đương với ISO 14256-2:2005. ISO 14256-2:2005 đã được rà soát và phê duyệt lại vào năm 2013 với bố cục và nội dung không thay đổi.
TCVN 11069-2:2015 do Ban kỹ thuật tiêu chuẩn quốc gia TCVN/TC 190 Chất lượng đất biên soạn, Tổng cục Tiêu chuẩn Đo lường Chất lượng đề nghị, Bộ Khoa học và Công nghệ công bố.
Bộ TCVN 11069 (ISO 14256) Chất lượng đất - Xác định nitrat, nitrit và amoni trong đất ẩm hiện trường bằng cách chiết với dung dịch kali clorua gồm các tiêu chuẩn sau:
- TCVN 11069-1:2015 (ISO/TS 14256-1:2003) Phần 1: Phương pháp thủ công;
- TCVN 11069-2:2015 (ISO 14256-2:2005) Phần 2: Phương pháp tự động với phân tích dòng chảy phân đoạn;
CHẤT LƯỢNG ĐẤT - XÁC ĐỊNH NITRAT, NITRIT VÀ AMONI TRONG ĐẤT ẨM HIỆN TRƯỜNG BẰNG CÁCH CHIẾT VỚI DUNG DỊCH KALI CLORUA - PHẦN 2: PHƯƠNG PHÁP TỰ ĐỘNG VỚI PHÂN TÍCH DÒNG CHẢY PHÂN ĐOẠN
Soil quality - Determination of nitrate, nitrite and ammonium in field-moist soils by extraction with potassium chloride solution - Part 2: Automated method with segmented flow analysis
1. Phạm vi áp dụng
Tiêu chuẩn này quy định phương pháp tự động xác định nitrat, nitrit và amoni trong dịch chiết mẫu đất ẩm hiện trường bằng kali clorua 1 mol/L.
Tiêu chuẩn này áp dụng cho mọi loại đất đã được làm đồng nhất theo các phương pháp thích hợp.
2. Tài liệu viện dẫn
Các tài liệu viện dẫn sau rất cần thiết cho việc áp dụng tiêu chuẩn này. Đối với các tài liệu viện dẫn ghi năm công bố thì áp dụng phiên bản được nêu. Đối với các tài liệu viện dẫn không ghi năm công bố thì áp dụng phiên bản mới nhất, bao gồm cả các sửa đổi, bổ sung (nếu có).
TCVN 4851:1989 (ISO 3696:1987) Nước dùng cho phòng thí nghiệm - Yêu cầu kỹ thuật và phương pháp thử.
TCVN 6648:2000 (ISO 11465:1993) Chất lượng đất - Xác định chất khô và hàm lượng nước theo khối lượng - Phương pháp khối lượng.
3. Nguyên tắc
Mẫu đất đã đồng nhất được chiết bằng dung dịch kali clorua 1 mol/L. Nồng độ của hợp chất nitơ vô cơ nitrat, nitrit và amoni trong dịch chiết được xác định bằng phương pháp quang phổ tự động.
CHÚ THÍCH: Phương pháp xác định quy định trong tiêu chuẩn này dựa trên hệ thống phân tích dòng chảy phân đoạn. Hệ thống phân tích dòng chảy liên tục cũng có thể phù hợp.
4. Thuốc thử
Chỉ sử dụng thuốc thử cấp phân tích đã được công nhận.
4.1. Nước với độ dẫn điện riêng không lớn hơn 0,2 mS/m ở 25 °C [loại 2 theo TCVN 4851 (ISO 3696)].
4.2. Amoni clorua (NH4CI)
4.3. Kali clorua, KCI
4.4. Natri xitrat ngậm hai phân tử nước, C6H5Na3O7.2H2O
4.5. Natri hydroxyt, NaOH
4.6. Kali nitrat, KNO3
4.7. Natri nitrit, NaNO2
4.8. Natri salixylat, C7H5O3Na
4.9. Sunfanilamit, C6H8N2O2S.
4.10. Amoni sunphat, (NH4)2SO4
4.11. Natri kali tartrat ngậm bốn phân tử nước, C4H4KNaO6.4H2O
4.12. Axit clohydric, c(HCI) = 1 mol/L
4.13. Axit phosphoric, w(H3PO4) = 85%
4.14. N-(1-naphtyl)etylendiamin dihydroclorua, C12H16N2Cl2.
4.15. Natri nitroprusit ngậm hai phân tử nước, Na2[Fe(CN)5NO].2H2O
4.16. Natri dicloroisoxyanurat C3CI2N3NaO3.2H2O
4.17. Polyoxyetylen lauryl ete1) (30%), chất làm ướt.
Dung dịch chất làm ướt không được bảo quản quá 6 tháng.
4.18. Bột cadimi thô (cỡ hạt từ 0,3 mm đến 0,8 mm).
4.19. Dung dịch kali clorua (I), c(KCI) = 1 mol/L.
Hòa tan 74,55 g kali clorua (4.3) trong nước (4.1). Thêm nước (4.1) đến 1 L.
4.20. Dung dịch kali clorua (II), c(KCl) = 2 mol/L.
Hòa tan 149,10 g kali dorua (4.3) trong nước (4.1). Thêm nước (4.1) đến 1 L.
4.21. Dung dịch amon hydroxyt, w(NH4OH) = 3%.
4.22. Dung dịch đồng (II) sunfat, ρ(CuSO4) = 20 g/L.
4.23. Dung dịch gốc amon, ρ(NH4-N) = 200 g/L.
Trong bình định mức dung tích 1 L, hòa tan 0,9439 g amon sunfat (4.10) vào nước (4.1). Thêm nước (4.1) đến 1 L.
CHÚ THÍCH: Bảo quản trong tủ lạnh ở 4 °C, dung dịch này bền ít nhất một tháng
4.24. Dung dịch gốc nitrat, ρ(NO3-N) = 375 mg/L
Hòa tan 2,7083 g kali nitrat (4.6) trong nước (4.1). Thêm nước (4.1) đến 1 L.
CHÚ THÍCH: Bảo quản trong tủ lạnh ở 4 °C, dung dịch này bền ít nhất sáu tháng.
4.25. Dung dịch gốc nitrit, ρ(NO2-N) = 300 mg/L
Hòa tan 1,479 g natri nitrit (4.7) trong nước (4.1). Thêm nước (4.1) đến 1 L.
CHÚ THÍCH: Bảo quản trong tủ lạnh ở 4 °C, dung dịch này bền ít nhất sáu tháng.
4.26. Dung dịch natri nitroprusit
Hòa tan 1 g natri nitroprusit ngậm hai phân tử nước (4.15) trong 1 L nước (4.1).
4.27. Dung dịch natri dicloroisoxyanurat
Hòa tan 2 g natri dicloroisoxyanurat (4.16) và 25 g natri hydroxyt (4.5) trong 1 L nước (4.1).
4.28. Dung dịch đệm (I)
Trong một bình định mức 1 L, hòa tan 25 g amoni clorua (4.2) vào một ít nước. Thêm 12,5 mL dung dịch amoni hydroxyt (4.21) và 1 mL chất làm ướt (4.17). Thêm nước (4.1) đến vạch mức, lắc đều.
pH của dung dịch này nằm trong khoảng từ 6 đến 8.
4.29. Dung dịch đệm (II), pH = 5,2
Trong một bình thủy tinh 1 L, có chứa khoảng 500 mL nước (4.1), hòa tan 24 g natri xitrat ngậm hai phân tử nước (4.4) và 33 g natri kali tartrat ngậm bốn phân tử nước (4.11). Điều chỉnh pH của dung dịch đến pH bằng 5,2 bằng cách thêm axit clohydric (4.12) (cần khoảng 20 mL). Chuyển dung dịch vào bình định mức 1 L. Làm đầy đến vạch mức bằng nước. Thêm 1 mL chất làm ướt (4.17).
4.30. Tác nhân khử Cd-Cu
Lắc tròn khoảng 5 g bột cadimi (4.18) trong khoảng 1 min với khoảng 30 mL axit clohydric (4.12). Rửa bằng nước cho đến khi không còn axit. Sau đó thêm khoảng 50 mL dung dịch đồng (II) sunphat (4.22) và lắc tròn trong 3 min. Rửa ít nhất mười lần bằng nước để loại bỏ hết đồng đen bị keo tụ. Bảo quản tác nhân khử Cd-Cu ở nơi tối.
4.31. Thuốc thử màu (I)
Trong một bình 1 L có chứa khoảng 800 mL nước (4.1), hòa tan 80 g natri salixylat (4.8) và 25 g natri hydroxyt (4.5) và thêm nước đến vạch mức.
4.32. Thuốc thử màu (II)
Trong một bình 1 L cho vào 150 mL axit phosphoric đậm đặc (4.13) vào 0,5 L nước (4.1). Thêm 0,5 g N-(1-naphtyl)etylendiamin dihydroclorua (4.14) và lắc tròn cho đến khi hòa tan. Sau đó hòa tan 10 g sulfanilamit (4.9) trong hỗn hợp này và thêm nước đến vạch mức.
5. Thiết bị, dụng cụ
Thiết bị, dụng cụ phòng thí nghiệm tiêu chuẩn và các thiết bị cụ thể sau:
5.1. Cân, độ chính xác 0,1 g và 0,001 g.
5.2. Bình polyetylen, có dung tích danh định 500 mL, có nắp vặn hoặc bình chứa phù hợp khác không hấp thụ nitrit hoặc amon và không giải phóng chúng vào dung dịch.
5.3. Máy lắc, đảo ngược, tần suất 40 min-1.
5.4. Máy ly tâm, cỏ khả năng giữ các ống có dung tích danh định 100 mL.
5.5. Ống ly tâm polyetylen, dung tích danh định 100 mL.
5.6. Bình thủy tinh, loại Erlenmeyer, dung tích danh định 100 mL.
5.7. Hệ thống phân tích dòng chảy phân đoạn (SFA) để xác định tổng hàm lượng nitrat và nitrit, bao gồm bộ lấy mẫu, bơm, cột khử, bộ phân tích nitrat, máy đo quang phổ và bộ ghi dữ liệu. Sơ đồ dòng chảy của một hệ thống SFA phù hợp được trình bày tại Hình 1.
CHÚ THÍCH: Sơ đồ này có thể yêu cầu làm phù hợp, tùy thuộc vào hệ thống sử dụng.
5.8. Hệ thống phân tích dòng chảy phân đoạn (SFA) để xác định hàm lượng nitrit, bao gồm bộ lấy mẫu, bơm, bộ phân tích nitrit, máy đo quang phổ và bộ ghi dữ liệu. Sơ đồ dòng chảy của một hệ thống SFA phù hợp được trình bày tại Hình 2.
CHÚ THÍCH: Sơ đồ này có thể điều chỉnh cho phù hợp, tùy thuộc vào hệ thống sử dụng.
5.9. Hệ thống phân tích dòng chảy phân đoạn (SFA) để xác định hàm lượng amoni, bao gồm bộ lấy mẫu, bơm, bộ phân tích amoni, máy đo quang phổ và bộ ghi dữ liệu. Sơ đồ dòng chảy của một hệ thống SFA phù hợp được trình bày tại Hình 3.
CHÚ THÍCH: Sơ đồ này có thể điều chỉnh cho phù hợp, tùy thuộc vào hệ thống sử dụng.
5.10. Ống Khử Cu-Cd, gồm ống thủy tinh hình chữ U (hoặc theo khuyến nghị của nhà sản xuất), dài khoảng 15 cm và có đường kính trong 2 mm, có đai sắt để nối với ống SFA.
CHÚ THÍCH: Có thể mua các ống này có nhồi sẵn cadimi từ các nhà sản xuất hệ thống SFA, hoặc làm ống này (xem 4.28, 4.30 và 7.2.2).
6. Lấy mẫu
6.1 Xử lý mẫu đất
Tránh làm mẫu đất bị nóng lên trong quá trình lấy mẫu.
Vận chuyển đến phòng thử nghiệm phải được bố trí theo cách không làm mẫu bị nóng. Nên vận chuyển trong hộp lạnh, đặc biệt trong khoảng thời gian cuối mùa xuân và mùa hè.
Nếu mẫu được phân tích trong vòng ba ngày, chỉ cần bảo quản mẫu ở 4 °C là đủ, nếu không thể, mẫu cần được bảo quản ở -20 °C (làm đông lạnh sâu) để đảm bảo lưu giữ trong vài tuần, và không có bất kỳ thay đổi đáng kể nào trong thành phần của nitơ khoáng.
Khi xác định thành phần nitơ khoáng trong mẫu đất đã được làm đông lạnh sâu, nhiệt độ và khoảng thời gian của quá trình tan băng cần phải được kiểm soát. Mẫu có thể được làm tan băng ở nhiệt độ phòng, nếu chúng được làm đồng nhất và được chiết trong vòng 4 h sau khi bắt đầu quá trình tan băng. Cũng có thể tan băng ở 4 °C, nhưng khoảng thời gian tan băng không vượt quá 48 h.
Khoảng thời gian cần cho quá trình tan băng bị ảnh hưởng nhiều bởi cỡ mẫu. Kích thước mẫu đất trước khi làm đông lạnh sâu nên nhỏ như mẫu dùng cho phân tích.
6.2. Mẫu phòng thí nghiệm
Máu phòng thí nghiệm được tạo ra bằng cách đồng nhất mẫu đất ban đầu, hoặc mẫu đất được làm đông lạnh sâu và được tan băng. Quá trình làm đồng nhất có thể thực hiện bằng cách trộn kỹ toàn bộ mẫu đất, bằng tay hoặc sử dụng máy trộn cơ học để đảm bảo rằng các hạt kết của đất được chia thành các hạt có đường kính nhỏ hơn 5 mm.
Sử dụng găng tay cao su khi trộn đất bằng tay.
Sử dụng một phần mẫu phòng thí nghiệm để xác định hàm lượng nước theo TCVN 6648 (ISO 11465).
Nếu mẫu đất không thể phân tích trong khoảng thời gian đã đưa ra ở trên đối với mẫu đất tươi, do vậy mẫu phải được làm đông lạnh sâu, nên đồng nhất mẫu trước khi làm đông lạnh và chỉ làm đông lạnh lượng đất cần cho phân tích (xem 7.1).
7. Cách tiến hành
7.1. Chiết
7.1.1. Khái quát
Mẫu đất ẩm hiện trường được chiết bằng dung dịch kali clorua 1 mol/L với tỷ lệ 1:5 (nồng độ khối lượng) ở 20 °C ± 2 °C. Sau chiết 1 h, ly tâm dung dịch để xác định hợp chất nitơ vô cơ trong dung dịch nổi phía trên. Quá trình chiết được tiến hành ở nhiệt độ gần như không đổi khoảng 20 °C ± 2 °C vì lượng nitơ amoni có thể chiết được bị ảnh hưởng bởi nhiệt độ trong khi chiết.
Trong các điều kiện khí hậu khác, có thể chọn nhiệt độ không đổi khác. Nhiệt độ chiết được dùng phải được nêu trong báo cáo thử nghiệm.
Nên tiến hành ly tâm bởi vì phần lớn giấy lọc hấp thụ amoni hoặc có thể gây nhiễm bản mẫu. Khi lọc dịch chiết, giấy lọc cần phải được bảo quản ít nhất một tuần trong bình hút ẩm trên axit sunfuric đậm đặc hoặc môi trường làm khô có chứa axit sunturic, và phải đổ bỏ 20 mL dịch lọc đầu tiên.
Cách khác, có thể thu được dung dịch nổi phía trên bằng cách để đất lắng trong 4 h ở nhiệt độ không quá 4 °C.
7.1.2. Cách tiến hành
Cân 40,0 g mẫu phòng thí nghiệm vào bình polyetylen (5.2). Thêm 200 mL dung dịch kali clorua (4.19) ở nhiệt độ 20 °C ± 2 °C. Lắc bằng máy lắc cơ học (5.3) trong 1 h tại 20 °C. Gạn khoảng 60 mL huyền phù dịch chiết vào ống ly tâm (5.5) và ly tâm bằng máy (5.4) trong 10 min ở khoảng 3000 g. Gạn dung dịch nổi phía trên vào bình thủy tinh (5.6) và đo hàm lượng nitrat, nitrit và amoni, như mô tả tại quy trình sau (7.2, 7.3 và 7.4, tương ứng) sử dụng phần mẫu nhỏ phù hợp.
Cũng tiến hành thử mẫu trắng bằng cách chỉ thêm dung dịch kali clorua (I) (4.19) vào bình polyetylen (5.2).
Cần phải tiến hành đo ngay phần nitơ phù hợp, hoặc muộn nhất là một ngày sau khi chiết Nếu không thể thực hiện được, cần phải bảo quản dịch chiết ở nhiệt độ không quá 4 °C trong tủ lạnh, tối đa một tuần.
CHÚ THÍCH: Hầu hết nhà sản xuất máy phân tích dòng chảy đưa ra hệ thống trong đó được lắp đặt ba bộ phân tích, để đo hàm lượng nitrat, nitrit và amoni tại cùng thời điểm. Nếu một hệ thống như vậy được sử dụng, dung dịch gốc (xem 4.24, 4.25 và 4.23) và dung dịch của dãy hiệu chuẩn nitrat, nitrit và amoni có thể được chuẩn bị cùng nhau trong cùng một bình, sao cho mỗi dung dịch có chứa các hợp chất nitơ tại nồng độ phù hợp.
7.2. Xác định tổng nitrat và nitrit
7.2.1. Khái quát
Trong hệ thống phân tích dòng chảy phân đoạn (SFA), nitrat trong dịch chiết bị khử thành nitrit bằng cách đi qua cột chứa cadimi được đồng hóa (4.30). Nitrit có trong mẫu đất ban đầu và nitrit tạo ra do quá trình khử tạo thành hợp chất diazo trong môi trường axit sau khi cho sulfanilamit và N-(1-naphtyl)etylendiamin dihydroclorua (4.14) (thuốc thử Griess-llosvay). Độ hấp thụ của dung dịch được đo tại bước sóng 543 nm.
Dưới các điều kiện hiếu khí, hàm lượng nitrit trong đất được bỏ qua. Trong trường hợp này, xác định hàm lượng nitrit là không cần thiết, và phương pháp cho hàm lượng nitrat trực tiếp.
7.2.2 Chuẩn bị ống khử Cd-Cu
Cho vào ống hình chữ U (5.10) dung dịch đệm (I) (4.28), cần chú ý không tạo bọt khí. Cho bột cadimi được đồng hóa (4.30) vào cột bằng một phễu ở cả hai phía của cột. Gõ nhẹ để nhồi bột. Cho vào cột đến cách 5 mm từ đỉnh và bịt kín hai đầu bằng một nút nhỏ bông thủy tinh.
Cột đã sẵn sàng cho sử dụng và có thể đặt trong hệ thống SFA.
CHÚ THÍCH: Để kéo dài tuổi thọ của tác nhân khử Cd-Cu, có thể đặt dây đồng tại lối vào của ống khử Cd-Cu và thay mới nếu cần.
7.2.3. Cách tiến hành
Dùng pipet lấy 0 mL, 1,0 mL, 2,0 mL, 3,0 mL và 4,0 mL dung dịch gốc nitrat (4.24) cho vào bình định mức 250 mL, cho thêm 125 mL dung dịch kali clorua (II) (4.20) và thêm nước (4.1) đến vạch mức. Dãy hiệu chuẩn này có thể được dùng tới một tuần nếu các bình được bảo quản trong tủ lạnh. Các bình có nồng độ NO3-N như sau;
0 mg/L, 1,50 mg/L, 3,00 mg/L, 4,50 mg/L và 6,00 mg/L.
Sử dụng dung dịch ly tâm thu được theo 7.1.1. Lấy dịch chiết đất, dịch chiết mẫu trắng và dãy dung dịch hiệu chuẩn cho bằng bộ bơm mẫu tự động. Vận hành hệ thống dòng chảy phân đoạn, ví dụ theo sơ đồ dòng chảy được nêu ở Hình 1 hoặc theo các quy định của nhà sản xuất. Dựng đường chuẩn và ghi lại các nồng độ nitơ.

CHÚ DẪN
1 bơm, mL/min
2 chất thải
3 khử nitrat
S dung dịch chiết đất
A không khí phân đoạn
B dung dịch đệm (I) (4.28)
C thuốc thử màu (II) (4.32)
R1 cuộn phản ứng 1, chiều dài = 75 cm (10 vòng), đường kính trong = 1,5 mm
R2 cuộn phản ứng 2, chiều dài = 150 cm (20 vòng), đường kính trong = 1,5 mm
T ống khử, hình chữ U, chiều dài = 15 cm, đường kính trong = 2 mm, nạp đầy bột cadimi đồng hóa (4.30)
D detector, cuvet 10 mm, kính lọc ở 543 nm.
Hình 1 - Ví dụ một hệ thống phân tích dòng chảy phân đoạn để xác định nitơ theo tổng nitrat và nttrit (7.2)
7.3. Xác định nitrit
7.3.1. Khái quát
Trong hệ thống phân tích dòng chảy phân đoạn (SFA), nitrit tạo thành hợp chất diazo trong môi trường axit sau khi cho sulfanilamit và N-(1-naphtyl)etylendiamin dihydroclorua (thuốc thử Griess-llosvay). Độ hấp thụ của dung dịch được đo tại bước sóng 543 nm.
7.3.2. Cách tiến hành
Dùng pipet lấy 0 mL, 1,0 mL, 2,0 mL, 3.0 mL và 4,0 mL dung dịch gốc nitrit (4.25) cho vào bình định mức 250 mL, thêm 125 mL dung dịch kali clorua (II) (4.20) và thêm nước (4.1) đến vạch mức. Dãy hiệu chuẩn này có thể được dùng tới một tuần nếu các bình được bảo quản trong tủ lạnh. Các bình có nồng độ NO2-N như sau;
0 mg/l, 1,20 mg/L, 2,40 mg/L, 3,60 mg/L và 4,80 mg/L.
Sử dụng dung dịch ly tâm thu được theo 7.1.1. Lấy dịch chiết đất, dịch chiết mẫu trắng và dãy dung dịch hiệu chuẩn bằng bộ bơm mẫu tự động. Vận hành hệ thống dòng chảy phân đoạn, ví dụ theo sơ đồ dòng chảy được nêu ở Hình 2 hoặc theo các quy định của nhà sản xuất. Dựng đường chuẩn và ghi lại các nồng độ nitơ.

CHÚ DẪN
1 bơm, mL/min
2 chất thải
S dung dịch chiết đất
A không khí phân đoạn
C thuốc thử màu (II) (4.32)
R2 cuộn phản ứng 2, chiều dài = 150 cm (20 vòng), đường kính trong = 1,5 mm
D detector, cuvet 50mm, kính lọc ở 543 nm.
Hình 2 - Ví dụ một hệ thống phân tích dòng chảy phân đoạn để xác định nitơ theo nirit (7.3)
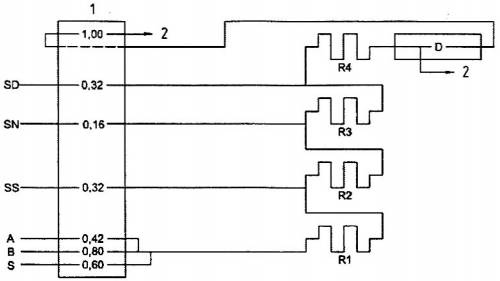
7.4. Xác định amoni
7.4.1. Khái quát
Xác định ion amoni được tiến hành sử dụng hệ thống SFA và được dựa trên phản ứng Berthelot, trong đó dẫn xuất phenol (ở đây là salicylat, 4.8) tạo thành indophenol với sự có mặt của amoni và natri dicloroisocyanurat (4.16) dưới tác dụng xúc tác natri nitroprusit (4.15). Trong môi trường kiềm, indophenol tạo thành một chất có màu xanh lá cây - xanh dương, độ hấp thụ của chất này được đo tại bước sóng 660 nm.
7.4.2. Cách tiến hành
Dùng pipet lấy 0 mL, 0,5 mL, 1,0 mL, 1,5 mL và 2,0 mL dung dịch gốc amoni (4.23) cho vào bình định mức 250 mL, cho thêm 125 mL dung dịch kali clorua (II) (4.20) và thêm nước (4.1) đến vạch mức. Dãy hiệu chuẩn này có thể được dùng tới một tuần nếu các bình được bảo quản trong tủ lạnh. Các bình có nồng độ NH4-N như sau:
0 mg/l, 0,40 mg/L, 0,80 mg/L, 1,20 mg/L và 1,60 mg/L.
Sử dụng dung dịch ly tâm thu được theo 7.1.1. Lấy dịch chiết đất, dịch chiết mẫu trắng và dãy dung dịch hiệu chuẩn bằng bộ bơm mẫu tự động. Vận hành hệ thống dòng chảy phân đoạn, ví dụ theo sơ đồ dòng chảy được nêu ở Hình 3 hoặc theo các quy định của nhà sản xuất. Dựng đường chuẩn và ghi lại các nồng độ nitơ.

CHÚ DẪN
1 bơm, mL/min
2 chất thải
S dung dịch chiết đất
A không khí phân đoạn
B dung dịch đệm (II) (4.29)
SS thuốc thử màu (I) (4.31)
SN dung dịch natri nitroprusit (4.26)
SD dung dịch natri dicloroisoxyanurat (4.27)
R1, R2, R3 cuộn phản ứng, chiều dài = 40 cm (5 vòng), đường kính trong = 1,5 mm
R4 cuộn phản ứng 2, chiều dài = 280 cm (35 vòng), đường kính trong = 1,5 mm
D detector, cuvet 30 mm, kính lọc ở 660 nm.
Hình 3 - Ví dụ một hệ thống phân tích dòng chảy phân đoạn để xác định nitơ theo amoni (7.4)
8. Tính và biểu thị kết quả
8.1. Nitơ tính theo tổng nitrat và nitrit
Phần khối lượng của cả hai dạng nitơ, nitrat và nitrit, trong mẫu đất, w[(NO3 + NO2)-N] được biểu thị bằng miligam nitơ trên kilogam đất sấy khô, được tính theo Công thức (1):
|
|
(1) |
Trong đó
a là nồng độ khối lượng của (NO3 + NO2)-N trong dịch chiết đất, tính bằng miligam trên lít;
b là nồng độ khối lượng của (NO3 + NO2)-N trong dịch chiết mẫu trắng, tính bằng miligam trên lít;
VES là thể tích của dung dịch chiết (thường bằng 200 mL);
ms là khối lượng của mẫu đất ẩm được dùng để chiết (thường bằng 40 g);
ww là phần khối lượng (tính theo phần trăm) của hàm lượng nước dựa trên đất sấy khô, được xác định theo TCVN 6648 (ISO 11465).
8.2. Nitơ theo nitrit
Phần khối lượng của nitrit, trong mẫu đất, w(NO2-N) được biểu thị bằng miligam nitơ trên kilogam đất sấy khô, được tính theo Công thức (2):
|
|
(2) |
Trong đó
a là nồng độ khối lượng của NO2-N trong dịch chiết đất, tính bằng miligam trên lít;
b là nồng độ khối lượng của (NO2-N) trong dịch chiết mẫu trắng, tính bằng miligam trên lít;
VES là thể tích của dung dịch chiết (thường bằng 200 mL);
ms là khối lượng của mẫu đất ẩm được dùng để chiết (thường bằng 40 g);
ww là phần khối lượng (tính theo phần trăm) của hàm lượng nước dựa trên đất sấy khô, được xác định theo TCVN 6648 (ISO 11465).
8.3. Nitơ theo amoni
Phần khối lượng của nitơ amoni trong vật liệu đất, được biểu thị bằng miligam nitơ trên kilogam đất sấy khô, w(NH4-N) được tính theo Công thức (3):
|
|
(3) |
Trong đó
a là nồng độ khối lượng của NH4-N trong dịch chiết đất, tính bằng miligam trên lít;
b là nồng độ khối lượng của (NH4-N) trong dịch chiết mẫu trắng, tính bằng miligam trên lít;
VES là thể tích của dung dịch chiết (thường bàng 200 mL);
ms là khối lượng của mẫu đất ẩm được dùng để chiết (thường bằng 40 g);
ww là phần khối lượng (tính theo phần trăm) của hàm lượng nước dựa trên đất sấy khô, được xác đinh theo TCVN 6648 (ISO 11465).
9. Báo cáo thử nghiệm
Báo cáo thử nghiệm phải gồm các thông tin sau:
a) Viện dẫn tiêu chuẩn này;
b) Đặc điểm nhận dạng đầy đủ mẫu đất;
c) Kết quả của phép xác định;
d) Mọi chi tiết không quy định trong tiêu chuẩn này hoặc có thể ảnh hưởng đến kết quả, ví dụ nhiệt độ của dung dịch chiết
THƯ MỤC TÀI LIỆU THAM KHẢO
[1] AMINOT, A., CHAUSSEPIED, M. Manuel des analyses chimiques en milieu marin. Centre National pour I’Exploitation des Océans. 395 pp. (1983)
[2] BERTHELOT, M. Report. Chem. Appliqué, 1, 284 (1859)
[3] FIADEIRO, M., STRICKLAND, J.D.H. Nitrate reduction and the occurence of a deep nitrite maximum in the ocean off the west coast of South America. J. Marit. Res., 26,187-201 (1968)
[4] GRASSHOFF, K. Zur Bestimmung von Nitrat in Meer- und Trinkwasser. Kieler Meeresforschung, 20, 5-11 (1964)
[5] GRASSHOFF, K JOHANNSEN, H. A new sensitive and direct method for the automatic determination of ammonia in sea water. J. Cons., Cons. Int. Explor. Mer. 34, 516-521 (1972)
[6] GRIESS, P. Bemerkungen zu der Abhandlung der HH. Welsidsky und Benedikt über einige Azo- Verbindungen. Chem. Ber., 12, 426-428 (1879)
[7] ILOSVAY, M.L. L’acide azoteux dans la salive et dans l’air exhalé. Bull. Soc. Chim, 2, 388-391 (1889)
[8] KOROLEFF, F. Direct determination of ammonia in natural waters as indophenol blue. ICES, C.M. 1969/C: 9, Hydr. Commun. (1969)
[9] PATTON, C.J., CROUCH, S.R. Spectrophotometric and kinetics investigation of the Berthelot reaction for the dGtermination of ammonia. Anal. Chem., 49,464-468 (1977)
[10] SOLORZANO, L. Determination of ammonia in natural waters by the phenol-hypochlorite method. Limnol. Oceanogr., 14, 799-801 (1969)
[11] STRICKLAND, J.D.H., PARSONS, T.R. A practical handbook of sea water analysis. Bull. Fish. Res. Bd. Can., 167, 311 pp. (1972)
[12] Wood, E.D., Armstrong, FAJ., Richards, F.A. Determination of nitrate in sea water by cadmium-copper reduction to nitrite. J. Mar. Biol. Ass. U.K., 47,23-31 (1967).
1) Polyoxyetylen lauryl ete là sản phẩm có sẵn dưới tên Brij-35. Thông tin này được đưa ra chỉ tạo thuận lợi cho người sử dụng tiêu chuẩn và không phải là xác nhận của tiêu chuẩn về sản phẩm này.