TCVN 6855-16:2001
IEC 151-16:1968
ĐO ĐẶC TÍNH ĐIỆN CỦA ĐÈN ĐIỆN TỬ VÀ ĐÈN VAN - PHẦN 16: PHƯƠNG PHÁP ĐO ĐÈN HÌNH CỦA MÁY THU HÌNH
Measurements of the electrical properties of electronic tubes and valves - Part 16: Methods of measurement for television picture tubes
Lời nói đầu
TCVN 6855-16:2001 hoàn toàn tương đương với tiêu chuẩn IEC 151-16:1968;
TCVN 6855-16:2001 do Ban kỹ thuật tiêu chuẩn TCVN/TC/E3 Thiết bị điện tử dân dụng biên soạn, Tổng cục Tiêu chuẩn Đo lường Chất lượng đề nghị, Bộ Khoa học Công nghệ và Môi trường (nay là Bộ khoa học và Công nghệ) ban hành.
Tiêu chuẩn này được chuyển đổi năm 2008 từ Tiêu chuẩn Việt Nam cùng số hiệu thành Tiêu chuẩn Quốc gia theo quy định tại khoản 1 Điều 69 của Luật Tiêu chuẩn và Quy chuẩn kỹ thuật và điểm a khoản 1 Điều 6 Nghị định số 127/2007/NĐƯCP ngày 1/8/2007 của Chính phủ quy định chi tiết thi hành một số điều của Luật Tiêu chuẩn và Quy chuẩn kỹ thuật.
ĐO CÁC ĐẶC TÍNH ĐIỆN CỦA ĐÈN ĐIỆN TỬ VÀ ĐÈN VAN - PHẦN 16: PHƯƠNG PHÁP ĐO ĐÈN HÌNH CỦA MÁY THU HÌNH
Measurements of the electrical properties of electronic tubes and valves - Part 16: Methods of measurement for television picture tubes
Mục 1 - Phát xạ tạp tán
1. Định nghĩa
Phát xạ tạp tán là phát xạ tạo ra độ chói của màn hình khi đèn hoạt động ở các điều kiện ngưỡng.
2. Phương pháp đo
2.1. Điều kiện đo
2.1.1. Đèn cần đo được lắp trong mạch điện cho trước, với các điện áp quy định gồm điện áp ngưỡng và điện áp làm lệch.
2.1.2. Độ rọi của môi trường, khi đo tại màn hình của đèn, không được vượt quá 5 lx.
2.1.3. Người quan sát phải điều tiết mắt để quan sát màn hình của đèn.
2.2. Kết quả đo
Kết quả đo là sự khẳng định xem độ chói có thể quan sát được trong khoảng thời gian cho trước hay không.
Mục 2 - Phóng điện ngẫu phát
3. Định nghĩa
Phóng điện ngẫu phát là phóng điện không kiểm soát được giữa hai hay nhiều phần tử nào đó của đèn.
4. Phương pháp đo
4.1. Phương pháp A
4.1.1. Điều kiện đo
Đèn phải được lắp vào mạch điện cho trước với các điện áp quy định.
4.1.2. Kết quả đo
Kết quả đo là số lần lóe sáng quan sát được trên bề mặt đèn trong khoảng thời gian cho trước.
4.2. Phương pháp B
4.2.1. Điều kiện đo
4.2.1.1. Đèn được lắp vào mạch điện cho trước với các điện áp quy định. Mạch điện gồm trở kháng xác định trong mạch catôt và thiết bị đếm thích hợp để đếm các xung điện áp trên trở kháng catôt gây ra do phóng điện ngẫu phát.
4.2.1.2. Phải nêu đặc tính của thiết bị đếm (trở kháng đầu vào, độ nhạy, phân biệt thời gian giữa các xung kế tiếp nhau).
4.2.2. Kết quả đo
Kết quả đo là số lần lóe sáng đếm được trong khoảng thời gian cho trước.
Chú thích - Kết quả đo theo phương pháp A và phương pháp B có thể không đồng nhất do các nguyên nhân sau:
1) hiện tượng phóng điện có thể không quan sát được trên màn hình;
2) có thể có hiện tượng phóng điện giữa các điện cực nhưng không sinh ra các xung điện áp trên trở kháng catôt.
Mục 3 - Điện áp làm tiêu tụ tâm màn hình
5. Định nghĩa
Điện áp làm tiêu tụ ở tâm màn hình là điện áp đặt trên các điện cực hội tụ của đèn để tạo ra tiêu tụ tốt nhất của một bảng chuẩn xác định tại tâm màn hình trong các điều kiện hoạt động quy định.
6. Nguyên lý cơ bản
Nhìn chung, trong đèn hình của máy thu hình, khoảng cách giữa tâm làm lệch và tâm màn hình sẽ thay đổi từ tâm màn hình ra các cạnh, dẫn đến mất tiêu tụ khi bị lệch, vì thế chấm sáng được hội tụ đúng tại một điểm của màn hình sẽ trở nên kém hội tụ khi bị lệch đến các nơi khác trên màn hình. Do đó, quy định điểm hội tụ trên màn hình và bảng chuẩn xác định là cần thiết để xác định điện áp làm tiêu tụ cụ thể.
7. Phương pháp đo
7.1. Điều kiện đo
7.1.1. Đèn cần đo được lắp vào mạch điện cho trước với hệ thống lái tia có điện áp quy định.
Đặt vào các điện cực điều biến tín hiệu thích hợp để đạt được bảng chuẩn xác định.
Dòng chùm tia (dòng điện cực cuối) được điều chỉnh đến giá trị quy định sau khi đạt được điều kiện cân bằng nhiệt.
Một cách khác, phép đo phải được thực hiện trên chấm sáng xung.
7.1.2. Độ rọi của môi trường, đo tại màn hình của đèn, phải không vượt quá 5 lx.
7.2. Đo
Điện áp trên điện cực hội tụ được điều chỉnh để đạt được hội tụ tốt nhất của bảng chuẩn ở tâm màn hình.
7.3. Kết quả đo
Kết quả đo là giá trị điện áp trên điện cực hội tụ trong các điều kiện nêu trên.
Mục 4 - Đường kính chấm sáng
8. Định nghĩa
8.1. Chấm sáng
Vùng nhỏ trên bề mặt màn hình chịu ảnh hưởng tức thời do va đập của chùm tia điện tử (IEV-07-30-160).
8.2. Đường kính chấm sáng
Đại lượng này có thể xem như:
a) Đường kính rõ ràng của chấm sáng khi được quan sát qua kính hiển vi xác định, ở các điều kiện làm việc quy định. Đường kính này tương ứng với đường kính của vùng được giới hạn bởi 20 % độ chói được ước lượng bằng mắt (xem điều 9).
Hoặc:
b) Đường kính rõ ràng của chấm sáng khi quan sát được qua khe hẹp đặt trên chấm sáng. Đường kính này tương ứng với kích thước của vệt sáng được giới hạn bởi 20 % độ chói đỉnh.
9. Nguyên lý cơ bản
Phép đo được tiến hành với một xung trên điện cực đầu vào. Xung phải có độ rộng, tần số lặp lại và dạng sóng quy định. Độ chói, được đo trên đường kính điểm, thay đổi theo khoảng cách dọc theo đường kính và theo đặc tính của xung.
Nhìn chung, phân bố độ chói theo xung chữ nhật thích hợp là như sau.

Hình 1
10. Phương pháp đo
10.1. Điều kiện đo
10.1.1. Đèn cần đo được lắp vào mạch điện cho trước có các điện áp quy định, nhưng không có điện áp lái tia và không có các nam châm điều chỉnh. Dòng chùm tia được điều chỉnh đến giá trị quy định.
10.1.2. Độ rọi môi trường, đo trên màn hình của đèn, phải không vượt quá 5 lx.
10.1.3. Đèn phải được điều chỉnh đến độ chói ngưỡng.
10.1.4. Đặt tín hiệu xung vào điện cực đầu vào, các đặc tính dưới đây của xung cần được quy định:
- biên độ;
- tần số lặp lại;
- độ rộng;
- thời gian sườn trước và sườn sau.
10.2. Phương pháp 1: Phương pháp kính hiển vi
Người quan sát phải điều tiết mắt theo độ rọi của môi trường trước khi quan sát màn hình của đèn. Chấm sáng được quan sát qua kính hiển vi có lắp lưới thích hợp để người quan sát đánh giá được đường kính của chấm sáng.
10.3. Phương pháp 2: Phương pháp di chuyển khe hẹp
Một tấm kim loại di chuyển được, có khe hẹp với độ rộng không quá 10 % đường kính chấm sáng, có kích thước cố định và có hướng quy định, được lắp với micromét và được đặt phía trước chấm sáng. Một thiết bị đo nhạy sáng được đặt ngay sau khe hẹp, và khe hẹp được di chuyển ngang qua chấm sáng bằng micromét.
Khoảng cách giữa các điểm trong trường hợp độ lệch bằng 20 % độ lệch lớn nhất được thể hiện bằng thiết bị đo nhạy sáng được đọc trực tiếp trên micromét. Khoảng cách này là đường kính rõ ràng của chấm sáng.
11. Chú ý
Để tránh cháy màn hình, phép đo phải được tiến hành với các tín hiệu xung.
Nếu khe hẹp không thể đặt sát chấm sáng, phải đưa hệ thống hội tụ quang nằm vào khoảng cách giữa chấm sáng và khe hẹp để ngăn thiết bị nhạy sáng khỏi nhận ánh sáng từ các phần khác của chấm sáng không trực tiếp đi qua khe hẹp.
Mục 5 - Kích thước màn hình hữu ích
12. Định nghĩa
Kích thước màn hình hữu ích là kích thước của phần phát sáng nhìn thấy được của màn hình theo hướng trục của đèn.
13. Phương pháp đo
Các kích thước có thể đọc trên thiết bị đo do người quan sát di chuyển dọc theo thước chia độ đã hiệu chuẩn. Người quan sát cần đưa ra các số đọc không có thị sai.
14. Điều kiện đo
Trong quá trình đo, đèn hoạt động ở chế độ tạo ra mành quét có kích thước lớn hơn kích thước màn hình.
15. Kết quả đo
Kết quả đo là kích thước phần phát sáng của màn hình ở điều kiện đo.
Kích thước được nêu là chiều cao, chiều rộng và đường chéo lớn nhất.
Mục 6 - Hệ số chứa khí
16. Định nghĩa
Trong tiêu chuẩn này, hệ số chứa khí được định nghĩa là tỷ số giữa 1) dòng ion và 2) dòng điện tử tạo ra dòng ion đó.
17. Nguyên lý cơ bản
Giá trị thực của hệ số chứa khí (G) phụ thuộc một phần vào cấu trúc điện cực của đèn; các loại đèn khác nhau có thể có các giá trị G khác nhau mặc dù áp suất khí tuyệt đối có thể như nhau.
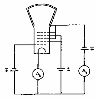
Dòng điện (I) đo được trong mạch điện cực tập trung ion ở hình 2, (dụng cụ đo A1), gồm dòng điện ion (I1) và dòng điện rò (I2). Dòng điện rò (I2) (dụng cụ đo A1) có thể được đo riêng ở điều kiện ngưỡng cắt của dòng catôt.
Dòng ion hóa là dòng điện (I3) được đo trong mạch catôt (dụng cụ đo A2).
Giá trị điển hình của dòng ion thường là vài nanoampe.
Hệ số chứa khí:
![]()
Chú thích - Phương pháp này không áp dụng cho các ống ba chùm tia.
18. Phương pháp đo
Các dòng điện (I) và (I3) trong điều kiện 1 và (I2) trong điều kiện 2, được đo trong mạch cơ bản như hình 2.
Trong điều kiện 1 và 2, các điện cực tập trung ion phải là các điện cực âm nhất trong đèn.
18.1. Điều kiện 1
Đèn được đặt vào mạch như hình 2 với các điện áp quy định.
Lưới số 1 được điều chỉnh để tạo ra dòng catôt quy định (I3) (thường là vài trăm microampe).
Lưới số 2 có điện áp đủ cao để tạo ra ion hóa khí (xấp xỉ 250 V).
Anôt và các điện cực nối với anôt được nối với điện áp âm để tập trung các ion. Điện áp này phải đủ âm để ngăn không cho điện tử đến được anôt (khoảng 25 V).
18.2. Điều kiện 2
Như điều kiện 1, ngoài ra lưới số 1 được điều chỉnh để đạt điều kiện ngưỡng cắt của dòng catôt.
19. Kết quả đo
Kết quả đo là tỷ số G của các giá trị (I - I2) và (I3).
Đơn vị dòng điện của tử số và mẫu số phải được quy định.

Hình 2 - Mạch đo hệ số chứa khí