Tải về định dạng Word (106.5KB) Tải về định dạng PDF (131KB)

Tiêu chuẩn quốc gia TCVN 7013-1:2002 (ISO 2773-1:1973) về Máy cắt kim loại - Điều kiện kiểm máy khoan đứng thân trụ tròn - Kiểm độ chính xác - Phần 1: Kiểm hình học

TCVN 7013-1:2002

(ISO 2773-1:1973)

MÁY CẮT KIM LOẠI - ĐIỀU KIỆN KIỂM MÁY KHOAN ĐỨNG THÂN TRỤ TRÒN - KIỂM ĐỘ CHÍNH XÁC - PHẦN 1: KIỂM HÌNH HỌC

Machine tools - Test conditions for pillar type vertical drilling machines - Testing of the accuracy - Part 1: Geometrical tests

 

Lời nói đầu

TCVN 7013-1:2002 hoàn toàn tương đương với ISO 2773-1:1973

TCVN 7013-1:2002 do Ban kỹ thuật tiêu chuẩn TCVN/SC1 Vấn đề chung về cơ khí biên soạn, Tổng cục Tiêu chuẩn Đo lường Chất lượng đề nghị, Bộ Khoa học và Công nghệ ban hành.

Tiêu chuẩn này được chuyển đổi năm 2008 từ Tiêu chuẩn Việt Nam cùng số hiệu thành Tiêu chuẩn Quốc gia theo quy định tại khoản 1 Điều 69 của Luật Tiêu chuẩn và Quy chuẩn kỹ thuật và điểm a khoản 1 Điều 6 Nghị định số 127/2007/NĐ-CP ngày 1/8/2007 của Chính phủ quy định chi tiết thi hành một số điều của Luật Tiêu chuẩn và Quy chuẩn kỹ thuật.

 

MÁY CẮT KIM LOẠI - ĐIỀU KIỆN KIỂM MÁY KHOAN ĐỨNG THÂN TRỤ TRÒN - KIỂM ĐỘ CHÍNH XÁC - PHẦN 1: KIỂM HÌNH HỌC

Machine tools - Test conditions for pillar type vertical drilling machines - Testing of the accuracy - Part 1: Geometrical tests

1. Phạm vi áp dụng

Tiêu chuẩn này quy định các phương pháp kiểm và các sai lệch cho phép về độ chính xác hình học dùng cho máy khoan đứng thông dụng có thân trụ tròn.

Tiêu chuẩn này chỉ áp dụng cho việc kiểm độ chính xác của máy. Tiêu chuẩn này không áp dụng cho việc kiểm sự vận hành của máy (rung động, độ ồn không bình thường, sự chuyển động không trơn nhẹ của các bộ phận máy, v.v...). Tiêu chuẩn này cũng không áp dụng để kiểm các đặc tính kỹ thuật của máy (tốc độ trục chính, tốc độ tiến v.v...) thường được kiểm trước khi kiểm độ chính xác.

2. Tiêu chuẩn trích dẫn

ISO 230-1:1996 Acceptance code for machine tools - part 1 - Geometric accuracy of machines operating under no-load or linishing conditions (Quy tắc nghiệm thu máy công cụ - Phần 1: Độ chính xác hình học của máy khi không tải hoặc ở trạng thái hoàn thiện).

3. Quy định chung

3.1. Trong tiêu chuẩn này, toàn bộ kích thước và sai lệch được tính bằng milimét và insơ.

3.2. Để áp dụng được tiêu chuẩn này, phải tham khảo iSO 230-1:1996, đặc biệt đối với việc lắp đặt máy trước khi kiểm, làm nóng trục chính và các bộ phận chuyển động khác, sự mô tả các phương pháp đo và độ chính xác của thiết bị kiểm.

3.3. Trình tự kiểm hình học có liên quan đến các cụm lắp ráp của máy nhưng thực tế không xác định được trình tự này. Để gá lắp dụng cụ cắt và dụng cụ đo dễ dàng, khi kiểm có thể áp dụng bất kỳ trình tự nào.

3.4. Khi kiểm độ chính xác của máy, không phải lúc nào cũng cần phải tiến hành tất cả các phép kiểm cho trong tiêu chuẩn này. Theo thỏa thuận với nhà chế tạo, người sử dụng phải lựa chọn những phép kiểm liên quan tới những tính chất mà mình quan tâm nhưng những phép kiểm này phải được xác định rõ khi đặt mua máy.

3.5. Khi quy định dung sai cho phạm vi đo khác với chỉ dẫn trong tiêu chuẩn này (xem 2.311 của ISO 230:1996) thì phải tính đến giá trị nhỏ nhất của dung sai là 0,01 mm (0,0004 in).

3.6. Các phép kiểm thực tế đối với loại máy này được quy định trong TCVN 7013-2:2001 (ISO 2773-2:1973).


4. Điều kiện kiểm và sai lệch cho phép

4.1. Kiểm hình học

Số TT

Sơ đồ

Đối tượng kiểm

Sai lệch cho phép

Dụng cụ đo

Phương pháp kiểm theo ISO 230-1:1996

mm

in

G0

Cân bằng máy

a) trong mặt phẳng đối xứng của máy

b) trong mặt phẳng vuông góc với mặt phẳng đối xứng của máy và chứa đường tâm trục chính

0,03/300

0,0012/12

Ni vô và thước thẳng

3.11 và 5.212.21

Bàn máy được khóa ở vị trí giữa

G1

A - Bàn máy

Kiểm độ phẳng của mặt làm việc của bàn máy (và mặt đế máy nếu mặt đế máy được gia công)

0,03 (đối với bất kỳ chiều dài đo 300 nào (phẳng hoặc lõm)

0,0012 (đối với bất kỳ chiều dài đo 300 nào (phẳng hoặc lõm)

Ni vô chính xác hoặc thước thẳng và căn mẫu

5.322 và 5.323

G2

 

Đo độ đảo của bàn quay (đối với máy có bàn quay)

 

 

 

 

D* - Đường kính bàn máy

0,05 với D* = 300

Sai lệch cho phép lớn nhất

0,075

0,002 với D* = 12

Sai lệch cho phép lớn nhất

0,003

Thước thẳng và đồng hồ so

5.632 và 5.633

không cần thiết phải theo ISO 230-1:1996 có thể thực hiện thao tác sau:

- Đặt một thước thẳng trong mặt phẳng hướng kính của bàn.

- Cho mũi kim của đồng hồ so tiếp xúc thẳng góc tại điểm A

G2

 

 

 

 

trên thước thẳng tại mép ngoài bàn rồi cho đồng hồ so tiếp xúc tại điểm B sau khi quay bàn một góc 180o

- Kiểm nhắc lại như thao tác trên nhưng đặt thước thẳng trong mặt phẳng hướng kính vuông góc với mặt phẳng trước

- Khóa bàn máy trước khi kiểm

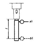
G3

B - Trục chính

Đo độ đảo hướng kính của lỗ côn trục chính.

a) ở vị trí gần sát đầu trục chính

 

 

b) ở vị trí cách mặt đầu trục chính một khoảng cách l

Với l = 100

a) 0,015

b) 0,02

Với l = 200

a) 0,02

b) 0,035

Với l = 300

a) 0,025

b) 0,05

Với l = 4

a) 0,0006

b) 0,0008

Với l = 8

a) 0,0008

b) 0,0014

Với l = 12

c) 0,001

0,002

Đồng hồ so và trục kiểm

5.612.3

Các yêu cầu về độ chính xác của trục kiểm và xác định khoảng cách tương ứng l tham khảo trong A.3 của phụ lục A (bảng E và bảng F)

G4

Kiểm độ thẳng của trụ đứng và độ vuông góc của đường tâm trục chính đối với mặt làm việc của bàn máy và mặt đế máy (nếu mặt đế máy là mặt làm việc)

a) trong mặt phẳng đối xứng của máy;

b) trong mặt phẳng vuông góc với mặt phẳng đối xứng của máy.

a)

0,06/300* với α ≤ 90o

b)

0,06/300

a)

0,0024/12* với α ≤ 90o

b)

0,0024/12

Đồng hồ so và thước thẳng

5.512.1,5.512.24 và 5.232.1

Độ thẳng phải được kiểm trên một số vị trí có khoảng cách bằng nhau giữa hai vị trí xa nhất kiểm được của bàn

Độ vuông góc phải được kiểm ở vị trí cao (1)trước rồi kiểm vị trí thấp (2)

Bàn máy và nòng trục chính phải được khóa

Đầu trục chính phải được khóa chặt ở vị trí giữa (Đối với máy có đầu trục chính cao)

* khoảng cách giữa hai điểm tiếp xúc

G5

C - Đầu trục chính

Kiểm độ vuông góc của mặt làm việc bàn máy so với sự dịch chuyển thẳng đứng của ống bao trục chính hoặc nòng trượt trục chính

a) trong mặt đối xứng của máy

b) trong mặt phẳng vuông góc với mặt phẳng vuông góc với mặt phẳng đối xứng của máy

a) 0,1/300

với α ≤ 90o

b) 0,1/300

a) 0,004/12

với α ≤ 90o

b) 0,004/12

Đồng hồ so, thước thẳng và ke kiểm

5.522.2

Bàn và nòng trục chính được khóa chặt ở vị trí giữa.

Đầu trục chính được khóa ở vị trí giữa (Đối với máy có đầu trục chính nâng cao)

G6

Kiểm độ vuông góc của mặt làm việc của bàn máy đối với sự chuyển động thẳng đứng của đầu trục chính (đối với máy có đầu trục chính nâng cao)

a) trong mặt đối xứng của máy

b) trong mặt phẳng vuông góc với mặt phẳng vuông góc với mặt phẳng đối xứng của máy

a) 0,1/300*

với α ≤ 90o

b) 0,1/300

a) 0,004/12

với α ≤ 90o

b) 0,004/12

Đồng hồ so, thước thẳng và ke kiểm

5.522.2

Bàn và nòng trục chính được khóa chặt ở vị trí giữa.

Đầu trục chính được khóa khi kiểm

 

 

Tìm kiếm

Thông tin Tiêu chuẩn Việt Nam TCVN7013-1:2002
Loại văn bản Tiêu chuẩn Việt Nam
Số hiệu TCVN7013-1:2002
Cơ quan ban hành
Người ký ***
Lĩnh vực Công nghiệp
Ngày ban hành ...
Ngày hiệu lực ...
Ngày công báo ...
Số công báo Còn hiệu lực
Tình trạng hiệu lực Không xác định
Cập nhật 9 năm trước