TIÊU CHUẨN QUỐC GIA
TCVN 8779-3:2011
ISO 4064-3:2005
ĐO LƯU LƯỢNG NƯỚC TRONG ỐNG DẪN KÍN CHẢY ĐẦY - ĐỒNG HỒ ĐO NƯỚC LẠNH VÀ NƯỚC NÓNG - PHẦN 3: PHƯƠNG PHÁP THỬ VÀ THIẾT BỊ
Measurement of water flow in fully charged closed conduits - Meters for cold potable water and hot water - Part 3: Test methods and equipment
Lời nói đầu
TCVN 8779-3:2011 hoàn toàn tương đương với ISO 4064-3:2005;
TCVN 8779-3:2011 do Ban kỹ thuật tiêu chuẩn quốc gia TCVN/TC 30 Đo lưu lượng lưu chất trong ống dẫn kín biên soạn, Tổng cục Tiêu chuẩn Đo lường Chất lượng đề nghị, Bộ Khoa học và Công nghệ công bố.
Bộ TCVN 8779(ISO 4064) Đo lưu lượng nước trong ống dẫn kín có áp - Đồng hồ đo nước lạnh và nước nóng gồm có các phần sau:
- TCVN 8779-1 (ISO 4064-1) Phần 1: Yêu cầu kỹ thuật
- TCVN 8779-2 (ISO 4064-2) Phần 2: Yêu cầu lắp đặt
- TCVN 8779-3 (ISO 4064-3) Phần 3: Phương pháp thử và thiết bị
ĐO LƯU LƯỢNG NƯỚC TRONG ỐNG DẪN KÍN CHẢY ĐẦY - ĐỒNG HỒ ĐO NƯỚC LẠNH VÀ NƯỚC NÓNG - PHẦN 3: PHƯƠNG PHÁP THỬ VÀ THIẾT BỊ
Measurement of water flow in fully charged closed conduits - Meters for cold potable water and hot water - Part 3: Test methods and equipment
1. Phạm vi áp dụng
Tiêu chuẩn quy định các phương pháp thử nghiệm, phương tiện được sử dụng để xác định các đặc tính cơ bản của đồng hồ nước.
Tiêu chuẩn này có thể áp dụng cho đồng hồ nước lạnh và nóng đồng tâm và kết hợp, chúng có thể chịu được áp suất làm việc tối đa (MAP) lớn hơn hoặc bằng 1 MPa (10 bar) [0,6 MPa (6bar) với đồng hồ có kích thước danh nghĩa, DN, lớn hơn hoặc bằng 500 mm] và nhiệt độ chịu được tối đa, MAT, với đồng hồ đo nước lạnh là 30 ºC và đồng hồ đo nước nóng tới 180 ºC, phụ thuộc vào chủng loại.
Tiêu chuẩn này áp dụng cho cả đồng hồ nước hoạt động theo nguyên lý điện hoặc điện tử và đồng hồ theo nguyên lý cơ khí kết hợp thiết bị điện tử được sử dụng để đo lưu lượng thể tích thực của đồng hồ nước lạnh và nóng.
Trong trường hợp lưu lượng danh định của đồng hồ nước nhỏ hơn 160 m3/h, do hạn chế của từng phòng thử nghiệm riêng lẻ, kế hoạch thử nghiệm có thể có những điều khoản để sửa đổi điều kiện chuẩn, khi thử nghiệm độ bền hoặc thử nghiệm tính năng theo các đại lượng ảnh hưởng.
CHÚ THÍCH Cần lưu ý là có thể ưu tiên áp dụng các quy định của quốc gia hơn các yêu cầu trong tiêu chuẩn này.
2. Tài liệu viện dẫn
Các tài liệu viện dẫn sau là cần thiết cho việc áp dụng tiêu chuẩn này. Đối với các tài liệu viện dẫn ghi năm công bố thì áp dụng phiên bản được nêu. Đối với các tài liệu viện dẫn không ghi năm công bố thì áp dụng phiên bản mới nhất, bao gồm cả các sửa đổi, bổ sung (nếu có).
TCVN 7699-1:2007 (IEC 60068-1:1988), Thử nghiệm môi trường - Phần 1: Quy định chung và hướng dẫn
TCVN 7699-2-1:2007 (IEC 60068-2-1:1974), Thử nghiệm môi trường - Phần 2: Các thử nghiệm. Thử nghiệm A: Lạnh
TCVN 7699-2-2:2007 (IEC 60068-2-2:1993), Thử nghiệm môi trường - Phần 2: Các thử nghiệm. Thử nghiệm B: Nóng ẩm
TCVN 7699-2-30:2007 (IEC 60068-2-30:1980), Thử nghiệm môi trường - Phần 2: Các thử nghiệm. Thử nghiệm Db: Nóng ẩm chu kỳ (chu kỳ 12h + 12h)
TCVN 7699-2-47:2007 (IEC 60068-2-47:1999), Thử nghiệm môi trường - Phần 2: Các thử nghiệm. Lắp đặt mẫu để thử nghiệm rung, va chạm và lực động tương tự
TCVN 8114 (ISO 5168), Đo lưu lượng lưu chất - Quy trình ước lượng độ không đảm bảo đo
TCVN 8241-4-2:2009 (IEC 61000-4-2:1995), Tương thích điện từ (EMC) - Phần 4: Các kỹ thuật đo và thử nghiệm - Chương 2: Phép thử phóng loại trừ tĩnh điện. Sự công bố EMC cơ bản
TCVN 8241-4-3 (IEC 61000-4-3), Tương thích điện từ (EMC) - Phần 4-3: Các kỹ thuật đo và thử nghiệm- Phép thử loại trừ trường điện từ, tần số vô tuyến và bức xạ)
TCVN 8241-4-5 (IEC 61000-4-5), Tương thích điện từ (EMC)- Phần 4-5: Các kỹ thuật đo và thử nghiệm)
TCVN 8241-4-11 (IEC 61000-4-11), Tương thích điện từ(EMC)- Phần 4-11: các kỹ thuật đo và thử nghiệm- Thử nghiệm giảm điện áp, ngắn mạch và thay đổi điện áp nguồn
TCVN 8779-1:2011(ISO 4064-1:2005), Đo lưu lượng nước trong ống dẫn kín chảy đầy - Đồng hồ đo nước lạnh và nước nóng - Phần 1: Yêu cầu kỹ thuật
TCVN 8779-2 (ISO 4064-2), Đo lưu lượng nước trong ống dẫn kín chảy đầy - Đồng hồ đo nước lạnh và nước nóng - Phần 2: Yêu cầu lắp đặt)
ISO 228-1, Pipe threads where pressure-tight joints are not made on the threads - Part 1: Dimensions, tolerances and designation (Ống có ren tại những nơi ghép kín áp mà không được tạo ren- Phần 1: Kích thước, dung sai và thiết kế)
ISO 286-2, ISO system of limits and fits - Part 2: Tables of standard tolerance grades and limit deviations for holes and shafts (Giới hạn và phù hợp của hệ thống ISO- Phần 2: Bảng các bậc dung sai tiêu chuẩn và giới hạn về độ lệch chuẩn của các lỗ và trục)
ISO 7005-2, Metallic flanges - Part 2: Cast iron flanges (Mặt bích kim loại- Phần 2: Mặt bích bằng gang)
ISO 7005-3, Metallic flanges - Part 3: Copper alloy and composite flanges (Mặt bích kim loại- Phần 3: Các mặt bích bằng composit và hợp kim đồng )
IEC 60068-2-31:1993, Environmental testing - Part 2 Tests. Test Ec: Drop and topple, primarily for equipment-type specimens (Thử nghiệm môi trường - Phần 2: Các thử nghiệm.Thử nghiệm Ec: rơi và đổ, các mẫu thử kiểu thiết bị sơ cấp )
IEC 60068-2-64:1993, Environmental testing - Part 2: Test methods - Test Fh: Vibration, broad- band random (digital control) and guidance (Thử nghiệm môi trường - Phần 2: Các thử nghiệm. Thử nghiệm Fh: Rung động, băng thông dải rộng ngẫu nhiên (điều khiển số) và hướng dẫn)
IEC 60068-3-1:1974, Environmental testing - Part 3: Background information - Section One: Cold and dry heat tests (Thử nghiệm môi trường - Phần 3: Thông tin chung - Chương 1: Các phép thử nóng ẩm và lạnh)
IEC 60068-3-4:2001, Environmental testing - Part 3-4: Supporting documentation and guidance - Damp heat tests
(Thử nghiệm môi trường - Phần 3-4: Tài liệu hỗ trợ và hướng dẫn- Các phép thử nhiệt ẩm)
IEC 61000-4-4 (IEC 61000-4-4), Tương thích điện từ(EMC)- Phần 4-4: Quá trình chuyển tiếp nhanh bằng điện - Phép thử loại trừ nổ điện
ENV 50204:1995, Radiated electromagnetic field from digital radio telephones. Immunity test (Trường bức xạ điện từ từ các điện thoại vô tuyến số. Phép thử miễn dịch)
OIML D 11:1994, General requirements for electronic measuring instruments (Yêu cầu chung cho các thiết bị đo điện tử)
OIML D 4:1981, Installation and storage conditions for cold water meters (Điều kiện bảo quản và lắp đặt cho đồng hồ đo nước lạnh)
OIML G 13:1989, Planning of metrology and testing laboratories (P 7)(Kế hoạch của các phòng thí nghiệm và đo lường (P 7))
3. Thuật ngữ và định nghĩa
Tiêu chuẩn này áp dụng các thuật ngữ và định nghĩa nêu trong TCVN 8779-1 (ISO 4064-1) và các thuật ngữ và định nghĩa sau:
3.1. Lưu lượng chuyển đổi đồng hồ kết hợp với dòng giảm dần (combination meter changeover flowrate with decreasing flow)
Qx1
Lưu lượng xảy ra khi khi sự giảm áp trong đồng hồ kết hợp tăng đột ngột đồng thời với việc chặn dòng ở đồng hồ lớn và tăng dòng đáng kể ở đồng hồ nhỏ.
3.2. Lưu lượng chuyển đổi đồng hồ kết hợp với dòng tăng dần (combination meter changeover flowrate with increasing flow)
Qx2
Lưu lượng xảy ra khi sự giảm áp trong đồng hồ kết hợp giảm đột ngột đồng thời với việc khởi động dòng ở đồng hồ lớn và giảm dòng đáng kể ở đồng hồ nhỏ.
3.3. Sai số tương đối (relative error)
e
Sai số tính bằng phần trăm, được xác định theo công thức:

Trong đó:
Vi là thể tích chỉ thị;
Va là thể tích thực.
CHÚ THÍCH Quy định chi tiết nêu tại Phụ lục A. Trong TCVN 8779-1(ISO 4064-1) có đưa ra sai số cho phép lớn nhất.
3.4. Lưu lượng thử nghiệm (test flowrate)
Lưu lượng trung bình, được tính từ số chỉ của thiết bị chuẩn và khoảng thời gian thử nghiệm
4. Yêu cầu chung đối với tất cả các phép thử
4.1. Yêu cầu sơ bộ
Trước khi bắt đầu thử nghiệm, phải lập một chương trình thử nghiệm bằng văn bản, chương trình này phải gồm, ví dụ như: bản mô tả các phép thử để xác định sai số đo, tổn hao áp suất và khả năng chịu mài mòn. Chương trình này cũng có thể xác định cả mức độ chấp nhận cần thiết và quy định cách giải thích kết quả thử nghiệm.
4.2. Chất lượng nước
Các phép thử đối với đồng hồ nước phải sử dụng nước. Nước phải được lấy từ nguồn cung cấp nước sinh hoạt hoặc đáp ứng được các yêu cầu tương tự. Nếu nước được tái chế thì phải loại bỏ nước còn lại trong đồng hồ vì có thể gây hại cho con người.
Nước không được chứa các chất có khả năng làm hỏng đồng hồ hoặc làm ảnh hưởng bất lợi đến hoạt động của đồng hồ và không được có bọt khí.
4.3. Các điều kiện chuẩn khác
Trong các thử nghiệm phê duyệt mẫu trên đồng hồ nước, trừ các đại lượng gây ảnh hưởng cần thử nghiệm, các đại lượng khác, phải được duy trì ở các giá trị sau:
Lưu lượng: 0,7 x (Q2 + Q3) ± 0,03 x (Q2 + Q3)
Dải nhiệt độ môi trường: 15 0C đến 25 0C1)
Dải độ ẩm tương đối của môi trường: từ 45 % đến 75 %1)
Dải áp suất khí quyển: 86 kPa đến 106 kPa (0,86 bar đến 1,06 bar)
Điện lưới xoay chiều a.c): Điện áp danh nghĩa (Unom) ± 5 %
Tần số nguồn: Tần số danh nghĩa (fnom) ± 2 %
Điện áp nguồn (ắc quy): Điện áp V nằm trong khoảng Ubmin ≤ V ≤ Ubmax
Nhiệt độ làm việc của nước: Xem TCVN 8779-1 (ISO 4046-1) điều 5.4.1, Bảng 5
Áp suất làm việc của nước: 200 kPa (2 bar)
Trong mỗi phép thử, nhiệt độ và độ ẩm tương đối không được thay đổi quá 5 0C hoặc 10 % trong dải chuẩn.
4.4. Hiện trường
Môi trường được chọn cho các phép thử đồng hồ phải tuân thủ các nguyên tắc của OIML G 13 và không bị tác động bởi các nhiễu không theo dự kiến, ví dụ nhiệt độ môi trường xung quanh thay đổi và rung.
5. Các phép thử xác định sai số số chỉ
5.1. Khái quát
Phương pháp được mô tả trong tiêu chuẩn này dùng để xác định sai số đo, được gọi là phương pháp “tích trữ”, theo đó lượng nước chảy qua đồng hồ được hứng vào một hay nhiều bình chứa và lượng nước này được xác định theo thể tích hoặc khối lượng. Các phương pháp khác có thể được áp dụng, nếu thỏa mãn các cấp chính xác của phép thử nêu trong tiêu chuẩn này.
Việc kiểm tra các phương tiện của cơ cấu điện tử cũng nêu trong mục này.
5.2. Nguyên lý
Việc kiểm tra sai số đo là so sánh số chỉ trên đồng hồ so với thiết bị chuẩn đã được hiệu chuẩn.
5.3. Mô tả giàn thử nghiệm
Giàn thử nghiệm thường bao gồm:
a) Nguồn nước (nguồn cung cấp nước, bể không điều áp, bể có điều áp, bơm, v.v...);
b) Hệ thống đường ống;
c) Thiết bị chuẩn đã được hiệu chuẩn (bình chuẩn, đồng hồ chuẩn, v.v...);
d) Phương tiện đo thời gian thử nghiệm;
e) Thiết bị tự động hóa việc thử nghiệm;
f) Phương tiện đo nhiệt độ nước;
g) Phương tiện đo áp suất nước;
h) Phương tiện đo tỷ trọng, nếu cần;
i) Phương tiện xác định độ dẫn điện, nếu cần.
5.4. Hệ thống đường ống
5.4.1. Mô tả
Hệ thống đường ống bao gồm:
a) Đoạn thử nghiệm nơi lắp đặt (các) đồng hồ;
b) Phương tiện thiết lập lưu lượng mong muốn
c) Một hoặc hai thiết bị cách ly;
d) Phương tiện xác định lưu lượng;
Và, nếu cần:
e) Một hoặc nhiều đường xả khí;
f) Van một chiều;
g) Thiết bị tách khí;
h) Bộ lọc;
i) Phương tiện kiểm tra đường ống được điền đầy tới mức được đánh dấu, trước và sau mỗi phép thử. Trong khi thử nghiệm không được có sự rò rỉ, thêm và xả bớt dòng chảy, giữa (các) đồng hồ và thiết bị chuẩn hoặc từ thiết bị chuẩn.
Hệ thống đường ống phải đảm bảo sao cho ở đầu ra của tất cả các của đồng hồ, áp suất dư ít nhất là 30 kPa (0,3 bar) ở lưu lượng bất kì.
5.4.2. Đoạn thử nghiệm
Ngoài (các) đồng hồ đoạn thử nghiệm bao gồm:
a) Một hoặc nhiều nhánh để đo áp suất, trong đó một nhánh đo áp suất được bố trí về phía nguồn và sát với đồng hồ (đầu tiên);
b) Phương tiện đo nhiệt độ của nước gần đầu vào đồng hồ (đầu tiên), nếu cần.
Các phần tử hay cơ cấu bất kỳ trong đoạn thử nghiệm không được tạo ra bọt khí hoặc làm rối dòng chảy mà có khả năng làm thay đổi tính năng của đồng hồ hoặc gây ra sai số đo.
5.4.3. Các lưu ý trong quá trình thử nghiệm
Sự vận hành của thiết bị thử nghiệm phải sao cho lượng nước chảy qua đồng hồ bằng với lượng nước đo được tại thiết bị chuẩn.
Phải kiểm tra để đảm bảo rằng đoạn ống (ví dụ: đoạn cong hình chữ S tại đầu ra) phải được điền đầy đến mức đánh dấu giống nhau ở thời điểm bắt đầu và kết thúc phép thử
Phải xả toàn bộ khí khỏi các đoạn ống nối và các đồng hồ.
Phải thực hiện tất cả các biện pháp phòng ngừa để tránh các ảnh hưởng của rung và va đập.
5.4.4. Bố trí đặc biệt cho một số kiểu đồng hồ cụ thể
5.4.4.1. Nguyên tắc
Dưới đây là các nguyên nhân gây sai số phổ biến và những điều cần lưu ý khi lắp đặt đồng hồ trên giàn thử nghiệm được quy định trong Khuyến nghị của OIML D 4, mà trong đó:
a) Các đặc tính thủy động học của dòng chảy gây ra sự sai lệch không đáng kể đối với hoạt động của đồng hồ khi so sánh với các đặc tính thủy động học của dòng chảy không bị rối;
b) Sai số tổng thể của phương pháp sử dụng không vượt quá giá trị quy định (xem 5.5.1).
5.4.4.2. Sự cần thiết của đoạn ống thẳng hoặc thiết bị nắn dòng
Độ chính xác của đồng hồ kiểu vận tốc có thể bị ảnh hưởng bởi sự chảy rối ở phía dòng vào và phía dòng ra, ví dụ, do sự có mặt và vị trí của cút cong, tê, van, và máy bơm, v.v…
Để chống lại các ảnh hưởng này, các đồng hồ cần thử nghiệm (MUT) phải được lắp đặt giữa các ống thẳng. Đường kính trong của đường ống kết nối phía dòng vào và phía dòng ra phải giống đường kính trong của các đầu nối của đồng hồ nước. Hơn nữa, có thể cần thiết đặt thiết bị nắn dòng chảy về phía dòng vào của đoạn ống thẳng.
5.4.4.3. Nguyên nhân phổ biến gây ra chảy rối
Dòng chảy có thể chịu hai dạng chảy rối là biến dạng biên dạng vận tốc và xoáy, cả hai dạng này đều có ảnh hưởng đến độ chính xác của đồng hồ nước.
Xem chi tiết về yêu cầu lắp đặt tại TCVN 8779-2 (ISO 4064-2)
5.4.4.4. Đồng hồ kiểu thể tích
Đồng hồ kiểu thể tích (loại buồng đo có vách di động) ví dụ như pittong chuyển động qua lại hoặc đồng hồ đĩa di chuyển, được coi là không nhạy với điều kiện lắp đặt ở phía dòng vào. Vì vậy không cần có các khuyến cáo cụ thể.
5.4.4.5. Đồng hồ nước kiểu vận tốc
Đồng hồ nước kiểu vận tốc rất nhạy với dòng chảy rối có thể gây ra sai số đáng kể, nhưng các điều kiện lắp đặt như thế nào thì chưa được xác định rõ.
5.4.4.6. Các nguyên lý đo khác
Các kiểu đồng hồ khác có thể có hoặc không yêu cầu ổn định dòng trong các phép thử chính xác. Khi có yêu cầu thì phải sử dụng các khuyến nghị của nhà sản xuất trong quá trình thử. Những khuyến nghị này cũng phải được nêu trong hồ sơ phê duyệt mẫu.
Nên ghi lại các yêu cầu về lắp đặt này trong chứng chỉ phê duyệt mẫu đối với đồng hồ nước.
Đồng hồ đồng tâm không bị ảnh hưởng bởi đoạn ống góp (loại thể tích - xem 5.4.4.4) nên có thể được thử nghiệm và sử dụng với mọi đoạn ống góp phù hợp với nó.
5.4.4.7. Đồng hồ cảm ứng điện từ
Đồng hồ sử dụng các nguyên tắc cảm ứng điện từ có thể bị ảnh hưởng bởi độ dẫn điện của nước thử nghiệm. Nước thử nghiệm cần phải có độ dẫn điện nằm trong phạm vi giá trị quy định của nhà sản xuất.
5.4.5. Tiến hành thử nghiệm và xác định sai số
5.4.5.1. Nguyên tắc
Cần có những biện pháp phòng ngừa thích hợp để giảm độ không đảm bảo đo do việc vận hành các bộ phận của giàn thử nghiệm trong quá trình thử. Nội dung cụ thể của các biện pháp phòng ngừa này được nêu trong 5.4.5.2 và 5.4.5.3 cho cả hai trường hợp có thể xảy ra trong phương pháp “tích trữ”.
5.4.5.2. Thử nghiệm với số đọc được ghi lại khi đồng hồ dừng
Dòng chảy được tạo ra bằng cách mở van, nằm ở phía đầu ra đồng hồ và dừng bằng cách đóng van đó. Đồng hồ được đọc khi đã dừng hẳn.
Thời gian được đo giữa thời điểm van bắt đầu chuyển động mở và thời điểm van kết thúc chuyển động đóng.
Khi dòng chảy bắt đầu và trong khoảng thời gian vận hành tại lưu lượng không đổi qui định, sai số đo của đồng hồ biến thiên theo hàm số của sự thay đổi lưu lượng (đường cong sai số đo).
Khi dòng chảy dừng, sự kết hợp giữa quán tính của các bộ phận chuyển động của đồng hồ và chuyển động xoay của nước bên trong đồng hồ có thể gây ra sai số đáng kể đối với một số kiểu đồng hồ nhất định và tại một số lưu lượng thử nghiệm nhất định.
CHÚ THÍCH Trong trường hợp này, không thể xác định được quy luật thực nghiệm đơn giản để đặt điều kiện mà theo đó có thể bỏ qua sai số này. Một số kiểu đồng hồ nhất định đặc biệt nhạy cảm với sai số này.
Trong trường hợp có nghi ngờ nên:
a) Tăng thể tích nạp và thời gian thử nghiệm;
b) So sánh kết quả với các kết quả nhận được theo một hoặc nhiều phương pháp khác, đặc biệt là phương pháp mô tả trong 5.4.5.3, phương pháp này loại trừ được các nguyên nhân gây ra độ không đảm bảo đo nêu trên.
Đối với một số kiểu đồng hồ điện tử với tín hiệu đầu ra ở dạng xung được sử dụng để thử nghiệm, đáp ứng của đồng hồ theo các thay đổi về lưu lượng có thể sao cho các xung có giá trị được phát ra ngay sau khi đóng van. Trong trường hợp này phải trang bị các phương tiện để đếm các xung phụ thêm đó.
Trong trường hợp xung đầu ra được sử dụng để thử nghiệm đồng hồ phải thực hiện kiểm tra để đảm bảo rằng thể tích chỉ thị thông qua số xung đếm được tương ứng với thể tích hiển thị trên cơ cấu chỉ thị trong phạm vi độ chính xác quy định.
5.4.5.3. Thử nghiệm với số đọc được ghi lại ở điều kiện lưu lượng ổn định và chuyển dòng tức thời
Phép đo được thực hiện khi điều kiện dòng chảy đã ổn định.
Một công tắc làm chuyển hướng dòng chảy vào bình đã hiệu chuẩn khi bắt đầu phép đo và chuyển hướng dòng chảy ra khỏi bình khi kết thúc. Đồng hồ được đọc trong quá trình hoạt động
Đọc số trên đồng hồ được đồng bộ với hoạt động của công tắc chuyển hướng
Thể tích thu được trong bình chuẩn là thể tích thực chảy qua đồng hồ.
Độ không đảm bảo đo đóng góp vào thể tích có thể được coi là không đáng kể nếu thời gian đóng cắt dòng chảy theo mỗi hướng sai khác nhau trong phạm vi 5 % và nếu thời gian đó nhỏ hơn 1/50 tổng thời gian của phép thử.
CHÚ THÍCH Đối với đồng hồ kết hợp, phương pháp thử nghiệm được mô tả trong 5.4.5.3, trong đó số đọc của đồng hồ được lấy ở lưu lượng đặt, đảm bảo rằng thiết bị chuyển đổi hoạt động chính xác theo cả chiều tăng và giảm lưu lượng. Phương pháp thử nghiệm được mô tả trong 5.4.5.2, trong đó số đọc của đồng hồ được lấy khi nghỉ, không cho phép xác định sai số chỉ thị sau khi điều chỉnh lưu lượng thử nghiệm để giảm các lưu lượng qua đồng hồ kết hợp.
5.4.5.4. Phương pháp thử nghiệm xác định lưu lượng chuyển đổi
Xem định nghĩa của lưu lượng chuyển đổi đồng hồ kết hợp Qx1 và Qx2 nêu trong Điều 3.
Bắt đầu từ một lưu lượng nhỏ hơn lưu lượng chuyển đổi, Qx2, cho tăng dần mỗi lần 5 % cho đến khi đạt Qx2. Giá trị Qx2 được lấy bằng trung bình của các giá trị lưu lượng chỉ thị ngay trước và sau khi chuyển đổi xảy ra.
Bắt đầu từ một lưu lượng lớn hơn lưu lượng chuyển đổi, Qx1, cho giảm dần lưu lượng mỗi lần 5 % cho đến khi đạt Qx1. Giá trị Qx1 được lấy bằng trung bình của các giá trị lưu lượng chỉ thị ngay trước và sau khi chuyển đổi xảy ra.
5.5. Thiết bị chuẩn đã hiệu chuẩn
5.5.1. Độ không đảm bảo đo tổng của giá trị thể tích thực đo được
Khi thực hiện phép thử, độ không đảm bảo đo mở rộng của giá trị thể tích thực đo được không được vượt quá 1/5 sai số lớn nhất cho phép (MPE) đối với phê duyệt mẫu, và 1/3 MPE đối với kiểm định ban đầu và các kiểm định định kỳ.
Độ không đảm bảo đo phải được đánh giá và thể hiện theo TCVN 8114 (ISO 5168) và Hướng dẫn của ISO về việc thể hiện độ không đảm bảo đo (GUM), với hệ số phủ k = 2.
5.5.2. Thể tích tối thiểu (thể tích của bình đã hiệu chuẩn nếu sử dụng phương pháp này)
Thể tích tối thiểu cho phép phụ thuộc vào các yêu cầu được xác định bởi các ảnh hưởng vào thời điểm bắt đầu và kết thúc phép thử và thiết kế của cơ cấu chỉ thị (thang chia độ kiểm định) (xem TCVN 8779-1 (ISO 4064-1).
5.6. Số đọc của đồng hồ
Chấp nhận rằng sai số nội suy lớn nhất của thang chia độ không lớn hơn một nửa vạch chia trên mỗi lần quan sát. Vì vậy trong các phép đo thể tích dòng chảy qua đồng hồ (bao gồm hai lần quan sát của đồng hồ nước), tổng sai số nội suy có thể đạt một vạch chia độ.
Với thiết bị hiển thị kĩ thuật số có sự thay đổi không liên tục về thang kiểm tra, tổng sai số đọc là một đơn vị.
5.7. Các yếu tố chính ảnh hưởng đến việc xác định sai số số chỉ
CHÚ THÍCH Sự biến thiên của áp suất, lưu lượng và nhiệt độ trong giàn thử, và độ không đảm bảo trong độ chính xác của phép đo các đại lượng vật lý đó, về nguyên tắc là các yếu tố chính ảnh hưởng tới phép đo sai số số chỉ của đồng hồ.
5.7.1. Áp suất
Áp suất phải được giữ ở giá trị không đổi danh định trong suốt quá trình thử nghiệm tại lưu lượng được chọn. Để thử nghiệm các đồng hồ nước có thiết kế Q3 ≤16, tại các điểm lưu lượng thử nghiệm ≤ 0,10 Q3, sự ổn định của áp suất tại đầu vào của đồng hồ (hoặc tại lối vào của đồng hồ đầu tiên trong trường hợp thử một dãy đồng hồ) sẽ đạt được nếu giàn thử được cấp nước qua đường ống từ bể có mức nước không đổi. Điều này đảm bảo dòng chảy không rối.
Bất kỳ phương pháp cấp nước nào khác không gây ra biến thiên áp suất lớn hơn trường hợp dùng bể có mức nước không đổi đều có thể được sử dụng.
Đối với tất cả các phép thử khác, áp suất ở phía dòng ra của đồng hồ không được biến thiên quá 10 %. Độ không đảm bảo lớn nhất của phép đo áp suất phải là 5 % giá trị đo.
Áp suất tại phía đầu vào của đồng hồ không được vượt quá áp suất làm việc cho phép lớn nhất (MAP) của đồng hồ.
5.7.2. Lưu lượng
Lưu lượng cần phải được duy trì không đổi tại giá trị được chọn trong suốt phép thử.
Sự biến thiên tương đối về lưu lượng trong mỗi phép thử (không bao gồm lúc bắt đầu và kết thúc) không được vượt quá:
± 2,5 % từ Q1 đến Q2 (không bao gồm Q2);
± 5,0 % từ Q2 (bao gồm cả Q2) đến Q4.
Giá trị lưu lượng bằng thể tích thực chảy qua trong phép thử chia cho thời gian.
Sự biến thiên lưu lượng này được chấp nhận nếu sự biến thiên áp suất tương đối (trong dòng chảy ra ngoài không khí) hoặc biến thiên tương đối của tổn thất áp suất (trong ống dẫn kín) không được vượt quá:
± 5 % từ Q1 đến Q2 (không bao gồm Q2);
± 10 % từ Q2 (bao gồm cả Q2) đến Q4.
5.7.3. Nhiệt độ
Trong suốt quá trình thử nghiệm, nhiệt độ của nước không được thay đổi quá 5 °C.
Độ không đảm bảo của phép đo nhiệt độ không được vượt quá ± 2 °C.
5.7.4. Hướng của đồng hồ trong các phép đo sai số
Vị trí của đồng hồ (định hướng trong không gian) phải được nhà sản xuất chỉ ra và phải được lắp trên giàn thử nghiệm khi thích hợp
Nếu đồng hồ có ký hiệu chữ "H", đoạn ống nối được lắp với trục dòng chảy trong mặt phẳng nằm ngang trong suốt quá trình thử nghiệm (cơ cấu chỉ thị ở mặt trên).
Nếu đồng hồ có ký hiệu chữ "V", đoạn ống nối được lắp với trục dòng chảy trên mặt phẳng thẳng đứng trong suốt quá trình thử nghiệm (đầu nước vào ở mặt dưới).
Nếu đồng hồ không có cả hai ký hiệu "H" hoặc "V":
a) Ít nhất phải có một đồng hồ lấy từ mẫu thử nghiệm được lắp vào trục dòng chảy theo phương thẳng đứng, với hướng dòng chảy theo chiều từ dưới lên trên;
b) Ít nhất phải có một đồng hồ lấy từ mẫu thử nghiệm được lắp vào trục dòng chảy theo phương thẳng đứng, với hướng dòng chảy theo chiều từ trên xuống dưới;
c) Ít nhất phải có một đồng hồ lấy từ mẫu thử nghiệm được lắp vào trục dòng chảy theo một góc trung gian giữa phương thẳng đứng với phương nằm ngang (được lựa chọn theo chỉ định của cơ quan phê duyệt mẫu);
d) Số đồng hồ còn lại của mẫu thử nghiệm được lắp vào trục dòng chảy theo phương nằm ngang.
Nếu đồng hồ có cơ cấu chỉ thị gắn ngay trên thân của đồng hồ, ít nhất một trong các đồng hồ đặt nằm ngang được lắp sao cho cơ cấu chỉ thị nằm ở cạnh bên, các đồng hồ còn lại được lắp để cơ cấu chỉ thị nằm ở mặt trên.
Dung sai của vị trí đặt trục dòng chảy theo phương thẳng đứng, nằm ngang hoặc góc trung gian đối với tất cả các loại đồng hồ phải nằm trong phạm vi ± 5°
CHÚ THÍCH Trong trường hợp số lượng đồng hồ đem đi thử nghiệm nhỏ hơn bốn thì cần bổ sung các đồng hồ cơ sở hoặc cùng loại cho các vị trí khác nhau của thử nghiệm
5.8. Sai số cơ bản (của số chỉ)
5.8.1. Quy trình thử nghiệm
Xác định sai số cơ bản (của chỉ thị) của đồng hồ (trong phép đo thể tích thực) tại ít nhất các lưu lượng sau, đo sai số tại mỗi lưu lượng hai lần:
a) Giữa Q1 và 1,1 Q1;
b) Giữa 0,5(Q1+ Q2) và 0,55 (Q1+ Q2) (chỉ áp dụng khi Q2/Q1 >1,6);
c) Giữa Q2 và 1,1 Q2;
d) Giữa 0,33(Q2+ Q3) và 0,37 (Q2+ Q3); e) Giữa 0,67(Q2+ Q3) và 0,74 (Q2+ Q3);
f) Giữa 0,9 Q3 và Q3;
g) Giữa 0,95 Q4 và Q4.
CHÚ THÍCH Trong tổng hợp đường cong sai số ban đầu gần với MPE tại một điểm ngoài các điểm lưu lượng Q1, Q2 hoặc Q3, nếu sai số này có thể coi là đặc trưng của đồng hồ, cơ quan có thẩm quyền phê duyệt mẫu có thể quy định một lưu lượng khác đối với kiểm định ban đầu trong chứng chỉ phê duyệt mẫu.
Với từng điểm ở trên
1) Thử nghiệm riêng đồng hồ nước mà không kèm các thiết bị phụ trợ (nếu có);
2) Trong quá trình thử nghiệm, tất cả các yếu tố ảnh hưởng khác phải được giữ ở điều kiện chuẩn;
3) Thực hiện phép đo sai số (của số chỉ) tại các lưu lượng khác, tùy thuộc vào hình dáng của đường cong sai số;
4) Tính toán sai số tương đối (của số chỉ) đối với mỗi lưu lượng theo Phụ lục A.
5.8.2. Tiêu chí chấp nhận
5.8.2.1. Sai số nhận được tại mỗi điểm trong bảy điểm lưu lượng không được vượt quá MPE. Nếu sai số nhận được trên một hoặc nhiều đồng hồ lớn hơn MPE tại một điểm lưu lượng duy nhất, phép thử tại điểm lưu lượng đó phải được thực hiện lại. Phép thử được coi là đạt yêu cầu nếu hai trong ba kết quả nằm trong phạm vi MPE và giá trị trung bình số học của các kết quả của ba phép thử tại lưu lượng đó nhỏ hơn hoặc bằng MPE.
5.8.2.2. Nếu tất cả các sai số của đồng hồ có cùng dấu, ít nhất phải có một trong các sai số này không được vượt quá ½ MPE.
5.9. Phép thử nhiệt độ nước
Ở điều kiện chuẩn, xác định sai số số chỉ của
ít nhất một đồng hồ tại lưu lượng Q2 với nhiệt độ đầu vào được giữ ở
(10 ± 5) °C và nhiệt độ làm việc cho phép lớn nhất, MAT,
°C. Sai số số chỉ (của đồng hồ) phải
không vượt quá phạm vi MPE tương ứng.
5.10. Phép thử áp suất bên trong
Ở điều kiện chuẩn, xác định sai số số chỉ của
ít nhất một đồng hồ tại lưu lượng Q2 với áp suất đầu vào được giữ ở
100 kPa (1bar) ± 5 % và MAP là
%. Sai số số chỉ
(của đồng hồ) không được vượt quá phạm vi MPE tương ứng.
5.11. Phép thử đảo ngược dòng chảy
5.11.1. Đồng hồ thiết kế cho dòng chảy ngược
Ở điều kiện chuẩn, thử nghiệm ít nhất một đồng hồ tại lưu lượng đảo ngược sau đây:
a) Giữa Q1 và 1,1 Q1;
b) Giữa Q2 và 1,1 Q2;
c) Giữa 0,9 Q3 và Q3.
Sai số số chỉ (của đồng hồ) không được vượt quá phạm vi MPE tương ứng.
Một đồng hồ phải được thử nghiệm thêm (trong dòng chảy ngược) về tính không đều đặn của vận tốc theo quy định trong 5.12.
5.11.2. Đồng hồ không thiết kế cho dòng chảy ngược
Đồng hồ phải chịu dòng chảy ngược ở giá trị lưu lượng từ 0,9 Q3 đến Q3 trong ít nhất là 1 min. Sau đó sai số đồng hồ phải được đo tại các lưu lượng dưới đây:
a) Giữa Q1 và 1,1 Q1;
b) Giữa Q2 và 1,1 Q2;
c) Giữa 0,9 Q3 và Q3.
Sai số số chỉ (của đồng hồ) không được vượt quá MPE tương ứng.
5.11.3. Đồng hồ chặn dòng chảy ngược
Đồng hồ phải chịu áp suất làm việc lớn nhất cho phép thu hướng dòng chảy ngược trong ít nhất là 1 min
Sau đó sai số đồng hồ phải được đo tại các lưu lượng dưới đây:
a) Giữa Q1 và 1,1 Q1;
b) Giữa Q2 và 1,1 Q2;
c) Giữa 0,9 Q3 và Q3.
Sai số số chỉ (của đồng hồ) không được vượt quá MPE tương ứng.
5.12. Phép thử về tính không đều của vận tốc
CHÚ THÍCH Một số loại đồng hồ nước, ví dụ: đồng hồ nước kiểu thể tích (tức là, bao gồm buồng đo với vách ngăn lưu động), chẳng hạn như đồng hồ có pittong di chuyển qua lại hoặc đĩa lắc lư, đã được chứng minh là không nhạy với các điều kiện cài đặt phía đầu vào. Do đó trong những trường hợp này không cần thực hiện phép thử này.
5.12.1. Mục đích của phép thử
Mục đích của phép thử này là chứng minh rằng đồng hồ đáp ứng các yêu cầu về độ nhạy của dòng
(Xem TCVN 8779-1 (ISO 4064-1).
CHÚ THÍCH 1 Do ảnh hưởng của dòng rối phổ biến quy định phía dòng vào và phía dòng ra đồng hồ đến sai số số chỉ của đồng hồ nước.
CHÚ THÍCH 2 Thiết bị tạo rối kiểu 1 và 2 được sử dụng trong các phép thử để tạo dòng “bàn tay trái” (xoắn trái) và “bàn tay phải” (xoắn phải), xoáy tròn (xoáy) tương ứng. Dòng rối thường xảy ra ở đúng góc kết nối trực tiếp của hai đường uốn cong 90°. Thiết bị tạo rối loại 3 tạo một khối không đối xứng thường xảy ra về phía đầu ra của một điểm nhô ra chỗ nối ống hay đầu van không hoàn toàn mở
5.12.2. Quy trình chuẩn bị và thử nghiệm
5.12.2.1. Sử dụng thiết bị tạo rối kiểu 1, 2 và 3 nêu tại Phụ lục B, xác định sai số của đồng hồ tại lưu lượng giữa 0,9 Q3 và Q3, đối với từng điều kiện cài đặt quy định trong Hình 1.
5.12.2.2. Tất cả các hệ số ảnh hưởng khác phải nằm trong điều kiện chuẩn trong từng phép thử.
5.12.2.3. Không cho phép sử dụng các thiết bị nắn dòng bên ngoài đối với các đồng hồ mà nhà sản xuất đã lắp một đoạn ống thẳng quy định ít nhất 15 x DN phía dòng vào đồng hồ và 5 x DN phía dòng ra đồng hồ.
5.12.2.4. Khi nhà sản xuất quy định đoạn ống thẳng tối thiểu 5 x DN phía dòng ra đồng hồ, chỉ thực hiện các phép thử 1, 3 và 5 như trong Hình 1.
5.12.2.5. Trường hợp đồng hồ phải sử dụng thiết bị nắn dòng bên ngoài, nhà sản xuất phải quy định kiểu, đặc tính kỹ thuật và vị trí lắp đặt tương đối của thiết bị nắn dòng so với đồng hồ nước.
5.12.2.6. Trong các thử nghiệm này, những thiết bị trong đồng hồ nước có chức năng nắn dòng không được coi như là một “thiết bị nắn dòng”.
CHÚ THÍCH Một số loại đồng hồ nước đã được chứng minh là không bị ảnh hưởng bởi dòng chảy rối loạn ở phía đầu vào và đầu ra của đồng hồ có thể được cơ quan phê duyệt miễn trừ phép thử này (xem 5.12, CHÚ THÍCH).
5.12.3. Tiêu chí chấp nhận tương ứng
Sai số số chỉ của đồng hồ không vượt quá MPE tương ứng với bất kỳ phép thử trường vận tốc nào.

CHÚ DẪN
1. Thiết bị tạo rối kiểu 1 - Bộ tạo xoáy xoắn trái
2. Đồng hồ
3. Thiết bị nắn dòng
4. Thiết bị tạo rối kiểu 2 - Bộ tạo xoáy xoắn phải
5. Thiết bị tạo rối kiểu 3 - Bộ gây xoáy kiểu biến dạng biên dạng vận tốc dòng chảy
a. Đoạn ống thẳng
Hình 1 - Sơ đồ dòng rối loạn
5.13. Giải thích kết quả
5.13.1. Thử nghiệm đơn lẻ
Nếu chương trình thử nghiệm qui định một phép thử đơn lẻ, đồng hồ sẽ đạt phép thử này nếu sai số đo không vượt quá MPE tại lưu lượng đã chọn
5.13.2. Thử nghiệm lặp lại
Nếu chương trình thử nghiệm qui định phép thử phải lặp lại, chương trình phải quy định quy tắc áp dụng để kết hợp các sai số thu được.
Đồng hồ sẽ đạt phép thử này nếu các sai số kết hợp này không vượt quá MPE tại lưu lượng đã chọn
6. Phép thử áp suất tĩnh
6.1. Mục đích của phép thử
Mục đích của phép thử này là kiểm tra khả năng chịu được áp suất thủy tĩnh của đồng hồ, mà không bị rò rỉ hay hỏng hóc, theo cấp MAP (xem 5.4.2 của TCVN 8779-1:2011(ISO 4064-1:2005).
6.2. Chuẩn bị
6.2.1. Lắp đặt đồng hồ vào giàn thử nghiệm đơn chiếc hoặc theo nhóm.
6.2.2. Xả khí khỏi đường ống dẫn và đồng hồ.
6.2.3. Đảm bảo giàn thử nghiệm không rò rỉ.
6.2.4. Đảm bảo các áp suất cung cấp không có các dao động áp suất.
6.3 Quy trình thử nghiệm- Đồng hồ nối tiếp
6.3.1. Tăng áp suất thủy tĩnh lên gấp 1,6 lần MAP của đồng hồ và duy trì áp suất này trong thời gian 15 min.
6.3.2. Kiểm tra sự hỏng hóc vật lý, rò rỉ bên ngoài và rò rỉ trên cơ cấu chỉ thị của đồng hồ.
6.3.3. Tăng áp suất thủy tĩnh lên gấp 2 lần MAP và duy trì mức áp suất này trong thời gian 1 min. Lưu lượng phải bằng “zêrô” trong suốt quá trình thử.
6.3.4. Kiểm tra sự hỏng hóc vật lý, rò rỉ bên ngoài và rò rỉ trên cơ cấu chỉ thị của đồng hồ.
6.3.5. Tăng hoặc giảm áp suất từ từ để không gây ra sự thay đổi áp suất đột ngột.
6.3.6. Chỉ sử dụng nhiệt độ chuẩn đối với phép thử này.
6.4. Quy trình thử nghiệm - Đồng hồ đồng trục
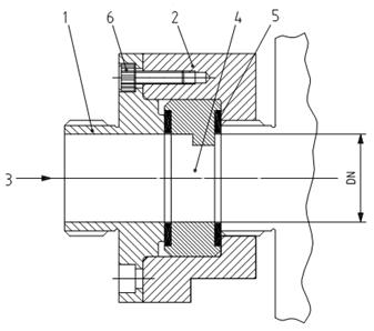
Quy trình thử nghiệm trong 6.3 cũng áp dụng đối với đồng hồ đồng tâm, ngoài ra, dấu niêm phong nằm tại điểm tiếp giáp của đồng hồ đồng tâm. Ống góp cũng phải được thử nghiệm để đảm bảo rằng không có sự rò rỉ bên trong giữa đầu vào và đầu ra của đồng hồ.
Đặt áp suất 2xDp ở phía đầu vào đồng hồ của dấu niêm phong.
Các thiết bị và phương pháp thử nghiệm đồng hồ đồng trục có thể thay đổi theo thiết kế; một ví dụ về phương pháp thử nghiệm được đưa ra trong Phụ lục C.
6.5. Tiêu chí chấp nhận
Không được có rò rỉ từ đồng hồ hoặc trên cơ cấu chỉ thị, hoặc hỏng hóc vật lý, xảy ra do các phép thử áp suất được nêu trong 6.3 và 6.4.
7. Phép thử tổn hao áp suất
7.1. Mục đích của phép thử
Mục đích của thử nghiệm này là để đảm bảo rằng tổn hao áp suất của đồng hồ không vượt quá 0,063 MPa (0,63 bar) tại bất kỳ lưu lượng nào trong phạm vi từ Q1 đến Q3.
Nguyên lý của thử nghiệm này nhằm đo áp suất vi sai tĩnh Dp2 giữa các đầu áp suất ra của đoạn đo với đồng hồ ở lưu lượng Q3 và từ đó suy ra tổn hao áp suất Dp1 của đoạn ống phía trước và phía sau được đo ở cùng giá trị lưu lượng khi không có đồng hồ (xem Hình 2) ở lưu lượng quy định Q3.
Quy trình thử tổn hao áp suất phải tính đến việc phục hồi áp suất ở phía sau đồng hồ bằng cách bố trí hợp lý đầu áp suất ra ở phía sau (xem 7.2.1.2) và khi cần cũng phải bù cho chiều dài đoạn ống thẳng giữa các đầu áp suất ra (xem 7.3).
7.2. Chuẩn bị
7.2.1. Thiết bị thử tổn hao áp suất
7.2.1.1. Qui định chung
Thiết bị cần thiết để thực hiện phép thử tổn hao áp suất bao gồm đoạn đường ống có gắn đồng hồ nước cần thử nghiệm và các thiết bị tạo lưu lượng không đổi qua đồng hồ theo quy định. Lưu lượng không đổi thường được sử dụng cho các phép thử tổn hao áp suất tương tự như giá trị dùng để xác định sai số (của số chỉ), được mô tả trong Điều 5.
Các đầu áp suất ra có thiết kế và kích thước tương tự phải phù hợp với đường ống vào và ra của đoạn đo.
7.2.1.2. Đoạn đo
CHÚ THÍCH Các đoạn ống thẳng phía trước và sau, cùng với các đầu nối kết thúc của chúng và các đầu áp suất ra, cùng với đồng hồ thử nghiệm tạo thành đoạn đo.
7.2.1.2.1. Đường kính trong của đoạn đo
Sai lệch về đường kính giữa đường ống và ống nối của đồng hồ có thể tạo ra độ không đảm bảo đo không tương thích với độ chính xác mong muốn và nên tránh trường hợp này.
Để tránh sự không liên tục của nước và để giảm tối đa các ảnh hưởng này, đồng hồ phải được lắp đặt theo đúng chỉ dẫn của nhà sản xuất và các đoạn ống nối phía trước và phía sau đồng hồ phải có cùng đường kính trong danh nghĩa phù hợp với ống nối của đồng hồ liên quan có cùng đường kính trong với các đầu nối của đồng hồ cần đo.
Đường kính bên trong ống được nhà sản xuất đồng hồ qui định. Tuy nhiên, cần phải tránh sự khác biệt về đường kính của ống nối và của đồng hồ vì có thể dẫn tới độ không đảm bảo đo không tương ứng với độ chính xác mong muốn.
7.2.1.2.2. Đoạn ống thẳng để đo
Phải lắp đặt các đoạn ống thẳng ở cả phía trước và phía sau đồng hồ, phía trước và phía sau của đầu áp suất ra, theo Hình 2, trong đó D là đường kính trong của đoạn ống thẳng.

CHÚ DẪN
1. Áp kế vi sai
C. Đồng hồ nước (kiểu đồng hồ đồng tâm, trong đó C là ống góp thêm vào đồng hồ) P1 và P2 là mặt phẳng lỗ đo áp suất
a. Hướng dòng chảy.
b. Đoạn đo.
L ³ 15 D; L1 ³ 10 D; L2 ³ 5 D trong đó D là đường kính trong của đường ống làm việc.
Hình 2 - Bố trí đoạn ống đo
7.2.1.2.3. Thiết kế đầu áp suất ra của đoạn đo
Các đầu áp suất ra có thiết kế và kích thước tương tự phải phù hợp với đường ống vào và ra của đoạn đo.
7.2.1.2.4. Đo vi sai áp suất tĩnh
Mỗi nhóm đầu áp suất ra trong cùng một mặt phẳng phải được nối bằng một ống kín vào một nhánh của thiết bị đo áp suất vi sai, ví dụ, áp kế hoặc đầu chuyển đổi áp suất vi sai. Phải thực hiện biện pháp để xả hết khí ra khỏi thiết bị đo và các ống nối.
7.3. Quy trình thử nghiệm
7.3.1. Xác định tổn hao áp suất tại các đoạn ống thẳng của đồng hồ - Phép đo 1
7.3.1.1. Đo tổn hao áp suất của các đoạn ống thẳng ở phía trước và sau (Dp1) trước mỗi thử nghiệm. Việc này được thực hiện bằng cách ghép các mặt bích của các đoạn ống phía trước và sau với nhau khi không có đồng hồ (lưu ý tránh không để gioăng lấn vào bên trong đường ống hoặc hai mặt bích bị lệch tâm) và đo tổn hao áp suất của đoạn ống đo tại lưu lượng quy định [xem Hình 3 a)].
CHÚ THÍCH Khi không có đồng hồ nước đoạn đo sẽ ngắn lại. Nếu giàn thử không có ống bù chiều dài thì phần hở có thể sẽ bù bằng cách lắp đặt tại phía sau của đoạn đo hoặc một đoạn ống tạm thời có cùng chiều dài và đường kính trong như các đoạn ống thẳng hoặc lắp chính đồng hồ đó.
7.3.1.2. Tính tổn hao áp suất của các đoạn ống bằng các phép tính như trong Hình 3 a).
7.3.2. Đo và tính Dp thực của đồng hồ nước - Phép đo 2
7.3.2.1. Tại các điểm có cùng lưu lượng được sử dụng để xác định tổn hao áp suất của đoạn ống, tại cùng vị trí lắp đặt, với cùng các đầu áp suất ra và cùng một thiết bị đo chênh áp chỉ khác là có lắp đặt đồng hồ, đo hiệu áp suất vi sai, Dp2, qua đoạn đo [xem Hình 3 b)].
7.3.2.2. Tính tổn hao áp suất tổng của các đoạn ống và đồng hồ bằng cách sử dụng các phép tính trên Hình 3 b).
7.3.2.3. Tính tổn hao áp suất thực, Dp, của đồng hồ tại lưu lượng cho trước bằng phép trừ
Dp = Dp1 - Dp2.
7.3.2.4. Nếu cần, tổn hao áp suất đo được có thể chuyển đổi về tổn hao áp suất tương ứng với Q3 của đồng hồ bằng công thức sau:
Tổn hao áp suất tại Q3 = [(Q3)2 / (lưu lượng thử nghiệm)2] x tổn hao áp suất đo được
Trong trường hợp tổn hao áp suất của đồng hồ tuân theo luật bình phương, tổn hao áp suất chỉ phải thử tại Q3. Khi nghi ngờ tổn hao áp suất lớn nhất xuất hiện tại lưu lượng thấp hơn Q3, phải xác định tổn hao áp suất ở lưu lượng giữa Q1 và Q3, bắt đầu ở Q1 và tăng dần lưu lượng với tối đa 0,1x Q3. Khi đạt Q3, lại giảm dần với một lưu lượng một lượng tối đa 0,1x Q3.
7.3.2.5. Nếu tổn hao áp suất lớn nhất không xảy ra tại điểm lưu lượng Q3, phải thực hiện các phép đo bổ sung tại các lưu lượng phù hợp sử dụng quy trình nêu trên.
7.3.3. Độ không đảm bảo đo lớn nhất
Độ không đảm bảo đo mở rộng lớn nhất của kết quả đo tổn hao áp suất phải là 5 % của tổn hao áp suất đo được, với hệ số phủ k = 2.
7.4. Tiêu chí chấp nhận
Tổn hao áp suất của đồng hồ không được vượt quá 0,063 MPa (0,63 bar) tại mọi điểm lưu lượng nằm giữa Q1 và Q3.

a) Phép đo 1
Dp1 = Tổn hao áp suất ở phía dòng vào và phía dòng ra của đoạn ống
Dp1 = (DpL2 + DpL1).

b) Phép đo 2
Dp2 = Tổn hao áp suất ở phía dòng vào và phía dòng ra của: chiều dài ống + đồng hồ đo nước
Dp2 = (DpL2 + DpL1 + Dpđồng hồ).
\ Dp2 - Dp1 = (DpL2 + DpL1 + Dpđồng hồ) - (DpL2 + DpL1) =Dpđồng hồ
CHÚ DẪN
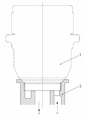
1. Áp kế vi sai
2. Đồng hồ nước ở vị trí phía dòng ra (hoặc ống tạm thời)
3. Đồng hồ nước
a. Hướng dòng chảy.
b. Đoạn đo.
Hình 3 - Phép đo tổn hao áp suất
8. Phép thử độ bền
8.1. Thử nghiệm dòng liên tục
8.1.1. Mục đích của phép thử
Mục đích của thử nghiệm là để kiểm tra độ bền của đồng hồ trong các điều kiện làm việc liên tục, thường xuyên và quá tải.
Phép thử bao gồm việc cho đồng hồ chạy ở lưu lượng không đổi Q3 hoặc Q4 trong một khoảng thời gian quy định theo Bảng 1.
8.1.2. Chuẩn bị
8.1.2.1. Mô tả hệ thống lắp đặt
Hệ thống lắp đặt bao gồm:
a) Nguồn nước (bể không có điều áp, bể có điều áp, bơm, v.v…);
b) Hệ thống đường ống.
8.1.2.2. Hệ thống đường ống
8.1.2.2.1. Mô tả
Ngoài đồng hồ cần thử nghiệm, hệ thống đường ống phải bao gồm:
a) Thiết bị điều chỉnh dòng chảy;
b) Một hoặc nhiều van cách ly;
c) Thiết bị đo nhiệt độ nước tại đầu vào của đồng hồ;
d) Thiết bị kiểm tra lưu lượng và thời gian thử nghiệm;
e) Thiết bị đo áp suất tại đầu vào và đầu ra.
Các thiết bị khác nhau không để tạo ra hiện tượng lỗ hổng
8.1.2.2.2. Biện pháp cần thực hiện
Đồng hồ và các ống nối phải được rút hết không khí.
8.1.3. Quy trình thử nghiệm
a) Trước khi tiến hành thử nghiệm độ bền liên tục, xác định sai số (của số chỉ) của đồng hồ theo 5.8 tại các lưu lượng giống nhau.
b) Lắp đồng hồ đơn chiếc hoặc hàng loạt lên giàn thử nghiệm theo cùng một hướng với hướng dùng để xác định sai số cơ bản của số chỉ (xem 5.7.4).
c) Thực hiện các phép thử sau đây:
- Đối với đồng hồ có Q3 ≤ 16 m3/h, vận hành đồng hồ tại lưu lượng Q4 trong khoảng thời gian 100 h.
- Đối với đồng hồ có Q3 > 16 m3/h, vận hành đồng hồ tại lưu lượng Q4 trong 200 h và tại Q3 trong 800 h.
d) Trong thời gian thực hiện các phép thử độ bền đồng hồ phải luôn được giữ tại điều kiện làm việc quy định của đồng và áp suất tại đầu ra của từng đồng hồ phải đủ cao để không tạo ra bóng khí trong đồng hồ.
e) Sau thử nghiệm độ bền liên tục, xác định sai số (của số chỉ) của đồng hồ theo quy định trong 5.8 và tại các lưu lượng giống nhau
f) Tính sai số tương đối (của số chỉ) đối với từng lưu lượng.
g) Đối với từng lưu lượng, lấy giá trị sai số số chỉ thu được trước thử nghiệm a) trừ đi sai số số chỉ thu được sau thử nghiệm f).
8.1.4. Dung sai
8.1.4.1. Lưu lượng phải được giữ không đổi trong suốt phép thử ở mức được xác định từ trước.
Sự biến thiên tương đối của các giá trị lưu lượng trong mỗi phép thử không được vượt quá ± 10 % (trừ lúc bắt đầu và kết thúc).
8.1.4.2. Khoảng thời gian thử nghiệm quy định đối là giá trị tối thiểu.
8.1.4.3. Thể tích thực lấy ra khi kết thúc phép thử không được nhỏ hơn thể tích tính bằng tích lưu lượng danh nghĩa qui định và thời gian danh nghĩa qui định của phép thử.
Để đáp ứng được điều kiện này cần phải thường xuyên hiệu chính lưu lượng. Đồng hồ thử nghiệm có thể được sử dụng để kiểm tra lưu lượng.
8.1.5. Giá trị đọc của thử nghiệm
Trong quá trình thử nghiệm, các thông tin sau phải được ghi lại ít nhất một lần sau 24 h thử nghiệm hoặc một lần sau mỗi khoảng thời gian ngắn hơn nếu phép thử được chia nhỏ ra:
a) Áp suất nước ở phía trước (các) đồng hồ thử nghiệm;
b) Áp suất nước ở phía sau (các) đồng hồ thử nghiệm;
c) Nhiệt độ nước ở phía trước (các) đồng hồ thử nghiệm;
d) Lưu lượng chạy qua đồng hồ thử nghiệm;
e) Số đọc trên đồng hồ thử nghiệm;
f) Thể tích thực chạy qua các đồng hồ thử nghiệm.
8.1.6. Tiêu chí chấp nhận
Sau thử nghiệm độ bền liên tục:
a) Sai lệch của đường cong sai số không vượt quá:
- 3 % đối với các điểm lưu lượng thuộc vùng dưới (Q1≤Q<>2) và
- 1,5 % đối với các điểm lưu lượng thuộc vùng dưới (Q24) Đối với các yêu cầu này, sử dụng giá trị trung bình.
b) Đường cong sai số không được vượt quá sai số lớn nhất cho phép là:
- ± 6 % đối với các điểm lưu lượng thuộc vùng dưới (Q1≤ Q <>2) và
- ± 2,5 % đối với các lưu lượng thuộc vùng trên (Q2< q="">4) trong trường hợp nhiệt độ nước từ 0,1 °C đến 30 °C, hoặc
- ± 3,5 % đối với các lưu lượng thuộc vùng trên (Q2< q="" ≤="">4) trong trường hợp nhiệt độ nước trên 30°C.
8.2. Thử nghiệm dòng chảy
CHÚ THÍCH Phép thử này chỉ áp dụng đối với đồng hồ có Q3 ≤ 16 m3/h và các đồng hồ kết hợp, theo Bảng 1.
Bảng 1 - Phép thử độ bền
|
Cấp nhiệt độ |
Lưu lượng cố định Q3 |
Lưu lượng thử |
Nhiệt độ nước thử nghiệm ± 5 °C |
Loại phép thử |
Số lần gián đoạn |
Thời gian tạm dừng |
Thời gian hoạt động tại lưu lượng thử nghiệm |
Thời gian khởi động và chạy |
|
T30 và T50 |
Q3 ≤ 16 m3/h |
Q3 Q4 |
20 °C 20 °C |
Gián đoạn Liên tục |
100 000 - |
15 s - |
15 s 100 h |
0,15 [Q3]a s tối thiểu là 1 s |
|
|
Q3 ≤ 16 m3/h |
Q3 Q4 |
20 °C 20 °C |
Liên tục Liên tục |
- - |
- - |
800 h 200 h |
- - |
|
Đồng hồ kết hợp |
Q3 ≤ 16 m3/h |
Q ³ 2 x Qx |
20 °C |
Gián đoạn |
50 000 |
15 s |
15 s |
3 s tới 6 s |
|
Tất cả các cấp khác |
Q3 ≤ 16 m3/h |
Q3 Q4 |
50 °C 0,9 x MAT |
Gián đoạn Liên tục |
100 000 - |
15 s - |
15 s 100 h |
0,15 [Q3]a s tối thiểu là 1 s |
|
|
Q3 ≤ 16 m3/h |
Q3 Q4 |
50 °C 0,9 x MAT |
Liên tục Liên tục |
- - |
- - |
800 h 200 h |
- - |
|
a [Q3] là con số thể hiện giá trị của Q3 bằng m3/h. |
||||||||
8.2.1. Mục đích phép thử
Mục đích của thử nghiệm là để xác nhận đồng hồ đủ bền khi cho chạy liên tục theo chu kỳ.
Phép thử này bao gồm việc cho đồng hồ chạy với số lượng qui định các chu trình chạy và dừng trong một khoảng thời gian ngắn, gián đoạn lưu lượng thử nghiệm không đổi của từng chu trình được giữ ở giá trị lưu lượng qui định trong suốt quá trình thử nghiệm.
8.2.2. Chuẩn bị
8.2.2.1. Mô tả hệ thống lắp đặt
Hệ thống này bao gồm:
a) Nguồn nước (bể không có điều áp, bể có điều áp, bơm, v.v…);
b) Hệ thống đường ống.
8.2.2.2. Hệ thống đường ống
Các đồng hồ có thể được lắp nối tiếp hoặc song song, hoặc có thể kết hợp hai hệ thống này với nhau. Ngoài đồng hồ cần thử nghiệm, hệ thống đường ống bao gồm:
a) Một thiết bị điều chỉnh lưu lượng (cho mỗi dãy đồng hồ nối tiếp, nếu cần);
b) Một hoặc nhiều van cách ly;
c) Thiết bị đo nhiệt độ nước tại phía dòng vào của đồng hồ;
d) Thiết bị kiểm tra lưu lượng, khoảng thời gian của các chu kỳ và số lượng chu kỳ;
e) Một thiết bị ngắt dòng (cho mỗi dãy đồng hồ nối tiếp)
f) Thiết bị đo áp suất tại phía đầu vào và phía đầu ra.
Các thiết bị khác nhau không được tạo ra bọt khí hoặc các kiểu mài mòn đồng hồ khác.
8.2.2.3. Biện pháp cần thực hiện
Đồng hồ và các ống nối cần phải được thoát hết khí.
Sự biến thiên lưu lượng trong các thao tác đóng và mở van lặp lại phải được luỹ tiến để tránh ảnh hưởng có hại đến nước.
8.2.2.4. Chu kỳ lưu lượng
Một chu kỳ hoàn chỉnh bao gồm bốn giai đoạn sau đây:
a) Giai đoạn từ lưu lượng bằng “zêrô” đến lưu lượng thử nghiệm Q3.
b) Giai đoạn tại lưu lượng thử nghiệm Q3 không đổi.
c) Giai đoạn từ điểm lưu lượng Q3 về điểm lưu lượng bằng “zêrô”.
d) Giai đoạn tại lưu lượng bằng “zêrô”.
Chương trình thử nghiệm phải quy định cụ thể số lượng các chu kỳ lưu lượng, thời gian của bốn giai đoạn của chu kỳ, và tổng thể tích lấy ra.
8.2.3. Quy trình thử nghiệm
8.2.3.1. Quy trình thử nghiệm cho tất cả các loại đồng hồ
a) Trước khi tiến hành thử nghiệm độ bền gián đoạn, xác định sai số (của số chỉ) của đồng hồ theo 5.8 và tại các lưu lượng giống nhau.
b) Lắp đồng hồ đơn chiếc hoặc hàng loạt lên giàn thử nghiệm theo cùng một hướng với hướng dùng để xác định sai số cơ bản của số chỉ (xem 5.7.4).
c) Trong quá trình thử nghiệm, giữ đồng hồ ở các điều kiện vận hành danh định của chúng và áp suất tại lối ra của từng đồng hồ phải đủ cao để không tạo ra bóng khí trong đồng hồ.
d) Điều chỉnh lưu lượng trong phạm vi dung sai cho phép.
e) Vận hành đồng hồ ở các điều kiện cho trong Bảng 1.
f) Sau thử nghiệm độ bền gián đoạn, xác định sai số cuối cùng (của số chỉ) của đồng hồ theo quy định trong 5.8 và ở các lưu lượng giống nhau
g) Tính sai số tương đối (của số chỉ) đối với từng lưu lượng.
h) Đối với từng lưu lượng, lấy giá trị của sai số số chỉ thu được trước khi thử nghiệm a) trừ đi sai số số chỉ thu được sau thử nghiệm g).
8.2.3.2. Phép thử đặc biệt cho đồng hồ kết hợp
Sau khi thực hiện quy trình được nêu trong 8.2.3.1, phải thực hiện phép thử độ bền để mô phỏng điều kiện công tác, theo các điều kiện sau đây:
a) Lưu lượng thử nghiệm: ít nhất bằng hai lần lưu lượng chuyển đổi, QX, xác định bằng cách tăng lưu lượng;
b) Loại thử nghiệm: gián đoạn;
c) Số lần gián đoạn: 50 000;
d) Thời gian dừng: 15 s;
e) Thời gian chạy ở lưu lượng thử nghiệm: 15 s;
f) Thời gian tăng tốc và giảm tốc: tối thiểu là 3 s, tối đa là 6 s.
8.2.4. Dung sai
8.2.4.1. Dung sai về lưu lượng
Sự biến thiên tương đối của các giá trị lưu lượng phải không được vượt quá ± 10 % trừ lúc đóng, mở và dừng phép đo. Đồng hồ thử nghiệm có thể được sử dụng để kiểm tra lưu lượng.
8.2.4.2. Dung sai về thời gian thử nghiệm
Dung sai về thời gian quy định cho mỗi giai đoạn của chu kỳ lưu lượng không được vượt quá ± 10 %
Sự sai lệch đối với tổng thời gian thử nghiệm không được vượt quá ± 5 %
8.2.4.3. Dung sai về số lượng chu kỳ
Số lượng chu kỳ lưu lượng không được nhỏ hơn so với quy định, nhưng lại không được vượt quá 1 % số lượng này.
8.2.4.4. Dung sai về thể tích thực lấy ra
Thể tích thực lấy ra trong quá trình thử nghiệm phải bằng một nửa giữa lưu lượng thử nghiệm danh nghĩa quy định và tổng thời gian lý thuyết thực hiện phép thử (thời gian vận hành cộng với thời gian quá độ và thời gian dừng với sai lệch ± 5 %).
Để đạt được yêu cầu này phải thường xuyên hiệu chỉnh dòng chảy tức thời và thời gian vận hành.
8.2.5. Số đọc của thử nghiệm
Trong quá trình thử nghiệm các thông tin sau phải được ghi lại ít nhất một lần sau 24 h thử nghiệm hoặc một lần sau các khoảng thời gian ngắn hơn nếu phép thử được chia nhỏ ra:
a) Áp suất nước ở phía dòng vào đồng hồ thử nghiệm;
b) Áp suất nước ở phía dòng ra đồng hồ thử nghiệm;
c) Nhiệt độ nước ở phía dòng vào đồng hồ thử nghiệm;
d) Lưu lượng chạy qua đồng hồ thử nghiệm;
e) Thời gian của bốn chu kỳ của phép thử dòng chảy gián đoạn;
f) Số lượng chu kỳ;
g) Số đọc của đồng hồ thử nghiệm;
h) Thể tích thực chạy qua đồng hồ thử nghiệm.
8.2.6. Tiêu chí chấp nhận
Sau khi thực hiện phép thử độ bền liên tục:
a) Độ sai lệch của đường cong sai số không vượt quá:
- 3 % đối với các điểm lưu lượng thuộc vùng dưới (Q1≤Q<>2) và
- 1,5 % đối với các điểm lưu lượng thuộc vùng trên (Q2≤Q≤ Q4)
Đối với các yêu cầu này, sử dụng các giá trị trung bình
b) Đường cong sai số phải không được vượt quá sai số lớn nhất cho phép:
- ± 6 % đối với các điểm lưu lượng thuộc vùng dưới (Q1≤ Q <>2) và
- ± 2,5 % đối với các điểm lưu lượng thuộc vùng trên (Q2≤ Q ≤ Q4) trong trường hợp nhiệt độ nước từ 0,1°C đến 30 °C, hoặc
- ± 3,5 % đối với các điểm lưu lượng thuộc vùng trên (Q2≤ Q ≤Q4) trong trường hợp nhiệt độ nước trên 30 °C.
9. Thử nghiệm tính năng đối với đồng hồ điện tử và đồng hồ cơ có gắn cơ cấu điện tử
9.1. Giới thiệu
Điều này quy định các phép thử tính năng để xác nhận các đồng hồ có cơ cấu điện tử đi kèm có thể vận hành và hoạt động bình thường trong môi trường quy định và ở các điều kiện qui định. Mỗi phép thử tương ứng đòi hỏi một điều kiện chuẩn để xác định sai số cơ bản.
Các phép thử này bổ sung cho các phép thử được mô tả trong Điều 8 và áp dụng đối với các đồng hồ hoàn chỉnh, các bộ phận tách rời của đồng hồ hoặc các cơ cấu phụ trợ.
Khi đánh giá tác động của một đại lượng ảnh hưởng, tất cả các đại lượng ảnh hưởng khác phải duy trì tại điều kiện chuẩn (xem Điều 4).
Các phép thử phê duyệt mẫu được quy định trong phần này có thể được thực hiện song song với các phép thử quy định trong Điều 8, sử dụng ví dụ về các bộ đồng hồ cùng kiểu hoặc các bộ phận có thể tách rời.
9.2. Yêu cầu chung
9.2.1. Phân loại theo môi trường
Đối với mỗi phép thử tính năng, điều kiện thử nghiệm đặc trưng được chỉ ra, các điều kiện này tương ứng với điều kiện khí hậu, cơ học mà đồng hồ nước thường gặp phải.
Đồng hồ nước có cơ cấu điện tử đi kèm được phân thành 3 cấp tùy thuộc điều kiện môi trường.
- Cấp B: đối với đồng hồ cố định được lắp đặt trong nhà;
- Cấp C: đối với đồng hồ cố định được lắp đặt ngoài trời;
- Cấp I: đối với các đồng hồ di động.
Đơn xin phê duyệt mẫu có thể nêu ra điều kiện môi trường cụ thể trong tài liệu cung cấp cho cơ quan đo lường, dựa trên mục đích sử dụng của đồng hồ. Trong trường hợp này, cơ quan đo lường phải thực hiện các phép thử tính năng tại các mức độ khắc nghiệt tương ứng với các điều kiện môi trường đó. Các mức khắc nghiệt này không được thấp hơn cấp B.
Trong mọi trường hợp, cơ quan đo lường phải xác nhận là đã đáp ứng các điều kiện sử dụng.
CHÚ THÍCH Các đồng hồ được phê duyệt mẫu tại một mức khắc nghiệt định trước sẽ phù hợp với các mức khắc nghiệt thấp hơn.
9.2.2. Môi trường điện từ
Đồng hồ nước có cơ cấu điện tử đi kèm được chia thành hai cấp theo môi trường điện từ:
- Cấp E1 khu dân cư, thương mại và công nghiệp nhẹ;
- Cấp E2 khu công nghiệp.
9.2.3. Điều kiện chuẩn
Điều kiện chuẩn được liệt kê tại Điều 4.
9.2.4. Thể tích thử nghiệm để đo sai số số chỉ của đồng hồ
Một số đại lượng ảnh hưởng có tác động không đổi đến sai số số chỉ của đồng hồ và không tỉ lệ với thể tích đo được.
Trong các phép thử khác tác động của đại lượng ảnh hưởng đến đồng hồ có liên quan đến thể tích đo được. Trong trường hợp này, để có thể so sánh các kết quả thu được giữa các phòng thí nghiệm khác nhau, thể tích thử nghiệm đối với phép đo sai số số chỉ của đồng hồ phải tương ứng với lượng thể tích cấp phát trong một phút tại lưu lượng quá tải Q4.
Tuy nhiên, một vài phép thử có thể yêu cầu lâu hơn một phút, trong trường hợp đó chúng phải được thực hiện trong khoảng thời gian ngắn nhất có thể và phải tính đến độ không đảm bảo đo.
9.2.5. Ảnh hưởng của nhiệt độ nước
Các phép thử nóng khô, lạnh và nóng ẩm đều liên quan đến phép đo ảnh hưởng của nhiệt độ môi trường đến tính năng của đồng hồ. Tuy nhiên, sự có mặt của bộ chuyển đổi đo, trước đó nước cũng có thể gây ảnh hưởng đến mức độ tản nhiệt trong các thiết bị điện tử.
Nếu đồng hồ có giá trị Q3 ≤ 16 m3/h, đồng hồ phải có nước chảy qua tại lưu lượng chuẩn và sai số số chỉ của đồng hồ phải được đo với các bộ phận bằng điện tử và bộ chuyển đổi ở các điều kiện chuẩn.
Tùy chọn, mô phỏng của bộ chuyển đổi đo có thể được dùng để thử nghiệm tất cả các thành phần điện tử. Trường hợp sử dụng các thử nghiệm mô phỏng, chúng phải tái tạo các hiệu ứng do nước tác động đến các thiết bị điện tử, mà thường gắn với cảm biến lưu lượng hoặc cảm biến thể tích, và phải áp dụng các điều kiện tiêu chuẩn trong suốt quá trình thử.
9.2.6. Thiết bị cần thử nghiệm (EUT)
9.2.6.1. Qui định chung
Tùy mục đích thử nghiệm, EUT được phân loại là một trong các trường hợp, A đến E, theo công nghệ được mô tả trong 9.2.6.2 đến 9.2.6.5, và phải áp dụng các yêu cầu sau đây:
- Trường hợp A: không yêu thử nghiệm tính năng (như đã đề cập trong mục này);
- Trường hợp B: EUT là đồng hồ hoàn chỉnh; phép thử được thực hiện với nước trong thể tích hay dòng chảy hoặc cảm biến thể tích;
- Trường hợp C: EUT là bộ chuyển đổi đo lường; phép thử được thực hiện với nước trong thể tích hay dòng chảy hoặc cảm biến thể tích;
- Trường hợp D: EUT là bộ tính toán điện tử bao gồm cả thiết bị chỉ thị hoặc thiết bị phụ trợ; phép thử được thực hiện với nước trong thể tích hay dòng chảy hoặc cảm biến thể tích;
- Trường hợp E: EUT là bộ tính toán điện tử bao gồm cả thiết bị chỉ thị hoặc thiết bị phụ trợ; phép thử được thực hiện với tín hiệu đo lường mô phỏng mà không có nước trong thể tích hay dòng chảy hoặc cảm biến thể tích.
9.2.6.2. Đồng hồ theo thể tích và đồng hồ nước dạng tuabin
|
a) Đồng hồ không lắp cơ cấu điện tử: |
Trường hợp A |
|
b) Bộ chuyển đổi đo và bộ đếm điện tử bao gồm cơ cấu chỉ thị cùng nằm trong một vỏ hộp: |
Trường hợp B |
|
c) Bộ chuyển đổi đo tách biệt khỏi bộ đếm điện tử, nhưng không có cơ cấu điện tử đi kèm: |
Trường hợp A |
|
d) Bộ chuyển đổi đo tách biệt khỏi bộ đếm điện tử và có cơ cấu điện tử đi kèm: |
Trường hợp C |
|
e) Bộ đếm điện tử bao gồm cơ cấu chỉ thị tách biệt khỏi bộ chuyển đổi đo và không thể mô phỏng tín hiệu đo: |
Trường hợp D |
|
f) Bộ đếm điện tử bao gồm cơ cấu chỉ thị tách biệt khỏi bộ chuyển đổi đo và có thể mô phỏng tín hiệu đo: |
Trường hợp E |
9.2.6.3. Đồng hồ nước điện từ
|
a) Bộ chuyển đổi đo và bộ đếm điện tử bao gồm cơ cấu chỉ thị cùng nằm trong một vỏ hộp |
Trường hợp B |
|
b) Cảm biến lưu lượng, chỉ bao gồm đường ống, cuộn dây và hai điện cực của đồng hồ mà không có các cơ cấu điện tử bổ sung khác |
Trường hợp A |
|
c) Bộ chuyển đổi bao gồm cảm biến dòng hoặc cảm biến thể tích đo tách biệt với bộ đếm điện tử và cùng nằm trong một vỏ hộp |
Trường hợp C |
|
d) Bộ đếm điện tử bao gồm cơ cấu chỉ thị tách biệt khỏi bộ chuyển đổi đo và không thể mô phỏng tín hiệu đo |
Trường hợp D |
9.2.6.4. Đồng hồ siêu âm, đồng hồ Coriolis, đồng hồ nước dạng lỏng, v.v…
|
a) Bộ chuyển đổi đo và bộ đếm điện tử bao gồm cơ cấu chỉ thị cùng nằm trong một vỏ hộp |
Trường hợp B |
|
b) Bộ chuyển đổi đo bao gồm cảm biến dòng hoặc cảm biến thể tích đo tách biệt với bộ đếm điện tử và cùng nằm trong một vỏ hộp |
Trường hợp C |
|
c) Bộ đếm điện tử bao gồm cơ cấu chỉ thị tách biệt khỏi bộ chuyển đổi đo và không thể mô phỏng tín hiệu đo |
Trường hợp D |
9.2.6.5. Các cơ cấu phụ trợ
|
a) Cơ cấu phụ trợ là một bộ phận của đồng hồ, một bộ phận của bộ chuyển đổi đo, hoặc một bộ phận của bộ đếm điện tử |
Trường hợp A đến E (như trên) |
|
b) Cơ cấu phụ trợ tách biệt khỏi đồng hồ, nhưng không có cơ cấu điện tử đi kèm |
Trường hợp A |
|
c) Cơ cấu phụ tách biệt khỏi đồng hồ, không thể mô phỏng tín hiệu đo |
Trường hợp D |
|
d) Cơ cấu phụ tách biệt khỏi đồng hồ, có thể mô phỏng tín hiệu đo |
Trường hợp E |
9.3. Điều kiện khí hậu và điều kiện cơ học
9.3.1. Nóng khô (không ngưng tụ)
9.3.1.1. Điều kiện thử nghiệm
Điều kiện thử nghiệm được áp dụng như trong Bảng 2.
Bảng 2 - Yếu tố ảnh hưởng: nóng khô (không ngưng tụ)
|
Cấp môi trường: |
B; C; I |
|
Mức khắc nghiệt (xem OIML D 11): |
3 |
|
Nhiệt độ không khí: |
55 °C ± 2 °C |
|
Thời gian thử: |
2 h |
|
Số chu kỳ thử: |
1 |
9.3.1.2. Mục đích phép thử
Mục đích của thử nghiệm là để xác nhận đồng hồ phù hợp với các qui định trong 6.7.5 của TCVN 8779 -1:2011 (ISO 4064-1:2005), áp dụng nhiệt độ môi trường cao.
9.3.1.3. Chuẩn bị
Bố trí thực hiện của phép thử được mô tả trong quy định của TCVN 6799-2-2 (IEC 60068-2-2)
Hướng dẫn bố trí thử nghiệm được đưa ra trong IEC 60068-3-1 và TCVN 7699-1 (IEC 60068-1)
9.3.1.4. Tóm tắt quy trình thử nghiệm
a) Không yêu cầu ổn định trước
b) Xác định sai số số chỉ của EUT tại lưu lượng chuẩn và các điều kiện thử nghiệm sau:
1) Tại nhiệt độ không khí chuẩn 20 °C ± 5 °C, trước khi thử nghiệm EUT;
2) Tại nhiệt độ không khí 55 °C ± 2 °C, sau khi EUT đã được ổn định ở nhiệt độ này trong khoảng 2 h.
3) Tại nhiệt độ không khí chuẩn 20 °C ± 5 °C, sau khi khôi phục EUT.
c) Thực hiện các yêu cầu của 5.8 khi xác định sai số số chỉ.
d) Áp dụng điều kiện thử nghiệm chuẩn trong suốt quá trình thử nghiệm trừ khi có quy định khác.
e) Tính sai số tương đối của số chỉ đối với từng điều kiện thử nghiệm.
9.3.1.5. Tiêu chí chấp nhận
Trong khi áp dụng các điều kiện thử nghiệm:
- Tất cả các chức năng của EUT phải vận hành theo đúng như thiết kế và
- Sai số số chỉ của EUT tại điều kiện thử nghiệm, không được vượt quá MPE của "vùng trên".
9.3.2. Lạnh
9.3.2.1. Điều kiện thử nghiệm
Điều kiện thử nghiệm được áp dụng như trong Bảng 3.
Bảng 3 - Yếu tố ảnh hưởng: Lạnh
|
Cấp môi trường: |
B |
C; I |
|
Mức nghiêm trọng: (xem OIML D 11) |
1 |
3 |
|
Nhiệt độ không khí: |
± 5 °C ± 3 °C |
- 25 °C ± 3 °C |
|
Thời gian thử: |
2 h |
|
|
Số chu kỳ thử: |
1 |
|
9.3.2.2. Mục đích phép thử
Mục đích của thử nghiệm là để xác nhận đồng hồ phù hợp với các yêu cầu trong 6.7.5 của TCVN 8779-1:2011 (ISO 4064-1:2005), áp dụng nhiệt độ môi trường thấp.
9.3.2.3. Chuẩn bị
Bố trí thử nghiệm theo TCVN 7699-2-1(IEC 60068-2-1), IEC 60068-3-1 và TCVN 76990-1(IEC 60068-1).
9.3.2.4. Tóm tắt quy trình thử nghiệm
a) Không yêu cầu ổn định trước.
b) Xác định sai số số chỉ của EUT ở lưu lượng chuẩn (thực và mô phỏng) và tại nhiệt độ không khí chuẩn.
c) Ổn định không khí tại - 25 °C (mức khắc nghiệt 3) hoặc + 5 °C (mức khắc nghiệt 1) trong 2 h.
d) Xác định sai số số chỉ của EUT tại lưu lượng chuẩn, tại nhiệt độ không khí tại - 25 °C (mức khắc nghiệt 3) hoặc + 5 °C (mức khắc nghiệt 1).
e) Sau khi khôi phục EUT, xác định sai số số chỉ của EUT ở lưu lượng chuẩn và tại nhiệt độ không khí chuẩn.
f) Tính sai số tương đối của số chỉ đối với từng điều kiện thử nghiệm.
g) Xác nhận EUT vẫn hoạt động chính xác.
9.3.2.5. Yêu cầu bổ sung
a) Nếu EUT có các bộ chuyển đổi đo, thì cần phải có nước trong cảm biến lưu lượng nhiệt độ nước phải được giữ tại nhiệt độ chuẩn.
b) Khi xác định sai số (của số chỉ), các điều kiện về lắp đặt và vận hành mô tả trong Điều 5 phải được tuân thủ và phải áp dụng các điều kiện chuẩn trừ khi có quy định khác.
9.3.2.6. Tiêu chí chấp nhận
Trong khi áp dụng điều kiện thử nghiệm:
- Tất cả các chức năng của EUT phải vận hành theo đúng như thiết kế và
- Sai số tương đối của số chỉ của EUT tại điều kiện thử nghiệm, không vượt quá MPE của "vùng trên".
9.3.3. Nóng ẩm, chu kỳ (ngưng tụ)
9.3.3.1. Điều kiện thử nghiệm
Phải áp dụng các điều kiện thử nghiệm như trong Bảng 4.
Bảng 4 - Yếu tố ảnh hưởng: nóng ẩm, chu kỳ (ngưng tụ)
|
Cấp môi trường: |
B |
C; I |
|
Mức khắc nghiệt: (xem OIML D 11) |
1 |
2 |
|
Nhiệt độ không khí giới hạn trên: |
40 °C ± 2 °C |
55 °C ± 2 °C |
|
Nhiệt độ không khí giới hạn dưới: |
25 °C ± 3 °C |
25 °C ± 3 °C |
|
Độ ẩma: |
> 95 % |
|
|
Độ ẩma: |
93 % ± 3 % |
|
|
Thời gian thử |
24 h |
|
|
Số chu kỳ thử: |
2 |
|
|
a Xem 9.3.3.4 b). |
||
9.3.3.2. Mục đích phép thử
Mục đích của thử nghiệm là để xác nhận đồng hồ phù hợp với các qui định trong 6.7.5 của TCVN 8779-1:2011( ISO 4064-1:2005), sau khi áp dụng điều kiện độ ẩm cao, kết hợp với nhiệt độ thay đổi theo chu kỳ
9.3.3.3. Chuẩn bị
Bố trí thử nghiệm theo TCVN 7699-2-30 (IEC 60068-2-30) và IEC 60068-3-4.
9.3.3.4. Tóm tắt quy trình thử nghiệm
Các yêu cầu đối với việc vận hành thiết bị thử nghiệm, ổn định và khôi phục EUT và cho EUT chịu các thay đổi nhiệt độ theo chu kỳ trong các điều kiện nóng ẩm phù hợp với TCVN 7699-2-30 (IEC 60068-2-30).
Chương trình thử nghiệm bao gồm các bước a) đến f) dưới đây. Cắt nguồn cung cấp của EUT trong các bước từ a) đến c).
a) Ổn định trước EUT.
b) Cho EUT chịu các thay đổi nhiệt độ theo chu kỳ giữa nhiệt độ thấp 25 °C đến nhiệt độ cao 55 °C (cấp môi trường C và I) hoặc 40 °C (cấp môi trường B). Duy trì độ ẩm tương đối trên 95 % trong khi thay đổi nhiệt độ và trong các giai đoạn nhiệt độ thấp, và tại độ ẩm 93 % ở giai đoạn nhiệt độ cao. Khi nhiệt độ tăng, hiện tượng ngưng tụ xảy ra trên EUT.
c) Để EUT phục hồi lại trạng thái ban đầu.
d) Sau khi hồi phục, đo sai số số chỉ của EUT ở lưu lượng chuẩn. e) Tính sai số tương đối của số chỉ
f) Kiểm tra để xác nhận EUT vẫn hoạt động chính xác.
9.3.3.5. Các yêu cầu bổ sung
Khi xác định sai số số chỉ, phải tuân thủ các điều kiện lắp đặt và vận hành được mô tả trong Điều 5 và các điều kiện chuẩn phải được áp dụng trừ khi có các quy định khác.
9.3.3.6. Tiêu chí chấp nhận
Trong khi áp dụng điều kiện thử nghiệm:
- Tất cả các chức năng của EUT phải vận hành theo đúng như thiết kế và
- Sai số tương đối của số chỉ của EUT tại điều kiện thử nghiệm, không được vượt quá MPE của "vùng trên".
9.3.4. Rung (ngẫu nhiên)
9.3.4.1. Điều kiện thử nghiệm
Phải áp dụng các điều kiện thử nghiệm như trong Bảng 5.
Bảng 5 - Nhiễu: Rung (ngẫu nhiên)
|
Cấp môi trường |
I |
|
Mức khắc nghiệt: (xem OIML D 11) |
2 |
|
Dải tần số: |
10 Hz to 150 Hz |
|
Mức hiệu dụng tổng |
7 m.s-2 |
|
Cấp ASD 10 đến 20 Hz: |
1 m2 m.s-3 |
|
Cấp ASD 20 đến 150 Hz: |
- 3 dB/octave |
|
Số lượng trục thử nghiệm: |
3 |
|
Khoảng thời gian với mỗi trục: |
2 min |
9.3.4.2. Mục đích phép thử
Mục đích của thử nghiệm là để xác nhận EUT phù hợp với các qui định trong 6.7.5 của TCVN 8779-1:2011(ISO 4064-1:2005), áp dụng các rung ngẫu nhiên.
9.3.4.3. Chuẩn bị
Bố trí thử nghiệm theo TCVN 7699-2-47 (IEC 60068-2-47) và IEC 60068-2-64.
9.3.4.4. Tóm tắt qui trình thử nghiệm
a) Gắn EUT lên một giá đỡ cố định bằng phương tiện lắp đặt bình thường sao cho trọng lực tác động cùng hướng với trường hợp sử dụng bình thường. Tuy nhiên, nếu ảnh hưởng của trọng lực không đáng kể, và đồng hồ không có ký hiệu "H" hoặc "V", các EUT có thể được gắn tại bất kỳ vị trí nào.
b) Đặt các rung ngẫu nhiên, trên toàn bộ dải tần số từ 10 Hz đến 150 Hz, lên EUT, lần lượt trên ba trục vuông góc với nhau, trong thời gian 2 min trên mỗi trục.
c) Để EUT có thời gian phục hồi lại .
d) Xác nhận EUT vẫn hoạt động chính xác.
e) Xác định sai số số chỉ của EUT tại lưu lượng chuẩn
f) Tính sai số tương đối của số chỉ theo Phụ lục A.
9.3.4.5. Các yêu cầu bổ sung
a) Trường hợp EUT có cảm biến lưu lượng hoặc cảm biến thể tích, EUT không được chứa nước khi đặt nhiễu.
b) Nguồn cung cấp cho EUT phải được tắt trong bước a) và b) của 9.3.4.4.
c) Trong quá trình đặt các rung các điều kiện sau đây phải được đáp ứng:
- Mức hiệu dụng tổng: 7 m.s-2.
- Mức ASD từ 10Hz - 20 Hz: 1 m2.s-3.
- Mức ASD từ 20Hz - 150 Hz: -3 dB /octave.
d) Khi xác định sai số số chỉ của EUT, phải tuân theo các điều kiện lắp đặt và vận hành được mô tả trong Điều 5 và các điều kiện chuẩn phải được áp dụng trừ khi có các quy định khác.
9.3.4.6. Tiêu chí chấp nhận
Sau khi áp dụng điều kiện thử nghiệm:
- Tất cả các chức năng của EUT phải vận hành theo đúng như thiết kế và
- Sai số tương đối của số chỉ của EUT tại điều kiện thử nghiệm, không được vượt quá MPE của "vùng trên".
9.3.5. Va đập cơ học
9.3.5.1. Điều kiện thử nghiệm
Phải áp dụng các điều kiện thực nghiệm như quy định trong Bảng 6.
Bảng 6 - Nhiễu: Va đập cơ học
|
Cấp môi trường |
I |
|
Mức khắc nghiệt: (xem OIML D 11) |
2 |
|
Độ cao rơi (mm) |
50 |
|
Số lần rơi (Trên mỗi cạnh đáy) |
1 |
9.3.5.2. Mục đích phép thử
Mục đích của thử nghiệm là để xác nhận đồng hồ phù hợp với các qui định trong 6.7.5 của TCVN 8779-1:2011(ISO 4064-1:2005), sau khi thực hiện một phép thử va đập cơ học.
9.3.5.3. Chuẩn bị
Bố trí thử nghiệm theo IEC 60068-2-31 và TCVN 7699-2-47 (IEC 60068-2-47).
9.3.5.4. Tóm tắt quy trình thử nghiệm
a) EUT được đặt ở vị trí sử dụng bình thường của chúng trên bề cứng bằng phẳng và nghiêng theo một cạnh của đáy cho đến khi cạnh đối diện của EUT cách bề mặt cứng 50 mm. Tuy nhiên, góc tạo bởi đáy của EUT và bề mặt thử nghiệm phải không được vượt quá 30°.
b) Để EUT rơi tự do lên bề mặt thử nghiệm.
c) Lặp lại các bước a) và b) đối với từng cạnh đáy.
d) Để EUT có thời gian phục hồi lại .
e) Xác nhận EUT vẫn hoạt động chính xác.
g) Xác định sai số số chỉ của EUT tại lưu lượng chuẩn
h) Tính sai số tương đối của số chỉ.
9.3.5.5. Các yêu cầu bổ sung
a) Trường hợp EUT bao gồm cả cảm biến lưu lượng hoặc thể tích, không được chứa nước khi đặt nhiễu.
b) Nguồn cung cấp cho EUT phải được tắt trong bước a) và b) của 9.3.5.4.
c) Khi xác định sai số số chỉ, phải tuân theo các điều kiện lắp đặt và vận hành được mô tả trong Điều 5 và các điều kiện chuẩn phải được áp dụng trừ khi có các quy định khác. Đồng hồ không có ký hiệu "H" hoặc "V", chỉ được thử nghiệm với trục dòng chảy theo hướng nằm ngang. Đồng hồ có hai giá trị nhiệt độ chuẩn, chỉ được thử nghiệm ở nhiệt độ chuẩn thấp nhất.
9.3.5.6. Tiêu chí chấp nhận
Sau khi đặt nhiễu và phục hồi:
- Tất cả các chức năng của EUT phải vận hành theo đúng như thiết kế và
- Sai số số chỉ của EUT tại điều kiện thử nghiệm, không được vượt quá MPE của "vùng trên".
9.4. Môi trường điện từ
9.4.1. Phóng tĩnh điện
9.4.1.1. Điều kiện thử nghiệm
Phải áp dụng các điều kiện thử nghiệm như trong Bảng 7.
Bảng 7 - Nhiễu: Phóng tĩnh điện
|
Cấp môi trường |
E1; E2 |
|
Điện áp thử (chế độ tiếp xúc): |
6 kV |
|
Điện áp thử (chế độ không khí): |
8 kV |
|
Số chu kỳ thử: |
Với mỗi điểm thử, áp dụng ít nhất 10 lần phóng điện trực tiếp, ở các lần phóng cách nhau 1 s, trong cùng quá trình đo hay mô phỏng. Đối với phóng điện gián tiếp, áp dụng 10 lần trên mặt phẳng nằm ngang và 10 lần phóng điện cho mỗi vị trí khác của mặt phẳng đứng |
9.4.1.2. Mục đích phép thử
Mục đích của thử nghiệm là để xác nhận đồng hồ phù hợp với các qui định trong 6.7.5 của TCVN 8779-1:2011(ISO 4064-1:2005), trong qui trình đặt các phóng tĩnh điện trực tiếp và gián tiếp.
9.4.1.3. Chuẩn bị
Bố trí phép thử theo TCVN 8241-4-2 (IEC 61000-4-2).
9.4.1.4. Tóm tắt quy trình thử nghiệm
a) Xác định sai số số chỉ của EUT trước khi áp dụng hiện tượng phóng tĩnh điện.
b) Nạp tụ điện có điện dung là 150 pF bằng một nguồn một chiều phù hợp, sau đó phóng điện từ tụ qua EUT bằng cách nối một đầu cuối với đất và đầu kia nối với điện trở 330 Ω đính vào bề mặt của EUT để an toàn cho người sử dụng. Nếu cần thiết bao gồm cả phương pháp xuyên qua lớp sơn phủ.
c) Xác định sai số số chỉ của EUT trong suốt phép thử phóng điện.
d) Tính toán sai số số chỉ của EUT đối với từng điều kiện thử nghiệm.
e) Tính toán lỗi đáng kể bằng cách trừ lấy sai số số chỉ của đồng hồ sau khi đặt phóng tĩnh điện trừ đi sai số số chỉ của đồng hồ đo trước khi đặt các phóng tĩnh điện
9.4.1.5. Các yêu cầu về quy trình bổ sung
a) Đặt EUT ở lưu lượng chuẩn trong suốt quá trình đo sai số số chỉ.
b) Trong trường hợp một thiết kế cụ thể nào đó của đồng hồ đã được chứng nhận là miễn nhiễm với phóng điện tĩnh điện, trong điều kiện vận hành đối với lưu lượng, cơ quan đo lường sẽ tự chọn một mốc lưu lượng bằng “zêrô” trong quá trình thử nghiệm phóng điện.
c) Khi xác định sai số số chỉ của EUT, phải tuân theo các điều kiện lắp đặt và vận hành được mô tả trong Điều 5 và các điều kiện chuẩn phải được áp dụng trừ khi có các quy định khác.
9.4.1.6. Tiêu chí chấp nhận
Sau khi đặt nhiễu:
- Tất cả các chức năng của EUT phải vận hành theo đúng như thiết kế;
- Sự sai lệch giữa sai số tương đối của số chỉ thu được trong quá trình phóng tĩnh điện và thu được trước khi thử nghiệm, dưới điều kiện chuẩn, không được vượt quá ½ MPE của "vùng trên”
- Tại lưu lượng bằng “zêrô”, đối với tất cả các phép thử nói chung, chỉ thị đồng hồ không quá giá trị độ chia kiểm.
9.4.2. Cảm ứng điện từ
9.4.2.1. Điều kiện thử nghiệm
Phải áp dụng các điều kiện thử nghiệm như trong Bảng 8.
Bảng 8 - Nhiễu: bức xạ điện từ
|
Cấp môi trường: |
E1 |
E2 |
|
Dải tần số: |
26 MHz đến 1 000 MHz |
|
|
Cường độ trường: |
3 V/m |
10 V/m |
|
Điều chế: |
80 % AM, 1 kHz, sóng hình sin |
|
9.4.2.2. Mục đích phép thử
Mục đích của thử nghiệm là để xác nhận đồng hồ phù hợp với các qui định trong 6.7.5 của TCVN 8779-1:2011 (SO 4064-1:2005), trong thời gian tiếp xúc với các trường bức xạ điện từ.
9.4.2.3. Chuẩn bị
Bố trí thử nghiệm như mô tả trong TCVN 8241-4-3 (IEC 61000-4-3) và ENV 50204.
9.4.2.4. Tóm tắt quy trình thử nghiệm
a) Đặt EUT và cáp bên ngoài của chúng có chiều dài ít nhất là 1,2 m phải chịu trường bức xạ RF.
b) Nên sử dụng ăng ten truyền là ăng-ten 2 chiều dải tần từ 26 MHz đến 200 MHz và ăng-ten loga chu kỳ tần số từ 200 MHz đến 1000 MHz.
c) Thử nghiệm này được thực hiện gồm 20 lần quét một phần với ăng-ten thẳng đứng và 20 lần quét một phần với ăng-ten nằm ngang. Tần số bắt đầu và kết thúc cho mỗi lần quét được liệt kê trong Bảng 9.
d) Trong mỗi lần quét, tần số sẽ được tăng dần từng bước 1 % của tần số thực, cho đến khi đạt tần số tiếp theo trong bảng. Thời gian dừng tại mỗi bước 1% phải giống nhau. Thời gian dừng phụ thuộc vào độ phân giải của phép đo RVM nhưng phải bằng nhau đối với tất cả các tần số sóng mang trong lần quét đó
Bảng 9 - Tần số sóng mang bắt đầu và kết thúc
|
MHz |
MHz |
MHz |
|
26 |
150 |
435 |
|
40 |
160 |
500 |
|
60 |
180 |
600 |
|
80 |
200 |
700 |
|
100 |
250 |
800 |
|
120 |
350 |
934 |
|
144 |
400 |
1 000 |
9.4.2.5. Xác định sai số cơ bản
Xác định sai số cơ bản tại điều kiện chuẩn thường được bắt đầu ở tần số đầu, và kết thúc khi đạt tần số tiếp theo trong Bảng 9.
a) Xác định sai số số chỉ cơ bản của EUT ở điều kiện chuẩn trước khi đặt trường điện từ. b) Đặt trường điện từ theo mức khắc nghiệt yêu cầu.
c) Bắt đầu phép tính mới tính sai số của số chỉ của EUT.
d) Điều chỉnh tần số cho đến khi đạt tần số tiếp theo trong Bảng 9. e) Dừng phép tính sai số số chỉ của EUT.
f) Tính toán sai số tương đối của số chỉ của EUT.
g) Tính toán lỗi đáng kể bằng hiệu giữa sai số số chỉ cơ bản từ bước a) và sai số số chỉ cơ bản từ bước f).
h) Thay đổi cực tính của ăng ten.
i) Lặp lại các bước b) đến h).
9.4.2.6. Các yêu cầu bổ sung
a) Đặt EUT ở lưu lượng chuẩn trong suốt quá trình đo sai số chỉ thị.
b) Khi xác định sai số số chỉ của EUT, phải tuân theo các kiện lắp đặt và vận hành được mô tả trong Điều 5 và các điều kiện chuẩn phải được áp dụng trừ khi có các quy định khác.
c) Trong trường hợp thiết kế cụ thể của đồng hồ được chứng tỏ là miễn nhiễm với bức xạ điện từ, trong điều kiện vận hành quy định đối với lưu lượng, cơ quan đo lường sẽ tự chọn một mốc lưu lượng bằng “zêrô” trong quá trình thử nghiệm độ cảm điện từ.
9.4.2.7. Tiêu chí chấp nhận
Khi áp dụng điều kiện thử nghiệm: Sau khi đặt nhiễu:
- Tất cả các chức năng của EUT phải vận hành theo đúng như thiết kế;
- Sự sai lệch giữa sai số tương đối của số chỉ thu được trong quá trình áp dụng của từng dải tần số sóng mang và sai số đo được trước khi thử nghiệm tại cùng một lưu lượng, trong điều kiện chuẩn, không được vượt quá ½ MPE của "vùng trên";
- Tại lưu lượng bằng “zêrô”, đối với tất cả các phép thử nói chung chỉ thị đồng hồ không quá vạch của thang chia độ kiểm định.
9.4.3. Trường từ tĩnh
9.4.3.1. Điều kiện thử nghiệm
Phải áp dụng các điều kiện thử nghiệm như trong Bảng 10.
Bảng 10 - Yếu tố ảnh hưởng: Trường từ tĩnh
|
Loại nam châm |
nam châm vòng |
|
Đường kính ngoài |
70 mm ± 2 mm |
|
Đường kính trong: |
32 mm ± 2 mm |
|
Độ dày: |
15 mm |
|
Vật liệu: |
Sắt từ dị hướng |
|
Phương thức từ hóa: |
trục (1 cực bắc và 1 cực nam) |
|
Độ từ dư: |
385 mT tới 400 mT |
|
Lực kháng từ: |
100 kA /m đến140 kA /m |
|
Cường độ từ trường được đo cách bề mặt ít nhất 1 mm |
90 kA /m đến 100 kA/m |
|
Cường độ của từ trường được đo cách bề mặt 20 mm |
20 kA /m |
9.4.3.2. Mục đích phép thử
Mục đích của thử nghiệm là để xác nhận đồng hồ phù hợp với các qui định trong 6.7.5 của TCVN 8779-1:2011(ISO 4064-1:2005), dưới ảnh hưởng của trường từ tĩnh
9.4.3.3. Chuẩn bị
Các đồng hồ nước phải được hoạt động theo điều kiện vận hành quy định.
9.4.3.4. Tóm tắt quy trình thử nghiệm
a) Đặt nam châm vĩnh cửu tiếp xúc với EUT ở vị trí mà hoạt động của trường từ tĩnh có nhiều khả năng gây ra sai số số chỉ vượt quá MPE và làm thay đổi hoạt động đúng của EUT. Vị trí này được xác định bằng cách thử, sai số và hiểu biết về loại và kết cấu của EUT và/hoặc kinh nghiệm trước đó có thể nghiên cứu các vị trí khác của nam châm.
b) Khi đặt một vị trí thử nghiệm, cố định nam châm ở vị trí đó và đo sai số số chỉ của EUT tại lưu lượng Q3.
c) Khi xác định sai số số chỉ của EUT, phải tuân theo các điều kiện lắp đặt và vận hành được mô tả trong Điều 5 và các điều kiện chuẩn phải được áp dụng trừ khi có các quy định khác. Đồng hồ không có ký hiệu "H" hoặc "V", chỉ thử nghiệm với trục dòng chảy theo hướng nằm ngang. Đồng hồ có hai nhiệt độ chuẩn, chỉ thử nghiệm ở nhiệt độ chuẩn thấp nhất.
d) Vị trí và hướng của nam châm, liên quan đến EUT, phải được đo và ghi lại với từng vị trí thử nghiệm.
9.4.3.5. Tiêu chí chấp nhận
Trong khi áp dụng điều kiện thử nghiệm:
- Tất cả các chức năng của EUT phải vận hành theo đúng như thiết kế và
- Sai số số chỉ của EUT tại điều kiện thử nghiệm không được vượt quá MPE của "vùng trên".
9.5. Nguồn cung cấp
9.5.1. Thay đổi điện áp nguồn xoay chiều
9.5.1.1. Điều kiện thử nghiệm
Phải áp dụng các điều kiện thử nghiệm như trong Bảng 11.
Bảng 11 - Yếu tố ảnh hưởng: Sai lệch tĩnh của điện áp lưới xoay chiều
|
Cấp môi trường |
E1, E2 |
|
Điện áp nguồn lưới: |
giới hạn trên: Unom + 10 % giới hạn dưới: Unom - 15 % |
|
Tần số nguồn lưới: |
giới hạn trên: fnom + 2 % giới hạn dưới: fnom - 2 % |
9.5.1.2. Mục đích phép thử
Mục đích của thử nghiệm là để xác nhận đồng hồ phù hợp với các qui định trong 6.7.5 của TCVN 8779-1:2011 (ISO 4064-1:2005), dưới sai lệch tĩnh của nguồn điện lưới a.c (một pha).
9.5.1.3. Chuẩn bị
Bố trí thử nghiệm phù hợp với TCVN 8241-4-11 (IEC 61000-4-11).
9.5.1.4. Tóm tắt quy trình thử nghiệm
a) Thay đổi điện áp và tiếp đó thay đổi tần số của nguồn điện của EUT, trong khi EUT đang vận hành ở điều kiện chuẩn.
b) Xác định sai số số chỉ của EUT, trong thời gian áp dụng giới hạn trên của điện áp lưới Unom + 10 % và giới hạn trên của tần số nguồn fnom + 2 %.
c) Xác định sai số số chỉ của EUT, trong thời gian áp dụng giới hạn dưới của điện áp nguồn Unom - 10 % và giới hạn dưới của tần số nguồn fnom - 2 %.
d) Tính toán sai số tương đối của số chỉ của EUT đối với từng điều kiện thử nghiệm.
e) Xác nhận EUT vẫn hoạt động chính xác trong suốt từng phép thử thay đổi điện áp nguồn.
9.5.1.5. Các yêu cầu quy trình bổ sung
a) Đặt EUT ở lưu lượng chuẩn trong suốt quá trình đo sai số.
b) Khi xác định sai số số chỉ của EUT phải tuân theo các điều kiện lắp đặt và vận hành được mô tả trong Điều 5 và các điều kiện chuẩn phải được áp dụng trừ khi có các quy định khác.
9.5.1.6. Tiêu chí chấp nhận
Sau khi áp dụng điều kiện thử nghiệm:
- Tất cả các chức năng của EUT phải vận hành theo đúng như thiết kế và
- Sai số số chỉ của đồng hồ không được vượt quá MPE của "vùng trên".
9.5.2. Sụt áp và gián đoạn ngắn nguồn a.c.
9.5.2.1. Điều kiện thử nghiệm
Phải áp dụng các điều kiện thử nghiệm như trong Bảng 12.
Bảng 12 - Nhiễu: Gián đoạn ngắn và giảm điện lưới
|
Cấp môi trường |
E1, E2 |
|
Độ khắc nghiệt |
Gián đoạn 100 % trong 100 ms. Sụt giảm điện áp 50 % trong 200 ms. |
|
Gián đoạn |
Gián đoạn điện áp 100 % trong thời gian bằng nửa chu kỳ |
|
Sụt áp |
Sụt giảm điện áp 50 % trong thời gian bằng một chu kỳ. |
|
Số chu kỳ thử nghiệm |
Ít nhất 10 lần gián đoạn và 10 lần giảm, thời gian dừng giữa các phép thử ít nhất 10 s. Việc gián đoạn được lặp lại trong suốt thời gian cần thiết để xác định sai số số chỉ của EUT và nếu cần có thể thực hiện hơn 10 lần ngắt. |
9.5.2.2. Mục đích phép thử
Mục đích của thử nghiệm là để xác nhận đồng hồ phù hợp với các qui định trong 6.7.5 của TCVN 8779-1:2011 (ISO 4064-1:2005), trong khi áp dụng các gián đoạn và giảm điện lưới trong thời gian ngắn.
9.5.2.3. Chuẩn bị
Bố trí phép thử như quy định trong TCVN 8241-4-11 (IEC 61000-4-11).
9.5.2.4. Tóm tắt quy trình thử nghiệm
a) Xác định sai số số chỉ của EUT trước khi áp dụng phép thử giảm điện áp
b) Xác định sai số số chỉ của EUT trong khi áp dụng ngắt điện áp và giảm điện áp ít nhất 10 lần.
c) Tính toán sai số tương đối của số chỉ đối với từng điều kiện thử nghiệm theo Phụ lục A.
d) Tính hiệu giữa sai số số chỉ của đồng hồ đo sau khi giảm điện cho sai số số chỉ trước khi giảm điện.
9.5.2.5. Yêu cầu quy trình bổ sung
a) Gián đoạn điện áp và giảm điện áp phải được áp dụng trong suốt thời gian quy định để xác định sai số số chỉ của EUT.
b) Gián đoạn điện áp: cho điện áp giảm từ giá trị danh nghĩa của chúng, Unom , đến điện áp bằng “zêrô”, trong khoảng thời gian bằng ½ chu kỳ của tần số lưới.
c) Gián đoạn điện áp phải được thực hiện trong 10 lần.
d) Giảm điện áp: cho điện áp giảm từ điện áp danh định đến 50 % điện áp danh định trong khoảng thời gian bằng một chu kỳ của tần số nguồn.
e) Giảm điện áp phải được thực hiện trong 10 lần.
f) Mỗi lần gián đoạn hoặc giảm điện áp phải được bắt đầu, kết thúc và lặp lại tại điện áp cung cấp bằng “zêrô”.
g) Gián đoạn và giảm nguồn điện phải được lặp lại ít nhất 10 lần với khoảng thời gian giữa mỗi lần gián đoạn và giảm điện áp ít nhất là 10 s. Trình tự này được lặp lại trong suốt thời gian của phép đo sai số số chỉ của EUT.
h) Đặt EUT ở lưu lượng chuẩn trong suốt quá trình đo sai số số chỉ.
i) Khi xác định sai số số chỉ của EUT, phải tuân theo các điều kiện lắp đặt và vận hành được mô tả trong Khoản 5 và các điều kiện chuẩn phải được áp dụng trừ có các quy định khác.
j) Nếu EUT được thiết kế để vận hành ngoài phạm vi của điện áp cung cấp, việc gián đoạn và giảm điện áp phải được bắt đầu từ giá trị điện áp trung bình của dải điện áp.
9.5.2.6. Tiêu chí chấp nhận
Sau khi áp dụng giảm nguồn trong thời gian ngắn:
- Tất cả các chức năng của EUT phải vận hành theo đúng như thiết kế và
- Sự sai lệch giữa sai số tương đối của số chỉ thu được trong quá trình áp dụng giảm nguồn trong thời gian ngắn và thu được trước khi thử nghiệm tại cùng một lưu lượng, trong điều kiện chuẩn, không được vượt quá ½ MPE của "vùng trên".
9.5.3. Tính kháng đột biến
9.5.3.1. Điều kiện thử nghiệm
Phải áp dụng các điều kiện thử nghiệm như quy định trong Bảng 13.
Bảng 13 - Nhiễu: Quá độ đột biến
|
Cấp môi trường |
E1 |
E2 |
|
Cổng cho các đường tín hiệu và bus dữ liệu không liên quan đến điều khiển quá trình: |
- |
1,2 Tr/50 Th µsa pha - đất ± 2 kV pha - pha ±1 kV |
|
Cổng trực tiếp liên quan đến trong quá trình, và trong đo lường quá trình, báo hiệu và điều khiển: |
- |
1,2 Tr/50 Th µs pha - đất ± 2 kV pha - pha ±1 kV |
|
Cổng vào d.c: |
1,2 Tr/50 Th µsb pha - đất ± 0,5 kV pha - đất ± 0,5 kV |
1,2 Tr/50 Th µsb pha - đất ± 0,5 kV pha - pha ± 0,5 kV |
|
Cổng vào a.c: |
1,2 Tr/50 Th µs pha - đất ± 2 kV pha - pha ±1 kV |
1,2 Tr/50 Th µs pha - đất ± 4 kV pha - pha ± 2 kV |
|
a Chỉ áp dụng với các cổng giao tiếp với cáp có tổng chiều dài theo quy định nhà sản xuất có thể vượt quá 10 m. b Không áp dụng cho cổng vào để kết nối với ắc quy hoặc ắc quy có thể nạp lại mà phải tháo ra được ngắt khỏi thiết bị khi nạp. |
||
Thiết bị có cổng nguồn vào d.c sử dụng bộ chuyển đổi nguồn a.c/d.c phải thử với nguồn vào a.c của bộ chuyển đổi nguồn a.c/d.c nhà sản xuất quy định, hoặc nếu không yêu cầu thì dùng loại phổ biến. Phép thử cũng được áp dụng cho cổng nguồn vào d.c để kết nối cố định với các dây cáp dài hơn 10 m.
9.5.3.2. Mục đích phép thử
Mục đích của thử nghiệm là để xác nhận đồng hồ phù hợp với các qui định trong 6.7.5 của TCVN 8779-1:2011 (ISO 4064-1:2005), trong các điều kiện khi các quá độ đột biến xếp chồng lên một số đường dây nối với đồng hồ nếu đường dây này dài hơn 10m
9.5.3.3. Chuẩn bị
Bố trí phép thử như quy định trong TCVN 8241-4-5 (IEC 61000-4-5).
9.5.3.4. Quy trình thử
Xác định sai số số chỉ của EUT tại lưu lượng chuẩn (thực tế hay mô phỏng) trong quá trình đột biến điện áp.
9.5.3.5. Tiêu chí chấp nhận
Sau khi áp dụng quá độ đột biến điện áp:
- Tất cả các chức năng của EUT phải vận hành theo đúng như thiết kế và
- Sự sai lệch giữa sai số tương đối của số chỉ thu được trong quá trình áp dụng quá độ đột biến điện áp tăng điện áp đột ngột và sai số thu được trước khi thử nghiệm không được vượt quá ½ MPE của "vùng trên".
9.5.4. Quá độ điện nhanh/Nổ điện
9.5.4.1. ĐIều kiện thử nghiệm
Phải áp dụng các điều kiện thử nghiệm như quy định trong Bảng 14.
Bảng 14 - Nhiễu: Quá độ/ nổ điện
|
Cấp môi trường |
E1 |
E2 |
|
Cổng cho các đường tín hiệu và bus dữ liệu không liên quan đến điều khiển quá trình: |
± 500 V a |
± 1 000 V |
|
Cổng trực tiếp liên quan đến trong quá trình, và trong đo lường quá trình, báo hiệu và điều khiển: |
± 500 V a |
± 2 000 V |
|
Cổng vào/ra d.c |
± 500 V b |
± 2 000 V |
|
Cổng vào/ra a.c |
± 1 000 V |
± 2 000 V |
|
Cổng nối đất chức năng |
± 500 V a |
± 1 000 V |
|
a Chỉ áp dụng với các cổng giao tiếp với cáp có tổng chiều dài theo quy định nhà sản xuất có thể vượt quá 3 m. b Không áp dụng cho cổng vào để kết nối với ắc quy hoặc ắc quy có thể nạp lại mà phải tháo ra được ngắt khỏi thiết bị khi nạp. |
||
Thiết bị có cổng nguồn vào d.c sử dụng bộ chuyển đổi nguồn a.c/d.c phải thử với nguồn vào a.c của bộ chuyển đổi nguồn a.c/d.c nhà sản xuất quy định, hoặc nếu không yêu cầu thì dùng loại phổ biến. Phép thử cũng được áp dụng cho cổng nguồn vào d.c để kết nối cố định với các dây cáp dài hơn 10 m.
9.5.4.2. Mục đích phép thử
Mục đích của thử nghiệm là để xác nhận đồng hồ phù hợp với các qui định trong 6.7.5 của TCVN 8779-1:2011 (ISO 4064-1:2005), trong điều kiện các nổ điện chồng lên điện áp nguồn.
9.5.4.3. Chuẩn bị
Bố trí phép thử như quy định trong TCVN 61000-4-4 (IEC 61000-4-4).
9.5.4.4. Tóm tắt quy trình thử nghiệm
a) Xác định sai số số chỉ của EUT trước khi đặt nổ điện
b) Xác định sai số số chỉ của EUT trong suốt quá trình áp dụng nổ điện của điện áp quá độ biên độ dạng sóng hình sin.
c) Tính toán sai số tương đối của số chỉ đối với từng điều kiện thử nghiệm.
d) Tính hiệu giữa sai số số chỉ của đồng hồ đo sau nổ điện với sai số số chỉ trước khi đạt nổ điện
9.5.4.5. Yêu cầu quy trình bổ sung
a) Mỗi biên độ đỉnh xung (dương hoặc âm) là 1000 V, pha ngẫu nhiên, với thời gian tăng 5 ns và thời gian nửa biên độ là 50 ns
b) Độ rộng nổ điện là 15 ms, chu kỳ nổ điện (lặp lại) là 300 ms
c) Đặt tất cả các nổ điện ở phương thức đối xứng và không đối xứng trong cùng phép đo sai số số chỉ của EUT.
d) Đặt EUT ở lưu lượng chuẩn trong suốt quá trình đo sai số số chỉ của EUT.
e) Khi xác định sai số số chỉ của EUT, phải tuân theo các điều kiện lắp đặt và vận hành được mô tả trong Điều 5 và các điều kiện chuẩn phải được áp dụng trừ khi có các quy định khác.
9.5.4.6. Tiêu chí chấp nhận
Sau khi áp dụng nổ điện:
- Tất cả các chức năng của EUT phải vận hành theo đúng như thiết kế và
- Sự sai lệch giữa sai số tương đối của số chỉ thu được trong quá trình áp dụng nổ điện và sai số tương đối thu được trước khi thử nghiệm phải không được vượt quá ½ MPE của "vùng trên".
9.5.5. Thay đổi điện áp nguồn d.c
9.5.5.1. Điều kiện thử nghiệm
Phải áp dụng các điều kiện thử nghiệm như quy định trong Bảng 15.
Bảng 15 - Yếu tố ảnh hưởng: Độ lệch tĩnh của điện áp d.c
|
Cấp môi trường |
E1, E2 |
|
Điện áp nguồn d.c bên ngoài: |
giới hạn trên: Unom + 10 % giới hạn dưới: Unom - 15 % |
|
Điện áp ắc quy d.c: |
Umax của pin mới nguyên. Umin được nhà cung cấp đồng hồ nước đưa ra, trong điều kiện chuẩn, mà nếu dưới giá trị này thiết bị đếm sẽ hoạt động |
9.5.5.2. Mục đích phép thử
Mục đích của thử nghiệm là để xác nhận đồng hồ phù hợp với các qui định trong 6.7.5 của TCVN 8779-1:2011 (ISO 4064-1:2005), trong độ lệch tĩnh của điện áp nguồn điện d.c.
9.5.5.3. Chuẩn bị
Bố trí phép thử như quy định trong TCVN 8241-4-11 (IEC 61000-4-11).
9.5.5.4. Tóm tắt quy trình thử nghiệm
a) Đặt EUT vào trạng thái thay đổi điện áp nguồn trong khi EUT đang vận hành dưới điều kiện chuẩn.
b) Xác định sai số số chỉ của EUT trong khi áp dụng Umax hoặc giới hạn điện áp trên Unom + 10 %.
c) Xác định sai số số chỉ của EUT trong khi áp dụng Umin hoặc giới hạn điện áp trên Unom - 15 %.
d) Tính toán sai số tương đối của số chỉ tại từng điều kiện thử nghiệm.
e) Xác nhận EUT vẫn vận hành đúng trong thời gian áp dụng từng trạng thái thay đổi điện áp nguồn.
9.5.5.5. Yêu cầu quy trình bổ sung
Trong khi xác định sai số số chỉ, EUT phải được đặt tại lưu lượng chuẩn.
9.5.5.6. Tiêu chí chấp nhận
Trong khi áp dụng điều kiện thử nghiệm:
- Tất cả các chức năng của EUT phải vận hành theo đúng như thiết kế và
- Sai số số chỉ của EUT tại điều kiện thử nghiệm, không được vượt quá MPE của "vùng trên".
9.5.6. Ngắt nguồn ắc quy
CHÚ THÍCH Phép thử này chỉ áp dụng đối với đồng hồ sử dụng một nguồn ắc quy thay thế.
9.5.6.1. Mục đích phép thử
Mục đích của thử nghiệm là để xác nhận đồng hồ phù hợp với các qui định trong 6.7.4.4 của TCVN 8779-1:2011 (ISO 4064-1:2005), trong quá trình thay thế ắc quy cung cấp.
9.5.6.2. Quy trình thử nghiệm
a) Đảm bảo đồng hồ đang hoạt động.
b) Tháo ắc quy trong thời gian 1 h và sau đó thay thế.
c) Xét lại các chức năng của đồng hồ.
9.5.6.3. Tiêu chí chấp nhận
Sau khi áp dụng điều kiện thử nghiệm:
- Tất cả các chức năng của EUT phải vận hành theo đúng như thiết kế và
- Phải giữ không thay đổi các giá trị của bộ đếm tổng hoặc giá trị đã lưu.
10. Chương trình thử nghiệm phê duyệt mẫu
10.1. Qui định chung
CHÚ THÍCH Chương trình thử nghiệm áp dụng cho các đồng hồ nước hoàn chỉnh hoặc các bộ phận có thể tách rời của chúng được giao nộp để phê duyệt riêng rẽ
Đối với từng mẫu đồng hồ, số lượng đồng hồ hoàn chỉnh, hoặc bộ phận có thể tách rời của chúng, cần thử nghiệm kiểm tra mẫu phải như nêu trong Bảng 16.
Bảng 16 - Số lượng tối thiểu đồng hồ nước cần kiểm tra
|
Thiết kế đồng hồ Q3 (m3/h) |
Số lượng tối thiểu đồng hồ cần kiểm tra a |
|
Q3 ≤ 160 |
3 |
|
160 <>3 ≤ 1 600 |
2 |
|
1 600 <>3 |
1 |
|
a Cơ quan phê duyệt có thể yêu cầu giao nộp nhiều đồng hồ hơn |
|
10.2. Các phép thử tính năng có thể áp dụng cho tất cả các đồng hồ nước
Tất cả các đồng hồ nước đều phải chịu một chương trình thử nghiệm phê duyệt mẫu nêu trong Bảng 17.
Bảng 17 - Chương trình thử nghiệm: Tất cả đồng hồ nước
|
Phép thử |
Điều |
|
1. Áp suất tĩnh |
6 |
|
2. Sai số số chỉ |
5.8 |
|
3. Nhiệt độ nước |
5.9 |
|
4. Áp suất nước |
5.10 |
|
5. Dòng ngược |
5.11 |
|
6. Tổn hao áp suất |
7 |
|
7. Tính không đều của trường vận tốc |
5.12 |
|
8. Độ bền dòng gián đoạn a b |
8.2 |
|
9. Độ bền dòng liên tục tại Q3b |
8.1 |
|
a Chỉ áp dụng đối với đồng hồ có Q3 ≤ 16 m3/h, và các đồng hồ kết hợp. b Sai số số chỉ được đo lại sau phép thử này |
|
10.3. Đồng hồ nước kiểu điện tử, đồng hồ nước kiểu cơ có lắp các cơ cấu điện tử và các bộ phận có thể tháo rời
Ngoài các phép thử được nêu trong Bảng 17, các đồng hồ nước kiểu điện tử, đồng hồ nước kiểu cơ có lắp các cơ cấu điện tử còn phải thực hiện các phép thử tính năng nêu trong Bảng 18.
Các phép thử có thể thực hiện theo trình tự bất kì.
Tất cả các phép thử phải được thực hiện trên một mẫu đồng hồ nước, bộ chuyển đổi đo lường (bao gồm cả cảm biến lưu lượng hoặc cảm biến thể tích) hoặc bộ đếm (bao gồm cả cơ cấu chỉ thị) hoặc bộ phận rời được đem đi phê duyệt mẫu.
10.4. Phê duyệt mẫu cho các bộ phận có thể tháo rời của đồng hồ nước
Bộ chuyển đổi đo lường (bao gồm cả cảm biến lưu lượng hoặc cảm biến thể tích) hoặc bộ đếm (bao gồm cả cơ cấu chỉ thị) được giao nộp để phê duyệt mẫu phải đáp ứng các MPE do nhà sản xuất công bố (xem 9.2.1).
Bảng 18 - Phép thử tính năng: áp dụng đại lượng ảnh hưởng và nhiễu
|
Điều |
Phép thử |
Bản chất của đại lượng ảnh hưởng |
Mức khắc nghiệt đối với từng cấp (xem OIML D 11) |
||
|
B |
C |
I |
|||
|
9.3.1 |
Nóng khô (không ngưng tụ) |
Yếu tố ảnh hưởng |
3 |
3 |
3 |
|
9.3.2 |
Lạnh |
Yếu tố ảnh hưởng |
1 |
3 |
3 |
|
9.3.3 |
Nóng ẩm, chu kỳ |
Yếu tố ảnh hưởng |
1 |
2 |
2 |
|
9.3.4 |
Rung (ngẫu nhiên) |
Nhiễu |
- |
- |
2 |
|
9.3.5 |
Va đập cơ học |
Nhiễu |
- |
- |
2 |
|
9.4.1 |
Phóng điện tĩnh điện |
Nhiễu |
1 |
1 |
1 |
|
9.4.2 |
Cảm ứng điện từ |
Nhiễu |
2, 5, 7 |
2, 5, 7 |
2, 5, 7 |
|
9.4.3 |
Trường từ tĩnh |
Yếu tố ảnh hưởng |
- |
- |
- |
|
9.5.1, 9.5.5, 9.5.6 |
Thay đổi nguồn điện áp (a.c./d.c.) |
Yếu tố ảnh hưởng |
1 |
1 |
1 |
|
9.5.2 |
Giảm nguồn trong thời gian ngắn |
Nhiễu |
1a và1b |
1a và 1b |
1a và1b |
|
9.5.3 |
Tính kháng đột biến |
Nhiễu |
2 |
2 |
2 |
|
9.5.4 |
Nổ điện |
Nhiễu |
2 |
2 |
2 |
11. Phép thử cho kiểm định ban đầu
11.1. Qui định chung
Chỉ có các đồng hồ nước đã được phê duyệt như một đồng hồ hoàn chỉnh hoặc như các bộ phận có thể tháo rời và tương thích, được phê duyệt riêng rẽ, lắp ráp lại hoàn chỉnh và sau đó được lắp ráp lại thành đồng hồ hoàn chỉnh mới thích hợp cho kiểm tra ban đầu, trừ trường hợp cơ quan đo lường cho phép các bộ phận có thể tách rời được phê duyệt riêng rẽ này cần được thay trong vận hành. Trong những trường hợp này phải chứng minh là trong quá trình kiểm tra mẫu việc thay thế này không làm cho các MPE kết hợp vượt quá MPE tương ứng đối với đồng hồ nước hoàn chỉnh.
Các đồng hồ nước có cùng kích thước và kiểu có thể được thử mắc nối tiếp nhau; tuy nhiên, khi đó, áp suất nước tại phía đầu ra của đồng hồ cuối cùng trong dãy phải lớn hơn 30 kPa (0,3 bar). Giữa các đồng hồ nước không được có tương tác đáng kể.
11.2. Phép thử áp suất tĩnh
Phép thử áp suất phải được thực hiện ở 1,6 x MAP trong 1 min. Trong quá trình thử, không được có rò rỉ.
11.3. Sai số số chỉ của phép đo
Trong phép đo thể tích thực, sai số số chỉ của đồng hồ nước phải được xác định tại ít nhất ba lưu lượng sau đây:
- Giữa Q1 và 1,1 Q1;
- Giữa Q2 và 1,1 Q2;
- Giữa 0,9 Q3 và Q3.
Các lưu lượng bổ sung có thể được qui định trong giấy chứng nhận phê duyệt mẫu.
Các sai số được xác định tại từng lưu lượng nêu trên không được vượt quá các MPE nêu trong 5.2.3, 5.2.4 và 5.2.5 của TCVN 8779-1(ISO 4064-1).
11.4. Nhiệt độ nước khi thử
Với đồng hồ T 30 và T 50, phải sử dụng nhiệt độ từ 0,1 °C đến 30 °C.
Với các cấp khác của đồng hồ thì (các) giá trị nhiệt độ chuẩn ± 10 °C (xem TCVN 8779-1:2011 (ISO 4064-1:2005), Bảng 5.
Phải thực hiện bất cứ yêu cầu đặc biệt nào của phép kiểm định ban đầu, được nêu trong giấy chứng nhận phê duyệt mẫu.
12. Báo cáo thử nghiệm
12.1. Qui định chung
12.1.1. Nguyên tắc
Phải báo cáo các công việc thực hiện một cách chính xác, rõ ràng, rành mạch thể hiện các kết quả thử nghiệm và các thông tin liên quan. Với các phép thử phê duyệt mẫu, phải lưu giữ hồ sơ thử nghiệm trong khoảng thời gian mà phê duyệt mẫu còn hiệu lực.
CHÚ THÍCH Qui định kĩ thuật của quốc gia có thể yêu cầu các kết quả và điều kiện liên quan đối với phép thử phê duyệt mẫu trên đồng hồ nước được lưu giữ trong một thời gian nhất định.
Báo cáo phép thử phê duyệt mẫu cho một loại đồng hồ và biên bản liên quan đến các phép thử kiểm tra ban đầu bao gồm:
a) Nhận biết chính xác phòng thí nghiệm tiến hành thử và đồng hồ thử;
b) Chi tiết chính xác của các điều kiện thực hiện các phép thử, bao gồm cả các điều kiện thử nghiệm nhà sản xuất quy định;
c) Kết quả và kết luận của phép thử.
12.1.2. Dữ liệu nhận dạng trong tất cả các báo cáo và biên bản thử nghiệm
Báo cáo thử nghiệm phê duyệt mẫu của một mẫu cụ thể và biên bản liên quan đến phép kiểm tra ban đầu phải bao gồm:
a) Nhận biết của phòng thử nghiệm thực hiện:
b) Tên và địa chỉ của phòng thí nghiệm;
c) Nhận biết của đồng hồ thử;
d) Tên và địa chỉ của nhà sản xuất hoặc nhãn thương mại sử dụng;
e) Lưu lượng danh định thiết kế Q3 và tỷ lệ Q3/ Q1 và Q2/ Q1;
f) Năm sản xuất và số serial của đồng hồ thử;
g) Mẫu cụ thể (chỉ trong trường hợp phép thử phê duyệt mẫu cho một loại mẫu nào đó).
12.2. Báo cáo thử nghiệm phê duyệt mẫu - Nội dung yêu cầu
12.2.1. Qui định chung
Báo cáo thử nghiệm phê duyệt mẫu phải có các thông tin quy định trong Bảng 19, 20 và 21.
Bảng 19 - Qui trình thử nghiệm và kết quả - Thông tin cần nêu trong báo cáo thử nghiệm phê duyệt mẫu
|
Kiểu thử nghiệm |
Điều |
Thông tin cần nêu |
|
Tất cả các phép thử Phép xác định sai số thử nghiệm (bao gồm các phương tiện kiểm tra dụng cụ điện tử) |
5 |
Ngày thử và người thử của từng lưu lượng thử: - Lưu lượng; - Áp suất nước; - Nhiệt độ nước; - Tính năng của thiết bị chuẩn đã hiệu chuẩn; - Số đọc của số chỉ và thiết bị chuẩn đã hiệu chuẩn. |
|
Phép thử áp suất |
6 |
Giá trị của từng áp suất thử nghiệm và thời gian duy trì áp suất đó |
|
Phép thử tổn hao áp suất |
7 |
Đối với từng lưu lượng: - Nhiệt độ nước lớn nhất; - Lưu lượng; - Áp suất phía đầu vào đồng hồ; - Tổn hao áp suất. |
|
Phép thử mài mòn gia tốc |
8 |
Giá trị của sai số số chỉ và đường cong sai số lấy trước và sau mỗi phép thử gia tốc hao mòn. Đối với mỗi đồng hồ, lập đường cong sai số lấy trước và sau mỗi phép thử gia tốc hao mòn phải được biểu diễn trên cùng một đồ thị tương ứng với sai số số chỉ, trong MPE. Vạch chia độ ít nhất là 10 mm/ %. Thang chia của trục hoành phải theo logarit. |
|
Phép thử liên tục |
8.1 |
Thời gian thử được thực hiện liên tục ít nhất 24h hàng ngày, hoặc mỗi lần đối với một đơn vị thời gian ngắn hơn nếu thử nghiệm được chia nhỏ ra như vậy: - Áp suất phía đầu vào của đồng hồ đầu tiên; - Nhiệt độ; - Lưu lượng; - Số chỉ của đồng hồ lúc bắt đầu và kết thúc thử nghiệm. |
|
Phép thử gián đoạn |
8.2 |
Thời gian thử được thực hiện liên tục ít nhất 24h hàng ngày, hoặc mỗi lần đối với một đơn vị thời gian ngắn hơn: - Nhiệt độ; - Lưu lượng; - Thời gian bốn giai đoạn của chu kỳ phép thử gián đoạn; - Số chu kỳ; - Số đọc của đồng hồ lúc bắt đầu và kết thúc thử nghiệm. |
Bảng 20 - Khảo sát - Thông tin cần nêu trong báo cáo thử nghiệm phê duyệt mẫu
|
Kiểm tra tính năng |
Điều của TCVN 8779-1(ISO 4064-1) |
Thông tin cần nêu |
|
Vật liệu và cấu trúc |
6.1 |
Mức độ phù hợp với TCVN 8779-1(ISO 4064-1) |
|
Kiểm tra xác minh dấu kiểm định và thiết bị bảo vệ |
6.4 |
Mức độ phù hợp với TCVN 8779-1(ISO 4064-1) |
|
Thiết kế cơ cấu chỉ thị |
6.6 |
Mức độ phù hợp với TCVN 8779-1(ISO 4064-1) |
|
Thiết kế của các cơ cấu kiểm định |
6.6.3 |
Mức độ phù hợp với TCVN 8779-1(ISO 4064-1) |
|
Dấu (nhãn) và mác |
6.8 |
Mức độ phù hợp với TCVN 8779-1(ISO 4064-1) |
Bảng 21 - Phép thử đối với đồng hồ điện tử hoặc đồng hồ có các cơ cấu điện tử - Thông tin cần nêu trong báo cáo thử nghiệm phê duyệt mẫu
|
Thử nghiệm |
Điều |
Thông tin cần nêu |
|
Nóng khô (không ngưng tụ) |
9.3.1 |
Sai số số chỉ ở nhiệt độ cao |
|
Lạnh |
9.3.2 |
Sai số số chỉ ở nhiệt độ thấp |
|
Nóng ẩm, chu kỳ |
9.3.3 |
Sai số số chỉ sau khi phục hồi từ phép thử chu kỳ nóng, ẩm. |
|
Rung (ngẫu nhiên) |
9.3.4 |
Sai số số chỉ sau khi phục hồi từ phép thử rung |
|
Va đập cơ học |
9.3.5 |
Sai số số chỉ sau khi phục hồi từ phép va đập cơ học |
|
Phóng điện tĩnh điện |
9.4.1 |
Sai số số chỉ trong quá trình phóng điện tĩnh điện trực tiếp hoặc gián tiếp |
|
Cảm ứng điện từ |
9.4.2 |
Sai số số chỉ trong quá trình phơi nhiễm với trường điện từ |
|
Trường từ tĩnh |
9.4.3 |
Sai số số chỉ trong quá trình phơi nhiễm với trường từ tĩnh |
|
Thay đổi nguồn điện áp (a.c./d.c.) |
9.5.1, 9.5.5, 9.5.6 |
Sai số số chỉ trong quá trình thay đổi điện áp nguồn |
|
Sai số số chỉ trong quá trình thay đổi điện áp nguồn |
9.5.2 |
Sai số số chỉ trong quá trình gián đoạn và giảm công suất trong thời gian ngắn |
|
Tính kháng đột biến |
9.5.3 |
Sai số số chỉ trong quá trình áp dụng điện áp quá độ đột biến |
|
Nổ điện |
9.5.4 |
Sai số số chỉ trong quá trình thay đổi tăng giảm điện áp |
12.2.2. Yêu cầu quản lý
Báo cáo thử nghiệm phê duyệt mẫu cũng phải nêu:
a) Xác nhận các báo cáo thử nghiệm chỉ có hiệu lực với các mẫu thử;
b) Chữ ký của người phụ trách kỹ thuật để xác nhận trách nhiệm trên báo cáo thử nghiệm;
c) Ngày ban hành báo cáo thử nghiệm.
12.2.3. Bổ sung báo cáo thử nghiệm
Các nội dung bổ sung cho báo cáo thử nghiệm sau khi ban hành phải được thực hiện ở dạng các tài liệu bổ sung và được ghi như sau:
"Bổ sung cho báo cáo thử nghiệm - Số seri ..."
Văn bản này phải đáp ứng các yêu cầu liên quan của các điều trước đó.
12.2.4. Công bố báo cáo thử nghiệm
Các báo cáo thử nghiệm khi công bố phải được sao chép toàn bộ.
Phụ lục A
(Quy định)
Tính sai số tương đối của số chỉ của đồng hồ nước
A.1. Yêu cầu chung
Phụ lục này trình bày các tính toán cho sai số số chỉ trong phép thử phê duyệt mẫu hay kiểm định dùng cho:
- Đồng hồ nước hoàn chỉnh;
- Bộ đếm rời;
- Bộ chuyển đổi đo lường rời;
- Đồng hồ nước kết hợp.
A.2. Xác định sai số số chỉ
A.2.1. Quy định chung
Khi đem phê duyệt mẫu riêng bộ chuyển đổi đo lường (bao gồm cả cảm biến lưu lượng hoặc thể tích) hoặc bộ đếm (bao gồm cơ cấu chỉ thị), sẽ chỉ đo sai số số chỉ của những bộ phận rời này của đồng hồ.
Đối với bộ chuyển đổi đo lường (bao gồm cả cảm biến lưu lượng hoặc thể tích), đo tín hiệu đầu ra (xung, dòng, điện áp hoặc mã hóa) bằng dụng cụ thích hợp.
Đối với các bộ đếm (bao gồm cơ cấu chỉ thị), các đặc tính kỹ thuật của tín hiệu đầu vào mô phỏng (xung, dòng, điện áp hoặc mã hóa) được tái tạo từ tín hiệu của bộ chuyển đổi đo lường (bao gồm cả cảm biến lưu lượng hoặc thể tích).
Sai số số chỉ của thiết bị trong thử nghiệm được tính bằng giá trị thực của thể tích thực thêm vào trong quá trình thử với thể tích tương đương của tín hiệu đầu vào giả lập của bộ đếm (bao gồm cơ cấu chỉ thị), hoặc của tín hiệu đầu ra tương tự của bộ chuyển đổi đo lường (bao gồm cả cảm biến lưu lượng hoặc thể tích) xác định trong cùng thời gian thử.
Bộ chuyển đổi đo lường (bao gồm cả cảm biến lưu lượng hoặc thể tích) và bộ đếm (bao gồm cơ cấu chỉ thị) đem đi phê duyệt mẫu riêng phải được thử cùng nhau trong đồng hồ kết hợp trong phép kiểm định ban đầu và tiếp theo (xem Điều 11) trừ phi được cơ quan đo lường miễn. Do đó tính sai số số chỉ cũng giống như cho đồng hồ nước hoàn chỉnh.
Sử dụng các công thức đưa ra trong A.2.2 đến A.2.5 để tính toán.
A.2.2. Đồng hồ nước hoàn chỉnh

Trong đó
Em (i) (i = 1, 2, ... n) là sai số tương đối số chỉ của đồng hồ hoàn chỉnh tại lưu lượng (i = 1, 2, ... n).
Em có thể là trung bình của hai hay nhiều phép đo lặp lại tại cùng một lưu lượng danh định, tính bằng phần trăm.
Va là thể tích thực (hoặc mô phỏng) chảy qua, trong thời gian thử nghiệm, Dt, tính bằng mét khối;
Vi là thể tích thêm vào (hoặc bớt đi) trên cơ cấu chỉ thị, trong thời gian thử nghiệm Dt, tính bằng mét khối.
A.2.3. Đồng hồ nước kết hợp
Việc tính sai số số chỉ của đồng hồ nước kết hợp cũng giống như của đồng hồ nước hoàn chỉnh (A.2.2).
A.2.4. Bộ đếm (bao gồm cơ cấu chỉ thị)
A.2.4.1. Công thức tính sai số tương đối số chỉ của bộ đếm (bao gồm cơ cấu chỉ thị) thử nghiệm với một tín hiệu xung đầu vào giả lập

Trong đó
Ec (i) (i = 1, 2, ... n) là sai số tương đối số chỉ của bộ đếm (bao gồm cơ cấu chỉ thị) tại lưu lượng (i = 1, 2, ... n).
Ec có thể là trung bình của hai hay nhiều phép đo lặp lại tại cùng một lưu lượng danh định, tính theo phần trăm.
Va = (Cp x Tp) là lượng thể tích nước tương đương với tổng số xung cơ cấu chỉ thị đếm được trong thời gian thử nghiệm, Dt, tính bằng mét khối;
Cp là hằng số tương đương thể tích danh định trên mỗi xung, tính bằng mét khối trên xung;
Tp là tổng xung đếm được trong thời gian thử nghiệm, Dt;
Vi là thể tích cơ cấu chỉ thị ghi lại, thêm vào trong thời gian thử nghiệm, Dt, tính bằng mét khối.
A.2.4.2. Công thức tính sai số tương đối số chỉ của bộ đếm (bao gồm cơ cấu chỉ thị) thử nghiệm với một tín hiệu dòng đầu vào giả lập

Trong đó
Ec (i) (i = 1, 2, ... n) là sai số tương đối số chỉ của bộ đếm (bao gồm cơ cấu chỉ thị) tại lưu lượng (i = 1, 2, ... n).
Ec có thể là trung bình của hai hay nhiều phép đo lặp lại tại cùng một lưu lượng danh định, tính bằng phần trăm.
Va = (Ci x it x Dt) là thể tích nước tương đương với dòng trung bình cơ cấu chỉ thị đo được trong thời gian thử nghiệm, Dt, tính bằng mét khối;
Ci là hằng số lưu lượng trên mức dòng, đơn vị mét khối trên milliampe giờ;
Dt là thời gian thử nghiệm, tính bằng giờ;
it là dòng trung bình cơ cấu chỉ thị đo được trong thời gian thử nghiệm, Dt, tính bằng miliampe;
Vi là thể tích cơ cấu chỉ thị ghi lại, thêm vào trong thời gian thử nghiệm, Dt, tính bằng mét khối.
A.2.4.3. Công thức tính sai số tương đối số chỉ của bộ đếm (bao gồm cơ cấu chỉ thị) thử nghiệm với một tín hiệu điện áp đầu vào giả lập

Trong đó
Ec (i) (i = 1, 2, ... n) là sai số tương đối số chỉ của bộ đếm (bao gồm cơ cấu chỉ thị) tại lưu lượng (i = 1, 2, ... n).
Ec có thể là trung bình của hai hay nhiều phép đo lặp lại tại cùng một lưu lượng danh định, tính bằng phần trăm.
Va = (Ci x Uc x Dt) là thể tích nước tương đương với điện áp trung bình cơ cấu chỉ thị đo được trong thời gian thử nghiệm, Dt, tính bằng mét khối;
Ci là hằng số lưu lượng trên mức điện áp, đơn vị mét khối trên Vôn giờ;
Uc là điện áp trung bình cơ cấu chỉ thị đo được trong thời gian thử nghiệm, Dt, đơn vị Vôn;
Dt là thời gian thử nghiệm, đơn vị giờ;
Vi là thể tích cơ cấu chỉ thị ghi lại, thêm vào trong thời gian thử nghiệm, Dt, tính bằng mét khối.
A.2.4.4. Công thức tính sai số tương đối số chỉ của bộ đếm (bao gồm cơ cấu chỉ thị) thử nghiệm với một tín hiệu mã hóa đầu vào giả lập

Trong đó
Ec (i) (i = 1, 2, ... n) là sai số tương đối số chỉ của bộ đếm (bao gồm cơ cấu chỉ thị) tại một lưu lượng (i = 1, 2, ... n).
Ec có thể là trung bình của hai hay nhiều phép đo lặp lại tại cùng một lưu lượng danh định, tính bằng phần trăm.
Va là thể tích nước tương đương với giá trị số của tín hiệu mã hóa mà cơ cấu chỉ thị đo được thêm vào trong thời gian thử nghiệm, Dt, tính bằng mét khối;
A.2.5. Bộ chuyển đổi đo lường (bao gồm cả cảm biến lưu lượng hoặc thể tích)
A.2.5.1. Công thức tính sai số tương đối số chỉ của bộ chuyển đổi đo lường (bao gồm cả cảm biến lưu lượng hoặc thể tích) thử nghiệm với một tín hiệu xung đầu ra giả lập

Trong đó
Et (i) (i = 1, 2, ... n) là sai số tương đối số chỉ của bộ chuyển đổi đo lường (bao gồm cả cảm biến lưu lượng hoặc thể tích) tại một lưu lượng (i = 1, 2, ... n).
Et có thể là trung bình của hai hay nhiều phép đo lặp lại tại cùng một lưu lượng danh định, tính bằng phần trăm.
Vi = (Cp x Tp) là thể tích nước tương đương với tổng số xung bộ chuyển đổi đo lường đếm được trong thời gian thử nghiệm, Dt, tính bằng mét khối;
Cp là hằng số tương đương thể tích danh định trên một xung, tính bằng mét khối trên xung;
Tp là tổng xung đếm được trong thời gian thử nghiệm, Dt;
Va là thể tích thực bộ thu được trong thời gian thử nghiệm, Dt, tính bằng mét khối.
A.2.5.2. Công thức tính sai số tương đối số chỉ bộ chuyển đổi đo lường (bao gồm cả cảm biến lưu lượng hoặc thể tích) thử nghiệm với một tín hiệu dòng đầu ra

Trong đó
Et (i) (i = 1, 2, ... n) là sai số tương đối số chỉ của bộ chuyển đổi đo lường (bao gồm cả cảm biến lưu lượng hoặc thể tích) tại lưu lượng (i = 1, 2, ... n).
Et có thể là trung bình của hai hay nhiều phép đo lặp lại tại cùng một lưu lượng danh định, tính bằng phần trăm.
Vi = (Ci x it x Dt) là thể tích nước tương đương với tín hiệu trung bình dòng phát ra từ bộ chuyển đổi đo (bao gồm cả cảm biến lưu lượng và cảm biến thể tích) và thời gian thử nghiệm, Dt, tính bằng mét khối;
Ci là hằng số lưu lượng trên mức dòng, đơn vị mét khối trên milliampe giờ;
Dt là thời gian thử nghiệm, tính bằng giờ;
it là dòng trung bình cơ cấu chỉ thị đo được trong thời gian thử nghiệm, Dt, tính bằng miliampe;
Va là thể tích thu được trong thời gian thử nghiệm, Dt, tính bằng mét khối.
A.2.5.3. Công thức tính sai số tương đối số chỉ của bộ chuyển đổi đo lường (bao gồm cả cảm biến lưu lượng hoặc thể tích) thử nghiệm với một tín hiệu điện áp đầu ra

Trong đó
Et (i) (i = 1, 2, ... n) là sai số tương đối số chỉ của bộ chuyển đổi đo lường (bao gồm cả cảm biến lưu lượng hoặc thể tích) tại một lưu lượng (i = 1, 2, ... n).
Et có thể là trung bình của hai hay nhiều phép đo lặp lại tại cùng một lưu lượng danh định, tính bằng phần trăm.
Vi = (Cv x Ut x Dt) là thể tích nước tương đương với điện áp tín hiệu trung bình phát ra từ bộ chuyển đổi đo và thời gian thử nghiệm, Dt, tính bằng mét khối;
Cv là hằng số lưu lượng liên quan đến điện áp tín hiệu phát ra, đơn vị mét khối trên vôn giờ;
Ut là điện áp tín hiệu trung bình phát ra trong thời gian thử, Dt, tính bằng vôn;
Dt là thời gian thử nghiệm, tính theo giờ;
Va là thể tích thực của nước thu được trong thời gian thử nghiệm, Dt, tính bằng mét khối.
A.2.5.4. Công thức tính sai số tương đối số chỉ của bộ chuyển đổi đo lường (bao gồm cả cảm biến lưu lượng hoặc thể tích) thử nghiệm với một tín hiệu mã hóa đầu ra giả lập

Trong đó
Et (i) (i = 1, 2, ... n) là sai số tương đối số chỉ của bộ chuyển đổi đo lường (bao gồm cả cảm biến lưu lượng hoặc thể tích) tại một lưu lượng (i = 1, 2, ... n).
Et có thể là trung bình của hai hay nhiều phép đo lặp lại tại cùng một lưu lượng danh định, tính bằng phần trăm.
Vi là thể tích nước tương đương với giá trị số của tín hiệu mã hóa phát ra từ bộ chuyển đổi đo trong thời gian thử nghiệm, Dt, tính bằng mét khối;
Va là thể tích thu được của nước trong thời gian thử nghiệm, Dt, tính bằng mét khối.
Phụ lục B
(Quy định)
Thiết bị thử nghiệm tạo dòng chảy rối
B.1. Yêu cầu chung
Các kiểu dòng chảy rối sử dụng trong các phép thử nêu trong điều 5.5 được mô tả trong các hình vẽ dưới đây.
Tất cả các kích thước trong bản vẽ có đơn vị là milimet, trừ khi có quy định khác.
Kích thước gia công phải có dung sai ± 0,25 mm, trừ khi có quy định khác.
![]()
![]()
B.2. Thiết bị tạo rối
kiểu ren
![]()
![]()
![]()
Hình B.1 biểu diễn bố
trí các bộ phận tạo xoáy của thiết bị tạo rối kiểu ren

|
Số |
Mô tả (Diễn giải) |
Số lượng |
Vật liệu |
|
1 |
Vỏ bọc |
1 |
Thép không rỉ |
|
2 |
Thân |
1 |
Thép không rỉ |
|
3 |
Bộ phận tạo xoáy |
1 |
Thép không rỉ |
|
4 |
Dòng chảy |
- |
- |
|
5 |
Miếng đệm |
2 |
Sợi |
|
6 |
Vít lục giác chìm |
4 |
Thép không rỉ |
(Kiểu 1 Máy tạo sóng bên trái;
Kiểu 2 Máy tạo sóng bên phải)
Hình B.1 - Thiết bị tạo rối kiểu ren - Bố trí các bộ phận tạo xoáy
![]()
![]()
Hình B.2 biểu diễn bố
trí các bộ phận biến dạng biên dạng vận tốc của thiết bị tạo rối kiểu ren

|
Số |
Mô tả (Diễn giải) |
Số lượng |
Vật liệu |
|
1 |
Vỏ bọc |
1 |
Thép không rỉ |
|
2 |
Thân |
1 |
Thép không rỉ |
|
3 |
Dòng chảy |
- |
- |
|
4 |
Bộ phận tạo rối dòng |
1 |
Thếp không rỉ |
|
5 |
Miếng đệm |
2 |
Sợi |
|
6 |
Vít lục giác chìm |
4 |
Thép không rỉ |
(Kiểu 3 Máy tạo rối biên dạng vận tốc dòng)
Hình B.2 - Thiết bị tạo rối kiểu ren - Bố trí các bộ phận tạo rối biên dạng vận tốc dòng
Hình B.3 minh họa vỏ
của thiết bị tạo rối kiểu ren, với kích thước được quy định trong Bảng B.1

CHÚ DẪN
1 4 lỗ Æ J, bậc Æ K x L
CHÚ THÍCH Nhám bề mặt 3,2 µm
Hình B.3- Vỏ máy tạo rối dòng với kích thước nêu trong Bảng B.1
Bảng B.1 - Kích thước của vỏ máy tạo rối dòng
|
Thiết bị tạo rối dòng kiểu ren - Chi tiết 1: Vỏ |
|||||||||||||
|
DN |
A |
B (e9a) |
C |
D |
E b |
F |
G |
H |
J |
K |
L |
M |
N |
|
15 |
52 |
29,960 29,908 |
23 |
15 |
G 3/4” B |
10 |
12,5 |
5,5 |
4,5 |
7,5 |
4 |
40 |
23 |
|
20 |
58 |
35,950 35,888 |
29 |
20 |
G 1” B |
10 |
12,5 |
5,5 |
4,5 |
7,5 |
4 |
46 |
23 |
|
25 |
63 |
41,950 41,888 |
36 |
25 |
G 1 ¼“ B |
12 |
14,5 |
6,5 |
5,5 |
9,0 |
5 |
52 |
26 |
|
32 |
76 |
51,940 51,866 |
44 |
32 |
G 1 ½” B |
12 |
16,5 |
6,5 |
5,5 |
9,0 |
5 |
64 |
28 |
|
40 |
82 |
59,940 59,866 |
50 |
40 |
G 2” B |
13 |
18,5 |
6,5 |
5,5 |
9,0 |
5 |
70 |
30 |
|
50 |
102 |
69,940 69,866 |
62 |
50 |
G 2 ½” B |
13 |
20,0 |
8,0 |
6,5 |
10,5 |
6 |
84 |
33 |
|
a Xem ISO 286-2. b Xem ISO 228-1. |
|||||||||||||
![]()
![]()
![]()
![]()
![]()
![]()
![]()
![]()
![]()
![]()
![]()
![]()
![]()
![]()
![]()
![]()
![]()
Hình B.4 minh họa phần
thân của thiết bị tạo rối kiểu ren, với kích thước được quy định trong Bảng B.2

CHÚ DẪN
1 4 lỗ ð H ð sâu J; ren K dài L
CHÚ THÍCH Nhám bề mặt 3,2 µm
Hình B.4 - Thân của kiểu máy tạo rối dòng với kích thước nêu trong Bảng B.2
Bảng B.2 - Kích thước của thân máy tạo rối dòng
|
Thiết bị tạo rối dòng kiểu ren - Chi tiết 2: Thân |
||||||||||||
|
DN |
A |
B (H9 a) |
C |
D |
E |
F |
G |
H |
J |
K |
L |
M |
|
15 |
52 |
30,052 30,000 |
23,5 |
15,5 |
15 |
46 |
G ¾” B |
3,3 |
16 |
M4 |
12 |
40 |
|
20 |
58 |
36,062 36,000 |
26,0 |
18,0 |
15 |
46 |
G 1” B |
3,3 |
16 |
M4 |
12 |
46 |
|
25 |
63 |
42,062 42,000 |
30,5 |
20,5 |
20 |
55 |
G 1 ¼” B |
4,2 |
18 |
M5 |
14 |
52 |
|
32 |
76 |
52,074 52,000 |
35,0 |
24,0 |
20 |
65 |
G 1 ½” B |
4,2 |
18 |
M5 |
14 |
64 |
|
40 |
82 |
60,074 60,000 |
41,0 |
28,0 |
25 |
75 |
G 2” B |
4,2 |
18 |
M5 |
14 |
70 |
|
50 |
102 |
70,074 70,000 |
47,0 |
33,0 |
25 |
90 |
G 2 ½” B |
5,0 |
24 |
M6 |
20 |
84 |
|
a Xem ISO 286-2. |
||||||||||||

Hình B.5 minh họa
phần tạo xoáy của thiết bị tạo rối kiểu ren, với kích thước được quy định trong
Bảng B.3

CHÚ DẪN
1. 8 khe cắm cách đều nhau đến vị trí lưỡi dao
2. vị trí lưỡi dao trong khe cắm và hàn
3. độ sâu của khe cắm ở trung tâm = 0,76 mm
4. lưỡi chi tiết
CHÚ THÍCH Nhám bề mặt 3,2 µm
Hình B.5 - Bộ phận tạo xoáy của máy tạo rối dòng kiểu ren có kích thước đưa ra trong Bảng B.3
Bảng B.3 - Kích thước bộ phận xoáy của kiểu máy tạo rối dòng kiểu ren
|
Thiết bị tạo rối dòng kiểu ren - Chi tiết 3: Bộ phận tạo xoáy |
|||||||||
|
DN |
A (d10 a) |
B |
C |
D |
E |
F |
G |
H |
J |
|
15 |
29,935 29,851 |
25 |
15 |
10,5 |
7,5 |
6,05 |
7,6 |
0,57 0,52 |
0,50 |
|
20 |
35,920 35,820 |
31 |
20 |
13,0 |
10,0 |
7,72 |
10,2 |
0,57 0,52 |
0,50 |
|
25 |
41,920 41,820 |
38 |
25 |
15,5 |
12,5 |
9,38 |
12,7 |
0,82 0,77 |
0,75 |
|
32 |
51,900 51,780 |
46 |
32 |
19,0 |
16,0 |
11,72 |
16,4 |
0,82 0,77 |
0,75 |
|
40 |
59,900 59,780 |
52 |
40 |
23,0 |
20,0 |
14,38 |
20,5 |
0,82 0,77 |
0,75 |
|
50 |
69,900 69,780 |
64 |
50 |
28,0 |
25,0 |
17,72 |
25,5 |
1,57 1,52 |
1,50 |
|
a Xem ISO 286-2. |
|||||||||
Hình B.6 minh họa bộ phận tạo rối dòng của thiết bị tạo rối kiểu ren, với kích thước được quy định trong Bảng B.4

CHÚ THÍCH Nhám bề mặt 3,2 µm
Hình B.6 - Bộ phận gây rối dòng của máy của kiểu máy gây rối dòng có kích thước đưa ra trong Bảng B.4
Bảng B.4 - Kích thước của bộ phận tạo rối dòng của máy của kiểu máy tạo rối dòng
|
Thiết bị tạo rối dòng kiểu ren - Chi tiết 4: Bộ phận tạo rối dòng |
|||||||
|
DN |
A (d10a) |
B |
C |
D |
E |
F |
G |
|
15 |
29,935 29,851 |
25 |
15 |
13,125 |
10,5 |
7,5 |
7,5 |
|
20 |
35,920 35,820 |
31 |
20 |
17,500 |
13,0 |
10,0 |
5,0 |
|
25 |
41,920 41,820 |
38 |
25 |
21,875 |
15,5 |
12,5 |
6,0 |
|
32 |
51,900 51,780 |
46 |
32 |
28,000 |
19,0 |
16,0 |
6,0 |
|
40 |
59,900 59,780 |
52 |
40 |
35,000 |
23,0 |
20,0 |
6,0 |
|
50 |
69,900 69,780 |
64 |
50 |
43,750 |
28,0 |
25,0 |
6,0 |
|
a Xem ISO 286-2. |
|||||||
Hình B.7 minh họa miếng đệm của thiết bị tạo rối kiểu ren, với kích thước được quy định trong Bảng B.5

Hình B.7 - Miếng đệm có kích thước nêu trong Hình B.5
Bảng B.5 - Kích thước của miếng đệm
|
Thiết bị tạo rối dòng kiểu ren - Chi tiết 5: Miếng đệm |
||
|
DN |
A |
B |
|
15 |
24,5 |
15,5 |
|
20 |
30,5 |
20,5 |
|
25 |
37,5 |
25,5 |
|
32 |
45,5 |
32,5 |
|
40 |
51,5 |
40,5 |
|
50 |
63,5 |
50,5 |
B.3. Thiết bị tạo rối kiểu vòng đệm
Hình B.8 biểu diễn bố trí các bộ phận tạo xoáy của thiết bị tạo rối kiểu vòng đệm

|
Số |
Mô tả |
Số lượng |
Vật liệu |
|
1 |
Bộ phận tạo xoáy |
1 |
Thép không rỉ |
|
2 |
Dòng chảy |
- |
- |
|
3 |
Miếng đệm |
2 |
Sợi |
|
4 |
Chiều dài thẳng với mặt bích (xem ISO 7005-2 hoặc ISO 7500-3) |
4 |
Thép không rỉ |
(Kiểu 1 Máy tạo sóng bên trái;
Kiểu 2 Máy tạo sóng bên phải)
Hình B.8 - Thiết bị gây rối kiểu vòng đệm- Sự bố trí các bộ phận gây xoáy
Hình B.9 biểu diễn bố trí các bộ phận rối biên dạng vận tốc của thiết bị tạo rối kiểu vòng

|
Số |
Mô tả |
Số lượng |
Vật liệu |
|
1 |
Bộ phận tạo rối dòng |
1 |
Thép không rỉ |
|
2 |
Dòng chảy |
- |
- |
|
3 |
Miếng đệm |
2 |
Sợi |
|
4 |
Chiều dài thẳng với mặt bích (xem ISO 7005-2 hoặc ISO 7500-3) |
4 |
Thép không rỉ |
(Kiểu 3 - Máy tạo rối biên dạng dòng)
Hình B.9 - Thiết bị gây rối kiểu vòng đệm- Sự bố trí các bộ phận gây xoáy
![]()
Hình B.10 Bộ phận tạo
xoáy của thiết bị tạo rối kiểu vòng đệm, với kích thước được quy định trong ![]()
![]()
Bảng B.6

CHÚ DẪN
1. 8 khe cắm ở vị trí
đều nhau so với lưỡi dao
2. lưỡi dao cố định (hàn)
a D lỗ của Æ E.
Hình B.10 - Minh họa phần tạo xoáy của thiết bị tạo rối kiểu vòng đệm, với kích thước được quy định trong Bảng B.6
Bảng B.6 - Các kích thước cho các bộ phận tạo xoáy của thiết bị tạo rối dòng kiểu vòng đệm
|
Thiết bị tạo rối kiểu vòng đệm - Chi tiết 1: Bộ phận gây xoáy |
|||||||||||||||
|
DN |
A |
B |
C |
D |
E |
F |
G |
H |
J |
K |
L |
M |
N |
P |
R |
|
50 |
50 |
165 |
104 |
4 |
18 |
125 |
45° |
25 |
28 |
16,9 |
25,5 |
1,5 |
1,57 1,52 |
- |
- |
|
65 |
65 |
185 |
124 |
4 |
18 |
145 |
45° |
33 |
36 |
21,9 |
33,4 |
1,5 |
1,57 1,52 |
- |
- |
|
80 |
80 |
200 |
139 |
8 |
18 |
160 |
22 1/2 ° |
40 |
43 |
26,9 |
40,6 |
1,5 |
1,57 1,52 |
- |
- |
|
100 |
100 |
220 |
159 |
8 |
18 |
180 |
22 1/2 ° |
50 |
53 |
33,6 |
50,8 |
1,5 |
1,57 1,52 |
- |
- |
|
125 |
125 |
250 |
189 |
8 |
18 |
210 |
22 1/2 ° |
63 |
66 |
41,9 |
64,1 |
1,5 |
1,57 1,52 |
- |
- |
|
150 |
150 |
285 |
214 |
8 |
22 |
240 |
22 1/2 ° |
75 |
78 |
50,3 |
76,1 |
3,0 |
3,07 3,02 |
195 |
22 |
|
200 |
200 |
340 |
269 |
8 |
22 |
295 |
22 1/2 ° |
100 |
103 |
66,9 |
101,6 |
3,0 |
3,07 3,02 |
245 |
24 |
|
250 |
250 |
395 |
324 |
12 |
22 |
350 |
15° |
125 |
128 |
83,6 |
127,2 |
3,0 |
3,07 3,02 |
295 |
26 |
|
300 |
300 |
445 |
374 |
12 |
22 |
400 |
15° |
150 |
153 |
100,3 |
152,7 |
3,0 |
3,07 3,02 |
345 |
28 |
|
400 |
400 |
565 |
482 |
16 |
27 |
515 |
11 1/4 ° |
200 |
203 |
133,6 |
203,8 |
3,0 |
3,07 3,02 |
445 |
30 |
|
500 |
500 |
670 |
587 |
20 |
27 |
620 |
9° |
250 |
253 |
166,9 |
255,0 |
3,0 |
3,07 3,02 |
545 |
32 |
|
600 |
600 |
780 |
687 |
20 |
30 |
725 |
9° |
300 |
303 |
200,3 |
306,1 |
3,0 |
3,07 3,02 |
645 |
34 |
|
800 |
800 |
1 015 |
912 |
24 |
33 |
950 |
7 1/2 ° |
400 |
403 |
266,9 |
408,3 |
3,0 |
3,07 3,02 |
845 |
36 |

![]()
![]()
![]()
![]()
![]()
CHÚ THÍCH Nhám bề mặt 3,2 µm
a lỗ D Æ E.
Hình B.11 - Bộ phận tạo rối dòng của thiết bị tạo rối kiểu vòng đệm, với kích thước nêu trong Bảng B.7
Bảng B.7- Các kích thước cho bộ phận rối dòng của cơ cấu gây rối kiểu vòng đệm
|
Thiết bị tạo rối kiểu vòng đệm - Chi tiết 2: Bộ phân tạo rối dòng |
||||||||
|
DN |
A |
B |
C |
D |
E |
F |
G |
H |
|
50 |
50 |
165 |
104 |
4 |
18 |
125 |
45º |
43,8 |
|
65 |
65 |
185 |
124 |
4 |
18 |
145 |
45º |
56,9 |
|
80 |
80 |
200 |
139 |
8 |
18 |
160 |
22 1/2 ° |
70,0 |
|
100 |
100 |
220 |
159 |
8 |
18 |
180 |
22 1/2 ° |
87,5 |
|
125 |
125 |
250 |
189 |
8 |
18 |
210 |
22 1/2 ° |
109,4 |
|
150 |
150 |
285 |
214 |
8 |
22 |
240 |
22 1/2 ° |
131,3 |
|
200 |
200 |
340 |
269 |
8 |
22 |
295 |
22 1/2 ° |
175,0 |
|
250 |
250 |
395 |
324 |
12 |
22 |
350 |
15º |
218,8 |
|
300 |
300 |
445 |
374 |
12 |
22 |
400 |
15º |
262,5 |
|
400 |
400 |
565 |
482 |
16 |
27 |
515 |
11 1/4 ° |
350,0 |
|
500 |
500 |
670 |
587 |
20 |
27 |
620 |
9 ° |
437,5 |
|
600 |
600 |
780 |
687 |
20 |
30 |
725 |
9 ° |
525,0 |
|
800 |
800 |
1 015 |
912 |
24 |
33 |
950 |
7 1/2 ° |
700,0 |
Hình B.12 minh họa miếng đệm của thiết bị tạo rối kiểu vòng đệm, với kích thước được quy định trong Bảng B.8

Hình B.12. Miếng đệm của thiết bị tạo rối kiểu vòng, với kích thước được quy định trong Bảng B.8
Bảng B.8- Các kích thước cho vòng đệm của cơ cấu gây rối kiểu vòng đệm
|
Thiết bị tạo rối kiểu vòng đệm - Chi tiết 3: Miếng đệm |
||
|
DN |
A |
B |
|
50 |
103,5 |
50,5 |
|
65 |
123,5 |
65,5 |
|
80 |
138,5 |
80,5 |
|
100 |
158,5 |
100,5 |
|
125 |
188,5 |
125,5 |
|
150 |
213,5 |
150,5 |
|
200 |
268,5 |
200,5 |
|
250 |
323,5 |
250,5 |
|
300 |
373,5 |
300,5 |
|
400 |
481,5 |
400,5 |
|
500 |
586,5 |
500,5 |
|
600 |
686,5 |
600,5 |
|
800 |
911,5 |
800,5 |
Phụ lục C
(Tham khảo)
Ống góp - Ví dụ về phương pháp và các thành phần được sử dụng để kiểm tra đồng hồ nước đồng tâm
Hình C.1 cho thấy một ví dụ về một kết nối ống góp cho một đồng hồ nước đồng tâm.

CHÚ DẪN
1. Đồng hồ nước đồng tâm
2. Ống góp đồng hồ (mặt chiếu)
a. Dòng nước ra
b. Dòng nước vào.
Hình C.1 - Ví dụ về ống góp kết nối với đồng hồ nước đồng tâm
Một ống góp thử nghiệm áp suất đặc biệt, biểu diễn trong Hình C.2, có thể được sử dụng trong phép thử đồng hồ. Để đảm bảo niêm phong vận hành ở “tình huống xấu nhất” trong thời gian thử nghiệm, kích thước bề mặt của niêm phong ống góp thử nghiệm áp suất nên để ở các giới hạn thích hợp của các dung sai chế tạo phù hợp với kích thước thiết kế nhà sản xuất quy định.
Trước khi trình phê duyệt mẫu, nhà sản xuất đồng hồ có thể nhận yêu cầu niêm phong đồng hồ tại điểm ở bên trong niêm phong của giao tiếp đồng hồ / ống góp, tùy thiết kế đồng hồ. Khi đồng hồ đồng tâm chịu các thử nghiệm áp lực ống và áp lực, cần phải tìm nguyên nhân rò rỉ (nếu có) từ đầu ra ống góp thử nghiệm áp suất và phân biệt giữa nó và trường hợp niêm phong không đúng. Hình C.3 biểu diễn một ví dụ về một thiết kế đầu ống phù hợp với thiết kế đồng hồ, ngoài ra các loại khác phù hợp cũng có thể được sử dụng.

CHÚ DẪN
1. áp suất
2. vị trí của dấu niêm phong bên trong
a. đường nước rò rỉ qua.
Hình C.2 - Ví dụ về ống góp thử nghiệm áp suất đồng hồ nước đồng tâm

a) Mặt cắt qua đồng hồ và vị trí ống góp cắm vào

b) Chi tiết của nút thử
CHÚ DẪN
|
1. Niêm phong bên ngoài đồng hồ |
6. Rãnh vòng đệm |
|
2. Đồng hồ |
7. Ren của then tháo ra |
|
3. Niêm phong bên trong đồng hồ |
8. 4-6 miếng đệm |
|
4. Nút thử |
9. “dấu hiệu” của lỗ rò rỉ |
|
5. Ống góp a Áp suất |
|
Hình C.3 - Ví dụ về lỗ cắm thử áp của đồng hồ kiểu đồng tâm
MỤC LỤC
1. Phạm vi áp dụng
2. Tài liệu viện dẫn
3. Thuật ngữ và định nghĩa
4. Yêu cầu chung đối với tất cả các phép thử
4.1. Yêu cầu sơ bộ
4.2. Chất lượng nước
4.3. Các điều kiện chuẩn khác
4.4. Hiện trường
5. Các phép thử xác định sai số số chỉ
5.1. Khái quát
5.2. Nguyên lý
5.3. Mô tả giàn thử nghiệm
5.4. Hệ thống đường ống
5.5. Thiết bị chuẩn đã hiệu chuẩn
5.6. Số đọc của đồng hồ
5.7. Các yếu tố chính ảnh hưởng đến việc xác định sai số số chỉ
5.8. Sai số cơ bản (của số chỉ)
5.9. Phép thử nhiệt độ nước
5.10. Phép thử áp suất bên trong
5.11. Phép thử đảo ngược dòng chảy
5.12. Phép thử về tính không đều của vận tốc
5.13. Giải thích kết quả
6. Phép thử áp suất tĩnh
6.1. Mục đích của phép thử
6.2. Chuẩn bị
6.3. Quy trình thử nghiệm- Đồng hồ nối tiếp
6.4. Quy trình thử nghiệm - Đồng hồ đồng trục
6.5. Tiêu chí chấp nhận
7. Phép thử tổn hao áp suất
7.1. Mục đích của phép thử
7.2. Chuẩn bị
7.3. Quy trình thử nghiệm
7.4. Tiêu chí chấp nhận
8. Phép thử độ bền
8.1. Thử nghiệm dòng liên tục
8.2. Thử nghiệm dòng chảy
9. Thử nghiệm tính năng đối với đồng hồ điện tử và đồng hồ cơ có gắn cơ cấu điện tử
9.1. Giới thiệu
9.2. Yêu cầu chung
9.3. Điều kiện khí hậu và điều kiện cơ học
9.4. Môi trường điện từ
9.5. Nguồn cung cấp
10. Chương trình thử nghiệm phê duyệt mẫu
10.1. Qui định chung
10.2. Các phép thử tính năng có thể áp dụng cho tất cả các đồng hồ nước
10.3. Đồng hồ nước kiểu điện tử, đồng hồ nước kiểu cơ có lắp các cơ cấu điện tử và các bộ phận có thể tháo rời
10.4. Phê duyệt mẫu cho các bộ phận có thể tháo rời của đồng hồ nước
11. Phép thử cho kiểm định ban đầu
11.1. Qui định chung
11.2. Phép thử áp suất tĩnh
11.3. Sai số số chỉ của phép đo
11.4. Nhiệt độ nước khi thử
12. Báo cáo thử nghiệm
12.1. Qui định chung
12.2. Báo cáo thử nghiệm phê duyệt mẫu - Nội dung yêu cầu
Phụ lục A (Quy định) Tính sai số tương đối của số chỉ của đồng hồ nước
Phụ lục B (Quy định) Thiết bị thử nghiệm tạo dòng chảy rối
Phụ lục C (Tham khảo) Ống góp - Ví dụ về phương pháp và các thành phần được sử dụng để kiểm tra đồng hồ nước đồng tâm
1) Khi nhiệt độ môi trường và/hoặc độ ẩm tương đối của môi trường vượt quá dải đề xuất ở trên, thì ảnh hưởng đến sai số số chỉ phải được tính đến.