|
Vật liệu |
Cấu tạo |
Diện tích tiết diện tối thiểu a |
Ghi chú |
|
Đồng |
Dây dẹt đặc |
50 mm² |
chiều dày tối thiểu 2 mm |
|
Dây tròn đặce |
50 mm² |
đường kính 8 mm |
|
|
Cáp |
50 mm² |
đường kính tối thiểu của mỗi sợi 1,7 mm |
|
|
Dây tròn đặcf,g |
200 mm² |
đường kính 16 mm |
|
|
Đồng phủ thiếcb |
Dây dẹt đặc |
50 mm² |
chiều dày tối thiểu 2 mm |
|
Dây tròn đặce |
50 mm² |
đường kính 8 mm |
|
|
Cáp |
50 mm² |
đường kính tối thiểu của mỗi sợi 1,7 mm |
|
|
Dây tròn đặcf,g |
200 mm² |
đường kính 16 mm |
|
|
Nhôm |
Dây dẹt đặc |
70 mm² |
chiều dày tối thiểu 3 mm |
|
Dây tròn đặc |
50 mm² |
đường kính 8 mm |
|
|
Cáp |
50 mm² |
đường kính tối thiểu của mỗi sợi 1,7 mm |
|
|
Hợp kim nhôm |
Dây dẹt đặc |
50 mm ² |
chiều dày tối thiểu 2,5 mm |
|
Dây tròn đặc |
50 mm² |
đường kính 8 mm |
|
|
Cáp |
50 mm² |
đường kính tối thiểu của mỗi sợi 1,7 mm |
|
|
Dây tròn đặcf |
200 mm² |
đường kính 16 mm |
|
|
Thép mạ kẽmc |
Dây dẹt đặc |
50 mm² |
chiều dày tối thiểu 2,5 mm |
|
Dây tròn đặc |
50 mm² |
đường kính 8 mm |
|
|
Cáp |
50 mm² |
đường kính tối thiểu của mỗi sợi 1,7 mm |
|
|
Dây tròn đặcf,g |
200 mm² |
đường kính 16 mm |
|
|
Thép không gỉd |
Dây dẹt đặc h |
50 mm² |
chiều dày tối thiểu 2 mm |
|
Dây tròn đặch |
50 mm² |
đường kính 8 mm |
|
|
Cáp |
70 mm² |
đường kính tối thiểu của mỗi sợi 1,7 mm |
|
|
Dây tròn đặcf,g |
200 mm² |
đường kính 16 mm |
|
|
a Sai số cho phép: - 3 %. b Nhúng nóng hoặc phủ điện, chiều dày lớp phủ tối thiểu là 1 micron. c Lớp phủ phải nhẵn, liên tục và không có vết sần với chiều dày danh định là 50 microns. d Chromium 16 %; Nickel 8 %; Carbon 0,07 %. e 50 mm² (đường kính 8 mm) có thể giảm xuống 28 mm² (đường kính 6 mm) trong một số trường hợp không yêu cầu sức bền cơ học cao. Trong trường hợp đó cần lưu ý giảm khoảng cách giữa các điểm cố định. f Chỉ áp dụng cho kim thu sét. Trường hợp ứng suất phát sinh do tải trọng như gió gây ra không lớn thì có thể sử dụng kim thu sét dài tối đa tới 1m đường kính 10mm g Chỉ áp dụng cho thanh cắm xuống đất. h Nếu phải quan tâm đặc biệt tới vấn đề cơ và nhiệt thì các giá trị trên cần tăng lên 78 mm² (đường kính 10 mm) đối với dây tròn đặc và 75 mm² (dày tối thiểu 3 mm) đối với thanh dẹt đặc. |
|||
Bảng 2. Vật liệu, cấu tạo và kích thước tối thiểu của cực nối đất
Vật liệu
Cấu tạo
Kích thước tối thiểua
Ghi chú
Cọc nối đất
Dây nối đất
Tấm nối đất
Đồng
...
...
...
50 mm2
đường kính tối thiểu của mỗi sợi 1,7 mm
Dây tròn đặcb
50 mm2
đường kính 8 mm
...
...
...
50 mm2
chiều dày tối thiểu 2 mm
Dây tròn đặc
đường kính 15 mm
...
...
...
đường kính 20 mm
chiều dày thành ống tối thiểu 2 mm
Tấm đặc
500 mm x 500 mm
chiều dày tối thiểu 2 mm
...
...
...
600 mm x 600 mm
tiết diện 25 mm x 2 mm
Thép
Dây tròn đặc mạ kẽmc
đường kính 16 mmd
đường kính 10 mm
...
...
...
Ống mạ kẽmc
đường kính 25 mmd
chiều dày thành ống tối thiểu 2 mm
Dây dẹt đặc mạ kẽmc
90 mm2
...
...
...
Tấm đặc mạ kẽmc
500 mm x 500 mm
chiều dày tối thiểu 3 mm
Tấm mắt cáo mạ kẽmc
600 mm x 600 mm
...
...
...
Dây tròn đặc mạ đồngce
đường kính 14 mm
mạ đồng 99,9 % đồng, dày tối thiểu 250 microns
Dây tròn đặc không mạf
đường kính 10 mm
...
...
...
Dây dẹt đặc trần hoặc mạ kẽmf,g
75 mm2
chiều dày tối thiểu 3 mm
Cáp mạ kẽmf,g
70 mm2
...
...
...
Thép ống mạ kẽmc
50 mm x50 mm x 3 mm
Thép không gỉ
Dây tròn đặc
đường kính 16 mm
đường kính 10 mm
...
...
...
Dây dẹt đặc
100 mm²
chiều dày tối thiểu 2 mm
a Sai số cho phép: - 3 %.
b Có thể phủ bằng thiếc.
c Lớp phủ phải nhẵn, liên tục và không có vết sần với chiều dày danh định là 50 microns đối với vật liệu tròn và 70 microns đối với vật liệu dẹt.
...
...
...
e Đồng cần được liên kết với lõi thép.
f Chỉ cho phép khi hoàn toàn chôn trong bê tông.
g Chỉ cho phép khi được liên kết tốt tại các điểm cách nhau không quá 5m với cốt thép ở những bộ phận móng có tiếp xúc với đất
Bảng 3. Độ dày tối thiểu của tấm kim loại sử dụng để lợp mái nhà và tạo thành một phần của hệ thống chống sét.
Vật liệu
Độ dày tối thiểu (mm)
Thép mạ
0,5
Thép không gỉ
...
...
...
Đồng
0,3
Nhôm và Kẽm
0,7
Chì
2,0
GHI CHÚ: Các số liệu trong bảng này là hợp lý khi mái nhà là một phần của hệ thống chống sét. Tuy nhiên vẫn có nguy cơ tấm kim loại bị đánh thủng đối với các cú sét đánh thẳng.
7 Sự cần thiết của việc phòng chống sét
7.1 Nguyên tắc chung
...
...
...
Đối với các công trình khác, tiêu chuẩn về phòng chống sét được đề cập đến trong tiêu chuẩn này là đủ đáp ứng và câu hỏi duy nhất được đặt ra là có cần chống sét hay không. Trong nhiều trường hợp, sự cần thiết phải chống sét là rất rõ ràng, ví dụ:
a) Nơi tụ họp đông người;
b) Nơi cần phải bảo vệ các dịch vụ công cộng thiết yếu;
c) Nơi mà quanh khu vực đó thường xuyên xảy ra sét đánh;
d) Nơi có các kết cấu rất cao hoặc đứng đơn độc một mình;
e) Nơi có các công trình có giá trị văn hoá hoặc lịch sử;
f) Nơi có chứa các loại vật liệu dễ cháy hoặc nổ.
Tuy nhiên, trong rất nhiều trường hợp khác thì không dễ quyết định. Trong các trường hợp đó cần tham khảo 7.2; 7.3; 7.4; 7.5; và 7.6 về nhiều yếu tố ảnh hưởng đến xác suất sét đánh và các phân tích về hậu quả của nó.
Tuy nhiên một số yếu tố không thể đánh giá được và chúng có thể bao trùm lên tất cả các yếu tố khác. Ví dụ như, yêu cầu không xảy ra các nguy cơ có thể tránh được đối với cuộc sống của con người hoặc là việc tất cả mọi người sống trong toà nhà luôn cảm thấy an toàn có thể quyết định câu hỏi theo hướng cần có hệ thống chống sét, mặc dù thông thường thì điều này là không cần thiết.
...
...
...
1) Công năng của toà nhà.
2) Tính chất của việc xây dựng toà nhà đó.
3) Giá trị của vật thể trong toà nhà hoặc những hậu quả do sét đánh gây ra.
4) Vị trí toà nhà.
5) Chiều cao công trình.
7.2 Xác định xác suất sét đánh vào công trình
Xác suất của một công trình hoặc một kết cấu bị sét đánh trong bất kì một năm nào đó là tích của “mật độ sét phóng xuống đất” và “diện tích thu sét hữu dụng” của kết cấu. Mật độ sét phóng xuống đất, Ng, là số lần sét phóng xuống mặt đất trên 1km2 trong một năm. Giá trị Ng thay đổi rất lớn. Ước tính giá trị Ng trung bình năm được tính toán bằng quan sát trong rất nhiều năm cho các vùng trên thế giới được cho trong Bảng 4 và Hình 1. Bản đồ mật độ sét đánh trung bình trong năm ở Việt Nam được cho ở Hình 2. Số liệu về mật độ sét đánh trung bình trong năm tại các trạm khí tượng ở Việt Nam được cho ở phụ lục E của tiêu chuẩn này.
Các mức đồng mức được sử dụng trên bản đồ ở Hình 2 dao động từ 1,4 đến 13,7. Khi áp dụng giá trị mật độ sét phóng xuống đất cho một vị trí không nằm trên đường đồng mức để tính toán nên lấy giá trị lớn hơn giữa các giá trị đường đồng mức lân cận nó. Ví dụ vị trí nằm giữa hai đường đồng mức có giá trị là 5,7 và 8,2 thì lấy giá trị mật độ sét phóng xuống đất là 8,2 lần/km2/năm; vị trí nằm giữa hai đường đồng mức có giá trị là 8,2 và 10,9 thì lấy giá trị mật độ sét phóng xuống đất là 10,9 lần/km2/năm; vị trí nằm ở vùng có giá trị > 13,7 thì lấy giá trị mật độ sét phóng xuống đất là 16,7 lần/km2/năm. Có thể tham khảo phụ lục E về mật độ sét phóng xuống đất cho các địa danh được lập trên cơ sở bản đồ mật độ sét (Hình 2) và khuyến cáo ở mục này.
Diện tích thu sét hữu dụng của một kết cấu là diện tích mặt bằng của các công trình kéo dài trên tất cả các hướng có tính đến chiều cao của nó. Cạnh của diện tích thu sét hữu dụng được mở rộng ra từ cạnh của kết cấu một khoảng bằng chiều cao của kết cấu tại điểm tính chiều cao. Bởi vậy, đối với một toà nhà hình chữ nhật đơn giản có chiều dài L, chiều rộng W, chiều cao H (đơn vị tính là m), thì diện tích thu sét hữu dụng có độ dài (L+2H) m và chiều rộng (W+2H) m với 4 góc tròn tạo bởi ¼ đường tròn có bán kính là H. Như vậy diện tích thu sét hữu dụng Ac (m2) sẽ là (xem Hình 3 và ví dụ ở Phụ lục D):
...
...
...
Xác suất sét đánh vào công trình trong một năm, p được tính như sau:
p = Ac x Ng x 10-6 (2)
Bảng 4. Mối quan hệ giữa số ngày có sét đánh trong 1 năm và số lần sét đánh trên 1 km2/năm
Số ngày có sét đánh trong năm
Số lần sét đánh trên km2 trong năm
Trung bình
Khoảng giới hạn
5
0,2
...
...
...
10
0,5
0,15 đến 1,0
20
1,1
0,3 đến 3,0
30
1,9
0,6 đến 5,0
...
...
...
2,8
0,8 đến 8,0
50
3,7
1,2 đến 10,0
60
4,7
1,8 đến 12,0
80
...
...
...
3,0 đến 17,0
100
9,2
4,0 đến 20,0
7.3 Xác suất sét đánh cho phép
Xác suất sét đánh cho phép được lấy bằng 10-5 trong một năm.
7.4 Xác suất sét đánh tổng hợp
Sau khi đã thiết lập được giá trị của p, là số vụ sét có khả năng đánh vào công trình trong một năm, tính xác suất sét đánh tổng hợp bằng cách nhân p với các “hệ số điều chỉnh” được cho ở các bảng từ Bảng 5 đến Bảng 9. Nếu xác suất sét đánh tổng hợp này lớn hơn xác suất sét đánh cho phép p0 = 10-5 trong một năm thì cần phải bố trí hệ thống chống sét.

...
...
...
7.5 Các hệ số điều chỉnh:
Bảng 5 đến Bảng 9 liệt kê các hệ số điều chỉnh từ A đến E biểu thị mức độ quan trọng hoặc mức độ rủi ro tương đối trong mỗi trường hợp.
Bảng 5. Bảng tra giá trị hệ số A (theo dạng công trình)
Dạng công trình
Giá trị hệ số A
Nhà và công trình với kích thước thông thường
0,3
Nhà và công trình với kích thước thông thường và có bộ phận nhô cao hơn xung quanh
0,7
...
...
...
1,0
Công sở, khách sạn, nhà ở chung cư
1,2
Nơi tập trung đông người như hội trường, nhà hát, bảo tàng, siêu thị lớn, bưu điện, nhà ga, bến xe, sân bay, sân vận động.
1,3
Trường học, bệnh viện, nhà trẻ mẫu giáo…
1,7
Bảng 6. Bảng tra giá trị hệ số B (theo dạng kết cấu công trình)
Dạng kết cấu công trình
...
...
...
Khung thép hoặc bê tông cốt thép có mái kim loại
0,1
Khung thép có mái không phải bằng kim loại (*)
0,2
Bê tông cốt thép có mái không phải bằng kim loại
0,4
Thể xây có mái không phải bằng kim loại hoặc tranh tre nứa lá
1,0
Khung gỗ có mái không phải bằng kim loại hoặc tranh tre nứa lá
...
...
...
Thể xây, khung gỗ có mái bằng kim loại
1,7
Các công trình có mái bằng tranh tre nứa lá
2,0
CHÚ THÍCH: *) Các kết cấu có bộ phận kim loại trên nóc mái và có tính dẫn điện liên tục xuống đất thì không cần theo bảng này
Bảng 7. Bảng tra giá trị hệ số C (theo công năng sử dụng)
Dạng công năng sử dụng
Giá trị hệ số C
Nhà ở, công sở, nhà máy, xưởng sản xuất không chứa các đồ vật quý hiếm hoặc đặc biệt dễ bị huỷ hoại (*)
...
...
...
Khu công nghiệp, nông nghiệp có chứa các thứ đặc biệt dễ bị huỷ hoại (*)
0,8
Trạm điện, trạm khí đốt, điện thoại, đài phát thanh
1,0
Khu công nghiệp then chốt, công trình di tích lịch sử, bảo tàng, toà nhà trưng bày tác phẩm nghệ thuật hoặc công trình có chứa các thứ đặc biệt dễ bị huỷ hoại (*)
1,3
Trường học, bệnh viện, nhà trẻ mẫu giáo, nơi tập trung đông người
1,7
CHÚ THÍCH: *) Dễ bị huỷ hoại do cháy hoặc hậu quả của hoả hoạn
...
...
...
Mức độ cách ly
Giá trị hệ số D
Công trình xây dựng trong khu vực đã có nhiều công trình khác hoặc có nhiều cây xanh với chiều cao tương đương hoặc lớn hơn
0,4
Công trình xây dựng trong khu vực có ít công trình khác hoặc cây xanh có chiều cao tương đương
1,0
Công trình xây dựng hoàn toàn cách ly hoặc cách xa ít nhất hai lần chiều cao của các công trình hay cây xanh hiện hữu trong khu vực
2,0
Bảng 9. Bảng tra giá trị hệ số E (theo dạng địa hình)
...
...
...
Giá trị hệ số E
Vùng đồng bằng, trung du
0,3
Vùng đồi
1,0
Vùng núi cao từ 300 mét đến 900 mét
1,3
Vùng núi cao trên 900 mét
1,7
...
...
...
Rủi ro đối với cuộc sống thông thường là rất nhỏ nhưng nếu một toà nhà bị sét đánh trúng, hoả hoạn hay sự hoảng loạn có thể xảy ra một cách tự phát. Bởi vậy nên thực hiện tất cả các biện pháp có thể có để giảm thiểu các tác động này, đặc biệt các tác động đối với người già, trẻ em và người ốm yếu.
Đối với các toà nhà sự dụng vào nhiều mục đích khác nhau, nên áp dụng hệ số A cho trường hợp nghiêm trọng nhất.
7.6 Diễn giải xác suất sét đánh tổng hợp
Phương pháp xác suất trong tiêu chuẩn này nhằm mục đích hướng dẫn cho các trường hợp khó quyết định. Nếu kết quả tính được nhỏ hơn 10-5 (1 trong 100.000) khá nhiều thì nhiều khả năng không cần đến hệ thống chống sét; nếu như kết quả lớn hơn 10-5, ví dụ như 10-4 (1 trong 10.000) thì cần có các lí do xác đáng để làm cơ sở cho việc quyết định không làm hệ thống chống sét.
Khi được cho là các hậu quả dây chuyền sẽ là nhỏ và ảnh hưởng của một cú sét đánh sẽ chỉ gây hư hại rất nhẹ đối với kết cấu của công trình, có thể sẽ là tiết kiệm nếu không đầu tư làm hệ thống chống sét và chấp nhận rủi ro đó. Tuy nhiên ngay cả việc quyết định như vậy cũng cần phải tính toán để biết được mức độ rủi ro đó.
Các kết cấu cũng rất đa dạng và dù có sử dụng phương pháp đánh giá nào đi nữa cũng có thể cho các kết quả không bình thường và những người sẽ phải quyết định liệu sự bảo vệ là cần thiết hay không có thể sẽ phải sử dụng kinh nghiệm và sự phán đoán của mình. Lấy ví dụ như, một ngôi nhà kết cấu khung thép có thể được nhận định là có xác suất sét đánh thấp, tuy nhiên việc thêm hệ thống chống sét và nối đất sẽ nâng cao khả năng chống sét rất nhiều nên chi phí để lắp đặt thêm hệ thống này có thể được xem là hợp lí.
Đối với các ống khói bằng gạch hoặc bê tông, kết quả tính xác suất sét đánh tổng hợp có thể thấp. Tuy nhiên nếu chúng đứng một mình hoặc vươn cao hơn các kết cấu xung quanh hơn 4,5m thì cần phải chống sét cho dù xác suất sét đánh có giá trị nào đi nữa. Những ống khói như vậy sẽ không áp dụng được phương pháp xác suất sét đánh tổng hợp. Tương tự như vậy, các kết cấu chứa chất nổ hay dễ cháy cần được xem xét thêm các yếu tố khác nữa (xem mục 18 và 8.3 ).
Ví dụ về việc tính toán xác xuất sét đánh tổng hợp để quyết định có cần bố trí hệ thống chống sét hay không được cho ở phụ lục D.
8 Vùng bảo vệ
...
...
...
Khái niệm “vùng bảo vệ” được hiểu một cách đơn giản là thể tích mà trong giới hạn đó các bộ phận chống sét tạo ra một sự bảo vệ chống lại các cú phóng điện trực tiếp bằng việc thu các tia sét vào các bộ phận chống sét đó.
Kích thước và hình dáng của vùng bảo vệ thay đổi theo chiều cao của ngôi nhà hoặc chiều cao của các thiết bị thu sét thẳng đứng. Nói chung đối với các công trình không cao quá 20m, vùng bảo vệ của các bộ phận thu dẫn sét thẳng đứng từ dưới mặt đất lên được xác định là thể tích tạo bởi một hình nón với đỉnh của nó nằm ở đỉnh bộ phận thu sét và đáy nằm dưới mặt đất. Vùng bảo vệ của các bộ phận thu sét ngang được xác định bởi không gian tạo bởi hình nón có đỉnh nằm trên dây thu sét ngang chạy từ điểm đầu đến điểm cuối. Đối với những kết cấu cao hơn 20m, việc xác định vùng bảo vệ như trên có thể không áp dụng được, và cần phải có thêm các thiết bị chống sét lắp đặt theo cách thức như trong Hình 4 (xem thêm mục 16) để chống lại các cú sét đánh vào phía bên cạnh công trình.
8.2 Góc bảo vệ
Đối với các kết cấu không vượt quá 20m về chiều cao, góc giữa cạnh của hình nón với phương thẳng đứng tại đỉnh của hình nón gọi là góc bảo vệ (Hình 5). Độ lớn của góc bảo vệ không thể xác định được một cách chính xác vì nó phụ thuộc vào độ lớn của cú sét đánh và sự hiện diện trong vùng bảo vệ các vật thể có khả năng dẫn điện và chúng có thể tạo nên các đường nối đất độc lập với hệ thống chống sét. Tất cả những gì có thể khẳng định là khả năng bảo vệ của hệ thống chống sét sẽ tăng lên khi góc bảo vệ giảm đi. Đối với các kết cấu cao hơn 20m, góc bảo vệ của bất kì một bộ phận dẫn sét nào cao tới 20m cũng sẽ tương tự như đối với các bộ phận thu dẫn sét của các kết cấu thấp hơn 20m. Tuy nhiên công trình cao hơn 20m có khả năng bị sét đánh vào phía bên cạnh, bởi vậy cần xác định thể tích được bảo vệ theo phương pháp hình cầu lăn (xem B.5).
Đối với các mục đích thực hành nhằm cung cấp một mức độ chống sét chấp nhận được cho một kết cấu thông thường cao tới 20m hoặc cho phần kết cấu dưới 20m đối với kết cấu cao hơn, góc bảo vệ của bất cứ một bộ phận riêng nào của lưới thu sét, thu sét đứng hay nằm ngang, được quy định là 45o (xem Hình 5.a và Hình 5.b). Giữa 2 hay nhiều hơn bộ phận thu sét thẳng đứng đặt cách nhau không
quá 2 lần chiều cao của chúng thì góc bảo vệ tương đương có thể đạt tới 60o so với phương thẳng đứng (xem Hình 5.c). Đối với mái bằng, diện tích giữa các dây dẫn song song được coi là được chống sét nếu bộ phận thu sét được bố trí theo 11.1 và 11.2. Đối với các kết cấu có yêu cầu chống sét cao hơn thì khuyến cáo áp dụng các góc bảo vệ khác (xem mục 18).
8.3 Các công trình rất dễ bị nguy hiểm do sét đánh
Đối với các công trình rất dễ bị nguy hiểm do sét đánh, ví dụ có chứa chất cháy nổ, thì cần áp dụng tất cả các giải pháp chống sét có thể có, mặc dù đó chỉ là để phòng chống các vụ sét đánh rất hiếm khi xảy ra trong vùng bảo vệ được định nghĩa như ở 8.1 và 8.2. Xem chi tiết mục 18 về việc giảm diện tích bảo vệ và các biện pháp đặc biệt khác cho các công trình này.

...
...
...

GHI CHÚ: Hình này không áp dụng cho ống khói BTCT sử dụng cốt thép làm dây xuống
Hình
4. Hệ thống chống sét cho ống khói xây gạch

Hình 5. Xác định góc và phạm vi bảo vệ hiệu quả của kim thu sét
9 Các lưu ý khi thiết kế hệ thống chống sét
9.1 Quy định chung
Trước và trong cả quá trình thiết kế, đơn vị thiết kế cần trao đổi, thảo luận và thống nhất về phương án với các bộ phận liên quan, cụ thể theo 9.2; 9.3; 9.4 và 9.5.
9.2 Kiến trúc
...
...
...
a) Các tuyến đi của toàn bộ dây dẫn sét;
b) Khu vực để đi dây và các cực nối đất;
c) Chủng loại vật tư dẫn sét;
d) Biện pháp cố định các chi tiết của hệ thống chống sét vào công trình, đặc biệt nếu nó ảnh hưởng tới vấn đề chống thấm cho công trình;
e) Chủng loại vật liệu chính của công trình, đặc biệt là phần kết cấu kim loại liên tục như các cột, cốt thép;
f) Địa chất công trình nơi xây dựng và giải pháp xử lý nền móng công trình;
g) Các chi tiết của toàn bộ các đường ống kim loại, hệ thống thoát nước mưa, hệ thống cầu thang trong và ngoài công trình có thể cần hàn đấu nối với hệ thống chống sét;
h) Các hệ thống ngầm khác có thể làm mất ổn định cho hệ thống nối đất;
i) Các chi tiết của toàn bộ hệ thống trang thiết bị kỹ thuật lắp đặt trong công trình có thể cần hàn đấu nối với hệ thống chống sét.
...
...
...
Thoả thuận với các cơ quan quản lý hệ thống kỹ thuật ngoài nhà về việc đấu nối giữa các hệ thống kỹ thuật ngoài nhà (cấp điện, cấp nước, thoát nước, thông tin, tín hiệu…) với hệ thống chống sét của công trình.
9.4 Lắp đặt hệ thống phát thanh, truyền hình
Các công trình phát sóng của đài phát thanh, truyền hình phải có thoả thuận về việc đấu nối giữa phần tháp thu phát sóng với hệ thống chống sét.
9.5 Các nhà thầu xây dựng
Cần thoả thuận, thống nhất được những vấn đề liên quan sau đây:
a) Chủng loại, vị trí, số lượng thiết bị chính do nhà thầu xây dựng cung cấp;
b) Những phụ kiện nào của phần hệ thống chống sét do nhà thầu xây dựng lắp đặt;
c) Vị trí của bộ phận dây dẫn sét nằm ngầm ở dưới công trình;
d) Những bộ phận nào của hệ thống chống sét sẽ phải được sử dụng ngay từ trong quá trình thi công xây dựng công trình. Chẳng hạn như hệ thống nối đất của công trình có thể được sử dụng để nối đất cho cần cẩu tháp, vận thăng, các đường ray, dàn giáo và các bộ phận tương tự trong quá trình xây dựng;
...
...
...
f) Đối với các công trình có sử dụng mái che bằng kim loại như một bộ phận của hệ thống chống sét thì phải thống nhất giải pháp đấu nối với hệ thống dẫn sét và nối đất;
g) Vị trí và đặc điểm của các công trình kỹ thuật nối với công trình ở trên hoặc dưới mặt đất như hệ thống đường sắt, đường ray cần cẩu, hệ thống cáp treo, hệ thống máng dây cáp điện, cột thu phát sóng phát thanh truyền hình, ống khói, đường ống kim loại, v.v
h) Vị trí, số lượng các cột cờ, các phòng kỹ thuật trên mái (như: phòng máy của cầu thang máy, thông gió, điều hoà..), bể nước trên mái, và các phần nhô cao khác;
i) Giải pháp xây dựng cho tường và mái, nhằm mục đích xác định phương pháp phù hợp để cố định dây dẫn sét, đặc biệt lưu ý đến vấn đề bảo vệ công trình khỏi tác động của khí hậu;
j) Việc đưa dây dẫn sét xuyên qua các lớp chống thấm. Bố trí các lỗ để luồn dây xuống qua kết cấu, tường mái, gờ trần,.v.v;
k) Các biện pháp liên kết với cốt thép, kết cấu thép hoặc các chi tiết kim loại;
l) Các biện pháp bảo vệ hệ thống khỏi bị hư hỏng do tác động cơ, lý, hoá;
m) Các điều kiện để có thể đo đạc, kiểm tra hệ thống;
n) Việc cập nhật hồ sơ bản vẽ về hệ thống chống sét cho công trình.
...
...
...
Các bộ phận cơ bản của hệ thống chống sét bao gồm:
a) Bộ phận thu sét
b) Bộ phận dây xuống
c) Các loại mối nối
d) Điểm kiểm tra đo đạc
e) Bộ phận dây dẫn nối đất
f) Bộ phận cực nối đất
Các chi tiết cố định và chi tiết điểm đo kiểm tra điển hình của hệ thống dây dẫn được thể hiện trên Hình 6, Hình 7 và Hình 8.
11 Bộ phận thu sét
...
...
...
Bộ phận thu sét có thể là các kim thu sét hoặc lưới thu sét hoặc kết hợp cả hai (xem minh hoạ tại các hình từ Hình 9 đến Hình 14).
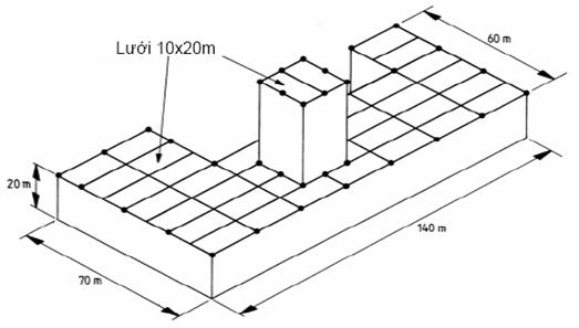
Khoảng cách từ bất kỳ bộ phận nào của mái đến bộ phận thu sét nằm ngang không nên lớn hơn 5 mét (xem thêm Ghi chú 1 và Ghi chú 2 trong Hình 10). Đối với những dạng mái bằng có diện tích lớn thường sử dụng lưới thu sét khẩu độ 10 mét x 20 mét. Đối với những mái có nhiều nóc, nếu khoảng cách S giữa hai nóc lớn hơn 10 + 2H, trong đó H là độ cao của nóc (tất cả được tính bằng đơn vị mét) thì phải bổ sung thêm các dây thu sét (xem Hình 11).
Đối với những công trình bê tông cốt thép, bộ phận thu sét có thể được đấu nối vào hệ cốt thép của công trình tại những vị trí thích ứng với số lượng dây xuống cần thiết theo tính toán.
Tất cả các bộ phận bằng kim loại nằm ngay trên mái hoặc cao hơn bề mặt của mái đều được nối đất như một phần của bộ phận thu sét (xem minh hoạ tại Hình 4, Hình 6 và tham khảo Hình 15).
Lớp phủ đỉnh tường, đỉnh mái và lan can bằng kim loại (xem mục 9), lưới bằng kim loại ở sân thượng nên được tận dụng làm một phần của bộ phận thu sét (xem Hình 4, Hình 6 và Hình 16).
11.2 Các dạng cấu tạo bộ phận thu sét
11.2.1 Nguyên tắc chung
Các dạng cấu tạo bộ phận thu sét thông dụng nhất được minh hoạ tại các hình từ Hình 9 đến Hình 14. Phạm vi ứng dụng của từng dạng thu sét được chỉ dẫn tại 11.2.2; 11.2.3; 11.2.4; 11.2.5 và 11.2.6. Việc sử dụng bộ phận thu sét dạng nào là tuỳ thuộc vào kiến trúc và kết cấu cũng như vị trí xây dựng của từng công trình.
11.2.2 Kim thu sét đơn
...
...
...
11.2.3 Dây thu sét, lưới thu sét cho nhà mái bằng
Hình 5 (b) minh hoạ bố trí dây thu sét viền theo chu vi mái của công trình dạng khối chữ nhật và mặt bằng, mặt cắt phạm vi bảo vệ. Hình 9 minh hoạ cách bố trí bộ phận chống sét điển hình đối với các công trình mái bằng diện tích lớn (xem 11.1). Thông thường sử dụng lưới thu sét cho các công trình dạng này nhằm giảm tác động của hiệu ứng lan truyền sét.
11.2.4 Công trình có mặt bằng rộng và hình khối phức tạp
Đối với các công trình bao gồm nhiều khối trong đó có cả phần cao tầng và thấp tầng, như minh hoạ tại Hình 13, hệ thống chống sét sẽ bao gồm đầy đủ các bộ phận: thu sét, dây xuống và tiếp địa. Khi thiết kế hệ thống chống sét cho phần thấp tầng cần bỏ qua sự hiện diện của phần cao tầng. Lưới tiếp địa và các mối đấu nối được sử dụng theo dạng thông dụng (xem Hình 6, 12.9, 12.10, mục 13, và các phụ lục B.1; B.2; và B.5).
Hình 10 minh hoạ công trình gồm nhiều khối có mái bằng với các độ cao khác nhau. Bảo vệ các khối bằng hệ thống lưới thu sét viền xung quanh chu vi mái và xung quanh phần mái bên trong tại vị trí có các khối nhô cao lên (xem Ghi chú 1 tại Hình 10). Tất cả các bộ phận của hệ thống chống sét phải được đấu nối với nhau theo quy định ở 4.7 (xem Hình 14 và Hình 30)
GHI CHÚ: Trên Hình 14 bộ phận dây thu sét xung quanh chân phần cao tầng được sử dụng để đấu nối lưới thu sét với dây xuống của phần cao tầng. Trên thực tế thì khu vực này đã nằm trong phạm vi bảo vệ, nói cách khác là bình thường thì ở đó không cần bố trí dây thu sét.
Hình 11 minh hoạ các dạng mái có diện tích lớn. Dây thu sét được bố trí trên mái được đấu nối với nhau ở cả hai đầu mép mái. Nếu mái rộng hơn 20 mét thì cần bổ sung thêm dây thu sét ngang để bảo đảm khoảng cách giữa hai dây thu sét không lớn hơn 20 mét.
Đối với các công trình có độ cao trên 20 mét thì cần phải áp dụng phương pháp hình cầu lăn - (xem Phụ lục B và Hình B.1) để xác định vị trí lắp đặt bộ phận thu sét (trừ trường hợp công trình có kết cấu khung thép).
11.2.5 Đối với các công trình mái ngói
...
...
...

Hình 6. Lan can, lớp phủ đỉnh tường bằng kim loại và cốt thép được sử dụng làm kim thu sét và dây xuống
Dây dẫn sét bố trí ở dưới mái ngói chỉ được sử dụng chủ yếu trong trường hợp mái có độ dầy nhỏ hoặc được đặt ngay dưới lớp phủ bên trên mái, và khoảng cách giữa các dây dẫn không lớn hơn 10m.
Đối với công trình dạng nhà thờ hoặc dạng kiến trúc, kết cấu tương tự thì xử lý như công trình đặc biệt. Phần tháp cao hoàn toàn không tính đến trong quá trình thiết kế hệ thống chống sét cho các hạng mục thấp hơn của công trình.
11.2.6 Đối với các công trình đơn giản có chứa các chất dễ gây cháy nổ
Hình 17 minh hoạ giải pháp bố trí hệ thống chống sét chủ yếu được sử dụng đối với các công trình đơn giản, có chứa các chất dễ gây cháy nổ. Hệ thống bảo vệ chính bao gốm hai kim thu sét nối với nhau bằng một dây thu sét. Phạm vi bảo vệ được thể hiện trên mặt bằng, mặt cắt trong hình vẽ, đồng thời thể hiện ảnh hưởng của độ võng của dây thu sét ngang (xem 18.2.1).

Ghi chú: Phủ lớp chống gỉ cho tất cả các nút và liên kết
Hình 7. Điểm đo kiểm tra
...
...
...
Hình 8. Các kiểu kim thu sét điển hình

Hình 9. Thu sét cho mái bằng

GHI CHÚ 1: Cần bố trí lưới thu sét dọc chu vi bao ngoài mái và không có điểm nào ở mái cách nó quá 5m trừ bộ phận thấp cho phép cách xa thêm 1m trên mỗi chiều cao chênh mái
GHI CHÚ 2: Không cần lưới thu sét ngang ở tường mái quanh giếng trời; vùng bảo vệ có góc 60o tạo ra bởi 2 dây thu ngang đối với kết cấu dưới 20m. Không áp dụng cho kết cấu cao hơn 20m
Hình 10. Thu sét cho mái bằng có nhiều độ cao khác nhau

GHI CHÚ 1: Nếu S>10+2H cần bổ sung dây thu sét dọc nhà để khoảng cách giữa các dây thu sét không vượt quá 10m
...
...
...
GHI CHÚ 3: Các hình vẽ trên không thể hiện các dây xuống
Hình 11. Thu sét cho mái có diện tích lớn và nhiều nóc

Các kích thước tính theo mét
GHI CHÚ: Các ví dụ ở trên minh hoạ cho nhiều loại mái có kích thước khác nhau. Khi thiết kế lưới thu sét mái cần tuân thủ nguyên tắc:
- Không bộ phận nào của mái cách dây thu sét quá 5m
- Cần đảm bảo khoảng cách ô lớn nhất là 20x10m
a) Bộ phận thu sét và dây xuống
Hình 12. Thu sét và dây xuống được che đậy cho nhà mái dốc với chiều cao dưới 20 mét
...
...
...
Ký hiệu:
----- Dây dẫn đi chìm
· Kim thu sét (kim trần không sơn bọc, cao 0,3m) hoặc tấm kim loại
b) Các dây thu sét nằm dưới tấm lợp
Hình 12.Thu sét và dây xuống được che đậy cho nhà mái dốc với chiều cao dưới 20 mét (tiếp)

GHI CHÚ: Các dây dẫn ngang cần được liên kết tại các vị trí giao nhau
Hình 13. Thu sét và dây xuống cho công trình mái bằng

...
...
...
a) lưới thu nằm ngang bố trí theo ô 10m x 20m
b) liên kết với kết cấu thép tại các góc với khoảng cách 20m dọc chu vi và chân phần nhô cao trên mái thấp 1 đoạn 0,5m
Hình 14. Thu sét cho công trình có tháp cao dẫn điện

GHI CHÚ: Không thể hiện dây xuống trong hình vẽ này
Hình 15. Thu sét cho công trình có chứa các chất dễ gây cháy nổ
12 Dây xuống
12.1 Khái niệm chung.
Chức năng của dây xuống là tạo ra một nhánh có điện trở thấp từ bộ phận thu sét xuống cực nối đất sao cho dòng điện sét được dẫn xuống đất một cách an toàn.
...
...
...
Trong thực tế, tùy thuộc vào dạng của công trình, thông thường cần có các dây xuống đặt song song, một số hoặc toàn bộ những dây xuống đó có thể là một phần của kết cấu công trình đó. Ví dụ, một khung thép hoặc kết cấu bê tông cốt thép có thể không cần các dây xuống vì bản thân cái khung đó đã tạo ra một mạng lưới gồm nhiều nhánh xuống đất một cách hiệu quả, ngược lại một kết cấu được làm hoàn toàn từ các vật liệu không dẫn điện sét sẽ cần các dây xuống bố trí theo kích thước và dạng của kết cấu đó.
Tóm lại, hệ thống dây xuống khi có thể thực hiện được thì nên dẫn thẳng từ bộ phận thu sét đến mạng lưới nối đất và đặt đối xứng xung quanh các tường bao của công trình bắt đầu từ các góc. Trong mọi trường hợp, cần phải lưu ý đến hiện tượng lan truyền sét (xem 12.5).

GHI CHÚ: Chiều dày nhỏ nhất khi sử dụng tấm lợp kim loại làm một bộ phận của hệ thống chống sét là:
- Thép mạ kẽm 0,5mm
- Đồng 0,3mm
- Nhôm, kẽm 0,7mm
- Chì 2,0 mm
Hình 16. Kẹp đấu nối bộ phận thu sét cho mái bằng trong trường hợp mái kim loại được sử dụng làm một bộ phận của hệ thống chống sét
...
...
...
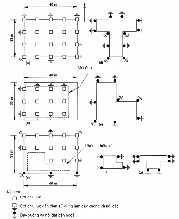
Bố trí dây xuống cho nhiều dạng công trình, có hoặc không có khung thép, được thể hiện trên Hình 18. Trong các công trình có chiều cao lớn, khung thép hoặc cốt thép trong bê tông phải được liên kết với nhau và tham gia vào sự tiêu tán dòng điện sét cùng với các ống thẳng đứng và các chi tiết tương tự, chúng nên được liên kết ở phần trên cùng và phần dưới cùng. Thiết kế của hệ thống chống sét do đó sẽ bao gồm các cột liên tục hoặc các trụ thẳng đứng được bố trí phù hợp với 12.3. Với các công trình có khung thép hoặc các công trình bêtông cốt thép không cần thiết phải bố trí các dây xuống riêng rẽ.
Hình 18a) minh họa một công trình có khung thép. Theo đó không cần bố trí thêm các dây xuống nhưng cần nối đất phù hợp với tiêu chuẩn này. Hình 18b) thể hiện cách bố trí dây xuống trong trường hợp mái đua ở 3 cạnh. Hình 18c) thể hiện cách bố trí trong trường hợp phòng khiêu vũ hoặc bể bơi có khu phụ trợ.
Hình 18d), Hình 18e), Hình 18f) và Hình 18g) thể hiện các công trình có hình dạng mà có thể bố trí tất cả các dây xuống cố định ở các bức tường bao. Cần phải thận trọng khi lựa chọn khoảng cách các dây xuống phù hợp để tránh khu vực ra vào, lưu ý đến yêu cầu tránh điện áp bước nguy hiểm trên bề mặt đất (tham khảo thêm Hình 19).
12.3 Số lượng khuyến cáo
Vị trí và khoảng cách các dây xuống trong công trình lớn thường phụ thuộc vào kiến trúc. Tuy nhiên, nên bố trí một dây xuống với khoảng cách giữa các dây là 20m hoặc nhỏ hơn theo chu vi ở cao độ mái hoặc cao độ nền. Công trình có chiều cao trên 20m phải bố trí các dây cách nhau 10m hoặc nhỏ hơn.
12.4 Những công trình cao khó thực hiện việc đo kiểm tra.
Với công trình có chiều cao lớn, điều kiện kiểm tra và đo đạc là khó, cần phải có biện pháp đo kiểm tra tính liên tục của hệ thống. Cần ít nhất hai dây xuống cho công tác đo đạc đó (xem Hình 4).
12.5 Bố trí đường dẫn xuống
Dây xuống cần phải đi theo lối thẳng nhất có thể được giữa lưới thu sét và mạng nối đất. Khi sử dụng nhiều hơn một dây xuống thì các dây xuống cần được sắp xếp càng đều càng tốt xung quanh tường bao của công trình, bắt đầu từ các góc (xem Hình 18), tùy thuộc vào kiến trúc và khả năng thi công.
...
...
...
Các bức tường bao quanh sân chơi và giếng trời có thể được sử dụng để gắn các dây xuống nhưng không được sử dụng vách lồng thang máy (xem 15.3.10). Các sân có tường bao cứ 20m phải được trang bị một dây xuống. Tuy nhiên, nên có ít nhất hai dây xuống và bố trí đối xứng.
12.6 Sử dụng cốt thép trong kết cấu bêtông
12.6.1 Nguyên tắc chung
Các chi tiết cụ thể cần được quyết định ở giai đoạn thiết kế, trước khi thi công công trình (xem 9.5).
12.6.2 Tính dẫn điện liên tục
Các thanh cốt thép kim loại của kết cấu bêtông cốt thép đúc tại chỗ đôi khi được hàn, trường hợp đó hiển nhiên là nó tạo ra khả năng truyền điện liên tục. Thông thường chúng được nối buộc với nhau bởi các dây nối kim loại ở các điểm giao nhau. Mặc dù vậy, không kể đến những mối liên kết tình cờ tự nhiên của kim loại, thì một số lượng rất lớn của các thanh và các mối giao nhau thi công như vậy cũng là đảm bảo tách nhỏ cường độ của dòng điện sét ra thành nhiều nhánh tiêu tán song song. Kinh nghiệm chỉ ra rằng kết cấu đó rõ ràng có thể tận dụng như là một bộ phận trong hệ thống chống sét.
Tuy nhiên, cần lưu ý các vấn đề sau :
a) Phải đảm bảo tiếp xúc giữa các cốt thép, ví dụ bằng cách cố định chúng bằng dây buộc;
b) Cần phải nối cốt thép đứng với nhau và cốt thép đứng với cốt thép ngang.
...
...
...
Các dây dẫn sét không được kết nối với các cột, dầm hay giằng bêtông cốt thép ứng lực trước vì thép ứng lực trước không được liên kết và do đó không có tính dẫn điện liên tục.
12.6.4 Bê tông đúc sẵn
Trong trường hợp các cột, dầm hay trụ bằng bê tông cốt thép đúc sẵn thì cốt thép có thể được sử dụng như là dây dẫn nếu các đoạn cốt thép ở các cấu kiện riêng biệt được gắn kết với nhau và đảm bảo tính dẫn điện liên tục.

GHI CHÚ: Để tránh hiện tượng lan truyền sét, khoảng cách tối thiểu giữa công trình và dây dẫn/ cột chống là 2m hoặc theo 15.2 (lấy khoảng cách lớn nhất)
Hình 17. Bộ phận thu sét và vùng bảo vệ cho công trình đơn giản có chứa chất dễ cháy nổ.

GHI CHÚ 1: Dây xuống có thể là một bộ phận của kết cấu hoặc thanh tròn, thanh dẹt bố trí ở mặt ngoài công trình
GHI CHÚ 2:Đối với kết cấu cao hơn 20m, dây xuống đặt cách nhau không quá 10 m một chiếc
...
...
...

Hình 19. Chênh lệch điện áp ở mặt đất gần cột đỡ, tháp, trụ có cực nối đất nhiều cực đơn giản
12.7 Tuyến đi bên trong
Khi khả năng bố trí tuyến dây xuống phía bên ngoài là không khả thi hoặc là không thích hợp (xem 12.8.3), các dây xuống có thể được bố trí vào trong một ống rỗng bằng vật liệu phi kim loại, không cháy và được kéo thẳng xuống đất (xem Hình 20).
Bất cứ rãnh được che kín, máng thiết bị, ống hoặc máng cáp chạy suốt chiều cao công trình không chứa sợi dây cáp nào đều có thể được sử dụng cho mục đích này.
12.8 Uốn góc nhọn và nhánh vòng
12.8.1 Điều kiện thực tế không phải lúc nào cũng cho phép các tuyến đi theo con đường thẳng nhất. Tuy có thể chấp nhận uốn góc nhọn tại một số vị trí, ví dụ như tại các gờ mái, nhưng cần lưu ý các nhánh vòng trong dây dẫn có thể làm điện cảm cao giảm xuống nhanh làm cho việc tiêu tán dòng điện sét có thể xảy ra phía hở của nhánh vòng. Về cơ bản, rủi ro có thể xuất hiện khi chiều dài của dây dẫn tạo ra nhánh vòng vượt quá 8 lần chiều rộng phần hở của mạch (Xem Hình 21).
12.8.2 Khi không thể tránh được nhánh vòng dài, ví dụ như trong trường hợp tường lan can, tường mái, các dây dẫn phải được sắp đặt sao cho khoảng cách của phần hở nhánh vòng đáp ứng được nguyên tắc đưa ra ở 12.8.1. Cách làm khác là tạo lỗ qua các tường lan can để các dây dẫn có thể xuyên qua dễ dàng.
12.8.3 Tại các công trình có các sàn trên đua ra, cần xét tới nguy cơ lan truyền sét từ dây xuống bên ngoài đến người đứng ở dưới phần nhô ra. Các dây xuống phải theo một tuyến ở bên trong, phù hợp với 12.7, nếu kích thước của phần nhô ra đó có thể gây nguy cơ về lan truyền sét cho người hoặc nếu khoảng cách các dây xuống lớn hơn 20m.
...
...
...
w ≤ 15(0,9h-2,5) (3)
nếu các dây xuống đi theo tuyến bên ngoài.
Cách xác định h và w của phần nhô ra được minh họa ở Hình 21d.
12.9 Liên kết để tránh hiện tượng lan truyền sét
Bất cứ chi tiết kim loại ở trong hoặc là một phần của kết cấu hoặc bất cứ thiết bị công trình có các thành phần kim loại được thiết kế hoặc ngẫu nhiên tiếp xúc với đất nền phải được cách ly hoặc liên kết với dây xuống (Xem mục 17). Tuy nhiên, trừ phi các tính toán ở 15.2 và các yêu cầu ở B.2 chỉ ra rằng cần phải liên kết thì những thứ có tiếp xúc với hệ thống chống sét, trực tiếp hoặc không trực tiếp, thông qua các liên kết kim loại với kim loại chắc chắn và tin cậy thì không cần các dây dẫn liên kết thêm.
Chỉ dẫn chung tương tự cũng áp dụng cho toàn bộ các chi tiết kim loại lớn để hở nối hoặc không nối với đất.
GHI CHÚ: Trong phạm vi vấn đề này, chi tiết được coi là lớn khi có kích thước một cạnh bất kỳ lớn hơn 2m.
Có thể bỏ qua các chi tiết nhỏ như các bản lề cửa, giá đỡ máng bằng kim loại hay cốt thép của các dầm nhỏ đơn độc.
12.10 Liên kết
...
...
...
Hầu hết các phần của hệ thống chống sét được thiết kế sao cho có thể lắp vừa vào trong mặt bằng chung. Tuy nhiên các liên kết được sử dụng để kết nối các bộ phận làm từ kim loại có các hình dạng và thành phần khác nhau do đó không thể có một dạng chuẩn. Do tính đa dạng trong sử dụng của chúng và các nguy cơ ăn mòn nên cần phải chú ý tới các bộ phận kim loại của chúng, ví dụ như phần kết nối và các bộ phận được kết nối.
12.10.2 Các yêu cầu về cơ và điện.
Một liên kết phải hiệu quả cả về cơ và điện và được bảo vệ tránh ăn mòn và xâm thực trong môi trường làm việc.
Các chi tiết kim loại bên ngoài ở trên kết cấu hoặc là một phần của kết cấu có thể phải tiêu tán toàn bộ dòng điện do sét đánh vào nó và do đó liên kết của các chi tiết đó với hệ thống chống sét phải có tiết diện không nhỏ hơn tiết diện của dây dẫn chính. Ngược lại, các chi tiết kim loại bên trong không dễ bị hư hại và liên kết của nó ngoài chức năng cân bằng điện áp thì nhiều lắm cũng chỉ tải một phần cường độ dòng điện sét. Do đó các liên kết bên trong có thể có tiết diện nhỏ hơn tiết diện các dây dẫn chính.
12.10.3 Dự trù cho việc liên kết các thiết bị tương lai
Đối với mọi công trình, tại mỗi cốt sàn cần phải dự trù cho việc liên kết máy móc thiết bị trong tương lai với hệ thống chống sét, ví dụ như liên kết với thiết bị kim loại cấp gas, nước, hệ thống thoát nước hoặc các thiết bị khác tương tự. Các kết cấu đỡ lưới điện, điện thoại hoặc đường dây khác trên cao không nên liên kết với hệ thống chống sét mà không có sự cho phép của nhà chức trách có thẩm quyền.

GHI CHÚ: Cần tham khảo các quy định có liên quan về ống dẫn kín chống cháy ở mỗi sàn
Hình 20. Dây xuống trong ống dẫn bố trí bên trong
...
...
...
Bất kỳ mối nối khác với mối nối hàn đều thể hiện sự gián đoạn trong hệ thống dẫn điện và nhạy cảm với sự thay đổi và hư hỏng. Cho nên, hệ thống chống sét càng ít mối nối càng tốt.
Các mối nối phải hiệu quả cả về mặt cơ và điện, ví dụ như kẹp, vít, bu lông,chốt, đinh tán hoặc hàn. Với mối nối chồng, khoảng chồng lên của mọi kiểu dây dẫn phải không nhỏ hơn 20mm. Bề mặt tiếp xúc trước hết phải được làm sạch và sau đó ngăn chặn hiện tượng ôxy hoá bằng hóa chất chống rỉ thích hợp. Mối nối giữa hai kim loại khác nhau phải được làm sạch bằng các chất khác nhau với mỗi kiểu vật liệu.
Tất cả các mối nối phải được bảo vệ ăn mòn và xâm thực do môi trường và phải có diện tiếp xúc thích hợp. Kiểm tra định kỳ sẽ thuận tiện do sử dụng các lớp sơn bảo vệ bằng:
a) sơn phủ có gốc hoá dầu;
b) sơn phủ cao su bằng phương pháp phun;
c) sơn phủ không co nhiệt.
Vật liệu sử dụng làm đai ốc và bulông phải phù hợp với các tiêu chuẩn hiện hành về bu lông và đai ốc. Để bắt bulông thanh dẹt, cần ít nhất là 2 bulông M8 hoặc một bulông M10. Với các mối nối đinh tán, cần phải sử dụng ít nhất 4 đinh tán có đường kính 5mm.
Bulông liên kết các thanh dẹt với tấm kim loại có chiều dầy nhỏ hơn 2mm cần phải có miếng đệm với diện tích không nhỏ hơn 10cm² và phải sử dụng không ít hơn 2 bulông M8.
12.10.5 Các điểm đo kiểm tra.
...
...
...
Cần đặt các bảng chỉ vị trí, số lượng và kiểu của các cực nối đất ở trên mỗi điểm kiểm tra.

Hình 21. Các nhánh vòng
13 Mạng nối đất
GHI CHÚ: Thông tin thêm về mạng nối đất được trình bày ở B.1.
13.1 Điện trở nối đất
Cực nối đất phải được kết nối với mỗi dây xuống. Mỗi cực phải có điện trở (đo bằng Ω) không vượt quá 10 nhân với số cực nối đất được bố trí (xem 12.3). Tất cả mạng nối đất nên có điện trở nối đất tổng hợp không vượt quá 10 Ω và không kể đến bất kỳ một liên kết nào với các thiết bị khác.
Điện trở nối đất trước và sau khi hoàn thành các liên kết cần được đo và ghi chép lại và sử dụng trong mọi đợt đo kiểm tra sau đó (xem 13.4 và mục 28).
Nếu điện trở của toàn bộ hệ thống chống sét vượt quá 10 Ω, có thể giảm giá trị đó bằng cách kéo dài hoặc thêm vào các điện cực hoặc bằng cách liên kết các cực nối đất riêng rẽ của các dây xuống với một dây dẫn được đặt sâu ít nhất 0,6m dưới mặt đất, đôi khi được gọi là cực nối đất mạch vòng (xem Hình 22). Các cực nối đất mạch vòng nên được bố trí bên dưới các thiết bị đầu vào công trình.
...
...
...
Trong kết cấu khung thép, các cấu kiện của khung thép thường được liên kết chắc chắn đảm bảo có thể sử dụng như các dây xuống. Phần thấp nhất của kết cấu nên được nối đất một cách thỏa đáng, với các dây xuống được bố trí tuân theo các yêu cầu ở 12.3. Trong hầu hết các trường hợp, các móng của công trình sẽ có điện trở nối đất thấp phù hợp mà không cần các cực nối đất khác, đặc biệt nếu móng của công trình bao gồm cả các cọc có cốt thép. Việc đo điện trở nối đất của các móng vừa mới hoàn thành sẽ quyết định liệu bản thân móng đã đảm bảo chưa hay có cần thêm các cực nối đất (xem B.1.6). Trong các công trình hiện có, việc đo điện trở nối đất của móng đôi khi bất khả thi và do đó phải tìm kiếm giải pháp nối đất khác như trình bày ở mục 14. Nếu chỉ sử dụng móng để nối đất, cần có các biện pháp nối từng cấu kiện thẳng đứng của kết cấu thép với nền đất tạo bởi cốt thép trong móng bê tông.
13.2 Tầm quan trọng của việc làm giảm điện trở nối đất
Việc làm giảm giá trị điện trở nối đất xuống dưới 10 Ω tạo thuận lợi cho việc giảm chênh lệch điện thế xung quanh các cực nối đất khi tiêu tán dòng điện sét. Nó có thể làm giảm nguy cơ lan truyền sét vào kim loại trong hoặc trên công trình (xem 12.9).
13.3 Mạng nối đất chung cho mọi thiết bị
Nên sử dụng mạng nối đất chung cho hệ thống chống sét và mọi thiết bị khác. Mạng nối đất cần phù hợp với những đề xuất trong tiêu chuẩn này và cũng cần tuân theo các quy định áp dụng cho các thiết bị có liên quan. Điện trở nối đất trong trường hợp này cần có giá trị thấp nhất đáp ứng bất cứ thiết bị riêng lẻ nào.
13.4 Cách ly hệ thống cực nối đất để đo kiểm tra
Các cực nối đất cần đáp ứng yêu cầu cách ly và nên bố trí một cực nối đất tham chiếu (xem 3.7) phục vụ cho mục đích đo kiểm tra.
Khi kết cấu thép trong công trình được sử dụng làm dây xuống, cần bố trí các điểm đo đạc để kiểm tra tính liên tục về điện trở thấp của kết cấu thép. Điều này đặc biệt quan trọng với các thành phần không lộ ra của kết cấu. Cực nối đất tham chiếu là cần thiết cho việc đo kiểm tra đó.
13.5 Công trình trên nền đá
...
...
...
14 Cực nối đất
GHI CHÚ : Thông tin thêm về cực nối đất được cho ở B.1.
14.1 Quy định chung
Trước khi bắt đầu quá trình thiết kế, cần quyết định về kiểu của cực nối đất thích hợp nhất với tính chất tự nhiên của đất thu được theo thí nghiệm lỗ khoan.
Các cực nối đất gồm có các thanh kim loại tròn, dẹt, các ống hoặc kết hợp các loại trên hoặc là các bộ phận nối đất tự nhiên như cọc hay móng của công trình (xem B.1.4 và B.1.6).
14.2 Điều kiện đất
14.2.1 Quy định chung
Khi sử dụng các thanh để nối đất, trừ nền đá, chúng nên được đóng vào lớp đất không phải đất đắp, đất lấp hoặc là loại đất dễ bị khô (theo mùa hay do nhiệt tỏa ra từ các thiết bị, nhà máy).
14.2.2 Cực nối đất có lớp bọc để sử dụng bên trong các kết cấu dạng bể chứa
...
...
...
14.3 Thanh nối đất
14.3.1 Vị trí
Khi sử dụng các thanh nối đất, chúng nên được đóng vào đất ngay bên dưới công trình và càng gần dây xuống càng tốt. Thi công các thanh nối đất xa công trình thường là không cần thiết và không kinh tế (xem Hình 24). Khi các điều kiện về đất là thuận lợi cho việc sử dụng các thanh đứng song song với nhau, sự giảm bớt điện trở nối đất là nhỏ khi khoảng cách giữa các thanh nhỏ hơn chiều dài đóng vào đất.
14.3.2 Đo điện trở nối đất trong quá trình lắp đặt
Trong quá trình đóng các thanh vào đất, nên tiến hành đo điện trở nối đất. Làm như vậy sẽ biết được trạng thái ở đó không cần phải giảm tiếp điện trở nữa, đặc biệt khi đóng các thanh dài.
14.3.3 Kết nối với mạng nối đất
Điểm kết nối với mạng nối đất phải có khả năng di dời và dễ dàng tiếp cận được từ trên mặt đất để thuận tiện cho việc kiểm tra, đo đạc và bảo dưỡng hệ thống chống sét. Nếu nằm dưới mặt đất, điểm kết nối nên được đặt trong một cái hố hoặc cống được xây dựng cho mục đích kiểm tra. Tuy nhiên, có thể chấp nhận các bố trí đơn giản trong một số trường hợp ví dụ như lắp hệ thống nhỏ, mạng nối đất sâu hơn bình thường hoặc các trường hợp khác phụ thuộc vào điều kiện hiện trường (xem B.1.2).
14.4 Các thanh dẹt
14.4.1 Vị trí và hình dáng
...
...
...
Các thanh dẹt nên được bố trí hướng tâm từ điểm kết nối với dây xuống, số lượng và chiều dài của chúng được xác định sao cho có được điện trở nối đất cần thiết.

GHI CHÚ: Kích thước ô lưới thu sét không quá 10m x 20m. Dây dẫn xuống đặt cách nhau không quá 10m
Hình 22. Hệ thống
chống sét cho nhà cao tầng (trên 20m), thể hiện bộ phận thu sét,
dây xuống liên kết với các bộ
phận nhô lên trên mái
Nếu các hạn chế về không gian đòi hỏi sử dụng cách bố trí song song hoặc dạng lưới, nên bố trí như Hình 24 với khoảng cách giữa các thanh song song không nên nhỏ hơn 3m.
14.4.2 Ăn mòn
Không cho phép bụi than cốc tiếp xúc với các điện cực bọc đồng do tính chất ăn mòn nguy hiểm của chúng. Không nên nhồi muối vào đất xung quanh các cực nối đất.
15 Kim loại ở trong hoặc trên công trình.
GHI CHÚ: Các thông tin thêm về kim loại ở trong hoặc trên công trình được cho ở B.2
...
...
...
Khi sét đánh vào mạng thu sét, điện thế của mạng thu sét với đất tăng lên và, trừ khi có biện pháp phòng ngừa thích hợp, sự phóng điện có thể xảy ra theo các đường khác nhau xuống đất thông qua hiệu ứng lan truyền sét vào các chi tiết kim loại khác trong công trình.
Có 2 biện pháp để phòng ngừa hiệu ứng lan truyền sét, đó là:
a) Cách ly
b) Liên kết
Biện pháp cách ly yêu cầu khoảng cách ly lớn giữa hệ thống chống sét và các chi tiết kim loại khác trong công trình. Điểm hạn chế chính của biện pháp cách ly nằm ở chỗ rất khó tạo ra và duy trì khoảng cách ly an toàn cần thiết và bảo đảm rằng các chi tiết kim loại được cách ly không kết nối với đất, ví dụ như thông qua nước hoặc các hình thức khác.
Nhìn chung, liên kết là biện pháp thường được sử dụng hơn.

Hình 23. Ví dụ về cực nối đất có lớp bọc được sử dụng trong kết cấu bể chứa

...
...
...
(a) Cực nối đất dạng dây dẹt (b) Cực nối đất đơn hoặc đa cực
GHI CHÚ 1: Khi phần mạng nối đất cần thiết phải chạy gần hoặc dưới đường đi, phần đó nên được chôn sâu không dưới 0,6m tính từ mặt đất.
GHI CHÚ 2: Điện thế ở mặt đất có thể giảm bằng cách chôn thanh hoặc dây thép sâu hơn.
Hình 24. Mạng nối đất: bố trí các cực nối đất

Hình 25. Đường cong để xác định xác suất lớn nhất dòng điện trong tia sét từ tỉ số p/p0

Hình 26. Điện cảm truyền trong mạch đơn giản
15.2 Ước lượng khoảng cách ly chống lan truyền sét
...
...
...
Khoảng cách ly cần thiết để chống lan truyền sét phụ thuộc vào điện áp duy trì bởi hệ thống chống sét so với đất, điện áp này lại phụ thuộc vào cường độ dòng điện sét. Trình tự đánh giá khoảng cách ly cần thiết được trình bày ở các phần 15.2.2, 15.2.3 và 15.2.4 dưới đây.
GHI CHÚ: Lý thuyết và thực nghiệm đã chỉ ra rằng các trường điện từ là như nhau đối với một dây xuống được che chắn và một hệ thống thường có kích thước tương tự. Dây dẫn được che chắn có bất lợi là điện thế giữa dây dẫn bên trong và dây dẫn bên ngoài có che chắn có thể lên tới hàng trăm kilôvôn đến mức gây ra lan truyền sét. Điểm bất lợi khác nữa là dây dẫn bên trong không tiếp cận được để kiểm tra.
15.2.2 Xác định dòng điện phát sinh
Để xác định dòng điện do sét đánh xuống cần tiến hành theo các bước sau:
- Ước lượng xác suất sét đánh vào công trình p (xem 7.2).
- Chia xác suất ước lượng, p cho xác suất sét đánh cho phép p0 (xem 7.3).
- Sử dụng Hình 26 xác định được dòng điện có cường độ lớn nhất có khả năng phát sinh.
15.2.3 Điện áp duy trì bởi hệ thống chống sét
Điện áp này có 2 thành phần: một là tích của dòng điện và điện trở nối đất và thành phần khác là tích của độ biến thiên dòng điện với điện cảm tự cảm của dây dẫn sét. Trường hợp nguy hiểm nhất, tổng của hai tích này sẽ cho giá trị điện áp cần sử dụng trong tính toán.
...
...
...
Hình 27 minh hoạ quan hệ giữa điện áp phóng điện trong không khí, qua bề mặt thể xây và qua vết nứt trong khối xây gạch với khoảng cách. Điện áp phóng điện đối với một khoảng cách cho trước được xác định từ Hình 27 để so sánh với kết quả tính toán điện cảm. Ví dụ tính toán để quyết định có cần liên kết các chi tiết kim loại vào hệ thống chống sét hay không được thể hiện ở phụ lục D.
15.2.5 Tính toán điện cảm phát sinh giữa một dây dẫn sét và các chi tiết kim loại dễ bị ảnh hưởng bởi hiệu ứng lan truyền sét.
Mặc dù cho đến nay thuật ngữ điện cảm tự cảm được sử dụng cho việc tính toán điện áp cảm ứng, trên thực tế điện áp cảm ứng được sinh ra trong một mạch kín tạo bởi chính dây xuống và các chi tiết kim loại khác. Do đó nói chính xác hơn điện áp cảm ứng sẽ tỷ lệ với hiệu của điện cảm tự cảm (L) trừ đi điện cảm tương hỗ (M) giữa dây dẫn sét với các chi tiết kim loại. Hiệu số này được gọi là điện cảm truyền dẫn (MT) và được dùng thay thế cho điện cảm tự cảm trong việc tính toán điện áp cảm ứng. Điện cảm truyền dẫn có thể được tính theo phương trình (4).
Cho một dây dẫn sét đứng có tiết diện tròn bán kính r (m), cách các bộ phận kim loại thẳng đứng khác một đoạn là S (m), trong đó S là khoảng cách giữa tâm của 2 dây dẫn như Hình 26a) và l là chiều cao của mạch, điện cảm truyền MT (đo bằng micro henry) được tính theo phương trình:
(4)
Với những dây xuống không có tiết diện tròn thì phải dùng bán kính hiệu dụng re (Xem Hình 26b). Ví dụ với dây có tiết diện ngang là 25mm x 3 mm, re (m) được tính theo phương trình dưới đây:
(5)
Tuy nhiên cách tính MT không bị ảnh hưởng bởi hình dạng tiết diện ngang của ống kim loại hay các chi tiết kim loại khác. Khi đã tính được MT thì điện cảm VL (kilovol) phát sinh trong mạch minh hoạ ở Hình 26a được tính theo phương trình (6):
(6)
...
...
...
n là số lượng dây xuống cùng chịu dòng điện do sét truyền vào.
Khi có nhiều dây xuống thì khoảng cách S từ dây có sét đến dây xuống gần nhất cần phải được sử dụng để tính toán.
Ví dụ khi sử dụng phương trình (6) nếu S=1m, l = 5m và n = 4;

Từ Hình 27, khoảng cách từ điểm cao nhất của mạch (có thể một nhánh ngoài của mạng lưới) đến dây xuống sẽ phải nhỏ đến 0,4m tại một vị trí nhất định để tạo ra nguy cơ phóng điện. Một nhánh ngoài gần đến như vậy phải được liên kết với dây dẫn xuống cho an toàn.
Với công trình có mặt bằng dạng chữ nhật hoặc hình vuông có hơn 4 dây xuống, dây xuống ở góc sẽ chịu một điện áp lớn hơn mức trung bình của tổng dòng điện (i) (nghĩa là > i/n), do đó hệ số 30 % phải được tính thêm vào điện áp phát sinh gần dây dẫn đó. Ngược lại, ở vùng giữa của công trình có rất nhiều dây xuống (cách xa dây xuống nằm ở góc) giá trị di/dt là thấp hơn giá trị được đưa ra bởi số lượng dây xuống khoảng 30 % và nguy cơ lan truyền sét là tương đối ít, với giả thiết rằng các thiết bị được liên kết sao cho điện trở của đẩt không tạo ra sự chênh lệch điện thế.
15.3 Tình huống cần thiết phải liên kết
(xem thêm phụ lục B.2)
15.3.1 Khi liên kết các chi tiết kim loại liền kề với hệ thống chống sét, cần phải cân nhắc kỹ về các tác động có thể xảy ra của các liên kết đối với các chi tiết kim loại đã được bảo vệ ca-tốt. Cần lưu ý tới các khuyến cáo từ 15.3.2 đến 15.3.10.
...
...
...
15.3.3 Với công trình đơn giản chỉ là một khung kim loại liên tục,thì không cần phải có bộ phận thu sét hay dây xuống. Khung đó đủ điều kiện để đảm bảo tính liên tục về mặt cơ học và dẫn điện.
15.3.4 Một kết cấu BTCT hoặc một kết cấu khung BTCT có thể có điện trở nối đất của bản thân chúng khá nhỏ để có thể làm phương tiện bảo vệ sét đánh. Nếu các mối nối được đưa ra bên ngoài điểm cao nhất của cốt thép trong lúc xây dựng thì việc kiểm tra có thể được tiến hành để xác minh điều này khi hoàn thành công trình (xem Hình 6).
Nếu điện trở nối đất của khung thép của công trình hoặc cốt thép trong kết cấu bê tông cốt thép đảm bảo thì cần lắp đặt một bộ phận thu sét ngang ở trên điểm cao nhất và liên kết với khung thép hoặc cốt thép.
GHI CHÚ: Trong trường hợp đặc biệt của tháp làm lạnh nước thường không lắp bộ phận thu sét.
Khi không thể kiểm tra theo cách thông thường thì nên sử dụng vật liệu chống rỉ để liên kết với thép hoặc cốt thép và nên đưa ra ngoài để kết nối với bộ phận thu sét. Cần trang bị bổ sung dây xuống và bộ phận thu sét nếu khi kiểm tra điện trở nối đất của bản thân công trình không thỏa mãn (xem 13.1).
15.3.5 Khi công trình có các chi tiết kim loại không thể liên kết vào mạng có tính dẫn điện liên tục và nó không hoặc không thể được trang bị hệ thống nối đất bên ngoài, thì sự tồn tại của nó có thể được bỏ qua. Mối nguy hiểm do các chi tiết kim loại đó có thể giảm thiểu bằng cách cách ly hoàn toàn các chi tiết kim loại đó với hệ thống chống sét, phương án xử lý cần tham khảo các khuyến cáo ở 15.2.
15.3.6 Khi bộ phận mái công trình được kim loại che phủ hoàn toàn hoặc một phần thì cần phải thận trọng khi liên kết nó với hệ thống chống sét.
15.3.7 Trong bất cứ kết cấu nào, kim loại gắn với mặt ngoài hoặc nhô ra khỏi tường hay mái mà có khoảng cách ly đển hệ thống chống sét là không đủ và không thích hợp để sử dụng như một phần của hệ thống đó thì cần gắn càng trực tiếp càng tốt với hệ thống chống sét. Nếu có chi tiết kim loại nào chạy gần với bộ phận thu sét, ví dụ như đường ống nước chạy đến bể chứa nước trên mái, dây cáp, các đường ống, máng xối, ống dẫn nước mưa và cầu thang, và nếu các chi tiết này chạy gần như song song với dây xuống hoặc liên kết với nó, nó phải được liên kết ở các điểm cuối nhưng không thấp hơn điểm kiểm tra. Nếu các chi tiết này không liên tục thì mỗi phần của nó phải được liên kết với hệ thống chống sét, khi đã có các khoảng không cho phép thì sự tồn tại của các chi tiết kim loại đó có thể bỏ qua.

...
...
...
15.3.8 Khối kim loại trong công trình như khung chuông trong nhà thờ, tường bao, các thiết bị máy móc mà nó được kết nối hoặc tiếp xúc với đường ống nước hoặc các thiết bị có cáp điện mà bản thân nó nối đất phải được liên kết đến dây xuống gần nhất bằng đường đi càng trực tiếp càng tốt.
15.3.9 Kim loại đi vào hoặc đi ra công trình ở dạng có vỏ bọc hoặc ống dẫn điện, gas, nước, nước mưa, hơi nước, khí nén hoặc các thiết bị khác phải được liên kết càng trực tiếp càng tốt đến cực nối đất. Điểm kết nối phải được làm tại vị trí mà các thiết bị đó đi ra hoặc vào công trình. Các bậc thang phải được xử lý tương tự.
Khi các chi tiết kim loại ở dạng là một phần của thiết bị chìa ra khoảng cách ly (xem 15.2), nó phải được liên kết với phần gần nhất của hệ thống chống sét ở điểm cao nhất của thiết bị và với các khoảng cách không vượt quá 20m.
Do các thiết kế hệ thống chống sét rất đa dạng nên không có khuyến cáo chính xác nào được đưa ra. Tuy nhiên, cần phải lưu ý rằng có thể có vấn đề khi các đường ống hoặc cáp được bọc cách nhiệt hoặc cách điện.Với trường hợp như vậy, mối liên kết phải được thực hiện ở điểm gần nhất nơi mà phần kim loại của ống hoặc cáp được lộ ra. Mối liên kết sau đó phải được nối với hệ thống nối đất bên ngoài công trình càng thẳng càng tốt.
Điều này rất có thể được áp dụng trong công trình biệt lập mà ở đó các thiết bị được kết nối với nhau.Tuy nhiên khi công trình bao quanh bởi các chi tiết bằng thép gồm một loạt các chi tiết dạng ống nối với nhau thì bản thân nó rất có thể trở thành một điểm thích hợp để nối đất. Đối với hệ thống cấp điện, việc ứng dụng cáp kết hợp nối đất (CNE) là có vấn đề vì việc ngắt dây trung tính có thể gây dòng tải ngược từ điện cực nối đất. Điều đó có thể gây nguy hiểm cho bất cứ ai ngắt mạch điện cực nối đất để đo thử nghiệm.
Hệ thống kết nối điển hình được thể hiện trong Hình 28. Quy tắc chung là mọi hệ thống cần được đánh giá về ưu điểm của nó và được thảo luận với các bên có liên quan để quyết định phương án phù hợp.
15.3.10 Khi lắp đặt thang máy, kết cấu kim loại liên tục bao gồm cả ray dẫn hướng phải được kết nối với hệ thống chống sét ở điểm cao nhất và điểm thấp nhất của bộ phận lắp.
Khi cốt thép hoặc các chi tiết kết cấu kim loại tạo thành một bộ phận của hệ thống chống sét, thì việc kết nối các chi tiết kim loại này là cần thiết.
Khi khó có thể tận dụng được cốt thép hoặc kết cấu kim loại của công trình thì hệ thống thang máy cần được liên kết với hệ thống an toàn điện nối đất ở cả điểm cao nhất và thấp nhất. Trong mỗi trường hợp, cần liên kết ở điểm nối đất của bảng điện gần nhất.
...
...
...
GHI CHÚ: Có thể xem thêm thông tin về các kết cấu cao trong B.2 và B.5.
16.1 Các kết cấu không dẫn điện
Trên các kết cấu không dẫn điện, nên có ít nhất 2 dây xuống đặt cách đều nhau và đảm bảo rằng, khi sử dụng phương pháp hình cầu lăn (xem B.5), bộ phận thu sét sẽ tạo ra vùng bảo vệ mong muốn. Trên các ống khói, dây xuống nên nối với chóp kim loại của ống khói hoặc với một dây dẫn quanh đỉnh của ống khói.
16.2 Các kết cấu dẫn điện
Có thể áp dụng các quy định ở 15.3.4 cho những kết cấu cao dẫn điện, nhưng tại những vị trí cần các dây xuống nên nối ít nhất 2 dây dẫn và đặt cách nhau không quá 10m quanh chu vi.

Hình 28. Sơ đồ liên kết các thiết bị (gas, nước và điện)
16.3 Tháp và chóp nhà thờ
Thực tế đã chứng minh sét có thể đánh vào phía dưới điểm cao nhất của các kết cấu cao, do đó nên sử dụng ít nhất hai dây dẫn cho tất cả các tòa tháp và ngọn tháp nhà thờ.
...
...
...
Các mái nhà bằng kim loại có thể được sử dụng như các lưới thu sét (xem Bảng 4 và Hình 16).
17 Công trình có mái che rất dễ cháy
17.1 Các bộ phận thu sét
Với công trình có mái che bằng rơm, tranh, cây, cỏ hoặc các vật liệu có khả năng dễ cháy cao, có thể treo bộ phận thu sét tách khỏi mái một đoạn ít nhất 0,3 m trên bộ phận đỡ không dẫn điện và không cháy hoặc các bộ phận thu sét có thể đặt trên một thanh gỗ cứng dẹt có độ rộng tối thiểu là 75 mm. Với mạng dây được tạo ra để bảo vệ mái che bằng rơm rạ và các mái nhà được lợp theo cách tương tự chống lại các cơn gió và bầy chim, mạng đó không nên kết nối với hệ thống chống sét.
17.2 Dây dẫn và các ghép nối
Với các dây dẫn hoặc các ghép nối buộc phải xuyên qua vật liệu làm mái, nên bố trí vào trong các ống không dẫn điện và không cháy.

Hình 29. Tháp và chóp nhà thờ
Ký hiệu
...
...
...
2. Dây xuống
3. Liên kết để giữ thanh đứng
4.Dây thu sét ngang
5. Dây đứng
6. Dây nóc mái
7. Dây viền mái
8. Điểm đo kiểm tra
9. Cực nối đất
10. Nối đất của hệ thống điện
...
...
...
12. Dây dẫn quanh chu vi
GHI CHÚ 1: Ô lưới thu sét nên có kích thước 10m x 20m. Khoảng cách các dây xuống xung quanh chu vi nên là 20m đối với kết cấu thấp hơn 20m, là 10m đối với kết cấu cao 20m trở lên. Dây dẫn ngang nên cách nhau 20m tính từ mái trở xuống.
GHI CHÚ 2: Mái kim loại có thể sử dụng làm bộ phận thu sét
18 Nhà chứa các vật có khả năng gây nổ hoặc rất dễ cháy
18.1 Quy định chung
Những vấn đề phát sinh trong quy định về các hệ thống chống sét cho các kết cấu có chứa vật gây nổ hoặc rất dễ cháy tốt nhất nên giải quyết bằng cách hỏi ý kiến các chuyên gia thông thạo về luật hoặc các quy định của chính phủ và các quy phạm thực hành.
Có thể chấp nhận một rủi ro nhất định nếu các vật liệu nguy hiểm được bảo quản một cách nghiêm ngặt, như trong phòng thí nghiệm hoặc kho chứa nhỏ, hoặc tại nơi kết cấu được đặt ở vị trí tách biệt hoặc được thiết kế đặc biệt để hạn chế những ảnh hưởng của thảm họa có thể xảy ra. Trường hợp các vật liệu nguy hiểm không bị hở ra mà được che kín hoàn toàn trong thùng bằng kim loại có độ dày thích hợp thì ngoại trừ phải đảm bảo nối đất thích hợp, có thể không cần bố trí hệ thống chống sét. Trong các trường hợp khác, mối nguy hiểm tới sinh mạng và tài sản có thể đòi hỏi phải áp dụng tất cả các biện pháp có thể có để bảo vệ tác động của sét đánh. Đề xuất cho các trường hợp này được trình bày trong 18.2 và có thể áp dụng cho các kết cấu ở đó các chất rắn, chất lỏng, gas, hơi nước hoặc bụi dễ nổ hoặc rất dễ cháy được chế tạo, chứa đựng, sử dụng, hoặc ở đó các chất khí, hơi hoặc bụi dễ cháy nổ có thể tích tụ lại.
18.2 Các phương pháp bảo vệ chống sét đánh
18.2.1 Bộ phận thu sét dạng treo
...
...
...
Nếu sử dụng hai hay nhiều dây dẫn nằm ngang song song nhau, góc bảo vệ thích hợp có thể lên tới 45o trong không gian được bao quanh bởi các dây dẫn, nhưng không vượt quá 30o bên ngoài không gian đó (xem Hình 30). Độ cao của dây dẫn nằm ngang nên lựa chọn theo các gợi ý trong 15.2 (xem Hình 30); trong trường hợp còn chưa chắc chắn, nên tham khảo ý kiến chuyên gia. Bộ phận đỡ của lưới thu sét nên được nối đất một cách phù hợp.
Có thể dùng cách khác đối với những nơi chi phí cho phương pháp ở trên là không hợp lý và không có các rủi ro liên quan tới dòng sét đánh vào bề mặt của kết cấu cần được bảo vệ, có thể chọn lựa một trong hai cách lắp đặt sau đây:
a) Bộ phận thu sét dạng treo như thể hiện trên Hình 30 nhưng ở đó các góc bảo vệ là 450 thay vì 300, và 600 thay vì 450;
b) Một lưới dây dẫn nằm ngang với mỗi mắt lưới 10 m x 5 m hoặc nhỏ hơn tùy theo mức độ rủi ro, được cố định trên mái của kết cấu (xem Hình 15).
GHI CHÚ: Mỗi kết cấu riêng biệt được bảo vệ theo các cách này nên được nối với số dây xuống và các bộ phận nối đất gấp đôi so với đề xuất ở 12.3.
18.2.2 Các dây dẫn đứng
Một kết cấu hoặc nhóm các kết cấu có kích thước ngang nhỏ có thể được bảo vệ bằng một hoặc nhiều dây dẫn sét đứng. Nếu sử dụng một dây xuống, góc bảo vệ tính toán không nên quá 300.
Nếu sử dụng hai hay nhiều dây xuống, góc bảo vệ có thể là 450 trong không gian bị giới hạn bởi các dây dẫn, nhưng không nên quá 300 bên ngoài không gian đó. Minh họa về phương pháp bảo vệ này được thể hiện trên Hình 31.
18.2.3 Các kết cấu bị chôn một phần hay toàn bộ dưới đất
...
...
...
18.2.3.2 Nếu kết cấu hoàn toàn nằm dưới mặt đất và không được kết nối với bất kỳ thiết bị nào trên mặt đất có thể được bảo vệ nhờ một lưới thu sét như trong 18.2.1a), cùng với mạng nối đất của nó là hoàn chỉnh. Khả năng chặn xung điện của đất có thể được tính đến khi xác định mức độ rủi ro của việc phát tia lửa điện từ hệ thống bảo vệ tới kết cấu được bảo vệ, bao gồm các bộ phận phụ trợ của nó. Tại nơi độ sâu chôn lấp là thích hợp, lưới thu sét có thể được thay thế bằng mạng các thanh nối đất dẹt được sắp xếp trên bề mặt theo lời khuyên của chuyên gia. Ở những nơi chấp nhận phương pháp này, nên bỏ qua các đề xuất ghép nối cho kim loại, hoặc các dây dẫn kim loại đưa vào kết cấu (xem 18.2.4, 18.2.5 và 18.2.6).
18.2.4 Các cực nối đất mạch vòng
Các cực nối đất của mỗi hệ thống chống sét nên được nối với nhau bằng một cực nối đất mạch vòng. Cực nối đất mạch vòng này nên được chôn ở độ sâu ít nhất 0,6 m trừ khi có những lý do khác, như cần liên kết các vật thể khác tới nó, hoặc để lộ ra trong trường hợp cần đo kiểm tra. Các cực nối đất mạch vòng của các kết cấu kề nhau nên được nối với nhau.
18.2.5 Kim loại trên hoặc trong kết cấu (xem B.2)
18.2.5.1 Tất cả kim loại chính tạo ra các bộ phận của kết cấu, bao gồm cốt thép bằng kim loại và các bộ phận phụ trợ bằng kim loại có tính liên tục, nên được ghép cùng nhau và nối với hệ thống chống sét. Các kết nối như vậy nên được làm ít nhất tại 2 nơi (xem Hình 15) và ở bất cứ nơi nào có thể, nên đặt cách đều nhau không quá 10 m quanh chu vi của kết cấu.
18.2.5.2 Các chi tiết kim loại bên trong kết cấu nên được gắn với hệ thống chống sét (xem 12.9).
18.2.5.3 Việc sử dụng kho bằng thép chuyên dụng nối hàn để chứa các chất nổ đã trở nên khá phổ biến. Đối với các kho như thế, việc bảo vệ sét thích hợp được thực hiện bằng cách nối đất kết cấu ở ít nhất hai điểm.

Hình 30. Bộ phận thu sét có hai dây thu sét treo ngang và vùng bảo vệ cho kết cấu có chứa chất nổ hoặc chất rất dễ cháy
...
...
...
GHI CHÚ 2: Để tránh hiện tượng phóng điện giữa dây thu và công trình, khoảng cách ly tối thiểu phải là 2m hoặc theo 15.2 tuỳ theo giá trị nào lớn hơn. Khoảng cách ly tối thiểu phải được đảm bảo ở vị trí võng nhất trong mọi điều kiện.

Hình 31. Các kim thu sét đứng của nhà kho chứa chất nổ
18.2.6 Dây dẫn điện vào công trình
18.2.6.1 Các dây dẫn điện vào công trình dễ cháy nổ nên đưa vào trong ống kim loại. Vỏ bọc kim loại này cần được liên tục về điện trong toàn kết cấu; nên được nối đất tại điểm đầu vào trong kết cấu bên phía hệ thống dịch vụ của người dùng và được gắn trực tiếp tới hệ thống chống sét (xem Hình 28). Nên có sự thỏa thuận giữa các bên liên quan khi đấu nối.
18.2.6.2 Tại nơi các dây dẫn điện nối với một đường dây cung cấp điện ở trên cao, nên chèn một đoạn cáp kim loại hoặc bọc kim loại có chiều dài 15 m được chôn sâu vào giữa đường dây trên cao và điểm nối vào kết cấu (xem Hình 32). Nên chú ý tới các quy định có liên quan (xem mục 24). Việc thực hiện điều này một cách chuẩn xác là quan trọng, cần có sự thống nhất của các bên có liên quan.
GHI CHÚ: Sét đánh có thể gây xung điện lớn trên các đường dây cấp điện bên trên. Do đó, nên có bộ phận hãm xung điện tại những nơi các đường dây cấp điện bên trên nối với cáp chôn dưới đất. Điều này sẽ cho phép phần lớn dòng điện do sét gây ra được truyền vào đất tại một khoảng cách an toàn so với kết cấu.
18.2.7 Các đường ống, lan can, … nối vào công trình
Các ống dẫn bằng kim loại, dây thép, lan can, đường ray tàu hỏa hoặc các biển hướng dẫn không liên kết thông điện với đất mà nối với công trình chứa vật dễ cháy, nổ, cần được gắn với hệ thống chống sét. Các vật này nên được nối đất tại điểm đầu vào bên ngoài kết cấu và tại 2 điểm xa hơn, một điểm cách xa 75 m và điểm kia cách 75 m tiếp theo. Việc nối đất các lan can nên được thực hiện tại các điểm sau:
...
...
...
- Cách xa điểm đi vào hoặc ra 75 m; nghĩa là hướng vào trong nếu đó là kết cấu ngầm hoặc hướng ra ngoài nếu ở trên mặt đất;
- Cách xa điểm đi vào hoặc ra 150 m hoặc bên ngoài kết cấu trong trường hợp nằm phía trên mặt đất;
- Các điểm cách nhau 75 m khi lắp đặt dưới mặt đất;
Các yêu cầu này cũng áp dụng cho các tuyến bề mặt trên đó có sử dụng cần trục hoặc cầu trục lưu động (xem 15.3.9).

Hình 32. Bảo vệ đặc biệt chống quá dòng do sét gây ra trong nguồn điện cấp vào nhà có chứa chất nổ hoặc chất rất dễ cháy
18.2.8 Đường hoặc hầm vào công trình
Đối với công trình ngầm hoặc các hố đào dưới mặt đất được tiếp cận bằng đường hoặc hầm vào cần tuân theo các gợi ý ở 18.2.7 về việc nối đất bổ sung tại các khoảng cách không quá 75 m, cũng như bên ngoài kết cấu.
18.2.9 Các hàng rào, tường chắn
...
...
...
18.2.10 Các lỗ thông hơi
Để giảm thiểu nguy cơ sét đánh thẳng, các lỗ thông hơi của bất kỳ các thùng chứa cố định nào bao gồm bình gas hoặc chất lỏng dễ cháy, và các lỗ thông khí hoặc ống khói từ các nhà máy chế biến sinh ra hơi hoặc bụi dễ cháy, nếu có thể, nên được đặt trong vùng bảo vệ của hệ thống chống sét. Do điều này không hoàn toàn ngăn chặn sự phát cháy, các lỗ thông hơi cần được bảo vệ tránh sự lan cháy bằng việc sử dụng các vật chặn lửa, các thiết bị lọc khí trơ hoặc các phương tiện thích hợp khác.
18.2.11 Mối nguy hiểm từ các bộ phận cao ở trên hoặc gần các kết cấu dễ bị sét đánh
Không nên trang bị các bộ phận cao như chóp tháp, cột cờ hoặc các dây anten vô tuyến cho các kết cấu dễ bị sét đánh hoặc bố trí chúng trong phạm vi 50 m quanh kết cấu. Khoảng cách ly đó cũng áp dụng đối với việc trồng cây mới, nhưng các kết cấu gần cây đã có nên được xử lý phù hợp với các khuyến cáo ở mục 21.
18.2.12 Đo kiểm tra độ an toàn
Việc đo kiểm tra nên được thực hiện phù hợp với khuyến cáo ở mục 28 và thiết bị đo đạc phải thuộc loại an toàn đối với từng trường hợp nguy hiểm cụ thể.
19 Nhà ở
Các quy định của tiêu chuẩn này có thể áp dụng cho nhà ở. Việc chống sét cho các tòa nhà có các anten vô tuyến truyền hình và truyền thanh được nêu chi tiết hơn ở mục 22. Tại nơi có hệ thống chống sét, gợi ý cách xử lý đối với các đường ống thông hơi bằng kim loại được minh họa trên Hình 33.
20 Hàng rào
...
...
...
Nếu sét đánh vào một hàng rào kim loại kéo dài, đoạn giữa điểm bị sét đánh và điểm nối đất gần nhất sẽ tăng ngay lập tức đến một điện thế cao tương đối so với điện thế của đất. Con người hoặc vật nuôi ở gần, hoặc tiếp xúc với hàng rào tại thời điểm sét đánh vào hàng rào có thể bị nguy hiểm. Do đó, cần nối hàng rào tới đất thông qua các điện cực đất tại các đoạn sao cho có thể tiêu sét một cách hiệu quả nhất.
Về lý tưởng, nên ngắt sự liên tục của hàng rào bằng cách tạo khe hở có đệm chất cách ly dọc chiều dài của hàng rào bởi điều này giúp hạn chế ảnh hưởng của sét đánh tới các đoạn riêng biệt. Tuy nhiên, ở các hàng rào chủ yếu dùng cho các lý do an ninh, việc đưa ra các khe cách ly sẽ làm nảy sinh các vấn đề khác.
Khuyến cáo đối với hàng rào dùng cho các mục đích cụ thể được nêu trong 20.2 và 20.3.

Hình 33. Bảo vệ sét đánh cho các thiết bị trong nhà
20.2 Bảo vệ vật nuôi trên cánh đồng
20.2.1 Thông tin chung
Thiệt hại về vật nuôi khi có sét đánh trong các cơn mưa dông chủ yếu là do các bầy đàn tụ hợp dưới gốc cây trên các cánh đồng trống hoặc quanh các hàng rào bằng kim loại không được nối đất nên bị dòng điện sét phóng vào đủ lớn để giết chết chúng.
Do bản chất của việc nuôi thả vật nuôi trên cánh đồng nên không thể loại trừ hoàn toàn mối nguy hiểm, nhưng nếu muốn giảm mối nguy hiểm này thì nên thực hiện các biện pháp phòng ngừa trong 20.2.2 và 20.2.3.
...
...
...
Với các hàng rào được xây dựng bằng các cọc kim loại thẳng đứng và các dây kim loại dẫn điện liên tục, ví dụ dây thép gai, các dây được kéo căng hoặc dây xích, mỗi đoạn dây liên tục cần được nối với các cột đứng bằng kim loại đặt tại các khỏang đều nhau. Trong trường hợp sử dụng các cột bằng gỗ hoặc bê tông, nên nối các đoạn dây với các cực nối đất, ví dụ các cọc đóng xuống đất.
Ở những nơi đất thường xuyên bị ướt, khoảng cách giữa các chỗ nối không nên quá 150 m và nên giảm xuống 75 m ở nơi đất khô.
20.2.3 Các khe hở cách điện
Hàng rào kim loại không nên dài liên tục mà chia thành các đoạn không quá 300 m bằng cách chèn các cổng bằng gỗ hoặc các khe hở có độ rộng từ 600 mm trở lên, được khép kín nhờ các đoạn vật liệu không dẫn điện.
GHI CHÚ: Không nên sử dụng dây xích bọc bằng vật liệu dẻo để nối kín các khe hở trên.
Nối đất cho hàng rào tại khe hở trên nên bố trí cách các cạnh của khe hở ít nhất là 8 m về mỗi phía.
20.3 Hàng rào bao quanh các kết cấu có chứa chất lỏng hoặc khí dễ cháy
20.3.1 Nối đất các hàng rào hoàn toàn bằng kim loại
Đối với hàng rào bao quanh các vị trí nguy hiểm làm hoàn toàn bằng kim loại thường không có vấn đề gì xảy ra và các hàng rào có thể được nối đất như miêu tả trong 20.2.2 nhưng tại các khoảng cách nhau không quá 75 m.
...
...
...
Các lớp phủ bằng vật liệu có tác dụng bảo vệ tác động của thời tiết và việc ngắt lớp bọc để nối đất cho phần kim loại sẽ tăng nguy cơ ăn mòn, do đó không được khuyến khích áp dụng.
Tuy nhiên, loại hàng rào này thông thường có một lưới dây thép gai ở trên cao. Do đó nên nối đất lưới thép gai này tại các khoảng không quá 75 m để tạo thành bộ phận thu sét bảo vệ hàng rào.
20.3.3 Các khe cách điện
Các hàng rào chủ yếu dùng cho mục đích an ninh nên các khe cách điện có khả năng vi phạm các yêu cầu an ninh, do đó không được khuyến khích áp dụng.
21 Cây và các kết cấu gần cây
GHI CHÚ: Các thông tin thêm về cây và kết cấu gần cây có thể xem trong B.3.
Chỉ cần bảo vệ cây tránh tác động của sét đánh trong trường hợp đặc biệt cần giữ gìn cái cây đó vì lý do lịch sử, thực vật học và môi trường hoặc các ý nghĩa tương tự khác. Trong các trường hợp này, nên thực hiện như sau:
a) Dây xuống chính chạy từ phần cao nhất của nhánh chính của cây tới cực nối đất và dây đó cần được bảo vệ khỏi các phá hỏng cơ học ở mặt đất.
b) Nên cấp thêm các dây dẫn nhánh nối tới dây dẫn chính cho các nhánh cây lớn.
...
...
...
d) Khi gắn các dây dẫn nên tính đến sự phát triển tự nhiên của cây và sự đung đưa của cây do các cơn gió gây ra.
e) Nối đất nên bao gồm 2 cọc được đóng vào đất ở hai phía đối diện và gần với thân của cây. Nên chôn một cực nối đất mạch vòng bao quanh các rễ cây và nối với các cọc bằng hai dây dẫn hướng tâm. Nối đất và điện trở nối đất nên đáp ứng các điều ở mục 13.
f) Khi hai hay nhiều cây gần nhau và có khả năng các cực nối đất mạch vòng bao quanh của chúng giao nhau, nên sử dụng một cực nối đất mạch vòng chung được nối thích hợp với các cọc chôn dưới đất để bao quanh tất cả các gốc cây.
g) Khi một cây biệt lập ở gần một kết cấu, có độ cao không vượt quá độ cao của kết cấu thì không cần chống sét cho cây này. Nếu cây cao hơn kết cấu, khoảng cách ly sau đây giữa kết cấu và phần cao nhất của cây có thể được xem là đảm bảo an toàn:
- đối với các kết cấu thường, khoảng cách ly bằng một nửa chiều cao của kết cấu;
- đối với các kết cấu chứa các vật dễ nổ hoặc khả năng cháy cao, khoảng cách ly bằng chiều cao của kết cấu;
Nếu các khoảng cách ly này không được đảm bảo, cần xem xét tới các mức độ rủi ro liên quan. Để giảm rủi ro tới mức tối thiểu mà vẫn giữ lại cây, kết cấu cần được bảo vệ phù hợp với các khuyến cáo của tiêu chuẩn này và bộ phận thu sét hoặc dây xuống nên được sắp xếp để sao cho có thể đi gần tới bộ phần gần nhất của cây.
GHÚ CHÚ: Khi một cây không được chống sét, luồng điện do sét đánh vào cây có thể truyền qua khoảng cách hàng chục mét, dọc hoặc dưới bề mặt đất, để tìm một vật dẫn điện tốt, ví dụ ống nước hoặc gas, cáp điện hoặc bề mặt đất bảo vệ sét của một tòa nhà.
22 Các công trình có ăng ten vô tuyến truyền thanh và truyền hình
...
...
...
Với các công trình được chống sét phù hợp với các quy định của tiêu chuẩn này, có thể lắp thêm các ăng ten vô tuyến truyền thanh và truyền hình trong nhà mà không cần có thêm biện pháp phòng chống khác, miễn là khoảng trống giữa hệ thống anten, bao gồm dây thu và dây dẫn xuống, và hệ thống chống sét bên ngoài phù hợp với các giá trị được cho trong mục 15.
22.2 Các anten bên ngoài công trình được chống sét
Với các công trình được chống sét phù hợp với các quy định của tiêu chuẩn này, có thể lắp các ăng ten vô tuyến truyền thanh và truyền hình bên ngoài mà không cần có biện pháp chống sét bổ sung nếu mỗi phần của hệ thống ăng ten, bao gồm các bộ phận chịu lực bằng kim loại, ở trong vùng bảo vệ của hệ thống chống sét. Ở các vị trí không đáp ứng điều kiện này, cần có biện pháp chống sét để đảm bảo rằng sét có thể truyền xuống mặt đất mà không gây nguy hiểm cho kết cấu và người sử dụng kết cấu như sau:
Đối với hệ thống ăng ten được lắp trực tiếp lên kết cấu được chống sét, luồng điện do sét đánh gây ra được tiêu tán bằng cách nối kết cấu giữ ăng ten với hệ thống chống sét tại điểm gần nhất có thể tới được bên dưới vị trí lắp đặt ăng ten.
Đối với hệ thống ăng ten lắp trên kết cấu chống đỡ bằng kim loại nhô ra khỏi hệ thống chống sét, dòng điện do sét đánh gây ra được tiêu tán bằng việc kết nối kết cấu chống đỡ ăng ten với hệ thống chống sét tại điểm gần nhất có thể tới được bên dưới vị trí lắp đặt ăng ten.
22.3 Các ăng ten trên kết cấu không được bảo vệ
Trước khi lắp đặt ăng ten trên một kết cấu không được bảo vệ, cần xem xét nhu cầu đối với hệ thống chống sét như miêu tả trong mục 7.
22.4 Sử dụng các điện cực đất của hệ thống chống sét
Có thể sử dụng điện cực đất của hệ thống chống sét cho mục đích nối đất hệ thống anten nhưng không được mâu thuẫn với quy định của TCVN 4756.
...
...
...
23.1 Lều bạt và rạp bằng vải
23.1.1 Các lều lớn
Ở những nơi các kết cấu tạm lớn thuộc loại này được sử dụng cho các mục đích triển lãm và giải trí liên quan tới số lượng người tập trung lớn cần có biện pháp chống sét. Nói chung, các kết cấu như vậy được chế tạo từ các vật liệu không phải là kim loại và dạng bảo vệ đơn giản nhất thường bao gồm một hoặc nhiều bộ phận thu sét nằm ngang treo phía trên kết cấu và được nối chắc chắn xuống đất.
Phần mở rộng phi kết cấu của các bộ phận chống thẳng đứng cho các kết cấu như vậy, nếu thuận tiện và khả thi, có thể dùng để đỡ hệ thống thu sét nằm ngang. Nên duy trì một khỏang trống từ 1,5 m trở lên giữa dây dẫn và vỏ bạt. Các dây xuống nên được gắn bên ngoài kết cấu và được nối với các cọc trên mặt đất, các cọc này lại được nối với một cực nối đất mạch vòng sao cho không tiếp xúc với người sử dụng.
Đối với các kết cấu có khung bằng kim loại nên nối những phần kim loại đó xuống đất một cách có hiệu quả tại các điểm có khoảng cách ngắn hơn 20 m dọc theo chu vi kết cấu.
23.1.2 Các lều nhỏ
Đối với các lều nhỏ không có hướng dẫn cụ thể nào cả, tuy nhiên có thể tham khảo một số dạng bố trí chống sét minh họa trên Hình 34.
23.2 Khung đỡ bằng kim loại và các kết cấu tương tự
Đối với các kết cấu như trên có kích thước đủ lớn cần phải được chống sét nếu người có thể tiếp cận và sử dụng chúng, đặc biệt với các kết cấu được dựng phía trên và trùm qua một phần đường đi chung hoặc được dùng trong việc xây dựng khu ghế ngồi công cộng thì chúng cần được nối đất một cách có hiệu quả. Một phương pháp đơn giản trong việc lắp ghép các kết cấu như vậy là luồn một thanh dẹt kim loại, không phải nhôm, có kích thước mặt cắt ngang là 20 mm x 2,5 mm, bên dưới và tiếp xúc với các tấm đế đỡ các bộ phận thẳng đứng của khung đỡ và nối xuống đất tại các khoảng cách không vượt quá 20 m.
...
...
...
23.3 Các cột anten bằng kim loại, các cần trục tháp cao và các kết cấu quay tròn và di động
Các cột anten và các dây thép của chúng, các tháp treo đèn pha và các kết cấu xây dựng bằng kim loại tương tự khác nên được nối đất phù hợp với các điều đưa ra của tiêu chuẩn này.
Các kết cấu cao như cần trục và các thiết bị nâng khác được dùng trong việc xây dựng các toà nhà, trong các xưởng đóng tàu và trong việc xây lắp cảng cũng nên được bố trí nối đất. Đối với các cần trục hoặc các kết cấu quay lắp trên ray, cần nối đất cho ray một cách hiệu quả, tốt nhất là tại hai vị trí trở nên. Trong các trường hợp đặc biệt, khi có thể xảy ra phá hủy các trụ đỡ do sét đánh, có thể áp dụng các biện pháp bổ sung và nên tham khảo ý kiến chuyên gia.

Hình 34. Hệ thống chống sét cho lều

Hình 35. Hệ thống chống sét rẻ tiền dùng cho nhà nông trại biệt lập xây gạch lợp ngói
23.4 Công trình có giá trị thấp trong vùng chịu ảnh hưởng lớn của sét đánh
Trong một số vùng có mật độ sét đánh cao, nhưng tại đó không sử dụng đồng và nhôm vì lý do kinh tế hoặc lý do khác thì có thể sử dụng thép mạ kẽm để bảo vệ các trang trại nhỏ hoặc các kết cấu tương tự. Thép mạ kẽm đó nên bao gồm một sợi dây đơn, có đường kính từ 6 mm trở lên, được lắp dựng kéo ngang qua mái nhà nối hai đầu của kết cấu rồi đi xuống đất ở độ sâu 0,6 m thêm một đoạn 3 m (xem Hình 35). Các vật chống đỡ có thể là các thanh gỗ, được sắp xếp để tạo một khoảng cách ly lớn hơn 0,9 m từ mái nhà. Các mối nối đo kiểm tra là không cần thiết, do có thể không thực hiện được việc kiểm tra sau khi lắp đặt và kiểm tra định kỳ. Tuy nhiên, các hư hỏng có khả năng xảy ra đầu tiên là ở các đoạn được chôn, do đó nên nhét vào trong lòng đất bên cạnh mỗi cực nối đất một thanh dài có vật liệu tương tự như vật liệu của dây xuống để cho phép định kỳ lôi ra, kiểm tra bằng mắt rồi nhét lại nhằm kiểm soát trạng thái của dây dẫn ngầm. Cần có biện pháp ngăn không cho tiếp xúc với dây dẫn bị lộ ra và nền đất trong khu vực lân cận chôn dây kim loại.
...
...
...
Các sân vận động lớn thường chứa đầy khán giả trong chỉ một tỷ lệ phần trăm nhỏ thời gian. Tuy vậy, do số lượng lớn người có mặt nên có thể cần tới một vài biện pháp chống sét.
Với các khán đài có nhiều bậc cao, các bộ phận thu sét ở dạng dây dẫn nằm ngang có thể được căng ngang qua sân vận động từ bên này sang bên kia. Việc ghép tất cả các phần kim loại cần được thực hiện phù hợp với tiêu chuẩn này.
Biện pháp khác là tận dụng các tháp treo đèn pha, vừa như các thành phần thiết yếu của hệ thống chống sét, vừa là các gối tựa cho các dây dẫn nằm ngang. Trong trường hợp đó, cần có biện pháp để bảo vệ người khỏi bị nguy hiểm do tiếp xúc trực tiếp với tháp hoặc với điện áp đất quanh các chân tháp. Có thể ngăn cản việc tiếp xúc trực tiếp với tháp bằng cách bọc bên ngoài từ mặt đất lên tới độ cao 3 m bằng một vật liệu cách điện có khả năng bảo vệ hoặc bằng việc rào chân tháp và hạn chế việc chạm tới tháp.
Việc giảm điện trở suất của đất xuống một cấp độ không gây hại tới con người phụ thuộc vào điện trở suất trung bình của đất và việc lắp hệ thống nối đất. Phụ lục B.4.2 đưa ra một vài nhận xét chung, nhưng thông thường, nên tham khảo ý kiến chuyên gia (xem Hình 19 và Hình 36).
23.6 Công trình cầu
Các nguyên lý tương tự cũng áp dụng cho công trình cầu như đối với bất kỳ công trình xây dựng tương tự khác (xem 9.5, mục 13 và Hình 37).
Kết cấu bê tông cốt thép và kết cấu thép cần được nối đất phù hợp với mục 13.
Khe giãn và các khe hở khác có tính liên tục về điện nên được liên kết; các ống dẫn nước, lan can, tay vịn, biển báo, cột đèn bằng kim loại và các bộ phận bằng kim loại liên tục khác nên được nối với cốt thép (xem 12.10.4).
Đối với cầu nhiều nhịp cần đảm bảo tính liên tục về điện giữa các kết cấu bên trên. Sét đánh vào đỉnh cầu sẽ gây ra dòng điện do sét đánh truyền xuống đất thông qua các kết cấu thấp hơn (xem mục 15).
...
...
...
Các tính toán đơn giản chỉ ra rằng hiệu ứng lan truyền sét nhiều khả năng xảy ra khi đứng dưới cạnh của cây cầu hơn là đứng giữa các trụ đỡ. Trong trường hợp này, nên áp dụng các điều sau đây:
a) Kết cấu chiếu sáng, các lan can, … nên được gắn với cốt thép. Trong trường hợp đó, không cần nối một dây xuống tách biệt bên ngoài, nhưng nếu có dây xuống như vậy thì nên nối với cốt thép tại cao độ cao nhất có thể được.
b) Trong các vùng có nguy hiểm tiềm tàng nơi con người có khả năng tụ tập, nên đặt các biển cảnh báo chỉ ra các nguy hiểm của việc đứng gần rìa cầu và cầm ô che giương lên.

Ký hiệu
1. Mái kim loại sử dụng làm bộ phận thu sét
2. Liên kết với mái thép và cốt thép của mỗi cột bê tông
3. Cốt thép trong cột, sử dụng làm dây xuống
4. Liên kết với cốt thép để nối đất
...
...
...
6. Cực nối đất mạch vòng liên kết các cực nối đất
Ghi chú: Các kim loại liên tục hoặc nối đất cần nối với cực nối đất mạch vòng
7. Cột chống sét (xem Hình 19)
Hình 36. Hệ thống chống sét cho sân vận động (sân bóng đá)

Hình 37. Công trình cầu
24 Sự ăn mòn
24.1 Quy định chung
Tại nơi ăn mòn do khí quyển, hóa học, điện phân hoặc các nguyên nhân khác có khả năng tác động tới bất kỳ phần nào của hệ thống chống sét, nên thực hiện các biện pháp phù hợp để ngăn cản khả năng xảy ra ăn mòn.
...
...
...
Việc tiếp xúc giữa các kim loại khác nhau có khả năng gây ra và làm tăng nhanh sự ăn mòn, trừ khi các bề mặt tiếp xúc được giữ hoàn toàn khô và được bảo vệ tránh không cho hơi ẩm đi vào.
Sự tiếp xúc giữa các kim loại khác nhau có thể tồn tại ở những nơi dây dẫn được cố định, hoặc tựa vào các bề mặt kim loại bên ngoài. Sự ăn mòn cũng có thể tăng tại nơi nước chảy qua một kim loại rồi đi vào trong tiếp xúc với kim loại khác. Nước chảy ra từ đồng, hợp kim đồng và chì có thể ăn mòn các hợp kim nhôm và kẽm. Kim loại của hệ thống chống sét nên tương thích với các kim loại được dùng bên ngoài trên bất kỳ kết cấu nào mà hệ thống đi qua hoặc có tiếp xúc.
24.3 Ăn mòn hóa học khi nhôm để gần xi măng Porland, hỗn hợp vữa, v.v…
Vì nhiều lý do, nhôm dễ bị ăn mòn khi tiếp xúc với xi măng Portland và hỗn hợp vữa. Những gợi ý về các kỹ thuật lắp đặt như sau:
a) Các dây dẫn nhôm nên bố trí tách ra khỏi bất kỳ bề mặt nào, đặc biệt các bề mặt nằm ngang. Điều này sẽ tránh cho các dây dẫn không nằm trong nước hoặc tiếp xúc với các vật liệu ăn mòn, như vữa cũ, v.v…. Các cách lắp đặt phù hợp được minh họa trên Hình A.1.
b) Không nên bố trí các dây dẫn tại những nơi có thể bị các mảnh vụn, lá cây, v.v… bao phủ, hoặc bị chôn dưới đất. Điều này sẽ tránh cho các chất điện phân tiếp xúc liên tục với dây dẫn.
c) Thiết kế của hệ thống cọc đầu dây nên bố trí các gờ móc nước. Điều này sẽ giúp ngăn cản chất điện phân chảy ra khỏi bề mặt có thể chạm tới và chảy xuống dây dẫn.
d) Tại những nơi không thể thực hiện các điều kiện từ a) tới c), dây dẫn nên được bảo vệ như gợi ý trong mục 6 và cần xem xét việc tăng diện tích mặt cắt ngang.
24.4 Ăn mòn hóa học của đồng
...
...
...
Mỗi dây dẫn giữa các điểm đo kiểm tra và các điện cực đất nên được bảo vệ chống ăn mòn tại những nơi dây dẫn đi vào lòng đất một khoảng 0,3 m trên và dưới mặt đất, việc lắp ống bọc ngoài PVC là biện pháp thích hợp để bảo vệ chống ăn mòn.
25 Lắp dựng kết cấu
Trong quá trình lắp dựng kết cấu, tất cả các mảng thép lớn và nhô lên như các khung thép, giàn giáo và cần trục thép nên được nối đất một cách có hiệu quả. Từ khi bắt đầu tiến hành lắp đặt hệ thống chống sét, cần duy trì việc nối đất liên tục.
26 Dây điện trên cao
Trong suốt quá trình xây dựng đường dây điện trên cao, thiết bị trên cao của hệ thống cấp điện cho phương tiện chạy trên ray, v.v…, có thể giảm thiểu nguy hiểm tới con người bằng cách lắp đặt và kết nối một hệ thống nối đất hoàn chỉnh trước khi bất kỳ dây dẫn nào ngoài dây dẫn nối đất được kéo ra. Một khi các dây dẫn được kéo ra và được cách điện, không nên thả nổi các dây dẫn này trong quá trình lắp đặt, mà nên nối đất theo cách giống như khi thực hiện việc bảo dưỡng sau khi đưa đường dây vào hoạt động.
27 Kiểm tra
Toàn bộ hệ thống chống sét nên được một người có trình độ chuyên môn thích hợp kiểm tra kỹ bằng mắt thường trong suốt quá trình lắp đặt, sau khi hoàn thành và sau khi thay đổi hoặc mở rộng, để xác nhận rằng chúng được làm tuân thủ theo tiêu chuẩn này. Việc kiểm tra nên được tiến hành định kỳ, tốt nhất là không quá 12 tháng. Đối với các khu vực có điều kiện khí hậu khắc nghiệt nên tăng tần suất kiểm tra.
Thêm nữa, trạng thái cơ học của tất cả các dây dẫn, liên kết, mối nối và các điện cực đất (bao gồm các điện cực tham chiếu) nên được kiểm tra và ghi chép lại. Nếu với bất kỳ lý do nào, như do các công việc khác tại công trường tạm thời không thể xem xét các phần lắp đặt cụ thể thì cũng nên ghi chép lại điều đó.
Trong suốt quá trình xem xét định kỳ hệ thống chống sét, việc ghép nối bất kỳ bộ phận bổ sung nào mới nên được kiểm tra để đảm bảo rằng nó phù hợp với những quy định của tiêu chuẩn này.
...
...
...
Khi hoàn thành quá trình lắp đặt hoặc bất cứ chỉnh sửa nào, nên thực hiện các phép đo cách ly và kết hợp và/hoặc các kiểm tra sau đây. Các kết quả được ghi trong sổ theo dõi hệ thống chống sét.
a) Điện trở nối đất của mỗi điện cực đất cục bộ với đất và bổ sung điện trở nối đất của hệ thống nối đất hoàn chỉnh.
b) Mỗi điện cực đất cục bộ nên được đo tách biệt với điểm kiểm tra giữa dây xuống và điện cực đất trong vị trí tách rời (phép đo cách ly).
c) Tiến hành đo tại điểm đo ở vị trí nối (phép đo kết hợp). Nếu có bất kỳ sự khác biệt đáng kể trong các phép đo liên quan tới các vị trí khác, nên điều tra nguyên nhân của sự khác nhau này.
d) Các kết quả của việc kiểm tra tất cả các dây dẫn, lắp ghép và mối nối hoặc tính liên tục về điện đo được.
Việc đo đạc chi tiết có thể tham khảo tiêu chuẩn BS 7430 hoặc các tiêu chuẩn quốc tế có liên quan.
Nếu điện trở nối đất của một hệ thống chống sét vượt quá 10 thì nên giảm giá trị này, ngoại trừ các kết cấu trên đá như miêu tả trong 13.5. Nếu điện trở nhỏ hơn 10 nhưng cao hơn đáng kể so với lần kiểm tra trước, nên điều tra nguyên nhân và thực hiện các biện pháp khắc phục cần thiết.
Việc đo kiểm tra nên được tiến hành định kỳ, tốt nhất không quá 12 tháng.
GHI CHÚ 1: Việc chọn một chu kỳ ngắn hơn 12 tháng một chút có thể thuận lợi để thay đổi mùa mà phép thử được thực hiện.
...
...
...
29 Lưu trữ hồ sơ
Các hồ sơ sau đây nên được lưu trữ tại công trình hoặc do người có trách nhiệm bảo quản việc lắp đặt:
a) Các bản vẽ có tỷ lệ mô tả bản chất, kích thước, vật liệu, và vị trí của tất cả các thành phần của hệ thống chống sét;
b) Trạng thái tự nhiên của đất và bất kỳ lắp ráp nối đất đặc biệt nào;
c) Loại và vị trí của các điện cực đất, bao gồm các điện cực tham chiếu;
d) Các điều kiện kiểm tra và các kết quả đạt được (xem mục 28);
e) Các thay đổi, bổ sung hoặc sửa chữa hệ thống;
f) Tên của người chịu trách nhiệm lắp đặt hoặc bảo dưỡng. Nên dán nhãn tại điểm gốc của nguồn lắp điện trong đó ghi như sau:
"Công trình này được lắp đặt một hệ thống chống sét, phù hợp với TCXDVN :2007. Các liên kết với các bộ phận khác của công trình và các liên kết đẳng thế chính cần được bảo trì một cách phù hợp."
...
...
...
Các kiểm tra định kỳ và đo đạc khuyến cáo trong các mục 27 và 28 chỉ ra rằng việc bảo trì, nếu có, là cần thiết. Lưu ý cụ thể đến các vấn đề sau:
- Nối đất;
- Bằng chứng của sự ăn mòn hoặc các điều kiện có khả năng dẫn tới ăn mòn;
- Các thay đổi và các bổ sung tới kết cấu có thể ảnh hưởng tới hệ thống chống sét (ví dụ những thay đổi trong việc sử dụng ngôi nhà, việc lắp đặt các rãnh cần trục hoặc việc dựng các ăng ten vô tuyến truyền thanh và truyền hình).
PHỤ LỤC A
(tham khảo)
Các khía cạnh kỹ thuật của hiện tượng sét
A.1 Cường độ dòng điện của một tia sét
...
...
...
1% các tia sét đánh vượt quá 200.000 A
10% các tia sét đánh vượt quá 80.000 A
50% các tia sét đánh vượt quá 28.000 A
90% các tia sét đánh vượt quá 8.000 A
99% các tia sét đánh vượt quá 3.000 A
Dòng điện trong hầu hết các tia sét đánh xuống mặt đất là từ các phần tử mang điện tích âm trong các đám mây dông và như vậy tia sét là dòng các hạt tích điện âm từ mây xuống mặt đất. Cũng có các tia sét từ các phần tử mang điện tích dương, nhưng ít thường xuyên hơn. Về chiều dòng điện là dòng điện một chiều tăng vọt trong quãng thời gian không đến 10 s đối với tia sét mang điện tích âm (đối với tia sét mang điện tích dương thời gian này dài hơn khá nhiều), sau đó giảm dần tới một giá trị nhỏ, đối với một tia sét đơn, trong khoảng thời gian 100 s hoặc nhỏ hơn.
Để tính toán thiết kế hệ thống chống sét, người ta sử dụng giá trị dòng điện sét (i max) được cho là có hại nhất sau đây:

A.2 Điện thế
...
...
...
V. Điều này có nghĩa điện áp ban đầu ở đám mây là trên 100 MV.
A.3 Các hiệu ứng về điện
Khi cường độ dòng điện bị tiêu hao qua điện trở của phần cực nối đất của hệ thống chống sét, nó sẽ tạo ra sự tụt điện áp kháng và có thể làm tăng tức thời hiệu điện thế với đất của hệ thống chống sét. Nó cũng có thể tạo nên xung quanh cực nối đất một vùng có chênh lệch điện thế cao có thể gây nguy hiểm cho người và động vật. Tương tự như vậy cũng cần phải lưu ý đến điện cảm tự cảm của hệ thống chống sét do đoạn dốc đứng của xung điện do sét gây ra.
Độ tụt điện áp do hiện tượng trên gây ra trong hệ thống chống sét do đó sẽ là tổng số học của hai thành phần là điện áp cảm ứng và điện áp kháng.
A.4 Hiệu ứng lan truyền sét
Điểm mà sét đánh vào hệ thống chống sét có thể có điện thế bị tăng cao hơn rất nhiều so với các vật thể kim loại xung quanh. Bởi vậy sẽ có nguy cơ lan truyền sét sang các vật kim loại trên hoặc phía bên trong công trình. Nếu sự lan truyền này xảy ra, một phần của dòng điện do sét gây ra sẽ được tiêu hao qua các thiết bị lắp đặt bên trong như đường ống hoặc dây dẫn, và như vậy sẽ dẫn đến rủi ro cho người sống trong nhà cũng như kết cấu công trình.
A.5 Hiệu ứng nhiệt
Việc quan tâm đến hiệu ứng nhiệt chỉ gói gọn trong việc tăng nhiệt độ trong hệ thống dẫn sét. Mặc dù cường độ dòng điện cao nhưng thời gian xảy ra là rất ngắn nên ảnh hưởng về nhiệt độ trong hệ thống bảo vệ là rất nhỏ.
Nói chung, diện tích cắt ngang của dây dẫn sét được chọn chủ yếu sao cho thoả mãn về độ bền cơ khí, có nghĩa là nó đủ lớn để giữ cho độ tăng nhiệt độ trong khoảng 10C. Ví dụ như, với dây dẫn đồng có tiết diện 50 mm2, một cú sét đánh 100kA với thời gian là 100 s sẽ giải phóng ít hơn 400J trên 1m dây dẫn, dẫn đến độ tăng nhiệt độ khoảng 10C, Nếu dây dẫn là thép thì độ tăng này cũng ít hơn 100C.
...
...
...
Khi một dòng điện có cường độ cao được tiêu tán qua các dây dẫn đặt song song gần nhau hoặc dọc theo một dây dẫn duy nhất nhưng có nhiều gấp khúc, nó sẽ gây ra các lực cơ học có độ lớn đáng kể. Do đó các điểm giữ hệ thống dây dẫn là rất cần thiết (Xem Hình A.1 và Bảng A.1).
Bảng A.1 Khoảng cách các trụ đỡ hệ thống dẫn sét.
Cách bố trí
Khoảng cách (mm)
Dây dẫn nằm ngang trên các mặt phẳng ngang
1.000
Dây dẫn nằm ngang trên mặt phẳng đứng
500
Dây dẫn thẳng đứng từ đất lên độ cao 20m
...
...
...
Dây dẫn thẳng đứng từ 20m trở lên
500
GHI CHÚ 1: Bảng này không áp dụng cho các trụ đỡ là các bộ phận của công trình, các trụ đỡ kiểu đó có thể có các yêu cầu đặc biệt .
GHI CHÚ 2: Cần khảo sát các điều kiện môi trường và khoảng cách thực tế giữa các trụ đỡ có thể khác so với những kích thước nêu trên.
Một tác động cơ học khác từ sét là do sự tăng cao đột ngột nhiệt độ không khí lên đến 30.000K và sự giãn nở đột ngột không khí xung quanh đường dẫn sét xuống đất. Đây là do, khi độ dẫn điện của kim loại được thay thế bởi độ dẫn của một đường vòng cung, năng lượng sẽ tăng lên 100 lần. Một năng lượng lớn nhất khoảng 100MW/m có thể được tạo ra trong cú phóng điện xuống mặt đất và sóng xung kích gần cú phóng điện này có thể làm trốc ngói lợp trên mái nhà.
Tương tự như vậy, với hiệu ứng lan truyền sét của sét trong các công trình, sóng xung kích có thể gây ra các hư hại cho kết cấu.

GHI CHÚ 1: Kẹp cho dây dẫn sét cần chế tạo riêng cho phù hợp với dây dẫn; kích thước a ở Hình e) phải bằng chiều dày dây và kích thước b phải bằng chiều rộng dây cộng thêm 1,3mm (để giãn nở). Dây có tiết diện tròn cần được xử lý tương tự.
GHI CHÚ 2: Tất cả các kẹp cần được gắn chắc chắn vào kết cấu; không nên dùng vữa để gắn.
...
...
...
PHỤ LỤC B
(tham khảo)
Giải thích một số điều khoản của tiêu chuẩn
B.1 Mạng nối đất và cực nối đất
(mục 13 và mục 14)
B.1.1 Khái quát
Thông tin đầy đủ về đối tượng nối đất có trong tiêu chuẩn TCVN 4756.
B.1.2 Hiệu ứng lan truyền sét và vùng tiềm ẩn điện áp bước lân cận vị trí nối đất
...
...
...
Chênh lệch điện áp có thể gây nguy hiểm tới tính mạng của con người nếu như nó vượt qua vài ngàn vôn, tới động vật nếu như vượt qua vài trăm vôn. Do sự chênh lệch điện áp này là hàm của tích dòng điện sét và điện trở nối đất của cực nối đất nên hiển nhiên là việc giảm điện trở nối đất xuống càng thấp càng tốt trở nên hết sức quan trọng. Thực tế nên giới hạn giá trị điện trở nối đất lớn nhất là 10Ω để bảo vệ cho người và động vật, tuy nhiên giá trị này càng nhỏ thì càng tốt. Một biện pháp khác để khắc phục chênh lệch điện áp trên bề mặt đất là chôn sâu các cọc nối đất với mũi cọc sâu ít nhất là 1m, và bọc liên kết giữa dây xuống và bộ phận nối đất bằng vật liệu cách điện chịu điện áp đánh thủng tối thiểu 500kV như polyethylene dày 5mm. Mối nguy cơ đó đối với con người trong công trình giảm đi đáng kể nếu nhà có sàn thay vì nền bằng đất hay đá.
B.1.3 Sử dụng các đường ống kỹ thuật làm mạng nối đất
Không được sử dụng các đường ống dẫn nhiên liệu vào công trình làm mạng nối đất.
Các đường ống kỹ thuật khác có thể được sử dụng cho hệ thống chống sét bên trong công trình với điều kiện các điểm nối phải kiểm soát dễ dàng.
GHI CHÚ: đường ống gas không được sử dụng làm cực nối đất (Hình 28).
B.1.4 Mạng nối đất
Ví dụ về kích thước cực nối đất trong đất có điện trở suất 100Ωm ở nhiệt độ 10°C thông thường tạo ra điện trở nối đất của mạng nối đất khoảng 10Ω như sau:
- Cực nối đất dạng vòng khép kín có chiều dài không nhỏ hơn 20m chôn sâu ít nhất là 0,6m dưới mặt đất; hoặc
- đường ống hoặc thanh đứng có chiều dài mỗi thanh không dưới 1,5m, tổng cộng chiều dài các thanh không dưới 9m;
...
...
...
- bê tông cốt thép (xem B.1.6).
Các cực nối đất cần được chôn sâu trong một số trường hợp như có lớp sét nằm dưới lớp cuội sỏi. Không nên tin cậy vào độ sâu mực nước ngầm. Nước ngầm, đặc biệt trong lớp sỏi, có thể bị rút sạch và sẽ không có tác dụng đảm bảo cho điện trở nối đất thấp cho hệ thống nối đất.
Điện trở nối đất giảm không đáng kể khi giảm tiết diện của cọc mà kích thước lớn của cọc nối đất còn làm tăng giá thành hệ thống và gây khó cho thi công.
Ví dụ về quan hệ giữa đường kính cọc nối đất với trọng lượng của cọc dài 1,2m được kê ở bảng B.1
Bảng B.1 Quan hệ đường kính và trọng lượng của cọc nối đất
Đường kính d (mm)
Trọng lượng m(kg)
13
1,4
...
...
...
2,3
19
3,2
25
5,4
Bảng B.1 chỉ ra rằng trọng lượng của cọc 1,2m, đường kính 25mm thì nặng hơn cọc 1,2m đường kính 13mm tới 4 lần
Đối với cùng loại vật liệu trong cùng một loại đất thì một thanh cọc 4,8m d=13mm hoặc 4 cọc 1,2m d=13mm cho một giá trị điện trở vào khoảng 1/3 của thanh 1,2m d=25mm
B.1.5 Trường hợp đặc biệt
Cần có sự cân nhắc đặc biệt đối với các trường hợp sau:
...
...
...
Cây cối (xem mục 23);
Nhà ở nông thôn (xem 24.4) Công trình trên đá (xem 13.5)
Nếu công trình trên đá được chống sét theo phương án được đề cập trong 13.5 và kim loại trong và trên công trình được nối với hệ thống chống sét như giới thiệu ở 15.3 thì sẽ có được mức độ bảo vệ sét thích hợp cho người trong công trình. Tuy nhiên có thể nguy hiểm cho con người ra vào công trình khi có sét vì sự chênh lệch điện áp bên ngoài khi sét truyền xuống hệ thống chống sét của công trình.
Nếu bề mặt của đất hoặc đá có tính chất dẫn điện cao trong phạm vi khoảng 30-50m tới công trình thì nối đất được mô tả ở mục 14 có thể được sử dụng và nó có thể được nối với mạng nối đất mạch vòng. Nguy cơ đối với người ra vào giảm đi mặc dù không hoàn toàn bị loại bỏ.
B.1.6 Sử dụng móng bê tông cốt thép làm bộ phận nối đất
Khi móng bê tông cốt thép được sử dụng làm bộ phận nối đất thì có thể áp dụng công thức tính gần đúng như sau:
![]()
Trong đó: R – điện trở nối đất, Ω; ρ – điện trở suất của đất, Ω.m; V – khối tích bê tông, m3;
Điện trở suất của đất được lấy theo tiêu chuẩn TCXD 161:1987.
...
...
...
5m3 bê tông cốt thép trong đất 100 Ω.m thì điện trở nối đất xấp xỉ 10 Ω.
Các chân đế móng trong đất 100 Ω.m có giá trị điện trở sau:
0,2m3 (quy đổi bằng bán cầu đường kính 0,9m) có giá trị điện trở R=30 Ω. Nghĩa là cần 3 cái thì sẽ đạt được giá trị yêu cầu 10 Ω
0,6m3 (tương đương 1,4m bán cầu) có R=20 Ω. Nghĩa là cần 2 cái thì đạt giá trị 10 Ω.
B.2 Kim loại trong và trên công trình cao hơn 20m
(mục 15, 16)
B.2.1 Máng dẫn nước kim loại có hoặc không nối đất
Bất cứ bộ phận kim loại nào trong hoặc trên công trình không nối với hệ thống chống sét nhưng lại nối với đất như các đường ống cấp nước, cấp gas, tấm kim loại, hệ thống điện đều có nguy cơ nhiễm sét. Thậm chí những bộ phận không tiếp xúc với đất cũng có chênh lệch điện thế giữa chúng với hệ thống chống sét mặc dù sự chênh lệch điện thế này nhỏ hơn so với trường hợp bộ phận kim loại đó được nối đất. Nếu sự chênh lệch điện thế gây ra trong một thời gian ngắn như vậy giữa bất kỳ bộ phận nào của hệ thống chống sét và các bộ phận kim loại gần kề vượt quá khả năng chống điện áp đánh thủng của vật liệu nằm giữa chúng (có thể là không khí, tường gạch, hoặc bất cứ vật liệu nào khác) thì có thể xảy ra hiện tượng lan truyền sét. Điều này có thể gây hư hỏng trang thiết bị, gây cháy hoặc sốc điện đối với người và vật.
B.2.2 Liên kết tại hai đầu máng nước kim loại
...
...
...
B.2.3 Lựa chọn bộ phận kim loại liên kết
Rất khó lựa chọn bộ phận kim loại nào thì liên kết, bộ phận nào thì bỏ qua. Đối với các bộ phận kim loại dài như đường ống nước, thang máy, thang sắt dài thì có thể dễ dàng quyết định chúng cần được nối với hệ thống bảo vệ chống sét của công trình mà không phải tốn kém nhiều. Tuy nhiên các bộ phận kim loại ngắn cách ly như khung cửa sổ chỉ có thể tiếp đất ngẫu nhiên qua màn nước mưa trên bề mặt kết cấu thì có thể bỏ qua.
Các công trình có cốt thép hoặc vách bao che kim loại tạo thành lưới kim loại khép kín liên tục tạo ra một trạng thái mà các kim loại bên trong không được liên kết có thể được giả thiết rằng chúng có cùng điện thế với bản thân kết cấu. Đối với các công trình đó nguy cơ lan truyền sét được giảm nhiều và yêu cầu đối với việc liên kết cũng giảm đi.
B.2.4 Nguy cơ của lớp phủ kim loại mỏng
Nếu bất cứ một phần bề mặt ngoài của công trình nào được bao phủ bởi một lớp kim loại mỏng, lớp kim loại này có thể được thiết kế hay ngẫu nhiên tạo thành một bộ phận dẫn dòng điện sét xuống đất. Dòng sét đó có thể tách ra khỏi lớp kim loại do các nguyên nhân như lớp kim loại không liên tục hoặc tiết diện lớp kim loại quá nhỏ nên nó sẽ bị chảy ra khi dòng điện sét đi qua. Cả hai trường hợp đó đều dẫn tới hiện tượng hồ quang điện và dễ gây cháy nếu có vật liệu dễ cháy ở gần. Khuyến nghị là nên tránh các nguy cơ đánh tia lửa điện ghi trong 15.2.
B.2.5 Dòng tự cảm trong dây xuống trong mối liên quan với chiều cao công trình
Khi chiều cao công trình tăng lên thì điện áp cảm kháng tại cực nối đất được cho là từng bước kém quan trọng hơn so với điện áp tự cảm rơi trên đường dẫn sét.
B.3 Cây và công trình gần cây
(Mục 21)
...
...
...
Khi bị sét đánh, dòng sét lan truyền theo nhánh, cành tới thân cây và có thể gây hiệu ứng lan truyền sét sang các hạng mục công trình liền kề. Cường độ phóng điện của cây có thể lấy bằng 250kV/m so với khả năng kháng dòng của không khí là 500V/m. Các số liệu này là cơ sở của mục 21 quy định khoảng cách tối thiểu giữa công trình và cây.
Khi công trình quá gần cây, có nguy cơ lan truyền sét từ cây sang công trình khi có sét thì hệ thống chống sét của công trình cần phải phủ vùng bảo vệ lên cả cây đó. Nếu cây nằm trong vùng bảo vệ của hệ thống chống sét của công trình thì công trình được coi là an toàn.
B.4 Các công trình khác
(Mục 23)
B.4.1 Lều trại nhỏ
Đối với lều trại nhỏ tuân thủ theo 23.1.1 có thể sẽ tốn kém. Mặc dù vậy, trong vùng nhiều sét thì nên có biện pháp chống sét. Cụ thể là:
a) Để chống sét cho lều trại nhỏ có thể sử dụng một hoặc hai cần kim loại (dạng ống lồng ăn ten) phía bên ngoài lều, bố trí sao cho lều nằm trong phạm vi được bảo vệ như ở 9.2. Chân của các cần kim loại cần được nối với cọc chống nối đất đặt xa lều và cắm vào đất ẩm. Thêm nữa có thể sử dụng một dây kim loại trần đặt trên mặt đất xung quanh lều và nối tới chân của mỗi cần kim loại.
b) Trong trường hợp lều trong khung kim loại thì khung đó làm việc như là một dây dẫn sét.
Khung đó phải được nối xuống đất như hướng dẫn ở phần a) ở hai đầu của lều.
...
...
...
B.4.2 Sân vận động
Khi cột đèn cao bị sét đánh, dòng điện sét truyền xuống nền qua chân cột và có thể ước lượng độ chênh điện áp của đất nền từ giả thiết rằng các lớp đẳng thế ở dưới nền phân bố dạng các bán cầu. Do đó với dòng trung bình khoảng 30kA và điện trở suất của đất 103 Ω.m, độ chênh điện áp của đất nền sẽ vào khoảng 50 kV/m trong khoảng 10m từ chân cột và nó thay đổi tỷ lệ nghịch với khoảng cách và diện tích (Hình 19, Hình 36).
Với giả thiết đó, đối với người gradient điện áp không được vượt quá 10kV/m tương ứng với khoảng cách 22m từ chân cột. Sử dụng một cực nối đất thích hợp dưới hình thức một lưới tròn bán kính 10m có thể làm giảm ứng suất điện áp xung quanh cột. Thêm nữa có thể chống lại điện áp bước bằng cách bọc tấm cách điện bằng PVC dưới lớp asphan. Để tránh tiếp xúc trực tiếp với chân cột có thể sơn phủ keo epoxy dày 5mm từ chân cột tới độ cao 3m.
Lưu ý tránh việc tăng nhiệt độ quá mức giới hạn dưới tác dụng của bức xạ mặt trời sẽ làm giảm giá trị của lớp bảo vệ.
B.5 Công trình có hình dáng phức tạp
(11.2.4)
Phương pháp “hình cầu lăn” được mô tả ở mục này có thể được sử dụng để nhận biết các phần không được bảo vệ sét đánh của công trình cao nhiều mô đun phức tạp. Phương pháp này dựa trên nguyên lý quá trình tiếp xúc của đầu tích điện sét tới công trình.
Trước khi xảy ra sét, đầu tích điện sét hướng xuống đất (hình thành trên các đám mây dông) và cách nhánh tích điện của nó hạ thấp dần. Khi đầu tích điện sét hạ xuống thì xảy ra quá trình tích điện ngược dấu ở trên mặt đất (cũng hình thành đầu tích điện sét hướng lên trên) và tạo ra trường điện giữa hai mảng tích điện trái dấu. Cường độ của trường điện này tăng dần tới khi đủ lớn thì đầu tích điện hướng lên ở phía dưới phóng lên trên để gặp đầu tích điện sét hướng xuống phóng xuống dưới và tạo thành tia sét.
Do đó tia sét sẽ đánh trên mặt đất hoặc trên công trình tại nơi mà đầu tích điện hướng lên được phóng đi và do các đầu tích điện hướng lên đó được phóng lên tại các điểm có cường độ điện trường cao nhất và có thể phóng thẳng lên trên trời mà không bị cản nên chúng có thể phóng theo bất cứ hướng nào để gặp đầu tích điện sét từ mây phóng xuống. Một ví dụ cho hình ảnh này là sét vẫn đánh vào mặt bên của công trình cao mặc dù thông thường nó không đánh vào phần công trình nằm dưới góc 45° của hình côn từ điểm bảo vệ cao nhất của công trình.
...
...
...
Công trình cao có hình dạng đơn giản có thể được chống sét như mô tả ở Hình 22 nhưng đối với công trình phức tạp cần áp dụng phương pháp hình cầu lăn này. Phương pháp này cũng có thể áp dụng cho các công trình có bộ phận thu sét đặt trên công trình hoặc có các bộ phận thu sét treo phía trên. Phương pháp này cũng có thể sử dụng để xác định vùng được bảo vệ sét của bất cứ một thiết kế hệ thống chống sét nào.
Nhìn chung kích thước cầu càng nhỏ thì khả năng bảo vệ chống sét càng tốt hơn nhưng sẽ tốn kém khi xây lắp hệ thống. Cỡ cầu được khuyến nghị có bán kính từ 20-60m. Thông thường nên sử dụng cầu có bán kính 60m. Còn cầu có bán kính 20m chỉ nên dùng cho các công trình có nguy cơ cháy cao.

Hình B.1 - Ví dụ sử dụng phương pháp "hình cầu lăn" để đánh giá sự cần thiết phải bố trí bộ phận thu sét cho một công trình có hình dạng phức tạp.
PHỤ LỤC C
(tham khảo)
Hướng dẫn chung đối với việc chống sét cho thiết bị điện trong và trên công trình
C.1 Thông tin chung
...
...
...
Hệ thống chống sét thông thường chỉ được thiết kế và lắp đặt cho công trình. Mặc dầu vậy, hệ thống thiết bị cần có độ tin cậy cao hơn và nó cũng đòi hỏi một hệ thống chống sét riêng để bảo vệ cho thiết bị điện cũng như các hệ thống thông tin dữ liệu.
Sự phức tạp của sét đánh vào công trình, dòng sét tăng cao trong thời gian ngắn kèm theo các hiện tượng khác là nguyên nhân gây phá hoại thiết bị, xóa dữ liệu. Nguy cơ của sét được đề cập ở C.4, song còn có nhiều yếu tố tác động đến việc cần đến hệ thống chống sét như nhu cầu:
- giảm thiểu các nguy cơ cháy và sốc điện;
- tránh ngừng trệ hoạt động sản xuất và thương mại có ảnh hưởng đến vấn đề kinh tế;
- ngăn ngừa các tác hại về an toàn, sức khỏe;
- bảo vệ các dịch vụ thiết yếu về an toàn, báo cháy, thông tin, quản trị công trình;
- tránh phải sửa chữa tốn kém các trang thiết bị vi tính.
Các hướng dẫn ở phụ lục này mang tính tổng quát, khi áp dụng cho hệ thống chống sét cần tính đến các điều kiện thực tế. Trong những trường hợp đặc biệt thì cần phải tìm kiếm những lời khuyên của chuyên gia.
Xin nhấn mạnh rằng ngay cả khi có hệ thống chống sét thì cũng không bao giờ hoàn toàn có thể chắc chắn là an toàn cho hệ thống thiết bị hay an toàn về dữ liệu.
...
...
...
GHI CHÚ: Xin nhấn mạnh rằng phụ lục này chỉ dùng để tham khảo, việc tuân thủ phụ lục này không có nghĩa là tuân thủ nội dung tiêu chuẩn này.
C.2 Ứng dụng của phụ lục này
Khi áp dụng những hướng dẫn của phụ lục này cần tuân theo quy trình sau:
- Quyết định xem có cần hệ thống chống sét không (xem mục 7)
- Nếu câu trả lời là có thì xem xét thiết kế chống sét rồi chuyển sang c), nếu câu trả lời là không thì chuyển ngay sang c).
- Quyết định liệu có cần phải chống sét cho các thiết bị điện, điện tử trong hay trên công trình không (xem C.4, C.5)
- Nếu câu trả lời cho câu hỏi c) là có thì xem các nội dung C.3, C.7, C.13; nếu câu trả lời là không thì không xem xét thêm.
GHI CHÚ: 1: Thông tin cơ bản liên quan tới các khía cạnh chống sét được cho ở C.8, C.9
GHI CHÚ: 2: các ví dụ tính toán được cho ở C.6, C.10, C.11, C.12.
...
...
...
Hình C.1. Các điểm sét đánh vào công trình công nghiệp có thể ảnh hưởng đến hệ thống điện tử
C.3 Các yếu tố cơ bản về chống sét cho hệ thống điện
C.3.1 Mức độ rủi ro
Trước khi thiết kế hệ thống chống sét cho thiết bị, cần lưu ý tới hệ thống chống sét cơ bản cho công trình. Thông tin ở C.4, C.5 giúp cho việc quyết định có cần phải bảo vệ thiết bị điện hay không.
C.3.2 Chống sét của bản thân công trình
Khi cân nhắc các phương án phòng chống sét cho thiết bị điện của công trình thì cần xem liệu công trình đã được chống sét hoặc sẽ được chống sét theo tiêu chuẩn này chưa.
Loại công trình có khả năng chống sét lý tưởng là công trình có vách bao che bằng kim loại cho tất cả các bức tường và mái, nó tạo ra môi trường dạng "phòng được che chắn" cho các thiết bị điện. Nếu như tất cả các vách bao che và lớp phủ mái liên kết với nhau một cách thỏa đáng thì dòng sét đánh từ bất cứ chỗ nào của công trình sẽ được truyền xuống đất dạng "tấm truyền điện" trên bề mặt công trình và xuống bộ phận nối đất. Các công trình kết cấu thép hoặc bê tông cốt thép có vách bao che kim loại là các công trình thuộc dạng này và như vậy chỉ cần chú ý đến việc bảo vệ các đường cáp nguồn cấp vào công trình (Hình C.2).Cần lưu ý đạt được kháng trở thấp từ liên kết giữa bộ phận nối đất của hệ thống chống sét với các hệ thống đường ống khác. Nên áp dụng phương pháp đi đường cấp điện vào như minh họa ở Hình 28 có kèm theo các bộ phận chặn xung nếu kết quả tính toán cho thấy cần phải có các bộ phận này.
Công trình xây dựng bằng bê tông cốt thép hoặc bằng khung thép không có vách bao che kim loại thì dòng sét có thể truyền bên trong các cột. Hướng dẫn đối với nơi lắp đặt máy tính và hệ thống dây dẫn được cho ở C.7.2.
Nếu như vật liệu xây dựng công trình chủ yếu là kim loại thì có thể xếp công trình có nguy cơ cao (xem mục 18) và bố trí hệ thống chống sét tăng cường (xem C.7.1).
...
...
...

Hình C.2- Các dạng chống sét có liên quan tới thiết bị điện tử

Hình C.3- Phân bố dòng điện do sét đánh vào công trình có 15 đường nối đất

GHI CHÚ 1. Đường đồng mức điện cảm truyền dẫn (MT) như sau:
1) 0,015 μH/m 2) 0,02 μH/m 3) 0,03 μH/m 4) 0,04 μH/m
5) 0,05 μH/m 6) 0,07 μH/m 7) 0,08 μH/m
GHI CHÚ 2. Các đường nối đất bên trong (A, B và C) chỉ tải tương ứng 3,1%, 2,3% và 3,1% tổng cường độ sét
...
...
...
Ví dụ:
Đối với vòng
cao 2m như trên
hình vẽ và độ tăng dòng sét
đánh
là 50kA/μs
Điện cảm tương hỗ (M) = (0,03 - 0,015) = 0,015 μH/m
Do đó điện
áp = M (cao).
= (0,015 x 10-6) x (2,0) x
(5x1010) = 1
500 V
Hình C.4- Mặt bằng nhà có 15 đường nối đất thể hiện trường phân bố điện cảm truyền dẫn
C.3.3 Hành trình dòng trong công trình
Dòng điện sét truyền trong công trình dạng "phòng được che chắn" như đã được đề cập trong C.3.2 theo kiểu "màng dòng điện" trên bề mặt của mái, tường rồi xuống đất. Sự thay đổi điện trở nhỏ trong các phần khác nhau của bề mặt ảnh hưởng rất ít tới quá trình truyền điện này bởi vì đường dẫn dòng được xác định bằng độ cảm ứng chứ không bằng điện trở do bản chất hiện tượng sét đánh xảy ra rất nhanh.
Xu hướng tương tự cũng diễn ra đối với dây xuống ngoài nhà đối với công trình có kết cấu khung thép hoặc bê tông cốt thép có dạng như ở Hình C.3 và C.4, nơi dòng điện được phân ra bởi 15 đường riêng rẽ. Cần lưu ý là các đường xuống bên trong mang ký hiệu A, B và C ở Hình C.4 mang một lượng phần trăm rất nhỏ của dòng và do đó có trường điện từ nhỏ. Hệ thống chống sét cho hệ thống thiết bị điện trong nhà được phát triển bởi các đường dẫn sét được bố trí ở ngoài biên của nhà. Một số đường dẫn để giải quyết trong trường hợp có dòng giữa thiết bị với nhau. Đó là các dây đơn lẻ được lắp đặt trong nhà và được chấp nhận cho việc truyền sét cũng như chống lại phát sinh tia lửa điện.
C.3.4 Ảnh hưởng của quy mô sét tới định dạng hệ thống khác nhau
...
...
...
Trong các trường hợp như vậy, có các biện pháp để bảo vệ tác động của sét gây ra trong hệ thống điện chính của nhà. Đây là sự sắp đặt được mô tả ở C.3.2 đối với một công trình được chống sét tốt.
Hệ thống điện trong các công trình phi kim loại không có hệ thống chống sét có nguy cơ bị sét tác động nhiều nhất. Cần phải xem xét cẩn thận phương pháp chống sét cho công trình và các bộ phận của nó. Một số nguy cơ được giải thích ở dưới đây và các hướng dẫn chống sét cụ thể được trình bày ở C.7.1 và C.7.2.
Một trong các ví dụ về tình huống nơi mà có các nguy cơ có thể xem xét là công trình chứa các thiết bị điện và có thể có các thiết bị liên hợp như đài, rađa hoặc các thiết bị dự báo thời tiết, trong dây chuyền, các sensor được đặt phía ngoài. Các thiết bị liên hợp này có thể được treo ở bên cạnh hoặc đỉnh mái hoặc trên các cột thu, tháp truyền thanh hoặc công trình thông thường như minh họa ở Hình C.2b. Mái hoặc cột thu nằm ngoài phạm vi bảo vệ của hệ thống chống sét cho công trình, nhưng cáp dẫn từ cột thu vào công trình có thể đưa sét vào trong công trình trong khi hệ thống chống sét của công trình không phát huy tác dụng. Hơn thế các bộ phận thiết bị treo trên mái hoặc cột có thể dễ bị ảnh hưởng khi bị sét trực tiếp, hoặc bị hư hại vì dải điện áp cao lan vào. Ví dụ tiếp theo chỉ ra khả năng dính sét tới thiết bị điện phụ thuộc không chỉ vào hệ thống chống sét mà còn phụ thuộc vào các chi tiết lắp đặt như dây, các đầu đọc, thu trên tháp cũng như phụ thuộc vào mạch dẫn vào công trình. Hướng dẫn đo đạc để bảo vệ khỏi các nguy cơ này cho ở C.7.
Ví dụ tiếp theo về vấn đề thường gặp có thể gây ra sự tăng điện áp môi trường lên cao được chỉ ra ở Hình C.2c. Có xu hướng dòng điện sét tiêu tán theo các đường dẫn điện được hình thành bằng các đường cáp nối các công trình, do đó dòng điện sét có thể truyền từ công trình bị sét đánh sang công trình khác không bị sét đánh trực tiếp. Dòng lên tới hàng chục kilôampe có thể truyền qua các đường cáp này nên việc chống lại hiện tượng này là rất cần thiết. Phương pháp bảo vệ được mô tả ở C.7. Đây là một trong những nguy cơ mà sét truyền đi giữa các công trình.
C.4 Đánh giá mức độ rủi ro
C.4.1 Quyết định lắp đặt hệ thống chống sét
Quyết định lắp đặt một hệ thống chống sét cho hệ thống điện và điện tử chống lại sét thứ cấp phụ thuộc vào:
Lượng sét đánh dự kiến trên khu vực (xem C.4.2); Sự dễ bị tổn thương hư hại của hệ thống;
C.4.2 Số vụ sét đánh dự kiến
...
...
...
Số vụ sét đánh dự kiến có thể đánh vào một diện tích thu sét hữu dụng trong một năm được cho bởi tích của mật độ sét và diện tích thu sét hữu dụng.
Diện tích thu sét hữu dụng, Ae tính theo mét vuông được xác định bởi:
Ae = diện tích công trình + diện tích thu sét của vùng đất xung quanh + diện tích thu sét của các công trình liên hợp liền kề + diện tích thu sét hữu dụng của các đường nguồn cấp + diện tích thu sét hữu dụng của đường truyền dữ liệu sang công trình liên quan.
C.4.2.2 Diện tích công trình
Là diện tích mặt bằng của công trình.
C.4.2.3 Diện tích thu sét của vùng đất xung quanh
Sét đánh xuống đất hoặc công trình gây ra tại khu vực đặt công trình một điện áp cao. Bất cứ đường trục hay đường dữ liệu đi vào khu vực điện áp cao đó đều là đối tượng của hiện tượng quá điện áp. Ảnh hưởng của một cú sét đánh xuống đất bị tắt dần khi khoảng cách giữa chu vi của công trình và điểm đánh tăng lên. Vượt quá một khoảng cách nhất định thì ảnh hưởng của cú sét đánh tới công trình được coi là không đáng kể. Đấy là khoảng cách lựa chọn D, m. Với loại đất có điện trở suất 100Ω.m khoảng cách D có thể lấy bằng 100m. Với loại đất có giá trị điện trở suất khác thì giá trị D có thể lấy đúng bằng giá trị điện trở suất cho tới giá trị maximum là 500m cho đất có giá trị 500Ω.m hoặc hơn nữa.
Diện tích thu sét của đất xung quanh là diện tích có đường cơ sở là viền chu vi công trình và khoảng cách D. Khi mà chiều cao công trình vượt quá giá trị D thì lấy chiều cao công trình làm giá trị để tính.
C.4.2.4 Diện tích thu sét của các công trình liên hợp liền kề
...
...
...
Lấy ví dụ cây cột chiếu sáng đặt ngoài nhà được cấp điện từ nhà chính. Nhà khác có trạm máy tính đầu cuối, thiết bị điều khiển và tháp truyền.
Tại công trường có một vài ngôi nhà có hệ thống dây nối và khoảng cách không lớn hơn 2D, diện tích thu sét của các công trình liên hợp liền kề là diện tích giữa chu vi của các công trình liên hợp liền kề và đường định dạng bằng khoảng cách D từ chúng. Bất cứ vùng nào nằm trong diện tích thu sét của công trình chính thì đều không tính (xem ví dụ 1 trong C.6).
C.4.2.5 Diện tích thu sét hữu dụng của các đường nguồn cấp
Diện tích thu sét hữu dụng liên quan tới các đường nguồn cấp kê trong bảng C.1.
Tất cả các đường cáp vào ra (tới các công trình khác, các tháp chiếu sáng, thiết bị ở xa, ..) được xem xét một cách riêng biệt và diện tích thu sét được cộng từ các phần riêng đó.
Bảng C.1 – Diện tích thu sét hữu dụng của các đường nguồn cấp
Loại nguồn cấp
Diện tích thu sét hữu dụng
Cáp thấp áp chạy phía trên
...
...
...
Cáp cao áp chạy phía trên (tới biến áp của công trình)
4 x D x L
Cáp thấp áp đi ngầm
2 x D x L
Cáp cao áp đi ngầm (tới biến áp của công trình)
0,1 x D x L
GHI CHÚ 1: D là khoảng cách lựa chọn (m) xem C.4.2.3. Việc sử dụng h thay cho D như giải thích ở C.4.2.3 không áp dụng
GHI CHÚ 2: L là chiều dài của cáp động lực với độ dài tối đa 1000m. Nơi nào giá trị L không xác định thì có thể lấy giá trị 1000m để tính toán.
C.4.2.6 Diện tích thu sét của đường truyền dữ liệu sang công trình liên quan
...
...
...
Nếu có nhiều hơn 1 đường cáp thì có thể coi là tính đơn lẻ rồi cộng lại. Trong trường hợp cáp đa lõi thì từng cáp có thể được coi là đơn và không giống như là từng vòng.
Bảng C.2 – diện tích thu sét hữu dụng của các đường dữ liệu
Loại đường dữ liệu
Diện tích thu sét hữu dụng
Đường tín hiệu đi phía trên cao
10xDxL
Đường tín hiệu đi ngầm
2xDxL
Đường cáp quang không có đường dẫn hoặc lõi kim loại
...
...
...
GHI CHÚ 1: D là khoảng cách lựa chọn (m) xem C.4.2.3. Việc sử dụng h thay cho D như giải thích ở C.4.2.3 không áp dụng
GHI CHÚ 2: L là chiều dài của cáp động lực với độ dài tối đa 1000m. Nơi nào giá trị L không xác định thì có thể lấy giá trị 1000m để tính toán.
C.4.2.7 Đánh giá khả năng sét đánh
Số lượng sét có thể đánh trên một diện tích thu sét được định nghĩa mỗi năm, ρ, theo công thức sau:
P = Ae * Ng * 10-6
Trong đó
Ae – tổng số diện tích thu sét hữu dụng, m2;
Ng – mật độ sét trên một cây số vuông mỗi năm.
C.4.3 Sự dễ hư hại của các dạng hệ thống
...
...
...
- loại công trình;
- mức độ bao bọc;
- loại địa hình
Trong bảng C.3, bảng C.4 và C.5 các hệ số hiệu chỉnh F tới H được phân chia cho từng tiêu chí để chỉ mối liên quan của các nguy cơ trong từng trường hợp.
Bảng C.3 – Hệ số hiệu chỉnh F (hệ số công trình)
Loại công trình
Giá trị F
Công trình có hệ thống chống sét và nối đẳng thế đơn giản
...
...
...
Công trình có hệ thống chống sét và nối đẳng thế phức hợp
1,2
Công trình có hệ thống nối đẳng thế khó khăn (nhà dài hơn 100m)
2
Bảng C.4 – Hệ số hiệu chỉnh G (hệ số mức độ cách ly)
Loại bao bọc
Giá trị G
Công trình nằm trên một diện tích rộng có cây và nhà cửa độ cao gần như nhau, ví dụ như trong thị trấn hoặc rừng.
0,4
...
...
...
1,0
Công trình cao hơn hẳn các công trình và cây cối xung quanh ít nhất 2 lần.
2
GHI CHÚ: bảng C.4 có hệ số giống Bảng 9, lặp lại ở đây để tiện sử dụng
Bảng C.5 – Hệ số hiệu chỉnh H (hệ số địa hình)
Loại địa hình
Giá trị H
Đồng bằng
0,3
...
...
...
1,0
Núi từ 300 đến 900m
1,3
Núi trên 900m
1,7
GHI CHÚ: bảng C.5 có hệ số giống bảng 8, lặp lại ở đây để tiện sử dụng
C.4.4 Nguy cơ sét đánh vào một hệ thống cụ thể
Nguy cơ sét đánh và khả năng dễ bị hư hỏng của một hệ thống (các hệ số hiệu chỉnh) có thể được kết hợp lại để đánh giá các nguy cơ sét đánh ảnh hưởng tới các hệ thống điện và điện tử thông qua các bộ phận dẫn điện ra/ vào hoặc các hệ thống dữ liệu ra/ vào.
Nguy cơ xảy ra (R) của việc tăng thế tức thì do sét được tính theo công thức: R=F*G*H*p
...
...
...
C.5 Quyết định làm hệ thống chống sét
Quyết định làm hệ thống chống sét cần tính đến các tác động mang tính hậu quả hư hại của các thiết bị điện và điện tử quan trọng. Cần xem xét tới các mối nguy hiểm tới sức khỏe và an toàn do mất khả năng điều khiển nhà máy hoặc các dịch vụ thiết yếu. Cần so sánh chi phí ngừng hoạt động của hệ thống máy tính hoặc của nhà máy với chi phí làm hệ thống chống sét. Sự phân loại công trình và các nội dung cụ thể được cho ở bảng C.6.
Bảng C.6 – Phân loại công trình và vật chứa
Sử dụng công trình và hậu quả của các hư hại tới các đối tượng bên trong
Chỉ số hậu quả
Nhà ở dân dụng và công trình có trang thiết bị giá thấp và có giá trị khấu hao thấp
1
Tòa nhà thương mại và công nghiệp có các hệ thống máy tính, nơi mà các hư hại hệ thống đó có thể phá hoại sản xuất
2
...
...
...
3
Các công trình mà khi mất điều khiển máy tính hoặc hệ thống có thể dẫn tới hủy hoại môi trường và sức khỏe con người
4
Đối với việc lắp đặt thiết bị điện tử giá trị R được xác định (xem C.4.4) và chỉ số tiêu hao được thành lập theo bảng C.6. bằng việc sử dụng các giá trị trong bảng C.7, có thể xác định mức để thiết kế (xem C.13). Nơi mà mức độ phơi trần không đáng kể thì sự bảo vệ là sự cần thiết không bình thường.
Bảng C.7 – Phân loại mức độ phơi trần
Mức độ hư hao
Mức độ phơi trần
R<0,005
R=0,005 ¸ 0,0499
...
...
...
R>0,5
1
Không đáng kể
Không đáng kể
Thấp
Trung bình
2
Không đáng kể
Thấp
...
...
...
Cao
3
Thấp
Trung bình
Cao
Cao
4
Trung bình
Cao
...
...
...
Cao
GHI CHÚ: tiêu chí mức độ phơi trần trong bảng C.7 được dựa trên đánh giá nguy cơ sét. …
C.6 Ví dụ tính toán
Ví dụ 1
Một trụ sở máy tính của công ty thương mại ở vùng Thanh Trì Hà Nội cao 15m, dài 100m, rộng 60m. Tọa lạc ở vùng đồng bằng, xung quanh bao bọc bởi các công trình và cây cối có độ cao tương tự. Đường cấp chính dài 250m đi dưới đất và tất cả các đường cáp vi tính là bằng cáp quang không bọc kim. Một đường cáp cấp điện từ tòa nhà chính ra cột đèn cao 7m, cách công trình 100m.
Để xác định sự bảo vệ cần thiết, tính hệ số rủi ro như sau:
a) lượng sét trên 1 km2 mỗi năm:
Trên cơ sở bản đồ mật độ sét cho ở Hình 2 và các khuyến cáo tại 7.2, đối với vùng Thanh Trì Hà Nội mật độ sét trên 1 km2 mỗi năm được lấy bằng 10,9 (Ng=10,9).
b) diện tích thu sét
...
...
...
=100*60 = 6000 m2
- diện tích thu sét của đất xung quanh công trình (Hình C.5, phương trình (1))
= 2(100*100)+1(100*60)+(p*1002)
= 63416 m2
GHI CHÚ: Giả thiết khoảng cách D của diện tích thu sét bằng 100m.
- diện tích thu sét của các công trình liên hợp liền kề (Hình C.5)
= (p+1002)/2
= 15708 m2
GHI CHÚ: để đơn giản hóa diện tích này được lấy bằng hình bán nguyệt
...
...
...
+ các nguồn cấp vào công trình
= 2*100*250
= 50000 m2
+ các nguồn cấp tới các cột đèn
= 2*100*100
= 20000 m2
+ tổng diện tích thu sét của các nguồn cấp
= 50000+20000
= 70000 m2
...
...
...
= 0
GHI CHÚ: diện tích thu sét bằng không được áp dụng đối với đường truyền dữ liệu bằng cáp quang.
Tổng diện tích thu sét hiệu dụng là:
Ae = 6000+63416+15708+70000+0
= 155000 m2
c) xác suất xảy ra sét đánh
- xác suất xảy ra sét đánh trên diện tích thu sét hữu dụng được cho bởi phương trình:
p = Ae*Ng*10-6
= 155000*10,9*10-6
...
...
...
d) Rủi ro
Rủi ro xảy ra quá áp cảm ứng cho bởi các trường hợp sau:
Đối với toàn bộ diện tích
R=F*G*H*p
= 1*1*0,3*1,69
= 0,507
giá trị R=0,507 chỉ ra rằng hiện tượng quá áp cảm ứng xảy ra hai năm một lần.
Đối với diện tích liên quan tới đường cáp vào công trình
Ng = 10,9
...
...
...
= 6000+63416+15708+50000
= 135000 m2
xác suất xảy ra sét tính theo biểu thức
= 135000*10,9*10-6
= 1,47 rủi ro
= 1*1*0,3*1,47
= 0,44
theo bảng C.6 công trình có chỉ số hậu quả bằng 2. Căn cứ theo bảng C.7 có thể suy ra rằng cần sử dụng thiết bị bảo vệ quá áp phù hợp với môi trường hở có nguy cơ trung bình.
Đối với diện tích liên quan tới các đường cấp tới cột đèn chiếu sáng
...
...
...
diện tích thu sét
= 6000+63416+15708+20000
= 105000 m2
xác suất xảy ra sét tính theo biểu thức
= 135000*10,9*10-6
= 1,47 rủi ro
= 1*1*0,3*1,47
= 0,44
theo bảng C.6 và bảng C.7 có thể suy ra rằng cần sử dụng thiết bị bảo vệ quá áp phù hợp với môi trường hở có nguy cơ trung bình.
...
...
...
Một nhà điều khiển hệ thống xử lý nước thải tại vùng Khánh Hoà gần bờ biển có các thông số hình học cao dài rộng lần lượt là 6m*10m*10m. Tọa lạc trên vùng đồi, công trình được bảo vệ theo tiêu chuẩn này. Đường cáp điện chính dài 250m đi phía trên cao, đường dây điện thoại đi trên cao, không rõ chiều dài.
Để xác định sự bảo vệ cần thiết, tính hệ số rủi ro như sau:
a) lượng sét trên 1 km2 mỗi năm:
Đối với vùng Khánh Hoà gần bờ biển mật độ sét trên km2 mỗi năm được lấy trên bản đồ Hình 2 và khuyến cáo ở 7.2 là 3,4 (Ng=3,4).
b) diện tích thu sét
- diện tích công trình
=10*10
= 100 m2
- diện tích thu sét đất xung quanh công trình (Hình C.5, phương trình (1))
...
...
...
= 35 416 m2
GHI CHÚ: tổng khoảng cách D được giả thiết là 100m.
- diện tích trùm của các công trình liên hợp liền kề (Hình C.5)
= 0
GHI CHÚ: để đơn giản hóa diện tích được lấy bằng hình bán nguyệt
- diện tích thu sét các nguồn cấp (bảng C.1)
= 2*100*250
= 250 000 m2
- diện tích thu sét của các đường dữ liệu (bảng C.2)
...
...
...
= 1 000 000 m2
GHI CHÚ: chiều dài đường điện thoại được giả thiết là 1000m do chiều dài không xác định.
Tổng diện tích thu sét hữu dụng là:
Ae = 100+35416+0+250000+1000000
= 1,2855*106 m2
Diện tích thu sét hữu dụng liên quan tới đường cáp chính:
Aem = 100+35416+0+250000
= 285,5*103 m2
Diện tích thu sét hữu dụng liên quan tới đường điện thoại:
...
...
...
= 1,0355*106 m2
c) xác suất xảy ra sét đánh
Xác suất xảy ra sét đánh trên tổng diện tích thu sét hữu dụng được cho bởi phương trình:
ps = Ae*Ng*10-6
= 1,2855.10-\6*3,4*10-6
= 4,37
Xác suất xảy ra sét đánh trên diện tích thu sét hiệu quả liên quan đường cáp chính được cho bởi phương trình:
pm = Aem*Ng*10-6
= 0,2855 *106 * 3,4 * 10-6
...
...
...
Xác suất xảy ra sét đánh trên diện tích thu sét hữu dụng liên quan đường điện thoại được cho bởi phương trình:
p = Aet*Ng*10-6
= 1,0355 * 106 * 3,4 * 10-6
= 3,52
d) Rủi ro
Rủi ro xảy ra quá áp cảm ứng cho bởi các trường hợp sau:
Đối với toàn bộ diện tích
R=F*G*H*p
= 1*2*1*4,37
...
...
...
giá trị R=8,74 chỉ ra rằng hiện tượng quá áp cảm ứng xảy ra chu kỳ trung bình cứ mỗi 1,4 tháng một lần.
Đối với diện tích liên quan tới đường cáp chính đi vào
R=F*G*H*pm
= 1*2*1*0,97
= 1,94
Theo bảng C.6 công trình có thể được cân nhắc áp dụng chỉ số tổn hại bằng 3 khi mà xảy ra sự phá hủy hệ thống cấp nước của thị trấn.
Theo bảng C.7, có thể suy ra cần sử dụng thiết bị bảo vệ quá áp cho môi trường hở có nguy cơ cao.
Đối với diện tích liên quan tới đường điện thoại
R=F*G*H*pt
...
...
...
= 7,04
Theo bảng C.6 và C.7, có thể suy ra cần sử dụng thiết bị bảo vệ quá áp cho môi trường hở có nguy cơ cao.

Hình C.5 – Diện tích thu sét cho công trình và các hạng mục liền kề
C.7 Phương pháp bảo vệ khi lắp đặt chống sét
C.7.1 Nối đất, liên kết và bình thế
Các yêu cầu nối đất được đề cập ở mục 13 và 14. Các nội dung dưới đây bổ sung các yêu cầu đó nhằm mục đích san bằng chênh lệch điện thế cho các thiết bị.
Hệ thống kỹ thuật cung cấp cho các công trình có các hệ thống thông tin mở rộng, ví dụ nhà máy công nghiệp, cần liên kết với một thanh liên kết đẳng thế thường ở các dạng tấm kim loại, dây dẫn mạch vòng bên trong, hay dây dẫn mạch vòng riêng phần ở phía trong của bức tường ngoài hoặc theo chu vi khu vực bảo vệ gần mặt đất. Thanh liên kết đẳng thế này được nối với cực nối đất mạch vòng của hệ thống nối đất. Một ví dụ được minh họa ở Hình C.6.
Tất cả các đường ống kim loại bên ngoài, đường cấp điện, dữ liệu ra và vào công trình tại một điểm được bọc bảo vệ, … có thể được nối tới mạng nối đất tại điểm liên kết đơn này (xem Hình 28). Điều này làm giảm thiểu dòng sét xuyên vào trong công trình (xem Hình C.7). Nơi các đường cáp thông tin và cáp điện đi qua các công trình nằm cạnh nhau, hệ thống nối đất cần được nối với nhau và sẽ có lợi nếu có nhiều đường dẫn song song để làm giảm dòng điện trong từng cáp. Hệ nối đất dạng lưới đáp ứng được mục đích này. Ảnh hưởng của dòng điện sét có thể được giảm thiểu hơn nữa bằng cách đi các dây dẫn vào trong các đường ống kỹ thuật và kết hợp các đường ống đó vào hệ nối đất dạng lưới và liên kết với điểm ra vào chung của hệ thống nối đất tạo mỗi đầu. Hình C.6 minh hoạ một ví dụ về hệ thống nối đất dạng lưới dành cho một cột tháp và công trình có thiết bị gần kề.
...
...
...
Công trình liên quan tới các cột thu có thể có sự bảo vệ đặc biệt bởi nó liên quan tới cả nguồn cấp điện.

Hình C.6-Các dây cáp đi vào công trình tách biệt với ăng ten phát sóng

Hình C.7 - Liên kết các đường ống và dây tại điểm ra vào công trình
C.7.2 Vị trí thiết bị điện tử và cáp
C.7.2.1 Vị trí thiết bị điện tử trong công trình
Lựa chọn vị trí thiết bị điện tử trong công trình phụ thuộc vào xây dựng công trình. Đối với công trình giống như phòng màn chắn, nghĩa là nối mái phủ kim loại với tường, vị trí không quan trọng. Trong công trình khung kim loại thông thường các thiết bị điện tử có thể lắp ở giữa công trình, không nên ở tầng nóc, nhưng cũng có thể lắp ở sát tường ngoài và góc nhà. Đối với công trình bằng vật liệu không dẫn điện với một hệ thống chống sét thì cũng là tương tự. Trong công trình xây bằng các vật liệu không dẫn điện như trong nhà có lắp đặt hệ thống điện tử thì cũng cần lưu ý ví như tránh lắp đặt ở những vị trí các kết cấu cao như ống khói, hoặc nơi sát với đường truyền sét xuống.
C.7.2.2 Vị trí cáp giữa các hạng mục của hệ thống điện tử trong nhà
...
...
...
Nên đi dây cấp nguồn và cáp của thiết bị điện tử cạnh nhau để giảm thiểu các khu vực tạo ra vòng kín. Nó có thể thực hiện dễ dàng bằng cách sử dụng các ống bao dây cho mỗi loại. Ở Hình C.9 nối đất lưới được sử dụng cục bộ trên các sàn và điểm nối đất chung cho toàn bộ. Đây là hệ thống nối đất hỗn hợp.
Hệ thống đi dây cho thiết bị điện tử không được lắp cùng hệ đỡ với đường nối chống sét. Đi dây có thể ở trên sàn và nên tránh các vòng trên tường đứng. Đi dây trục đứng nên theo như Hình C.9. Bố trí như Hình C.9 có thể sử dụng cho thiết bị đặt theo chiều ngang trong nhà dài.
Đối với công trình xây dựng bằng vật liệu không dẫn điện, bố trí dây được mô tả ở mục phụ này là cần thiết để giảm thiẻu các nguy cơ làm hư hại thiết bị, hỏng các dữ liệu. Nơi nào mà việc đi dây không thể áp dụng nguyên tắc như ở mục phụ này thì nên tìm kiếm lời khuyên của chuyên gia.
C.7.3 Bảo vệ đường cáp đi từ ngôi nhà này sang ngôi nhà khác
Nơi mà đường cáp đi giữa các ngôi nhà tách biệt hoặc giữa các đơn nguyên của chúng mà không có các hành lang nối thì cần đặc biệt chú ý bảo vệ.
Nếu có thể, đường cáp quang có thể được sử dụng để cách ly hoàn toàn các mạch điện tử từ nhà này tới nhà khác. Đây là giải pháp hữu hiệu nhất cho đường truyền đa kênh hoàn toàn độc lập khỏi các vấn đề nhiễm từ, không chỉ có sét. Mặc dầu vậy không nên sử dụng đường cáp quang với lớp bọc kim loại hoặc dây dẫn bên trong.
Nơi mà không chọn dây cáp quang để truyền mà sử dụng các loại dây khác như là dây đồng trục, dây đôi lõi thì cần chú ý phát hiện những hư hại dọc theo tuyến. hệ thống nối đất của công trình có thể nối sử dụng đường bọc cáp, đường đi dây đi cùng nhiều loại cáp. Nơi mà có nhiều đường dây đi song song thì tốt nhất là điện áp giữa chúng càng chênh ít càng tốt. thêm nữa đường nối đất có thể nối giữa công trình với công trình.
Nơi cáp đồng trục được lắp đặt giữa các công trình thì lớp vỏ của nó có thể được nối với hệ thống nối đất của công trình tại vị trí vào/ra của ngôi nhà.
Trong một số loại cáp đồng trục hoặc hệ thống chắn, có thể chỉ cần nối cáp xuống đất tại một điểm. Nếu cần thiết cần bố trí các thiết bị bảo vệ quá áp thích hợp.
...
...
...
Có thể kết hợp giữa các phương pháp trình bày ở mục này, ví dụ dụng thiết bị bảo vệ đối với các đường tín hiệu và thiết bị kết hợp với việc bọc nối các đường cáp để giữ môi trường ở ngưỡng điện áp cho phép. Trừ trường hợp đường cáp quang quá dài, bản thân thiết bị kháng trở cao không đảm bảo trừ phi chúng có thể chịu được điện áp trên 100kV do sự chênh lệch điện thế lớn giữa các công trình không được bảo vệ do dòng sét truyền dưới đất từ một trong các công trình đó.

Hình C8.- Các phương pháp giảm thiểu điện áp cảm ứng

Ghi chú 1: Có thể áp dụng nguyên tắc giảm diện tích mạch vòng đối với thiết bị nằm bên ngoài. Tất cả các liên kết nằm trong một máng cáp để giảm diện tích mạch vòng như ở c) của Hình C.8
Ghi chú 2: XXXX minh hoạ cốt thép hoặc các bộ phận xây dựng bằng kim loại trong sàn
Hình C.9- Hệ thống nối đất phức hợp được áp dụng cho thiết bị trong nhà nhiều tầng

a) Lắp đặt chặn quá dòng không chuẩn gây ra xung lớn
...
...
...

b) Khuyến nghị cho việc lắp chặn quá dòng
Ghi chú: Xung được giảm thiểu bằng cách nối dây trung tính xuống điểm nối đất B' bằng đường thẳng
Hình C.10- Nối đất từ điểm nối không thiết bị tới điểm nối đất của thiết bị chống quá dòng
C.7.4 Bảo vệ thiết bị có phần bên ngoài công trình nối vào tháp, cột thu
Cụm thiết bị treo ngoài công trình hoặc nối vào tháp, cột thu sét thì hiện hữu các nguy cơ sau:
a) Dòng vào trực tiếp từ các cú sét. b) Dòng cảm ứng và kháng.
C.8 Đặc tính và hiệu ứng của sét
C.8.1 Đặc tính bổ sung của sét liên quan tới thiết bị điện tử
...
...
...
Chỉ số cực đại của di/dt (kA/μs)
Mức vượt %
200
1
30
50
10
99
Các thông số khác của xung sét là rất quan trọng trong việc đánh giá các khía cạnh gây nguy hại của sét song giá trị cực trị của dòng sét di/dt là một trong các nguyên tắc đánh giá điện áp kháng và trong khoảng thời gian xung là dấu hiệu chỉ số năng lượng sấm. minh họa dòng sét âm đánh xuống đất xem ở Hình C.15.
...
...
...
C.8.2 Điểm sét đánh
Điểm bị sét đánh trên công trình là rất ngẫu nhiên, mặc dù công trình, cây cối cao to thì nguy cơ bị sét có thể nhiều hơn các công trình hay cây cối nhỏ thấp. Tuy vậy sét đánh xuống mặt đất phẳng nằm giữa hai ngôi nhà cao cách nhau hơn hai lần chiều cao của chúng là bình thường.
Trong các nhà máy sản xuất theo dây chuyền, vị trí dễ bị sét có xu hướng là các cột cao đồng thời ít khi đánh vào xưởng thẩp. tuy vậy các bộ phận nằm ngoài góc 45o kể từ điểm cao thì dễ bị sét (Hình C.16).

Hình C.11 – Lắp trực tiếp lên hệ thống điện trần ngoài nhà

Hình C.12-Bảo vệ cho hệ thống trần trực tiếp

Hình C.13- Bảo vệ cáp đi dọc theo các bình chứa cao và liên kết trên mái
...
...
...
Hình C.14- Vị trí các dòng sét cao, trung bình, thấp có thể truyền xuống qua các đường cáp của lò phản ứng

Ghi chú: Sau cú sét đánh ban đầu có thể có nhiều xung điện cường độ thấp hơn và thời gian ngắn hơn gọi là các xung thứ cấp hoặc xung lặp
Hình C.15- Đường đặc tính dòng sét âm

Hình C.16- Điểm sét đánh trên công trình
Trong các công trình cao thì các thiết bị điện tử thường có nguy cơ rủi ro cao đặc biệt, không hẳn nó là điểm rủi ro trực tiếp bắt sét mà còn có các lý do khác như là chúng thường được nối với các hệ thống dây tới các thiết bị khác. Vì thế mà chúng cần phải được bảo vệ cẩn thận.
Các phần, đối tượng dễ bị sét đánh trên công trình được minh họa ở Hình C.16. Đối với nhà cao hơn 20m góc côn 45o của hệ thống chống sét được cho là quy tắc bảo vệ chống sét tốt. Tuy nhiên đối với nhà, công trình cao trên 20m phương pháp hình cầu lăn là tốt hơn đối với các khu vực tương tự, đặc biệt là nó hạn chế việc sét đánh vào cạnh bên của công trình. Bán kính hình cầu lăn được khuyến nghị là 20m.
Trong Hình C.16 giả thiết là các thiết bị ở hai nhà A và B được nối với nhau qua các đường cáp. Tuy nhiên có thể thấy sét đánh vào nhà A và một số phần của nhà B cũng như phần mặt đất giữa chúng. Do đó trong từng trường hợp dòng điện trong đất gần với điểm bị sét đánh có thể được nối đất hoặc không đều phải được tính đến và mở rộng phạm vi bảo vệ.
...
...
...
GHI CHÚ: mục này đề cập tới cơ chế sinh dòng điện áp cảm ứng, cường độ của nó và cung cấp hứng dẫn việc thiết lập độ an toàn bằng các mức khống chế xung và giới hạn xung thiết kế của thiết bị (TCL/ETDL).
C.9.1 Điện áp cảm kháng
Khi công trình bị sét đánh thì dòng điện đi xuống đất phát triển dải điện áp rộng giữa các bộ phận của công trình, các cấu kiện kim loại và hệ thống chống sét và phần đất ở phía lân cận công trình. Dải điện áp này chính là nguyên nhân sinh ra dòng điện chạy trong các đường cáp dẫn bên ngoài công trình tới vùng đất liền kề. Điện áp được sinh ra là điện áp cảm kháng sơ cấp nhưng ở phần tăng lên nhanh chóng ở dạng sóng sét hiệu ứng truyền dẫn xảy ra ở một phạm vi hẹp hơn.
Bất cứ dòng điện nào chạy trong đường cáp và phần bọc đều là kết quả của điện áp cảm kháng được xông qua dây nối tới thiết bị điện tử với điện áp chung và liền mạch.
Trong dải xung sét thì phần chứa nhiều năng lượng nhất là phần xung với tần tới 100kHz, điện trở của đất và lưới cáp, phần bao bọc như là các điện trở sinh ra các điện áp cảm kháng ở dạng sóng.
C.9.2 Điện áp cảm ứng
Dòng sét chạy trong dây dẫn sét hoặc trong các kênh dẫn vòng cung sinh ra một từ trường thay đổi theo thời gian với khoảng cách đến 100m tùy thuộc vào cường độ dòng sét. Trường điện từ này sinh ra hai hiệu ứng:
a) một dòng tự cảm điện từ L trong đường dây (ví dụ dây loại đường kính 2mm L=1μH/m);
b) một vòng tương hỗ ngược chiều trong dây dẫn (cảm dẫn = MT) hoặc vòng kín riêng biệt (cảm tương hỗ);
...
...
...

Hình C.17- Điện cảm
C.9.3 Xông dòng từ sét đánh trực tiếp
Các cú sét đánh trực tiếp tới đường dây điện hoặc hệ thống điện cũng như các đầu sensor hoặc tiếp không (hình C.11) có thể xông dòng gây phá hủy. Đây là nguy cơ cần phải được tính đến với việc dây dẫn đi bên ngoài có chiều dài lớn. Việc đi dây trong các ống bảo hộ sẽ làm hạn chế đáng kể tác hại. Điện áp rất cao của sự xông điện gây phá hoại các bộ phận khác của hệ thống, đánh tia lửa điện. Đó là một phần liên quan tới các bộ phận nhô ra ngoài công trình. Bố trí chúng hợp lý thì tránh được tác hại (xem C.7.4).
C.9.4 Nối trường điện
Độ mạnh của trường phải được tính đến trên toàn bộ diện tích sét đánh trước khi hình thành cú đánh khi mà giá trị của chúng đạt tới ngưỡng ngăn được của không khí (xấp xỉ 500kV/m).
Sự hình thành giải thoát điểm thay đổi trường xấp xỉ 500kV/m.μs có thể xảy ra. Hiệu ứng của mỗi sự thay đổi trường là không đơn giản khi bảo vệ chúng chống lại hiệu ứng dẫn và cảm sét.
C.9.5 Điện áp do xung điện từ từ sét (LEMP) gây ra
Xung điện từ từ sét (LEMP) được sinh ra liên quan tới hiện tượng điện từ khác gọi là xung điện từ nguyên tử (NEMP). Có hai điểm khác nhau quan trọng trong dải và cường độ của hai hiệu ứng sinh ra, từ NEMP sinh ra xung tăng nhanh hơn nhiều (thời gian tăng khoảng 10ns) với biên độ đứt quãng và NEMP chỉ ảnh hưởng tới với hệ thống xung phóng xạ. So với sét thì xung này vô cùng nhỏ. Sét đánh xuống công trình hay đất gần đó thực ra không sinh ra xung điện từ từ sét nhưng tạo ra về nguyên tắc một cặp từ trường đặt gần nhau và sinh ra điện áp từ cảm (và điện áp cảm kháng) như đã mô tả ở C.9.1 và C.9.2
...
...
...
Nói chung tác dụng xấu nhất của xung điện từ từ sét được phòng ngừa bằng cách áp dụng các biện pháp chống sét đánh trực tiếp. Sét đánh trực tiếp sinh ra xung sốc mạnh hơn là xung điện từ từ sét và bảo vệ chống sét đánh trực tiếp vẫn là quan trọng nhất, bảo vệ chống xung điện từ từ sét chỉ là thứ yếu.
C.9.6 Mức khống chế xung (TCL)/ nguyên tắc giới hạn xung thiết kế của thiết bị (ETDL)
Đối với sự hoạt động của thiết bị điện tử thì môi trường xung quanh lâu dài hay tạm thời đều được thiết kế hệ thống bảo vệ vừa đủ an toàn và kinh tế, đồng thời được nối đất.
Tiêu chí ngăn xung dòng hay xung điện áp được đưa vào khi thử hệ thống. Đây là mức xung lớn nhất cho phép hệ thống vẫn hoạt động, không bị hư hại (gọi là giới hạn xung thiết kế của thiết bị ETDL). Trường hợp sét giá trị này là N vôn của xung mà không gây phá hủy thiết bị. giới hạn xung thiết kế của thiết bị bằng N vôn. Khi lắp đặt thiết bị thì cần chắc chắn rằng xung trong hệ thống tới thiết bị là P vôn không cao hơn giá trị N vôn của thiết bị. (cho phép sử dụng hệ số điều chỉnh trong tính toán). P vôn gọi là mức khống chế xung, còn hiệu N-P vôn gọi là phần lề an toàn.
Để xác định một thiết bị bảo vệ chống xung quá điện áp cần kiểm soát điện áp xung trong vòng mức khống chế nó là điện áp cho đi qua với mức xấp xỉ mức đã thiết lập. Khi lắp thiết bị thì phải đảm bảo mức khống chế xung của thiết bị phải phù hợp, thiết bị được an toàn trong hệ thống, đồng thời lưu ý nối nối đất cho thiết bị.
Mặt khác cần lưu ý ngăn ngừa điện áp cảm kháng, tự cảm đáng kể trong bản thân thiết bị.
C.9.7 Các nguyên tắc bảo vệ
Các nội dung C.9.1, C.9.2, C.9.3, C.9.4 và C.9.5 đề cập cơ chế phát sinh dòng điện từ sét. Ngoại trừ trường hợpanten, thiết bị được bảo vệ chống lại điện áp cảm kháng, tự cảm của sét hoặc tác dụng tới công trình sẽ được bảo vệ khỏi trường điện và xung sét.
Việc dòng sét xông vào thiết bị phải được ngăn ngừa bởi nó là nguyên nhân sự phá hoại nghiêm trọng (C.7.4).
...
...
...
Hệ thống chống sét có thể bảo vệ chống lại điện áp cao từ sét đánh.
Để thiết bị chống sét đạt được thành công thì các điều kiện sau phải được thỏa mãn.
a) sự tồn tại. thiết bị bảo vệ có thể cứu được toàn bộ hệ thống khỏi xung điện áp cao thuộc phạm vi của nó.
b) mức khống chế xung. Sự bảo vệ phải có tác dụng ở mức khống chế xung, thấp hơn mức xung thiết kế của thiết bị. Thiết bị bảo vệ chống quá điện áp đó nối tới đường dẫn nối đất có thể tăng đáng kể mức khống chế xung tác dụng.
c) tương thích hệ thống. Bất cứ dạng bảo vệ nào được thêm vào phải không phá vỡ sự hoạt động chung của hệ thống đang được bảo vệ.
Sự quan tâm quan tâm bảo vệ phải được lưu ý đối với hệ thống truyền dữ liệu tốc độ cao.
C.10 Ví dụ tính toán điện áp cảm ứng trong thiết bị
Ví dụ tính toán điện áp cảm ứng bao gồm cả việc sử dụng lớp bọc như là bộ phận nối đất của đường cáp nhiều sợi rải tới công trình.
Lấy ví dụ đường cáp 100 đường cáp bọc nhôm, mỗi đường cáp gồm 65 sợi đường kính 1mm với điện trở suất 3*10-8Ωm, cáp dài 100m.
...
...
...
= ρ*l/A
= (3,0*10-8*100)/(65*0,0012*π/4)
= 59mΩ
trong đó:
ρ – điện trở suất
l – chiều dài cáp
A – diện tích tiết diện của lớp bọc
Đối với 100 cáp chạy song song mỗi cáp chịu 1 phần trăm dòng tổng là 100kA từ phòng máy tính tới thiết bị, dòng trong mỗi cáp là 1kA.
Bởi thế điện áp chung được tính: V = R*I
...
...
...
= 59V
Trong thực tế, dòng phân bố trong các cáp là không đều nhưng với sự có mặt của cáp tiếp địa chạy song song, cũng như là cáp nguồn cũng được bọc thì dòng trong cáp của thiết bị sẽ không vượt quá 1kA với biên độ lớn.
C.11 Ví dụ tính toán việc bảo vệ lõi trong của cáp đồng trục
Lấy ví dụ với 20m cáp bọc được nối hai đầu. 10% cường độ dòng sét đi qua cáp và bọc cáp có điện trở là 5Ω/km.
Đối với cú sét 200kA thì điện áp sinh ra được tính:
V = R*I
= 0,1*200*103*0,1
= 2000V
Đối với cú sét 20kA thì điện áp sinh ra được tính:
...
...
...
= 0,1*20*103*0,1
= 200V
Điện áp cảm kháng này được dẫn hoàn toàn tới dây bên trong.
Nếu như cáp được đặt trong máng cáp thì dòng điện sẽ chạy trong máng cáp. Trong trường hợp riêng chỉ có 10% cường độ chạy trong cáp mà thôi.
Đối với cú sét 200kA thì điện áp sinh ra được tính:
V = R*I
= 0,1*200*103*0,1*0,1
= 200V
Đối với cú sét 20kA thì điện áp sinh ra được tính:
...
...
...
= 0,1*200*103*0,1*0,1
= 20V
Sự phá hủy đường cáp có thể xảy ra hoặc không theo các ví dụ sau:
nếu như đường cáp là đường dẫn của radio đến anten thì điện áp lớn hơn 2000V cũng khó có thể gây phá hủy;
nếu như đường cáp là một phần của đường truyền mạng máy tính, điện áp 2000V có thể gây hư hại, điện áp 200V hoặc 20V có thể không;
nếu đường cáp là đường nối RS232 thì chỉ chịu được 20V, điện áp 200V hay 2000V đều có thể gây hư hại.
C.12 Ví dụ tính toán điện áp cảm ứng trong dây dẫn
Hình 13 cho thấy các giá trị tương đối của dòng trong các cáp riêng lẻ dọc theo hoặc bên trong ống (bình) hoặc các đường dẫn thông thường. Như đã thấy, dòng là hàm của vị trí tương đối tới tháp hoặc các bộ phận kim loại khác. Giá trị của điện áp cảm ứng xấp xỉ các vị trí thay đổi có thể được tính bằng công thức sau:
đối với cáp được bảo vệ bởi máng, tổng dòng là 400A, tháp cao 30m và điện trở suất của cáp là 10mΩ/m:
...
...
...
= 0,3Ω
điện áp cảm ứng chung:
V = R*I
= 0,3*400
= 120V
đối với cáp được bảo vệ trong máng cáp và trong ống và tổng dòng bằng 100A
điện áp cảm ứng chung:
V = R*I
= 0,3*100
...
...
...
đối với cáp đi trong bình hoặc trong xi lanh kim loại thì điện áp cảm ứng là không đáng kể
C.13 Thiết bị bảo vệ chống xung, vị trí lắp đặt và thử
C.13.1 Vị trí lắp đặt
C.13.1.1 Giới thiệu chung
Như xung chính được mô tả là dao động điện áp 1,2/50μs sinh ra trong công trình, sức mạnh của dòng có thể được giảm bớt. Nó được mô tả bởi ba loại vị trí C, B, và A. Loại C là đặt ở bảng điện cấp vào, loại B là đặt ở mạng phân phối chính, loại A là đặt ở phía phụ tải tiêu thụ.
Trong các vị trí đưa ra ở trên, mức độ nghiêm trọng của xung được tính đến là sẽ tăng dần theo nguy cơ rủi ro tăng cao. Điều này được mô tả bởi đại lượng mức độ phá hủy hệ thống xuất phát từ việc đánh giá rủi ro.
C.13.1.2 Cáp truyền tín hiệu dữ liệu
Tất cả các thiết bị chống xung đường truyền dữ liệu đều thuộc loại vị trí C như là một cái làm giảm thấp xung điện áp 10/700μs được dùng tương ứng với xung của đường dữ liệu không được làm giảm nhẹ bởi đường cáp ở vùng tương tự như xung chính.
C.13.1.3 Nguồn chính
...
...
...
Thiết bị bảo vệ chống xung được lắp đặt ở các vị trí như sau đây thì thuộc loại C:
- trên đầu cấp của nguồn vào bảng phân phối;
- trên đầu tải đi ra;
- phía ngoài công trình.
C.13.1.3.2 Loại vị trí B
Thiết bị bảo vệ chống xung được lắp đặt ở các vị trí như sau đây thì thuộc loại B:
- trên hệ thống phân phối, giữa bên phụ tải từ bảng phân phối chính tới và phía cấp tới các đầu nối, ổ cắm;
- trong thiết bị
- phía phụ tải của ổ cắm, cầu chì không quá 20m so với loại vị trí C.
...
...
...
Thiết bị bảo vệ được lắp ở phía phụ tải từ cầu chì, ổ cắm với khoảng cách nối trên 20m so với loại C.
C.13.2 Độ mạnh xoay chiều đại diện cho thiết bị quá điện áp thử nghiệm
Mức xấp xỉ của phép thử được cho trong các bảng C.8, C.9, C.10 cho các loại vị trí khác nhau và mức độ thử của thiết bị bảo vệ chống quá áp trong phép thử.
Bảng C.8 – Loại vị trí A (trục)
Mức độ thử
Điện áp (kV)
Dòng (A)
Thấp
2
...
...
...
Trung bình
4
333,3
Cao
6
500
Bảng C.9 – Loại vị trí B (trục)
Mức độ thử
Điện áp (kV)
...
...
...
Thấp
2
1
Trung bình
4
2
Cao
6
3
...
...
...
Mức độ thử
Điện áp (kV)
Dòng (A)
Thấp
6
3
Trung bình
10
5
...
...
...
20
10
C.13.3 Thử thiết bị bảo vệ quá điện áp
Máy phát thử cho loại vị trí B và C là máy phát xoay chiều liên hợp, có thể phát được điện áp 1,2/50μs và dòng xoay chiều 8/20μs. Đối với loại vị trí A, một bộ ngăn không cảm ứng đầu ra được lắp để giới hạn dòng ở giá trị hợp lý. Dòng ngắn sẽ không nhỏ hơn 8/20μs.
Phương pháp thử đối với thiết bị chống quá áp được đề cập ở mục 23 của UL 1449 : 1985.
C.13.4 Cường độ xoay chiều đại diện cho ngưỡng thử đường dữ liệu
Mức thử hợp lý được lựa chọn theo bảng C.11 cho độ thử và thiết bị được chọn.
Bảng C.11 – Loại vị trí C (đường dữ liệu)
Mức độ thử
...
...
...
Thử xông qua điện áp
Điện áp (kV)
Dòng (A)
Thấp
2,5
1,5
37,5
Trung bình
5
...
...
...
75
Cao
10
5
125
C.13.5 Thử nghiệm thiết bị chống quá điện áp đường truyền dữ liệu
C.13.5.1 Phép thử sóng xung dòng cao
Máy phát sóng hỗn hợp mô tả ở C.13.3 là phù hợp cho các phép thử này.
Phương pháp thử cho trong phần 5.6 của tiêu chuẩn ITU-T K.12 (2000) "Characteristics of gas discharge tubes for the protection of telecommunications installations."
...
...
...
Phương pháp thử tham khảo trong phần 23.3 của UL 1449:1985.
C.13.6 Thông tin được cung cấp bởi nhà sản xuất cho sản phẩm thiết bị chống quá điện áp
C.13.6.1 Thông tin về dạng xung
Nhà sản xuất thiết bị được yêu cầu cung cấp các thông tin về dạng xung như sau:
điện áp xông, như là 850V, tất cả các chế độ, thử 6kV, 1,2/50μs, 3kA 8/20μs.
Chế độ bảo vệ, ví dụ như đường nối đất, đường nối trung tính, trung tính tới đất đối với trục hay đường tới đường hay đường tới đất đối với cáp dữ liệu
Dòng xung cực đại, ví dụ như 20000A, 8/20μs.
GHI CHÚ: giá trị thử đối với thiết bị là thực chứ không dùng giá trị lý thuyết.
Làm yếu hệ thống. nếu như thiết bị này làm yếu sự hoạt động của hệ thống sau khi bị xung đã đi qua thì tất cả các hiệu ứng của nó phải được ghi rõ.
...
...
...
C.13.6.2 Thông tin ở trạng thái tĩnh
Nhà sản xuất thiết bị chống quá điện áp được yêu cầu cung cấp các thông tin dạng tĩnh như sau:
- điện áp làm việc;
- điện áp làm việc tối đa;
- dòng hở;
- chỉ số dòng
- các yếu tố làm yếu hệ thống.
- bất cứ yếu tố nào có thể gây ảnh hưởng, ví dụ như:
- trở kháng trên mạch;
...
...
...
- độ rộng dải tần;
- tỷ số sóng điện áp;
- hệ số phản xạ;
C.13.7 Máy phát sóng hỗn hợp
C.13.7.1 Giới thiệu chung
Sơ đồ đơn giản của máy phát minh họa ở hình C.18
Giá trị các thành phần vi phân Rs1, Rs2, Rm, Lr, và Cc được xác định khi máy phát mang một xung điện áp 1,2/50 μs, và một xung dòng 8/20μs tới mạch ngắn, nghĩa là máy đã có trở kháng hiệu quả là 2Ω.
Để thuận tiện thì một trở kháng đầu ra hiệu quả được định nghĩa cho máy phát xung dựa trên việc tính toán tỷ số của điện áp cực trị mạch mở và dòng cực trị ngắn mạch. Một máy phát như thế có điện áp mở là 1,2/50 μs và dòng ngắn mạch là 8/20 μs được coi là máy phát xoay chiều liên hợp.
Bảng C.12 – Định nghĩa thông số xoay chiều 1,2/50μs
...
...
...
Theo BS 923-2
Theo BS 5698-1
Thời gian trước
Thời gian của giá trị bán phần
Thời gian tăng từ 10% lên 90%
Khoảng thời gian 50% đến 50%
μs
μs
μs
...
...
...
Điện áp vòng mở
12
50
1
50
Dòng ngắn mạch
8
20
6,4
...
...
...
GHI CHÚ: Các dạng sóng 1,2/50μs và 8/20 μs được định nghĩa trong BS 923-2 và minh họa ở Hình C.19 và C.20. Nhiều khuyến cáo gần đây lại dựa trên định nghĩa về dạng sóng theo BS 5698-1 như thể hiện trên bảng C.12. Cả hai định nghĩa trên đều áp dụng được đối với tiêu chuẩn này và đều tham chiếu đến máy phát sóng đơn.
C.13.7.2 Đặc tính và định dạng của máy phát sóng hỗn hợp
Điện áp ra mạch mở: từ 0,5kV đến 6kV thử cho loại B, 20kV thử cho loại C
Biểu đồ: xem hình C.19, bảng C.12
Dòng ngắn: từ 0,25 đến 3,0kA thử cho loại B, 10kA thử cho loại C
Biểu đồ dòng: xem hình C.20 và bảng C.12
Cực: dương/âm
Pha chuyển: trong dải từ 0o đến 360 o
Chỉ số lặp: ít nhất 1 lần mỗi phút
...
...
...
Ghi chú: U là nguồn cao áp
RC là điện trở thay đổi
cC là tụ điện tích điện
Rs là điện trở định dạng độ dài xung
Rm là điện trở phối hợp trở kháng
Lr là cuộn cảm định dạng thời gian nâng
Hình C.18 - Sơ đồ mạch điện đơn giản của máy phát điện trộn sóng điện từ

Hình C.19 - Dạng sóng của điện áp mạch hở
...
...
...
Hình C.20 - Dạng sóng của dòng ngắn mạch
PHỤ LỤC D
(tham khảo)
Một số ví dụ tính toán
D.1 Ví dụ tính toán xác suất sét đánh tổng hợp
Một bệnh viện thuộc tỉnh Nam Định cao 10m và chiếm một diện tích là 10x12 (m2). Bệnh viện xây dựng ở vùng đồng bằng, ở khu vực có ít công trình khác hoặc cây xanh có chiều cao tương đương. Kết cấu công trình bằng bê tông cốt thép với mái không phải bằng kim loại.
Để xác định rằng liệu có cần đến hệ thống chống sét hay không, tính hệ số rủi ro tổng hợp như sau:
a) Số vụ sét đánh trên 1km2 trong 1 năm: Trên cơ sở bản đồ mật độ sét đánh cho ở Hình 2 và hướng dẫn ở 7.2 xác định được giá trị Ng là 8,2 lần sét đánh xuống đất trên 1 km2 trong một năm.
...
...
...
Ac = LW+2LH+2WH+ pH2
= (70x12) + 2(10x10) + 2(12x10) + (p x 100)
= 840 + 1400 + 240 + 314
= 2794 m2
c) Xác suất sét đánh: Sử dụng công thức (2) trong 7.2 xác suất sét đánh trong một năm, p là:
p = Ac x Ng x 10-6
= 2794 x 8,2 x 10-6
= 22,9 x 10-3
d) Sử dụng các hệ số điều chỉnh: Các hệ số sau lần lượt được áp dụng:
...
...
...
- Hệ số B = 0,4
- Hệ số C = 1,7
- Hệ số D = 1,0
- Hệ số E = 0,3
Tích các hệ số = A x B x C x D x E
= 1,7 x 1,0 x 1,7 x 2,0 x 0,3
0,35
Xác suất sét đánh tổng hợp là: 22,9 x 0,35 x 10-3 8,0 x 10-3
Kết luận: Cần lắp đặt hệ thống chống sét.
...
...
...
Dưới đây là ví dụ tính toán để quyết định có hay không liên kết các chi tiết kim loại với hệ thống chống sét.
Tình huống: một ống thép đúc thẳng đứng được bố trí cách dây xuống của hệ thống chống sét 2m được lắp đặt ở chung cư cao 15m tại thị xã Bắc Ninh, trong 1 năm có 8,2 lần sét đánh xuống/km². Diện tích của tòa nhà là 40m x 20m (xem Hình D.1).

Hình D.1 - Mặt bằng vùng thu sét
Giả thiết: giả thiết rằng mức rủi ro chấp nhận p0=10-5điện trở của cực nối đất là 10 Ω, và số lượng dây xuống là 6.
Vấn đề đặt ra: Hãy quyết định có hay không nên liên kết cái ống thép đó có chiều cao lớn nhất là 12m với hệ thống chống sét.
Trình tự: Mặt bằng vùng được chọn đã cho là:
L=40m, W= 20m, H=15m.
Diện tích thu sét: Xác định theo phương trình (1):
...
...
...
=(40*20)+2(40*15)+2(20*15)+( p*225)
=800+1200+600+707
Ae =3307m² (làm tròn 3300m²)
Xác suất bị sét đánh. Xác định theo phương trình (2):
p=Ae * Ng * 10-6
= 3300 * 8,2 * 10-6
p=27,06 * 10-3 lần bị sét đánh trong 1 năm
( làm tròn 27*10 hoặc 1 lần trong 37 năm)
Xác định dòng điện trong tia sét
...
...
...
= 27x10²
= 2700
Vì p lớn hơn 100po nên giả thiết dòng điện sét lớn nhất là 200kA (xem Hình 25).
GHI CHÚ:
Với giá trị
nhỏ hơn 100,
cường
độ dòng điện đó sẽ là 100 log10
như thể hiện trong Hình 25.
Điện áp giữa hệ thống chống sét và ống nối đất ở chiều cao 12m. Có 2 trường hợp xảy ra, với ống kim loại có liên kết và với ống kim loại không liên kết với cực nối đất, như sau:
a) Ống liên kết với cực nối đất. Điện áp kháng có thể được bỏ qua và điện áp giữa hệ thống chống sét và ống nối đất bằng điện áp tự cảm (V=VL).
Giả thiết có 6 dây xuống (n=6), mỗi dây xuống có kích thước 25mm x 3 mm, bán kính hiệu dụng re=0,008m, chiều dài mạch l = 12m và S=2m, nếu các giá trị này được đưa vào phương trình (4) và (6) thì VL được tính như sau:
![]()
Theo Hình 27, khoảng cách 0,85m là cần thiết, cộng với 30 % khi tính đến vị trí góc sẽ ra tổng là 1,1m. Khoảng cách thực tế là 2m, do đó việc liên kết là không cần thiết ở điểm cao nhất của ống.
...
...
...
V=VR+VL
Trong đó
VR là điện áp kháng phát sinh trong hệ thống mạng nối đất.
VL được lấy giá trị như trong trường hợp a) mà VR được tính thêm vào như sau:
[do mỗi cực nối đất có thể có một điện trở tính bằng (Ω) là nx10]
VR=2 MV
V =2+0,44 =2,44 MV
Từ Hình 27, khoảng cách 6m là cần thiết với điện áp như trên và do đó ống cần được liên kết với hệ thống chống sét ở điểm cao nhất hoặc thấp nhất để khử điện áp kháng. Phần tính toán ở trên chứng tỏ rằng điện áp tạo bởi hiệu ứng lan truyền sét phụ thuộc chủ yếu vào số lượng dây xuống và độ lớn điện trở đất.
Khi khoảng cách 2m (bằng khoảng cách ly S) được sử dụng để đánh giá điện áp phóng điện từ Hình 27, nó có nghĩa là cự ly gần nhất của chi tiết kim loại kết nối với ống đến các chi tiết kim loại kết nối với dây xuống là 2m. Nếu ống có khoảng cách ly 2m với dây xuống như trong trường hợp này nhưng thêm vào đó nó có nhánh đi gần với điểm cao nhất của dây xuống trong phạm vi 1m, thì khoảng cách 1m phải được kiểm tra theo Hình 27 với điện áp do sét tạo ra để bảo đảm rằng có khoảng cách ly thích hợp.
...
...
...
PHỤ LỤC E
(tham khảo)
Số liệu về mật độ sét đánh tại các địa danh của Việt Nam
TT
Tỉnh, Thành phố
Huyện
Mật độ sét đánh
(số lần/km2/năm)
1
...
...
...
Tp. Long Xuyên, Tx. Châu Đốc, An Phú ,Châu Phú,Châu Thành, Chợ Mới, Phú Tân, Tân Châu, Tịnh Biên, Thoại Sơn, Tri Tôn
13,7
2
Bà Rịa – Vũng Tàu
Tp. Vũng Tàu, Tx. Bà Rịa, Châu Đức,Côn Đảo, Long Điềm, Đất Đỏ, Xuyên Mộc
8,2
Tân Thành, Châu Đức
10,9
3
...
...
...
Tx. Bắc Kạn, Bạch Thông, Chợ Đồn, Chợ Mới, Na Rì, Ngân Sơn, Pác Nặm
8,2
Chợ Đồn
10,9
4
Bắc Giang
Tx. Bắc Giang, Hiệp Hoà, Lạng Giang, Lục Nam, Lục Ngạn, Sơn Động, Tân Yên, Việt Yên, Yên Dũng, Yên Thế
8,2
5
...
...
...
Tx. Bắc Ninh, Gia Bình, Lương Tài, Quế Võ, Yên Phong
8,2
Từ Sơn, Tiên Du, Thuận Thành
10,9
6
Bạc Liêu
Tx Bạc Liêu
10,9
Giá Rai, Đông Hải, Hồng Dân, Phước Long, Vĩnh Lợi
...
...
...
7
Bến Tre
Tx. Bến Tre, Châu Thành, Chợ Lách, Giồng Trôm, Mỏ Cày
13,7
Thạnh Phú, Ba Tri, Bình Đại
10,9
8
Bình Định
Tp.Quy Nhơn, Tuy Phước
...
...
...
An Lão, An Nhơn, Hoài Ân, Hoài Nhơn, Phù Cát, Phù Mỹ, Tây Sơn, Vân Canh, Vĩnh Thạnh
8,2
9
Bình Dương
Tx. Thủ Dầu Một, Dĩ An, Tân Uyên, Thuận An
13,7
Bến Cát, Dầu Tiếng, Phú Giáo
14,9
10
...
...
...
Tx. Đồng Xoài, Bình Long, Chơn Thành, Đồng Phú
14,9
Bù Đốp, Bù Đăng, Lộc Ninh, Phước Long
13,7
11
Bình Thuận
Tp. Phan Thiết, Hàm Tân, Hàm Thuận Bắc, Hàm Thuận Nam, Tánh Linh
8,2
Đức Linh
...
...
...
Phú Quý
7,0
Bắc Bình
5,7
Tuy Phong
3,4
12
Cà Mau
Tx. Cà Mau, U Minh, Thới Bình, Trần Văn Thời, Cái Nước, Đầm Dơi, Phú Tân, Năm Căn, Ngọc Hiển
...
...
...
13
Cao Bằng
Tx. Cao Bằng, Bảo Lạc, Bảo Lâm, Hà Quảng, Hạ Lang, Hà An, Nguyên Bình, Phục Hoà, Quảng Uyên, Thạch An, Thông Nông, Trà Lĩnh, Trùng Khánh
9,2
14
Cần Thơ
Q. Bình Thủy, Q. Cái Răng, Q. Ninh Kiều, Q. Ô Môn, Cờ Đỏ, Phong Điền,Thốt Nốt, Vĩnh Thạnh
13,7
15
...
...
...
Q. Hải Châu, Q. Liên Chiểu, Q. Ngũ Hành Sơn, Q. Sơn Trà, Thanh Khê, Hòa Vang
8,2
Hoàng Sa
7,0
16
Đắc Lắk
Tp. Buôn Ma Thuột, Buôn Đôn, Ea Súp, Cư M'Gar, Ea H'Leo, Krông Buk, Krông Năng
13,7
Krông Păk, Krông Ana, Lắk, Krông Bông, Ea Kar
...
...
...
M'Đrắk
8,2
17
Điện biên
Tp. Điện Biên Phủ, Điện Biên, Điện Biên Đông
8,2
Tx. Mường Lay, Mường chà, Mường Nhé, Tủa Chùa, Tuần Giáo
10,9
18
...
...
...
Đắk Nông, Krông Nô
10,9
Đắk Mil, Đắk R' Lấp, Đắk Song
13,7
19
Đồng Nai
Tp. Biên Hòa, Long Thành, Nhơn Trạch, Vĩnh Cửu, Trảng Bom
13,7
Tx. Long Khánh, Tân Phú, Định Quán, Thống Nhất
...
...
...
Xuân Lộc, Cẩm Mỹ
8,2
20
Đồng Tháp
Tx. Cao Lãnh, Lấp Vò, Sa Đéc, Tân Hồng, Tam Nông, Tháp Mười, Hồng Ngự, Cao Lãnh, Thanh Bình, Lai Vung, Châu Thành
13,7
21
Gia Lai
Tx. An Khê, Chư Pah, Ia Grai, Mang Yang, Đắc Đoa, Đắc Pơ
...
...
...
Tp. Pleiku, K’Bang, Ia Pa, Đức Cơ, Krông Pa
10,9
Chư Prông, Chư Sê, A Yun Pa
13,7
22
Hà Giang
Tx Hà Giang, Bắc Mê, Bắc Quang, Mèo Vạc, Quản Bạ, Vị Xuyên,
10,9
Hoàng Su Phì, Quang Bình, Xín Mần, Đồng Văn, Mèo Vạc, Yên Minh
...
...
...
23
Hà Nam
Tx. Phủ Lý, Kim Bảng, Thanh Liêm, Duy Tiên
10,9
Bình Lục, Lý Nhân
8,2
24
Hà Nội
Q. Ba Đình, Q. Cầu Giấy, Q. Đống Đa, Q. Hai Bà Trưng, Q. Hoàng Mai, Q. Hoàn Kiếm, Q. Long Biên, Q. Tây Hồ, Q. Thanh Xuân, Gia Lâm, Thanh Trì, Từ Liêm, Đông Anh
...
...
...
Sóc Sơn
8,2
25
Hà Tây
Tx. Hà Đông, Tx. Sơn Tây , Ba Vì, Chương Mỹ, Đan Phượng, Hoài Đức, Mỹ Đức, Phú Xuyên, Phúc Thọ, Quốc Oai, Thạch Thất, Thanh Oai, Thường Tín, Ứng Hòa
10,9
Phúc Thọ, Đan Phượng, Thạch Thất, Quốc Oại, Hoài Đức
8,2
26
...
...
...
Tx. Hà Tĩnh, Cẩm Xuyên, Can Lộc, Đức Thọ, Hương Sơn, Kỳ Anh, Nghi Xuân, Thạch Hà, Vũ Quang
8,2
Hương Khê
10,9
27
Hậu giang
Châu Thành, Phụng Hiệp
10,9
Tx. Vị Thanh, Vị Thuỷ, Long Mỹ, Châu Thành A
...
...
...
28
Hải Dương
Tp. Hải Dương, Bình Giang, Cẩm Giàng, Chí Linh, Gia Lộc, Nam Sách, Ninh Giang, Thanh Miện
8,2
Kinh Môn, Kim Thành, Thanh Hà, Tứ Kỳ
10,9
29
Hải Phòng
Q. Hồng Bàng, Q. Kiến An, Q. Lê Chân, Q. Ngô Quyền, An Dương, An Lão, Kiến An, Bạch Long Vĩ, Thủy Nguyên,
...
...
...
Q. Hải An , Tx. Đồ Sơn, Tiên Lãng, Vĩnh Bảo, Kiến Thụy, Cát Hải
8,2
30
Hoà Bình
Tx Hòa Bình, Đà Bắc, Kim Bôi, Kỳ Sơn, Lạc Thủy, Lương Sơn, Mai Châu
10,9
Cao Phong, Tân Lạc, Lạc Sơn, Yên Thủy
13,7
31
...
...
...
Tx. Hưng Yên, Phù Cừ , Tiên Lữ
8,2
Ân Thi , Khoái Châu, Kim Động, Mỹ Hào, Văn Giang, Văn Lâm, Yên Mỹ
10,9
32
Khánh Hoà
Tp. Nha Trang
3,4
Tx. Cam Ranh, Diên Khánh, Vạn Ninh, Ninh Hòa
...
...
...
Khánh Sơn, Khánh Vĩnh
8,2
Trường Sa
7,0
33
Kiên Giang
Tx. Rạch Giá, Tx. Hà Tiên, An Biên, An Minh, Châu Thành, Giồng Riềng, Gò Quao, Hòn Đất, Kiên Hải, Kiên Lương, Tân Hiệp, Vĩnh Thuận
13,7
Phú Quốc
...
...
...
34
Kon Tum
Tx. Kom Tum, Kon Plông, Kon Rẫy, Đắk Glei, Đắk Hà, Sa Thầy
8,2
Đắk Tô, Ngọc Hồi
5,7
35
Lâm Đồng
Tp. Đà Lạt , Đam Rông, Đơn Dương, Đức Trọng, Lâm Hà
...
...
...
Tx. Bảo Lộc, Bảo Lâm, Cát Tiên, Di Linh
8,2
Đạ Huoai, Đạ Tẻh
5,7
Lạc Dương
13,7
36
Lào Cai
Tp Lào Cai, Sa Pa, Bắc Hà, Bát Xát, Mường Khương, Si Ma Cai
...
...
...
Bảo Thắng, Bảo Yên, Văn Bàn
10,9
37
Lạng Sơn
Tx. Lạng Sơn, Bắc Sơn, Bình Gia, Cao Lộc, Chi Lăng, Đình Lập, Hữu Lũng, Lộc Bình, Tràng Định, Văn Lãng, Văn Quan
8,2
38
Lai Châu
Tx Lai Châu, Tx Lai Châu, Mường Tè, Phong Thổ, Sìn Hồ, Tam Đường, Than Uyên
...
...
...
39
Long An
Tx. Tân An, Bến Lức, Cần Đước, Cần Guộc, Châu Thành, Đức Hòa, Tân Trụ, Tân Hưng, Tân Thạnh, Thủ Thừa
13,7
Đức Huệ, Mộc Hóa, Thạnh Hóa, Vĩnh Hưng
14,9
41
Nam Định
Tp. Nam Định, Giao Thủy, Hải Hậu, Mỹ Lộc, Nam Trực, Nghĩa Hưng, Trực Ninh, Vụ Bản, Xuân Trường, Ý Yên
...
...
...
42
Nghệ An
Tp. Vinh, Tx. Cửa Lò, Hưng Nguyên, Nam Đàn, Thanh Chương, Đô Lương, Yên Thành, Quỳnh Lưu, Diễn Châu
8,2
Anh Sơn, Con Cuông, Nghĩa Đàn, Tân Kỳ, Tương Dương, Kỳ Sơn, Quế Phong
10,9
Quỳ Châu, Quỳ Hợp
13,7
43
...
...
...
Tx. Ninh Bình Tx. Tam Điệp, Hoa Lư, Kim Sơn, Yên Khánh, Yên Mô
8,2
Gia Viễn, Nho Quan
10,9
44
Ninh Thuận
Tx. Phan Rang, Ninh Phước
1,4
Bắc Ái, Ninh Sơn
...
...
...
Ninh Hải
3,4
45
Phú Thọ
Tp. Việt Trì, Tx. Phú Thọ, Đoan Hùng, Hạ Hoà, Lâm Thao, Phù Ninh, Cẩm Khê, Tam Nông, Thanh Ba, Thanh Sơn, Thanh Thuỷ, Yên Lập
10,9
46
Phú Yên
Tp. Tuy Hòa
...
...
...
Đông Xuân, Sông Hinh, Sơn Hòa
8,2
Phù Hòa, Sông Cầu, Tuy An, Tuy Hòa
5,7
47
Quảng Bình
Tp. Đồng Hới, Bố Trạch, Lệ Thủy, Minh Hóa, Quảng Ninh, Quảng Trạch
8,2
Tuyên Hóa
...
...
...
48
Quảng Nam
Tx. Tam Kỳ, Tx. Hội An, Bắc Trà My, Duy Xuyên, Đại Lộc, Điện Bàn, Nam Trà My, Phú Ninh, Núi Thành, Quế Sơn, Thăng Bình, Tiên Phước, Hiệp Đức
8,2
Đông Giang, Nam Giang, Phước Sơn, Tây Giang, Nam Trà My
10,9
49
Quảng Ngãi
Tx. Quảng Ngãi, Bình Sơn, Đức Phổ, Lý Sơn, Mộ Đức, Nghĩa Hành, Tư Nghĩa, Sơn Tịnh
...
...
...
Ba Tơ, Minh Long, Sơn Hà, Sơn Tây, Tây Trà, Trà Bồng
10,9
50
Quảng Ninh
Tp. Hạ Long, Tx. Uông Bí, Đông Triều, Yêu Hưng, Hoành Bồ, Bình Liêu
8,2
Tx. Móng Cái, Ba Chẽ, Cô Tô, Đầm Hà, Hải Hà, Hoành Bồ, Tiên Yên, Vân Đồ, Cẩm Phả
10,9
51
...
...
...
Tx. Đông Hà, Cam Lộ, Cồn Cỏ, Đa Krông, Gio Linh, Hải Lăng, Hướng Hóa, Vĩnh Linh
8,2
Tx. Quảng Trị, Đa Krông, Hải Lăng, Triệu Phong
10,9
52
Sơn La
Tx Sơn La, Bắc Yên, Mai Sơn, Mộc Châu , Mường La, Phù Yên, Quỳnh Nhai, Sông Mã, Sốp Cộp, Thuận Châu, Yên Châu
10,9
53
...
...
...
Tx. Sóc Trăng, Cù Lao Dung, Kế Sách, Long Phú, Mỹ Xuyên, Vĩnh Châu
10,9
Mỹ Tú, Ngã Năm, Thạnh Trị
13,7
54
Tây Ninh
Tx. Tây Ninh, Châu Thành, Hòa Thành, Tân Biên, Tân Châu
13,7
Gò Dầu, Trảng Bàng, Bến cầu, Dương Minh Châu
...
...
...
55
Thái Bình
Tp. Thái Bình, Đông Hưng, Hưng Hà, Kiến Xương, Quỳnh Phụ, Thái Thụy, Tiền Hải, Vũ Thư
8,2
56
Thái Nguyên
Tp. Thái Nguyên, Định Hóa, Đồng Hỷ, Phổ Yên, Phú Bình, Phú Lương,Võ Nhai, Tx.Sông Công, Đại Từ
8,2
57
...
...
...
Tp. Thanh Hóa, Tx. Bỉm Sơn, Tx. Sầm Sơn, Đông Sơn, Hà Trung, Hậu Lộc, Hoằng Hóa, Như Thanh, Như Xuân, Nông Cống, Nga Sơn, Thiệu Hóa, Thọ Xuân,Quảng Xương, Tĩnh Gia, Triêu Sơn, Vĩnh Lộc, Yên Định
8,2
Bá Thước, Thạch Thành, Cẩm Thủy
13,7
Lang Chánh, Mướng Lát, Quan Hóa, Quan Sơn, Thường Xuân, Ngọc Lặc, Cẩm Thủy
10,9
58
Thừa Thiên Huế
Tp. Huế, Phong Điền, Phú Lộc, Phú Vang, Quảng Điền
...
...
...
A Lưới, Hương Trà, Hương Thủy, Nam Đông
13,7
59
Tiền Giang
Tp. Mỹ Tho, Tx. Gò Công, Cái Bè, Cai Lậy, Châu Thành, Tân Phước, Chợ Gạo, Gò Công Đông, Gò Công Tây
13,7
60
Tp. Hồ Chí Minh
Quận 2,Quận 3, Quận 4, Quận 5, Quận 6, Quận 7, Quận 8,Quận 9, Quận 10, Quận 11, Q. Tân Phú, Q. Bình Tân, Q. Bình Thạnh, Q. Gò Vấp, Q. Phú Nhuận, Q. Tân Bình, Q. Thủ Đức, Bình Chánh, Nhà Bè, Hóc Môn
...
...
...
Cần Giờ
10,9
Củ Chi
14,9
61
Trà Vinh
Tx. Trà Vinh, Càng Long
13,7
Cầu Kè, Cầu Ngang, Châu Thành, Duyên Hải, Tiểu Cần, Trà Cú
...
...
...
62
Tuyên Quang
Tx. Tuyên Quang, Chiêm Hóa, Hàm Yên, Na Hang, Sơn Dương
10,9
Sơn Dương
8,2
63
Vĩnh Long
Tx. Vĩnh Long, Long Hồ, Mang Thít
...
...
...
Tam Bình, Trà Ôn, Vũng Liêm, Bình Minh
10,9
64
Vĩnh Phúc
Tp. Vĩnh Yên, Tx. Phúc Yên, Bình Xuyên, Lập Thạch, Tam Dương, Vĩnh Tường, Yên Lạc
10,9
Tam Đảo, Mê Linh
8,2
65
...
...
...
Tp. Yên Bái, Tx. Nghĩa Lộ, Lục Yên, Mù Cang Chải, Trạm Tấu, Trấn Yên, Văn Chấn, Văn Yên, Yên Bình
10,9
GHI CHÚ:
1. Số liệu tham khảo ở bảng E.1 được tra theo bản đồ ở Hình 2 và các khuyến cáo ở 7.2.
2. Đối với huyện có đường đồng mức cắt qua, mật độ sét lấy theo giá trị đường đồng mức lân cận cao nhất mà các vùng trong huyện có thể bị ảnh hưởng.
3. Mật độ sét ở các hải đảo được Viện Vật lý địa cầu khuyến cáo lấy từ 2,5 đến 7,0 lần/km2/năm.